The Project Gutenberg EBook of Practical Methods of Sewage Disposal, by
Henry N. Ogden and H. Burdett Cleveland
This eBook is for the use of anyone anywhere in the United States and most
other parts of the world at no cost and with almost no restrictions
whatsoever. You may copy it, give it away or re-use it under the terms of
the Project Gutenberg License included with this eBook or online at
www.gutenberg.org. If you are not located in the United States, you'll have
to check the laws of the country where you are located before using this ebook.
Title: Practical Methods of Sewage Disposal
For Residences, Hotels and Institutions
Author: Henry N. Ogden
H. Burdett Cleveland
Release Date: February 26, 2017 [EBook #54244]
Language: English
Character set encoding: UTF-8
*** START OF THIS PROJECT GUTENBERG EBOOK PRACTICAL METHODS OF SEWAGE ***
Produced by Richard Tonsing and the Online Distributed
Proofreading Team at http://www.pgdp.net (This file was
produced from images generously made available by The
Internet Archive)
Transcriber's Note:
The cover image was created by the transcriber and is placed in the public domain.
A Sub-surface Irrigation Sewage-Disposal Plant.
Sewage. Frontispiece.
| Chapter I. Introductory | |
| PAGES | |
|---|---|
| The problem of sewage disposal. Composition and character of sewage. Action of bacteria. Soils and their value for sewage treatment. Three essential conditions for effective sewage purification. Rates of operation. Preliminary and final treatment. | 1–13 |
| Chapter II. The Settling Tank | |
| Function and capacity of settling tanks. Their construction. Siphon chambers. Use of concrete. Pipe connections. Roof. Baffle boards. Imhoff or Emscher tanks. | 14–36 |
| Chapter III. Valves, Siphons, and Siphon Chambers | |
| Hand valves. Gate valves. Flap valves. Various types of siphons. Alternating and plural siphons. Air-lock siphons. Dosing apparatus. | 37–54 |
| Chapter IV. Sub-surface Irrigation | |
| Advantages of sub-surface irrigation for sewage disposal. Details of system. Tables for use in constructing. Siphon chambers. Sub-surface tile. Alternate use of separate portions of area. Underdrainage. | 55–72 |
| Chapter V. Sewage Filters | |
| Relative efficiency of various types. Sand Filters. Tables for use in constructing siphons. Dosing and distribution methods. Maintenance. Contact Beds. Methods of construction. Alternate and timed siphons for filling and discharging. Table for use in constructing. Sprinkling Filters. Their construction and operation. Complicated and undesirable for small installation. | 73–97 |
| Chapter VI. Broad Irrigation | |
| Fertilizing elements in sewage. Value of sewage for irrigation. Area required for sewage irrigation. Methods of applying the sewage. Maintenance of irrigated areas. | 98–111 |
| Chapter VII. Estimates of Cost | |
| Cost of material: of laying sewers and drains; of sand; of excavating and refilling; of rock excavation; of concrete work; of valves; of dosing devices; of filling material for beds; of finishing and cleaning up. Table to show items to be considered in estimate of cost. | 112–128 |
| A sub-surface irrigation sewage-disposal plant | Frontispiece | |
| FIGURE | PAGE | |
|---|---|---|
| 1. | Plan of settling tank | 15 |
| 2. | Longitudinal section of settling tank | 17 |
| 3. | Sketch of settling tank with longitudinal partition wall | 19 |
| 4. | Forms used for building side walls for concrete tank | 23 |
| 5. | View of settling tank, showing baffles, sludge pipe, drain pipe, and inlet and outlet pipes | 26 |
| 6. | Section showing tank with concrete roof and form for constructing roof | 28 |
| 7. | Form for manhole opening | 30 |
| 8. | Plan and longitudinal section of modified Imhoff tank | 33 |
| 9. | Vertical cross-section of modified Imhoff tank | 34 |
| 10. | Sludge valve for floor of tank | 38 |
| 11. | Sludge valve for side wall of tank | 39 |
| 12. | Sluice gate valve made by Coffin Valve Co | 40 |
| 13. | Ordinary gate valve | 40 |
| 14. | English slide valve with wedge-lock handle | 41 |
| 15. | Flap valve attached to length of sewer pipe | 42 |
| 16. | Flap valve with metallic seat attached | 43 |
| 17. | Flap valve with loose-link hinges | 44 |
| 18. | Intermittent dosing apparatus made by Ansonia Manufacturing Co. | 45 |
| 19. | Simplest form of automatic siphon | 46 |
| 20. | Van Vranken automatic siphon | 47 |
| 21. | Miller automatic siphon | 48 |
| 22. | Double alternating siphons of the “Merritt” type | 49 |
| 23. | Triple alternating siphons of the Miller type | 50 |
| 24. | Single “Merritt” automatic siphon | 51 |
| 25. | Air-lock siphon for admitting and releasing sewage from each one of four beds in regular order | 52 |
| 26. | Plan and section of sub-surface irrigation system | 61 |
| 27. | Plan and section of a portion of a sub-surface irrigation system | 62 |
| 28. | Y-branch of vitrified tile pipe | 64 |
| 29. | Eighth bend of vitrified tile pipe | 64 |
| 30. | Sub-surface tiling | 65 |
| 31. | Photograph of tile laid as if for sewage disposal | 66 |
| 32. | Sub-surface tiling with broken stone or gravel surrounding pipe | 67 |
| 33. | Sub-surface systems on irregular ground | 68 |
| 34. | Special casting of double Y-branch with swinging gate | 69 |
| vi35. | Double Y-branch with valves on branches of main carrier | 70 |
| 36. | Sub-surface tiling system with underdrains | 71 |
| 37. | View of sand-filter beds for village in Massachusetts | 75 |
| 38. | Layout for intermittent sand filtration | 78 |
| 39. | Intermittent sand-filtration beds | 79 |
| 40. | Portion of distributing troughs for sand filters | 80 |
| 41. | General view of disposal plant at Bedford Reformatory | 81 |
| 42. | View of sand filter with distribution trough. Settling tank is at the end of the bed | 82 |
| 43. | View of diverting manhole | 83 |
| 44. | Plan of diverting manhole | 84 |
| 45. | Five-way diverting manhole | 85 |
| 46. | General plans of contact-bed system near Albany, N. Y., opposite page | 89 |
| 47. | View of sprinkling filter at Dansville, Pa., in winter | 95 |
| 48. | Distribution of sewage and arrangement of check levees on a hillside | 106 |
| 49. | Distribution of sewage on a hillside of moderate slope | 107 |
| 50. | Square beds for orchards according to some Western practice | 108 |
| 51. | Grain-field in spring in process of irrigation | 109 |
The problem of sewage disposal for a single house differs from the corresponding problem for a city chiefly in two ways: first, because in the city it is becoming, if it has not, indeed, already become, a necessity, and city authorities, though somewhat reluctantly, are willing to grant the necessary appropriation to secure engineering advice which will solve the problem in a scientific as well as economic fashion. In the case of a single house, whether a farm-house or a villa, the necessity of employing competent engineering advice has not been generally recognized, and no attempt has been made to solve the problem of sewage disposal in a scientific manner.
Cesspools have been considered the only way of caring for sewage in places where a running stream was not available, or where attempts were made to protect such a stream from pollution, and while, in these last few years, crude attempts have been made to utilize the so-called septic tank, such attempts have generally been so unintelligent that the results have been anything but satisfactory. Since it has been understood that insects, such as flies and mosquitoes, play an important part 2in the transmission of disease, the danger of overflowing cesspools and of open ditches in which stagnant sewage is present, has been appreciated; also the higher standards of living which have made themselves felt throughout the rural community have demanded in farm-houses and country homes sanitary conveniences which have hitherto been wanting.
Gradually every house is using more and more water for various purposes, and living conditions, which in the past tolerated a scanty supply drawn from a pump, are no longer endured. The increased water supply and the demands of extended plumbing mean a greater amount of sewage—so great an amount that, in many cases, soils which could receive and digest the waste waters from houses supplied by wells are clogged and made impervious by this greater amount.
Further, the danger to wells from the infiltration of cesspools is more feared, and it is understood as never before that in order to maintain the highest degree of health in a family the drinking-water used must be above suspicion and not subject to contaminating influences in the vicinity.
Again, communities are being aroused to the intrinsic value of maintaining streams in a pure condition—partly because of the value of fish and ice coming from the streams themselves, and partly on the broad ground that watercourses belong to the country as a whole, and must be kept pure for the sake of succeeding generations, not spoiled for them on account of the selfishness of a few at the present time.
Thus it is that to-day the problem of sewage disposal, while arousing general interest, is recognized as one which requires more than the common sense of an average person, that the force and principles involved are understood to be not those in common use, and that, for successful disposal of sewage, special knowledge and judgment are required.
3Whatever the character of the sewage and whatever the kind of soil available for treatment, the method of dealing with sewage most obvious to most people has been to discharge the sewage directly into the nearest watercourse. This has been the practice of cities as well as of individual houses in the past, and the practice is very difficult to check because of the economy of this method of disposal. In many cases there is no objection to this method, and where a large stream is available, where no use is made further downstream of the waters for drinking purposes, and where the volume of water in the stream is sufficient to dilute the sewage to a point where no odors or objectionable appearances result, it would seem most uneconomical to adopt any more complicated method of disposal than by simply carrying the outfall pipe into the main bed of the stream.
In New York State, and in a number of other States, the number of which is continually increasing, such direct discharge, however, is not permitted by law except under certain conditions. In New York State it is required that any house, butter or cheese factory, manufacturing establishment, or village shall obtain the permission of the State Commissioner of Health before such a method of discharge be adopted, and in order to obtain this permission it must be definitely shown that the conditions of the stream are such that no reasonable objection to this method could be urged. The policy of the various Departments of Health in the United States is gradually becoming more and more rigorous in the matter of prohibiting the discharge of crude sewage into watercourses, and it is wise to make very sure that the discharge of sewage into streams is above the suspicion of a nuisance before adopting this as a suitable method. Rather would it seem better to provide for some method of treatment and allow only purified sewage to go into the stream 4than to run the risk of being forced in a few years to reconstruct the entire line of outfall pipe, with perhaps an entire reconstruction of the plumbing within the house.
The problem of treatment is the question of so modifying the character of a large volume of dirty water that it shall neither injure the quality of any drinking-water into which it may be discharged, nor cause objectionable odors, nor present disagreeable appearances in any body of water into which it may be emptied.
In order to properly understand a reasonable method of treatment some consideration must be given to the composition of sewage. This is chiefly water with which is mixed a small amount of animal, vegetable, and mineral matter. Roughly speaking, the amount of mineral dirt is about one tablespoonful to a barrelful of water, and the combined amount of animal and vegetable matter amounts to another tablespoonful. It seems almost impossible that so small a quantity of organic matter as one tablespoonful in a barrel of water could cause offense in any way, and yet engineers, city officials, and householders know by bitter experience that, when spread out on the surface of the ground or when allowed to stand in pools, water so polluted will undergo putrefaction resulting in most disagreeable odors and in complete stagnation. The problem of sewage treatment, then, consists in removing from the barrelful of water, the tablespoonful of organic dirt, whether animal or vegetable, in such a way that no odors shall be occasioned by the process and at the same time so that the cost of the process may be a reasonable one.
Unfortunately, the greater part of this organic matter is in solution, dissolved, like salt in water, so that, though undeniably present, it must be removed by some process more complicated and less obvious than that of simple straining. It would be 5comparatively simple if the polluting substances remained floating or suspended in the water. Then they could be strained out through a fine sieve or settled out in a tank, either with or without the aid of chemicals. But for particles in solution, straining, by itself, is useless and, while in large plants frequent use is made of sieves as a complement to the main process of purification, in small plants it is of so little value as hardly to deserve consideration.
Another factor enters to lessen the value of the use of screens or sieves in an installation for a single house. A great deal of the organic matter found in sewers requires both agitation and time for its subdivision into particles small enough to be acted upon in any process of purification adopted. If a screen is used, large particles of putrescible matter are held on the screen since not enough time has existed to break down their mass, and thus the screen itself becomes a most emphatic disturbance and a most objectionable feature of the purification plant.
For efficient purification, therefore, some method of reducing and modifying the character of organic solids, particularly those in solution, must be selected. In seeking a method by which this may be accomplished, scientific men found years ago that this very process was being carried on continually by natural forces, although at a very slow rate of purification. All organic matter, however formed and wherever present, is subject to the natural forces of decay. Fruits, vegetables, and meats of all kinds, exposed to the air, rapidly lose their original character and form and in the course of time disappear entirely. Except for this provision of nature, the accumulation of organic wastes since the beginning of the earth’s occupation by human beings would be so great that the earth would be uninhabitable on account of the deposits of waste matter which would have formed by this time. Nature, then, recognizes the need of disposing 6of organic wastes, and her method is the one which apparently must be followed by human beings if successful treatment is to be secured.
Only a few decades ago, it was found that this process of decay was due to the activity of very small organisms known as bacteria, and their agency was proved by experiments which showed that if vegetables or meat were kept free from bacteria, no decay, fermentation, or putrefaction took place. It was proved that the air itself was not responsible because in certain experiments air was allowed to enter through a filtering medium fine enough to strain out the bacteria and no decay took place, although oxygen and air were both freely admitted. It is well understood by the housewife that fruits can be kept indefinitely if they are cooked sufficiently to kill any bacteria present and then sealed in bacteria-free, air-tight jars. When such preserves spoil, it is because some bacteria were left in the jar or have since been admitted through an imperfect top. When decay is allowed to proceed, the obvious result is, first of all, a softening of the material, as in the case of a rotten apple, a liquefaction, as it is more technically known. Following that part of the process is a gradual breaking down of the material, the residue being of an earthy character which is assimilated by the soil into which it falls.
The bacteria required for the putrefaction of organic matter are among the most widely distributed of all the micro-organisms. They are always found in the air, except on mountain tops, in deserts, and over the ocean. They are very numerous in surface waters, such as streams and ponds, and their relative number everywhere increases as the amount of organic matter increases, so that the greater the need for them the greater is their number. It has been found that the great majority of these bacteria require air for their energetic development, 7and this fact is most important when it comes to the practical construction of a piece of apparatus for making use of these bacteria. It has also been found that, for several reasons, these bacteria work most effectively in the soil and can take care of a larger quantity of organic matter there than elsewhere. This is partly because in the surface layers of the soil, particularly where that soil has been cultivated, a great number of the particular bacteria involved in decay are always to be found. Pure, clean sand from the desert contains almost none of these beneficent bacteria. Rich garden soil is fairly teeming with them, so that, curiously, the more organic matter and the more bacteria present in any soil, the more active that soil will be in taking care of other organic matter.
Then, again, the soil particles, particularly in sandy soil, are so separated as to allow between them a certain and appreciable amount of air, and by means of this air the activity of the bacteria is made continuous and the products of their activity utilized. Without such an admission of air, the bacteria are choked and diminish rapidly in numbers. There is, however, a definite degree of purification and a certain quantity of organic matter which can be taken care of by the bacteria incident to any particular soil. Up to that quantity purification proceeds more or less satisfactorily according to the intelligence shown in feeding the bacteria in such a way as suits their convenience. If, however, that quantity be exceeded, all purification stops, the bacteria are apparently discouraged, and no further improvements can be expected. A fine-grained soil will not be so useful as a coarse-grained soil because the former does not allow sufficient air in the interstices of its soil particles. Another practical reason for not making use of soils of fine grains is that such soils can absorb only a small amount of liquid because of the mechanical construction of the material. On the other 8hand, soils whose grains are too coarse are undesirable because their mechanical construction is such that the liquids containing organic matter in solution pass through so rapidly that time enough is not given for bacterial action.
As a result of the principles just enumerated, it may be said that there are three distinct and essential conditions for the successful disposal of sewage through the soil. These three conditions are, first, a rate of application suitable to the soil which it is proposed to use; second, an interrupted or intermittent delivery of the sewage so that the bacteria can obtain, between consecutive doses of sewage, the necessary amount of oxygen for their own preservation and well-being; and, third, a resting period in which is carried forward that intimate association between the partly decomposed organic matter and the oxygen or air present in the pores of the soil by which the final oxidation is obtained.
The rate of application varies, as already indicated, with the size of particles found in the soil, and it should also vary with the purification desired. The larger the particles, the higher may be the rate of application, but less efficient will be the process. With grains of sand as fine as 1⁄200 of an inch, and with a rate of application not greater than five gallons per square yard of surface per day, filtration through such an area has been proved to be capable of removing from the foulest sewage all the objectionable material and converting the liquid into what is an equivalent of the purest spring water. If the rate appropriate to this particular soil is exceeded, the efficiency decreases, and the unmistakable and inevitable result is to stop all purification and convert the filter into a stagnant cesspool. If, to take the other extreme, the soil particles are increased until they are as large as hen’s eggs, then, if the rate of application is not greater than 200 gallons per square yard of surface per day, 9and if the method and rate of application are suitable to this large amount, the resulting effluent is sufficiently freed from its objectionable matter so that the liquid can be turned into any body of water without danger of odors or other nuisance. If this rate is exceeded, or if the method of application is not carefully considered, the resulting effluent is foul in the extreme and the process itself becomes a nuisance.
It can be seen by this brief explanation that it is not possible to assign any particular rate of application to any particular kind of treatment, since in all the methods of purification which have been worked out considerable variation in the details of that particular method have been practised. It will be possible, therefore, in succeeding chapters to indicate by the size of filters recommended only limiting or average values for rates of purification, since those rates are always dependent upon other factors than the particular method being discussed. It must also be remembered that soils may exist which have no porosity whatever, and through which it is impossible for sewage to make its way. Such soils are not available for sewage purification, and, no matter how small the rate or how careful the method of application, such areas will fail to produce any practical purification. Soils like clay, peat, and fine water-deposited silt are of this sort. Clay soils may sometimes become pulverized by cultivation so that they will ultimately be able to take care of a moderate amount of sewage. In such a case it is possible to dispose of sewage successfully in the top six inches of soil which, by continual cultivation, has been made out of the stiff clay. In such cases, the difficulty is not that of oxidizing the sewage, but that of taking care of the effluent, which must be held between the cultivated soil and the raw clay underneath.
The second requirement mentioned is secured by discharging the sewage onto the soil area at intervals, the number of doses 10per day depending upon the size of particles in the bed. There has been a general principle established that the size of these doses ought to be smaller as the size of the particles increases, so that, whereas in the case of sand beds the total daily dose is usually divided into from one to three parts and each part delivered onto the bed with an appropriate interval, in the case of coarser materials used for sprinkling filters, the time interval between doses is much reduced and in some installations recently constructed in England that interval has been measured in seconds. The variations in the rate of flow of sewage onto any filter, however, are so great that any such requirement as designing discharging apparatus to work at intervals of a few seconds is useless, and if as small an interval as one minute is provided for the coarsest material for the maximum rate of flow at any time of the day, the installation will probably be successful for the lesser rates occurring at other times of the day. As an indication of the way in which this modification is made, it is customary, when the size of soil particles is that of peas, to make the interval between successive discharges about one hour, so that the dose applied at any one time would be equal to 1⁄24 of the daily volume. With gravel filling, the particles being the size of English walnuts, the interval between doses is shortened to five minutes, and the amount of any one dose is thus made 1 about 1⁄280 of the total daily volume. With the coarser filling, as when a size as large as hen’s eggs is used, the interval would be cut down to about one minute. It should be added that the intervals last mentioned are characteristic only of some devices used for dosing sprinkling filters and that there is a wide divergence of practice among engineers when dealing with any particular size of sand or stone particles in all kinds of filter beds.
The third requirement, namely, the occasional resting of the bed, is met by providing some additional area over that 11theoretically required, so that the flow may be diverted from part to part of the total area (which is usually divided into beds for this purpose), and in this way each part is allowed, in turn, a period for resting. For example, if the required area be divided into two beds and a third bed added equal in area to one of the two and a regular rotation of dosing be practised, each bed would rest not only the time between the regular twelve-hour period dosing, but might also be given a complete rest, occasionally, for an extended period. This third requirement is probably less imperative with the coarser particles and there are many examples of coarse-grained beds which have been continuously operated for a period of years. It is found, however, that with such treatment clogging is inevitable, and that such clogging is partially relieved by a period of rest somewhat proportional to the length of time the beds have been operated. It is, then, only shortsighted policy to economize at the beginning and attempt to save money by not building an additional area, since the clogging of the whole plant is bound to occur in the course of time, and then another plant must be built or the material forming the bed taken out, washed, and replaced. Otherwise the sewage must go unpurified to the outfall while the bed is recovering from the long period of overwork.
It is convenient to divide sewage purification into two processes, the preliminary process and the final, or finishing process, and, while the preliminary process, in itself, never accomplishes purification, yet it is of considerable value in facilitating and increasing the rate and efficiency of that purification. The most common preliminary treatment is sedimentation, by which the larger solids in suspension are allowed to settle in a tank or tanks so that the filter beds later used are relieved from the accumulation of those deposits. Under the name of septic tank such a receptacle for suspended solids has been 12exploited as a complete method of purification, and many underground tanks have been constructed in various parts of the country which have, at the time of their installation, been considered competent to furnish all the necessary purification. When it is remembered that less than one-half of the organic matter in sewage is in suspension and that the best results in any sort of a tank succeed in depositing only one-half of those suspended solids, it can readily be seen that a tank, whether called septic or settling, cannot be a complete method of treatment. In reality, such a tank does little more than take out from the sewage the greasy material and a certain proportion of the suspended matter. Whatever part of this is organic matter may, by a particular arrangement of the tank, be considerably reduced in quantity, so that the intervals of cleaning can be extended, but in every tank the removal of the deposits is necessary, and subsequent treatment is required if adequate purification is accomplished.
The final, or finishing, process may be carried out according to any one of several methods. It may be done by discharging the tank effluent into a system of agricultural drains laid just below the surface of the ground, called sub-surface irrigation. It may be done by removing the top soil from a bed of sand placed by nature, and needing little except suitable surface distribution to insure the most efficient purification.
For a small plant, instead of a sand filter, for which the sand is found naturally in a suitable location, an artificial filter may be built by preparing an enclosure and carting in sand for filling.
Where no sand is available, or where its use would be uneconomical, broken stone may be used to ensure final treatment. With stone, on account of its large voids, the enclosure must either be water-tight, and the outlet pipe must be provided with 13a valve or other device so that the sewage under treatment may be held in the enclosure or tank long enough to deposit the solids in suspension and to be acted on by the bacteria concerned. This method is known as the contact bed treatment. Or, finally, the desired results may be obtained by spraying the sewage onto a deep layer of broken stone, the method being called the sprinkling filter treatment.
The choice of the final treatment, in any particular case, depends on the character and slope of the ground, on the availability and cost of sand or of broken stone, and on the amount of sewage to be treated. It is hoped that the following pages will give to the reader both an intelligent appreciation of the advantages and disadvantages of each of the several methods of sewage purification discussed, and also sufficient insight into the necessary details of construction so that the method chosen can be put into successful operation.
As has been stated, a most effective preliminary step in the treatment of sewage is to pass it through a properly designed settling tank in order that the grosser solids and suspended matters as far as possible may be deposited there and finally disposed of separately from the liquid sewage. This partial removal of the suspended matters, amounting to about fifty per cent. in well-designed and carefully operated tanks, very materially aids in the final treatment of sewage on filters or on sub-surface irrigation areas by preventing clogging of the filters or of the piping in the irrigation system.
In connection with the larger settling tanks for hotels or institutions, it is sometimes advisable to pass the sewage first through a screen chamber before it is discharged into the settling tank, in order that the grosser suspended solids may be collected more easily than from the tank; but, as has been pointed out, screening of sewage is not necessary at small disposal plants, and in fact is not generally advisable owing to the continual labor involved in removing and disposing of the screenings, and no description of screening plants will therefore be given.
The old method of discharging sewage and house wastes into loose-walled cesspools on all occasions and under all sorts of conditions is rapidly changing, as is desirable. True, in certain locations, where ample area is available, where the soil is dry and porous, and where neither springs nor wells nor the soil near dwellings will be contaminated thereby, cesspools may be safely 15used. In other locations a small expenditure of time and money will provide the means by which nature’s processes of reduction of the organic matter in sewage may be carried on much more efficiently and satisfactorily than ever can be the case in a cesspool.
Fig. 1.—Plan of Settling Tank.
16The scheme for properly disposing of sewage at any point should therefore include its sedimentation in a settling tank of proper construction and ample capacity, whether its final treatment is to be effected by sub-surface irrigation, intermittent sand filtration, contact beds, or sprinkling filters. Where the sewage effluent is to be discharged into a stream or body of water of comparatively large flow or volume, and where that stream is not subsequently used as a potable water supply, it is sometimes permissible to subject the sewage to settling tank treatment only. Such partial treatment, however, should be arranged for only as a temporary measure, and the tank should be so constructed with respect to the elevation of adjacent areas that works for final treatment of sewage, when required, may be constructed as advantageously as possible. Moreover, in the more progressive States, as noted in Chapter I, the purity of streams is being carefully safeguarded, and the general tendency of public health officials is to require more complete treatment of sewage before its discharge into a watercourse than is accomplished by settling tanks.
The settling tank for residences and institutions, as shown in Fig. 1, should have a capacity of from five to fifteen cubic feet for each person served by the sewer in order that proper time of detention in the tank may be allowed for the sedimentation of the suspended matters in the sewage. The depth of the tank should be from five to eight feet, and its width should generally be from one-third to one-half the length. Fig. 2 shows a longitudinal section of the settling tank and siphon chamber.
Fig. 2.—Longitudinal Section of Settling Tank.
18The following table gives the dimensions of tanks which should be adopted to provide a proper time of detention of sewage, based on the number of persons to be served:
| TABLE I | ||||
|---|---|---|---|---|
| Dimensions for Settling Tanks | ||||
| Persons Served by Sewer. | Mean Inside Width (Feet). | Mean Inside Length (Feet). | Depth (Feet).[1] | |
| 4 | 3 | 4 | 5 | |
| 8 | 3 | 7 | 5 | |
| 12 | 4 | 7.5 | 5 | |
| 15 | 4 | 8 | 5 | |
| 25 | 4 | 10 | 5 | |
| 35 | 4.5 | 12 | 5 | |
| 50 | 6 | 12 | 5 | |
| 75 | 6 | 15 | 6 | |
| 100 | 7 | 17 | 6 | |
| 125 | 8 | 17.5 | 6 | |
| 150 | 8 | 18 | 6 | |
| 175 | 8 | 20 | 6 | |
| 200 | 8 | 22 | 6 | |
| 250 | –-2 compartments in tank, each | 5.5 | 18 | 6 |
| 300 | –-2 compartments in tank, each | 5.5 | 18.5 | 7 |
| 350 | –-2 compartments in tank, each | 6 | 19 | 7 |
| 400 | –-2 compartments in tank, each | 6 | 19 | 8 |
| 450 | –-2 compartments in tank, each | 6 | 22 | 8 |
| 500 | –-2 compartments in tank, each | 6 | 24 | 8 |
1. 12 inches greater than depth of sewage.
Fig. 3.—Sketch of Settling Tank with Longitudinal Partition Wall.
The dimensions of settling tanks given above provide for longer periods of detention in the case of the smaller tanks than in that of the larger, an excess which is necessary on account of the greater fluctuation in the flow of sewage reaching the smaller tanks. The larger tanks may be better and more conveniently operated if they are divided by a longitudinal partition wall as shown by Fig. 3, and arranged for in the table for tanks serving 250 or more persons. This provision is not so necessary in the case of the smaller tanks, especially if they are to be installed at summer resorts or country homes occupied for only a few 20months in the summer. If, however, the tanks are to be operated continuously they may have two chambers for greater convenience in removing sludge. The flow through one compartment may then be stopped by closing a valve placed on the inlet pipe to that compartment, or by inserting one of the stop-planks or sluices in a diverting chamber, as shown in Fig. 3, at the left of the tank and inserting a ten-inch board in the groove over the outlet weir wall of the compartment to be cleaned. The entire flow of sewage is then passed through the other compartment while the first is being cleaned. This division of the tank into two compartments is sometimes desirable in the case of the smaller tanks and may easily be accomplished. For instance, instead of a tank 6 feet by 12 feet, two compartments may be arranged for, each 3 feet 6 inches by 10 feet; and instead of a tank 8 feet by 20 feet, two compartments may be constructed, each 5 feet wide and 16 feet long.
The settling tank should be located as far as conveniently possible from the dwelling, and especially from any wells or springs, in order that leakage of sewage, which may always occur, will not lead to the contamination of a water supply or of the soil near the residence. It may not be possible in every case to locate such tanks more than fifty feet away from the house or from the well, but the distance should never be less than this, and when located at this minimum distance from the dwelling or from a well, especial care should be used to make the tank water-tight.
The walls of the tank should preferably be constructed of concrete, although they may be built of brick or wood. The last material is often the cheapest, and tanks constructed of lumber will last for several years without renewal. The concrete tank, however, is more easily made water-tight, and is a permanent structure. The walls of the tank, when the height is less 21than 8 or 10 feet, should be 8 inches thick at the top, and should have a batter on the inside of 1½ inches per foot of height. If the tank is to be built with two compartments, the partition wall should be 10 or 12 inches thick at the top and should have a batter on both sides.
The tank should generally be placed with its top at the level of the ground surface, and the sewer from the house should enter the end of the tank with its flow line or invert 12 inches below the top of the walls. The house sewer or drain should have a grade or fall of not less than 9 inches in 100 feet. Preferably, the sewer should be laid at the above minimum grade for at least 50 feet or so before it enters the tank in order to prevent excessive velocity in the sewage flow at this point. At the entrance to the tank the sewer should be provided with an elbow so that the sewage will be discharged downward below the surface. Similarly, if an outlet pipe from the tank is used, as shown in Fig. 5, this pipe should pass through the wall at the outlet end of the tank, one foot below the top of the tank, and should also be provided with an elbow which will start from below the surface.
Where a siphon is to be used to discharge the effluent from the tank onto a filter or into a system of sub-surface tiling, the separate chamber in which the siphon must be placed may be built as an extension of the settling tank so that the end wall of the settling tank will serve as one of the walls of the siphon chamber.
The siphon chamber floor may be placed considerably above the level of the floor of the tank as shown in Figs. 2 and 3, since a sufficiently large quantity of effluent for dosing a filter or a sub-surface irrigation system may be collected in the chamber of reduced depth thus provided. This shallower construction saves excavation and also reduces the operating head 22or fall, which latter is sometimes hardly equal to the demands of the subsequent treatment. The capacity needed in this chamber for different installations will be given later in the discussion of sewage filters and sub-surface irrigation systems.
Having determined upon the dimensions of the tank and selected the site, the construction is commenced by making the excavation about four feet wider and longer than the outside dimensions of the tank and siphon chamber combined, in order to provide room for setting the forms for placing the concrete, provided concrete is to be used in its construction. With brick walls an additional width and length of two feet is needed.
Fig. 4 gives an illustration of the forms to be used in constructing the walls for concrete tanks, the cut at the left showing a view of the form to be used when the tank is constructed either partly or wholly above the natural ground surface, or below the surface in loose soils, and the cut at the right showing a view of the form to be used when excavation for the tank is made in rock, hardpan, or clay. The top width of the walls should be 8 inches, and the bottom width should be 8 inches plus 1½ inches for each foot of height. Thus, for a wall 6 feet high the bottom width should be 17 inches,—the inside face of the wall having a batter of 1½ inches per foot of height. This batter is necessary, when the tank is constructed below the ground surface, to withstand the lateral earth pressure when the tank is empty. If the tank is to be constructed above the ground surface, the outside wall should be battered and the inside wall made vertical, since the pressure which the wall must withstand is then only from the liquid within the tank. The partition wall between the settling tank and siphon chamber should be 10 or 12 inches thick at the top, depending on its height, and should have a batter on both sides.
Fig. 4.—Forms Used for Building Side Walls for Concrete Tank.
To set up the forms for the concrete walls, stakes 2 inches by 4 inches and about 2½ feet long are first driven on each side of the bottom of the wall, and 6 inches away from the wall as laid out, at intervals of 2 feet. Pieces of scantling, 2 inches by 4 inches and with a length equal to the height of the wall, are then placed in upright position and securely nailed to these stakes. The inner scantling are then inclined and temporarily fastened at the top by a short nailing piece to the outer row so as to leave an opening of 10 inches between each pair of scantling. Additional stakes are then driven from 2 to 4 feet from the wall on each side, as shown in the illustration, and braces 2 inches 24thick and 3 inches or 4 inches wide are nailed to these stakes and to the upright and inclined scantling. One-inch boards are then lightly nailed to the scantling, as shown, the boards making up the inside face of the form being placed in sections of two feet in order to afford opportunity for thorough tamping of the concrete as the form is being filled. The concrete is then placed between the boarded sides of the form in 6–inch layers and well rammed.
The concrete should be composed of one part by measure of Portland cement to two and a half parts of clean, sharp building sand and five parts of broken stone or clean gravel. The cement and sand should first be thoroughly mixed, while dry, to an even color and then wet and tempered to a soft mortar. The broken stone or gravel, after having first been thoroughly wet, should be spread evenly over the batch of mortar and the mass shoveled over at least three times to insure a thorough coating of the stones with mortar. The concrete thus made may then be placed in the forms in six-inch depths and thoroughly rammed until water covers the surface.
When it is essential that the tank be water-tight, and, in fact, in constructing all tanks, each layer of concrete should be placed between the forms, when possible, before the concrete in the layer previously placed has set. If the work of placing the concrete is of necessity interrupted, before placing another layer the surface of the older concrete should first be sprinkled and swept with a stiff broom and a thin coating of neat cement mortar (containing no sand) should then be washed over the surface of the concrete.
It may be noted that a barrel of Portland cement (equal to four bags) contains 3.8 cubic feet, so for concrete with the proportions of cement, sand, and stone as specified above, for each barrel of cement used there should be used 9.5 cubic feet 25of loose sand and 19 cubic feet of loose stone; and for each cubic yard of concrete required there will be needed 1.30 barrels (or 5.2 bags) of cement, 0.46 cubic yards of sand, and 0.92 cubic yards of stone if the stone is fairly uniform in size and contains forty-five per cent. of voids. With stone or gravel less uniform in size, less cement and sand is required. The cement and sand, made into mortar, will fill the voids or open spaces in the mass of broken stone. (For further details see Chapter VII.)
As shown in the illustration (Fig. 4), the foot of each upright and inclined scantling should be placed at the proposed elevation of the floor of the tank, and the boarding should not be carried below this level. Then, if the excavation for the wall has been carried to a level 6 or 8 inches lower than the floor of the tank, the concrete when being placed between the forms will spread under the bottom of the forms, making a footing for the wall on the outside and better insuring a water-tight joint when the floor is laid against the inside foot of the walls.
In making the excavation for the tank, after reaching the proposed level for the floor a trench should be cut around the floor space to a depth of 6 to 8 inches below the floor level. The width of this trench should be such as to extend from 6 to 8 inches inside and an equal distance outside the wall at the floor level. After the walls have been constructed as described, the forms should be left in place for at least 24 hours, to allow the concrete to set, and then removed. The excavation inside the walls should then be carried 6 inches below the floor level, the soil well tamped, and a 6–inch layer of concrete placed to form the floor of the tank. It is well to sprinkle all concrete daily until it has thoroughly set.
If the type of siphon selected has a U-shaped pipe extending below the floor of the siphon chamber, it will be necessary to set the siphon in position while the floor is being laid and the 26discharge pipe in position while the wall is being laid. The siphon should be so placed that the bottom of the bell over the longer leg is 3 inches above the floor of the siphon chamber or of the sump in the siphon chamber if such a depression is made in the construction of the floor.
Fig. 5.—View of Settling Tank, Showing Baffles, Sludge Pipe, Drain Pipe, and Inlet and Outlet Pipes.
The floor of the tank should slope toward the inlet end at a rate of one-half inch per foot of length in order to facilitate the removal of sludge when the tank is being cleaned. This will result in providing a somewhat greater depth at the inlet end of the tank than is shown by the tables, and a lesser depth at the outlet end, leaving the depth at the centre of the tank as shown. The inlet and outlet pipes to the tank, which should be of cast iron, should be placed in position through the forms while the walls are being laid.
When it is desired to have an outlet pipe from the tank near the bottom (see pipe A, Fig. 5), for the purpose of drawing off the supernatant liquid, and so saving the labor of removing the liquid by pail when the tank is being cleaned, this pipe should be of cast iron, 4 inches in diameter and fitted with a valve 27and valve rod placed outside the tank, and should also be placed in position during the construction of the tank. The valve rod, or stem, should reach to the surface of the ground through a 3–inch pipe casing. The lower outlet pipe should be extended around the siphon chamber to discharge into the effluent pipe leading away from this chamber, when possible. This lower outlet pipe should leave the tank at least one foot above the floor and sometimes at a higher elevation, in order to discharge into the sewer leading to the irrigation field or to the filter.
Pipe B in Fig. 5 shows a sludge pipe which may be laid to a suitable site for disposing of sludge from the tank when the slope of the land will permit the draining of the sludge by gravity into trenches or onto a sludge bed. This sludge pipe should be fitted with a valve and valve stem, and the valve may be inside the tank, as shown in the illustration, or outside the tank, as shown on pipe A. If such an arrangement for disposing of sludge is possible, it is manifestly unnecessary to provide pipe A as shown in Fig. 5, since the supernatant liquid as well as the sludge may then be piped to a sludge bed or pit. This bed should be shallow, but of ample capacity to hold the entire contents of the settling tank. The sludge may then be drawn off about every six weeks, thereby operating the tank as a settling tank rather than as a septic tank. It will be found after scum of a certain thickness has formed on the surface of the sewage in the tank that the thickness will not materially increase.
The roof of the tank should preferably be of concrete reënforced with iron rods, although it may be of brick arches or of two-inch planking. The use of brick for the roof is not advisable, however, since the forms for the construction of the arches are rather difficult to make, and brick roofs are apt to be broken down sooner or later through the action of frost. A wooden 28roof, also, must be renewed at intervals and is not as satisfactory as a concrete roof.
Fig. 6.—Section Showing Tank with Concrete Roof and with Form for Constructing Roof.
A section of a tank with a concrete roof is shown by Fig. 6, together with the temporary form built up inside the tank on which to lay the roof. The form is built by setting 2–inch by 4–inch scantling on wedges along the walls of the tank in pairs 18 inches apart and bracing these at the foot. Boards 1½ inches thick and 10 inches wide are then nailed across the tank to the tops of the scantling, the top edges of the boards being 291 inch below the top of the walls. A false roof is then made of boards nailed lengthwise of the tank to the 10–inch boards, and a layer of concrete 2 inches thick is then placed on the floor thus made, reaching over the top of the walls to the outside edges. Iron rods, ¾ of an inch thick and spaced 1 foot apart, are then placed on the concrete across the tank and reaching to within 1 inch of the outside edges of the walls. More concrete is then placed over the first layer to a total depth of 6 inches or 8 inches, depending on the width of the tank, the concrete being well rammed as it is placed. After the concrete has set, the wedges may be knocked from under the upright scantling and the form taken down and removed through the manhole. The manhole covers and frames, as shown in the illustrations in Chapter III, may be cast at local foundries or purchased through sewer-pipe dealers.
To provide manholes or openings through the roof into the tank and into the siphon chamber, round openings 2 feet in diameter should be cut in the false roof while it is being laid, the distance between the pairs of scantling at this point being made 2 feet. The manhole frames should then be so placed that the flange or base of the frame will be imbedded to a depth of 2 inches in the roof when completed. The manhole at the entrance end of the tank should be located at one side of the entrance pipe and over the valve on the sludge pipe. To provide the necessary opening through the concrete roof below the manhole frame, an eight-sided wooden form, as shown in Fig. 7, with an inner diameter of 2 feet and a height equal to 2½ inches less than the thickness of the roof, is placed over the opening in the false roof. On this wooden form the manhole frame is placed and the concrete laid around the form and over the flanges of the manhole frame. Two of the ¾-inch iron rods should be placed across the tank close to each side of the wooden form 30after the first 2–inch layer of the concrete roof has been placed.
Fig. 7.—Form for Manhole Opening.
When it is desired to carry the manhole some distance above the level of the top of the roof to provide for a rather deep earth covering for the tank, the eight-sided wooden form may be made deeper as desired, and another larger, similar form built for the outside form of the necessary concrete manhole well. The space between the two forms may then be filled with concrete and the manhole frame set on the octagonal-shaped wall thus formed.
In order to insure a more uniform flow of sewage through the tank and thus reduce the velocity of flow in all portions to a minimum, baffle boards of 2–inch planks should be placed across the tank near the inlet pipe and near the outlet pipe, as shown in Fig. 5. These boards are set in grooves formed in the concrete by nailing 1–inch by 3–inch strips to the inside form when the tank wall is constructed. These baffles also serve a useful purpose by reducing the disturbance of the scum as the sewage enters the tank and by preventing the escape of scum from the tank.
The boards should extend to a depth of one foot below the inlet and outlet pipes, and should usually be placed 12 to 18 inches from the ends of the tank. Where the effluent from the tank is to be collected in a siphon chamber adjoining the tank, it is preferable to provide a weir or wall between the tank and the siphon chamber. The top of this wall should be one foot below the roof to allow the effluent to flow over this wall from the tank into the siphon chamber. In this case no 31outlet pipe from the tank is used, and the baffle boards should extend downward 12 inches below the level of the sewage in the tank. These baffle boards should be carried up to a level with the top of the tank walls.
It is advisable to provide an overflow pipe from the siphon chamber which should leave this chamber at an elevation of 3 or 4 inches above that of the inlet pipe to the tank, and which should, by means of an elbow, be extended down outside the chamber to connect with the sewer into which the siphon discharges. This is desirable in order to provide an overflow in case the siphon becomes clogged or fails to operate.
Where a tank must of necessity be located near a residence, any nuisance due to odors may be prevented by inserting a 4–inch galvanized-iron conductor-pipe through the roof of the tank, and carrying this pipe up into the air 20 or 30 feet along a tree trunk or the side of a building.
If a sub-surface irrigation field is to be laid out, the tank should preferably be near the proposed location of the sub-surface irrigation area (see Fig. 26, Chapter IV), although the effluent may be carried to the sub-surface irrigation field from a settling tank located at some distance from such field. Since the sewage enters the tank near the top of the tank and the effluent discharges from the siphon chamber at a considerable distance below the top of the tank, it is of advantage to place the settling tank on sloping ground, if possible, so that one end will be wholly in excavation and the other will be partly above the natural ground surface. This reduces the depth of trenching and provides for more readily distributing the effluent by gravity from the tank through the sub-surface tiling which is laid just below the surface of the ground. The tank must always be higher than the distributing field to allow for the flow of sewage, and it is desirable to have the tank buried in the ground if possible 32in order to keep the temperature of the sewage as high as possible in winter. These ideal conditions are not always to be attained.
The one important point to be kept in mind if the settling tank is to be properly operated and not allowed to develop into a nuisance is that the sludge or sediment must be removed from the bottom of the tank at intervals before the effective capacity of the tank is so reduced that the proper sedimentation of the sewage is impossible. The frequency of cleaning necessary varies in different cases, but usually the tank should be emptied and cleaned at intervals of from three months to one year, and where the contour of the ground allows the sludge to be readily drawn off into trenches or to a sludge bed, cleaning should be practised every five or six weeks.
There is, perhaps, little need for cleaning the tank as often as once in six weeks, but it is generally found and has been affirmed in court testimony that the removing of the sludge from a settling tank once every six weeks will prevent septic action from taking place, and the tank will then be operated as a settling tank and not as a septic tank. This is desirable in view of the fact that royalties have been claimed under certain patents on septic tanks. As explained on p. 11, the important function of the tank is to settle out suspended solids, while the processes that take place in the septic tank but not in the settling tank are of minor importance, and it is advisable therefore to operate these tanks as settling tanks when possible.
In no case should the sludge be allowed to accumulate until it fills more than one-quarter of the tank. The sludge may be disposed of by burying in trenches or ploughing under, or it may be spread on the surface at points remote from highways and dwellings or sources of water supply. The depth of accumulated matter in the tank should frequently be tested at the inlet end by using a pole or stick.
Fig. 8.—Plan and Longitudinal Section of Modified Imhoff Tank.
Fig. 9.—Vertical Cross-Section of Modified Imhoff Tank.
In reference to the preliminary treatment of sewage in tanks, it should be noted that the most recent development in the design of sewage-disposal plants has been the improved method of sedimentation of sewage represented by the Imhoff or Emscher tank. A modified design of this tank is shown in plan and longitudinal section in Fig. 8, and a cross-section of the tank is shown in Fig. 9. The principle employed is to provide a separate chamber for storing the sludge which results from the sedimentation of the suspended matters in the sewage, this chamber being almost entirely separated from the portion of the tank in which the sedimentation takes place. This separation of the sludge from the flowing sewage is accomplished in the tank shown by inserting in the tank, parallel with the side walls, two inner partitions AA, which are vertical for a few feet below the surface of the sewage and then slope toward the centre line of the tank, but, as shown by Fig. 9, do 35not meet at the centre line, the one passing a few inches under the other. The opening or slot thus formed between the two inner partitions allows the suspended matters which settle out of the sewage flowing through the upper compartment to pass into the lower or sludge compartment and there remain in a quiescent state until removed from the tank. The object of this separation of the sludge from the flowing sewage is to prevent the gas bubbles which emanate from the sludge during its decomposition from rising through the flowing sewage and interfering with the process of sedimentation going on in the upper compartment, and to provide for a more complete decomposition or “digestion” of the sludge. The gas bubbles on rising from the deposited sludge strike the sloping lower sections of the inner partitions and are deflected to the portions of the tank next to the outside walls. A sludge pipe leads away from the bottom of the hopper-shaped sludge compartment, and at intervals of from one to four weeks the valve on this sludge pipe is opened for a short time and a small portion of the accumulated sludge is allowed to be forced out onto a sludge-drying bed by the weight of the sewage in the tank. The portion of the sludge thus removed has, of course, remained in the tank the longest time, generally five or six months, and has had the fullest opportunity to be reduced and rendered inodorous and easy to dispose of.
This method of sedimentation was first experimented with about twelve years ago by Mr. H. W. Clark at the Lawrence Experiment Station of the Massachusetts State Board of Health, then partially developed by Dr. W. Owen Travis, of Hampton, England, and finally worked out by Dr. Ing. Carl Imhoff in connection with the disposal of sewage in the Emscher River district in Germany. The method has been extensively and successfully used in Germany, and similar tanks are now being 36installed in this country. While these tanks are probably more effective than septic tanks and the usual type of settling tanks in the removal of suspended matters in sewage, their chief value will undoubtedly be found in the rendering of the sludge less odorous and more easily handled. This form of settling tank is covered by patents, and a moderate royalty is charged on tanks of this type.
A description of the Imhoff tank has been here included since it represents an important development in sewage disposal and helps to solve what has heretofore been one of the main difficulties of sewage disposal, especially for cities and villages, namely, the satisfactory and convenient disposition of sludge; but it is not considered that their construction is advisable or warranted where only a small quantity of sewage is to be treated, and settling tanks to treat sewage contributed by less than, say, two hundred persons would generally be constructed as previously described.
It was explained in Chapter I that one of the essentials of successful sewage purification is an intermittent application of the sewage to the beds in which bacteria are to act. This intermittent action is secured by providing a small additional tank or by setting aside a part of the settling tank and by installing therein some kind of mechanism for the purpose of changing the more or less regular flow into an intermittent or periodical flow. The proper capacity of this tank will be considered later in the chapters dealing with the several methods of final purification. Now it may be said only that the size depends on the amount of sewage to be cared for per day and on the size of the dose demanded by the purification method. The size of dose depends directly upon the method of treatment and on the size of the particles in the beds intended to receive the sewage. On sand beds, for example, it is customary to discharge the sewage from the dosing tank three times a day, although many plants operate with a daily discharge. The size of the dosing tank, however, in the latter case has to be three times as large as in the former, and it is usually worth while to take the additional trouble of having more frequent operation in order to save the cost of the larger tank.
The simplest method of construction of the dosing tank is to make it a part of the sedimentation tank by means of a cross wall, which latter must be strong enough to withstand the pressure of the water on one side when the dosing tank is empty. (See Figs. 2 and 3.) There is no objection to this tank being separate and some distance away from the sedimentation 38tank, and sometimes, for convenience in distributing the sewage from the dosing tank onto several beds in turn, the dosing tank is placed at the centre of a group of beds with the settling tank outside. If the dosing tank is a part of the main tank, the sewage flows into it over a dividing wall between the two tanks or through a pipe laid through this wall, while if the tank is separate from the other, then a longer pipe connection is required.
Fig. 10.—Sludge Valve for Floor of Tank.
It is economical to arrange that the level of the sewage in the dosing tank, at the time when that tank discharges, shall be at the level of the sewage in the settling tank, since then no head is lost. It is better still to arrange the mechanism in the dosing tank so that the level of the sewage there at the time of its discharge will be from four to eight inches higher than the normal level in the settling tank. The effect of this is to back up the sewage and raise the general level in the settling tank, and when the dosing tank discharges there is drawn off not only the sewage in that tank, but also an amount in the large settling tank equivalent to that which is above the normal level of the sewage there. The advantage of this is plain in that it reduces the necessary volume of the dosing tank by that of the back water in the settling tank, and, while it was thought at one time that such a frequent variation in the level of the main tank might affect injuriously the scum which forms there, and perhaps also the bacterial action going 39on in the tank, there seems to be no real reason why this method may not be used with considerable advantage in economy of construction.
The bottom of the dosing tank, which is preferably made of concrete, should have a slope toward the point from which the outlet pipe leads, thus enabling the outward rush of sewage to carry off any material which would otherwise settle in the bottom and perhaps decompose there.
Fig. 11.—Sludge Valve for Side Wall of Tank.
The simplest method of operating the dosing tank is by means of a hand valve fastened either to the floor of the chamber or to the bottom of the outside wall. Fig. 10 shows a simple form of a valve suitable for the floor and intended to be operated by a rod extending up through the sewage to the outside air. Such a valve can be made at any local foundry, the bearing surfaces turned up in any machine shop, and a piece of leather for packing purchased at any hardware store. Such a design, however, is not suitable for a large valve or for a great depth of water, since the pressure on the valve is dependent on the weight of the column of water acting on its area. If the outlet pipe is six inches in diameter, the diameter of the upper surface of this valve would be about ten inches, and the area of the top of the valve would be about half a square foot, so that, with six feet of water above, weighing 62½ pounds per square foot, the weight on the valve to be lifted would be 186 pounds, rather more than 40could be lifted by one man. Under such conditions it would be necessary, using such a valve, to rig a lever, the fulcrum being fastened to the edge of the tank, the short end of the lever to the rod, and the long end so arranged as to reduce the load in the ratio of about one to four. Fig. 11 shows another type of valve intended to be set into the side of the tank with the floor sloping rapidly toward the low point at which this valve is set. These valves require better workmanship and are preferably purchased from one of the dealers in valves who make this type as one of their regular stock forms. Fig. 12 shows the design made by the Coffin Valve Company, of Troy, N. Y., and a similar form of valve is made by the Caldwell-Wilcox Company, Newburg, N. Y. For a six-inch pipe, these valves are so made that the danger of the moving parts rusting together is avoided by having one surface bronze or some similar noncorrosive metal. Fig. 13 shows an ordinary gate valve generally used for water works, but applicable to sewerage works. Such a valve is shown in Fig. 5.
Fig. 12.—Sluice-Gate Valve made by Coffin Valve Co.
Fig. 13.—Ordinary Gate Valve.
Fig. 14 shows a form made in England and largely used as a cheap valve for the purpose of emptying a tank rapidly. The peculiarity of the valve is that a sidewise motion of the long handle locks the valve 41into position so that the moving part of the valve may be readily set at any height. The one shown in the figure is taken from the catalogue of the Adams Hydraulic Company, Westminster, London, and is listed in their catalogue at $6.50 for a six-inch pipe.
Fig. 14.—English Slide Valve with Wedge-lock Handle.
Fig. 15 shows another type of valve which is supplied by some firms making sewer pipe and consists, as may be seen, of a light moving valve which is attached to a projection cast on the top of the vitrified tile pipe in such a way that the valve comes to an even seat on the bevelled end of the pipe. It is found that with pressure acting against the valve the thin metal of which it is composed is pressed against the pipe so that little, if any, water or sewage will escape. The valve can easily be opened by attaching a cord or chain to the ring at the lower edge of the valve, and when released the valve shuts automatically. This is a very cheap and convenient design, and answers every purpose for emptying tanks by hand.
More elaborate structures of the same general type have been made, using cast iron as the metal, the stationary collar with the bevelled end being built into the masonry wall of the tank. This type of flap valve is faced with bronze, and the bearings or joints have bronze bushings. A satisfactory valve of this sort can be made at a local foundry and machine shop, but there is danger that the valve will not be water-tight. Fig. 16 42shows such a valve with the metal seat which is intended to be bolted into the masonry of the tank wall.
Fig. 15.—Flap Valve Attached to Length of Sewer Pipe.
Fig. 17 shows another form of this same sort of valve, taken from the catalogue of the Adams Hydraulic Company, and noteworthy because of the loose-link connection at the upper part of the valve, the object of this being to prevent the valve closing at the upper part without, at the same time, closing at the bottom.
If the dosing tank is to work automatically and independently of human agency, an arrangement which is always preferable, there must be installed some mechanism which takes the place of the valve operated by hand. This mechanism is in almost every case a siphon which is put into action when the water level reaches a certain height, and which discharges rapidly until the water falls to a point when air is admitted to the inside of the siphon pipe, thereby interrupting the flow.
Fig. 16.—Flap Valve with Metallic Seat Attached.
There is on the market a dosing apparatus which does not involve a siphon, and which is shown in Fig. 18. This is made by the Ansonia Manufacturing Company, 30 Church Street, New York City, and its operation may be described as follows: It consists of two floats connected by means of a chain which passes over a wheel supported in the upper part of the chamber. As the water in the chamber rises, the left-hand float shown in the drawing rises and the right-hand float falls, thereby communicating a rotary motion to the wheel. A projection on this wheel at a certain point when the left-hand valve has reached the desired height communicates with an inside portion of the wheel, to which a chain connected with the valve is attached. Thus the valve is opened at the right height, and remains open until the water has fallen to the bottom of the 44chamber. Then the left-hand float falls, and the apparatus is ready to repeat the operation. This apparatus, for a small installation, will probably cost, set up in place, about $15.
Fig. 17.—Flap Valve with Loose-link Hinges.
Fig. 19 shows the simplest form of siphon arranged to discharge water from a tank. It will be noticed that it consists of an inverted bent pipe, one leg being longer than the other, and extending into a pool of water formed in the end of the discharge pipe. When the water level in the tank reaches the bent portion of the siphon pipe, the water begins to flow out, and will continue to flow until air is drawn in at the lower end of the short leg. This stops the flow and the tank begins to fill again.
Fig. 20 shows another method of working the siphon and insuring its rapid initial action. This is known as the Van 45Vranken flush tank, and the feature of this arrangement is the movable bucket, which in one position seals the lower end of the longer leg. Then, however, the siphon begins to act, and the bucket, which is hung on trunnions, is disturbed and its contained water is dumped out. This allows the escape of the water in the longer leg and insures a vigorous starting up of the siphon into action.
Fig. 18.—Intermittent Dosing Apparatus made by Ansonia M’f’g Co.
A more simple type, however, is the inverted siphon arrangement, developed perhaps most completely by the Pacific Flush Tank Company under the Miller patents. Fig. 21 shows their ordinary design, the upper part of the siphon being replaced by a bell and the discharge starting when the level of the water in the long leg of the siphon has been depressed sufficiently to reach the curved part of the pipe. The principle on which this siphon works is as follows:
Fig. 19.—Simplest form of Automatic Siphon.
When the water rises in the tank above the lower edge of the bell, the air which remained between the water in the siphon pipe and in the bottom of the tank is confined, and, as the water rises, is gradually compressed. The effect of this compression is to force down the water in the long leg of the siphon and to hold down the level of the water inside the bell lower than the level outside. When sufficient head of water in the tank is secured, the water inside the pipe will be forced down to the curved part of the pipe, and, the siphon being so designed, the water level inside the bell will be just at the top of the same pipe, but on the outside. Any slight additional height then allows the contained and compressed air to escape around the bend in the pipe, suddenly relieving the pressure and allowing the water to enter the pipe from under the bell readily. Thus the siphon starts and continues to flow until 47the water level falls so that the air is drawn in under the bell. That stops the action of the siphon and the tank fills again. These siphons are generally sold in two pieces, the cast iron bell and the curved pipe being the factory product. At the plant they have to be set in place, generally bedded in concrete and properly connected with the outlet pipe. For a small installation a three-inch or four-inch siphon is ample, and will cost, delivered, from $10 to $15, depending on the freight.
Fig. 20.—Van Vranken Automatic Siphon.
Fig. 22 shows two siphons with auxiliary air-pressure chambers installed in the same chamber for the purpose of automatically diverting the flow from one bed to another. This may be 48done more simply by installing two ordinary siphons of the Miller or similar type. If one of these siphons is filled half full when the tank is empty, that siphon will discharge first because of the amount of water already present in the U-shaped tube. During the filling of the tank previous to its discharge, the other siphon will partially fill, so that when the tank begins to fill for the second time the second siphon is half full and the first nearly empty. In this way alternate action is secured and the discharge takes place as often as the tanks fill.
Fig. 21.—Miller Automatic Siphon.
Fig. 22.—Double Alternating Siphons of the Miller Type.
Fig. 23 shows three similar siphons installed with some auxiliary piping attached for the purpose of making the periodic discharge more positive. These small auxiliary pipes are so put together that there is an auxiliary siphon passing under the 50edge of the bells. When one siphon discharges, the auxiliary siphon of the corresponding large siphon is filled with water, and at the same time part of the water in the auxiliary siphon of the other is discharged, so that it will be the first to operate at the next filling. When the water is forced to the bottom of the small siphon, it is blown out through the vent pipe, and, the air following, the large siphon is started.
Fig. 23.—Triple Alternating Siphons of the Miller Type.
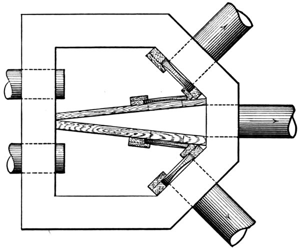
Fig. 24.—Single “Merritt” Automatic Siphon.
Fig. 24 shows an automatic discharging siphon made by the Merritt Company, of Camden, N. J., and embodying a different principle. The main discharge pipe is built in the form of a “U” tube, the longer leg containing an auxiliary small air pipe, with a return bend at its lower end. When the chamber starts to fill, this small pipe bend or seal is filled with water, so that the rising water confines and compresses air in both the large and small “U” pipes. In time, and at any 52desired height, determined by changing the relative lengths of the parts of the small pipe siphon, the seal is broken and the air escaping draws air enough from the large pipe to start it in action. The method has an advantage in that it requires no deep excavation, and the mechanism can be set after the siphon chamber is built.
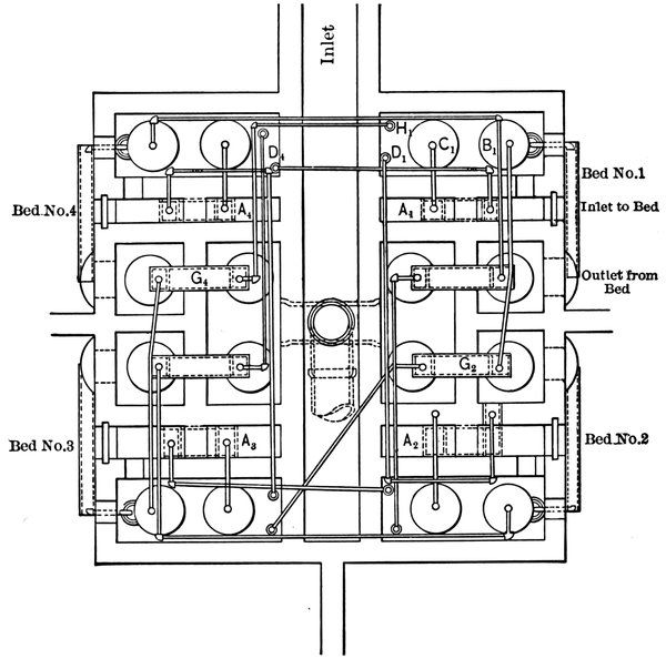
Fig. 25.—Air-lock Siphon for Admitting and Releasing Sewage from each one of Four Beds in Regular Order.
Fig. 25 shows a method of securing the alternate discharge of sewage by siphons whose action depends upon an air trap, 53each siphon being of the type shown in Fig. 24. The installation of the figure is further complicated by the fact that it is arranged to discharge sewage from the four contact beds as well as to discharge sewage onto the beds. The compartments, and the piping connected therewith, at the four corners operate to admit the sewage from the central channel onto the four beds in rotation. The four square wells between the corner wells operate to empty those beds in turn into the pipe shown at the centre of the drawing, the pipe leading to the nearest stream. The operation may be described as follows: Sewage enters at the top of the drawing, and from the inlet channel flows into the siphon channels marked A. A1 is ready to discharge if bed No. 4 was the last one to fill, since, when that bed filled, the small bell D4 forced the siphon A1 open. Sewage therefore flows through siphon A1 into bed No. 1. As the sewage level rises in bed No. 1, the outlet siphon from bed No. 2, G2, is locked by the air pipe from B1 so that bed No. 2 will be ready for the next dose. Also the air pipe from the bell H1 opens the siphon G4, and allows bed No. 4 to drain into the outlet drain. Also bell D1, when bed No. 1 is full, opens the siphon A2 through the connecting air pipe so that bed No. 2 begins to fill as soon as bed No. 1 is full. And finally bell C1 locks the siphon A1, and stops further flow into bed No. 1. The other beds operate in the same way in turn.
The manufacturers of siphons are always glad to advise prospective buyers of the proper arrangement of siphons and the details of placing, with dimension sketches.
As a summary, it may be pointed out that in any installation, one of the three methods above described may be adopted.
1. A simple valve worked by hand may be adopted and the alternate distribution of the sewage regulated by choice of the several valves placed at the head of the several discharge pipes.
542. An automatic discharge mechanism may be installed which will operate regularly and intermittently, but lacking any automatic selection of the bed onto which the discharge is to be made. These siphons will discharge as often as the tank fills, but the particular valve must be opened in order that the discharge may take place onto any one of the several beds.
3. An apparatus may be installed which will both discharge intermittently and will also automatically select different beds in turn onto which the discharge shall take place. It may even discharge onto contact beds and also empty those beds, entirely automatically.
Which of these mechanisms shall be selected depends upon the amount of money available and on the value to be placed on the freedom from constant care which an automatic installation gives. Not that a sewage-disposal plant may be ignored because an automatic mechanism has been installed. No machine is infallible, and sewerage machinery may give out or stop working just as that for any other purpose. But instead of a daily routine of duties which may not be interrupted, by means of automatic apparatus one may avoid everything except casual inspections and periodic cleaning.
The disposal of sewage by the method of sub-surface irrigation, sometimes known as the Waring system, consists in its distribution by means of open jointed tiling over a comparatively large area of soil and at a depth of a few inches beneath the ground surface. The sewage should first be passed through settling tanks to remove as much as practicable of the suspended matters contained in it, as explained in the chapter on settling tanks. The partially clarified effluent from the settling tank should then be collected in a dosing chamber, or separate compartment of the settling tank, and discharged intermittently, preferably by means of a siphon, into the sub-surface irrigation system. This intermittency of discharge of accumulated quantities of effluent is necessary for an even distribution of the effluent throughout the entire system of sub-surface tiling, and for a continuous and successful operation of the system as a whole. It has been found necessary, also, to alternate the discharge of effluent from the dosing or siphon chamber over different portions of the irrigation area. One siphon is all that is necessary to install in the siphon chamber for sub-surface irrigation systems, and if the settling tank has two compartments, as shown in Fig. 3, Chapter II, the single siphon would be placed in the centre of the chamber.
The principle involved in this method of sewage purification is that of any general method of sewage reduction in whatever form carried on, namely, its oxidation or nitrification. This oxidation, or breaking down of the organic matter in the sewage, is accomplished in this case, as in the case of intermittent sand 56filters, contact beds, and sprinkling filters, through the agency of bacterial action.
Householders have long been familiar with the fact that although solids contained in sewage may have been discharged for long periods of time into a cesspool, the latter, if located in dry, porous soil, did not seem to become filled with the solid residue. This is due to the liquefaction of the solid matter in the sewage after its discharge into the cesspool, and to the seepage and bacterial reduction of the liquid matter in the surrounding soil. To replace the cesspool and eliminate the insanitary conditions which, in most instances, result from its use, other methods have been devised which utilize the agencies of nature to the best advantage. Thus the sedimentation and, in some cases, the liquefaction of the solid matters in sewage are carried on in specially designed settling tanks which are easily cleaned and which provide for greater efficiency in settling out suspended matters than the cesspool. Similarly, the filtration of liquids from cesspools through the soil is replaced by the scientific method of sub-surface irrigation, which is much more efficient in three distinct ways: (1) the limited seepage area represented by the walls of the cesspool is increased many times by distributing the effluent from the settling tank over a large area of soil in a system of sub-surface tiling; (2) the bacterial reduction is more effective, since it has been found that the bacterial action necessary to purify sewage takes place in the upper layers of the soil and is almost absent at depths of five feet or more; (3) the soil is given an opportunity to rest and to dry out by alternately using different portions of the sub-surface irrigation system. In the cesspool the seepage of the effluent and whatever bacterial action takes place in the surrounding soil must go on continuously, which often results in clogging of the soil and overflowing of the cesspool.
57The purification and final disposition of sewage by means of sub-surface irrigation is the method best adapted to the single residence, and oftentimes to the hotel or institution, if soil conditions are favorable and proper area is available. This system requires less oversight in its operation than the various forms of artificial filters. Furthermore, the sewage is entirely hidden from sight after it leaves the settling tank, and this is usually desirable near private residences and on the grounds of country homes, country clubs, and summer hotels. Also, where the sewage must be treated in close proximity to a residence or hotel or at a point on the windward side of a residence, this method, more effectually than any other, precludes the possibility of a nuisance resulting from the operation carried on, since the settling-tank effluent is at no point exposed directly to the air. Furthermore, its cost is less than that of other works for final treatment of sewage, and, finally, the system is more easily installed.
The method is in reality modified broad irrigation, but the sub-surface irrigation field can be utilized much more effectively and with considerably less attention than a broad irrigation area, and, as noted above, is less liable to be the cause of a nuisance or to be the means of spreading infectious disease through the agencies of flies and other insects.
If an area of sandy soil is available on which to locate the sub-surface irrigation field, if the settling tank and siphon chamber have been correctly built, and if the sub-surface tiling system has been properly laid, the success of the system is well assured. On the other hand, failure is certain if either broad irrigation or sub-surface irrigation methods of sewage disposal are attempted on stiff, impervious clay soils. Between the ranges of porosity of soil represented by these limits there are many soils in which sewage may be successfully disposed of 58by sub-surface irrigation. A sandy or gravelly loam will, without question, successfully care for sewage effluent when such effluent is properly distributed by sub-surface tiling, and even in a rather heavy soil the effluent from a settling tank may often be disposed of satisfactorily by providing for a greater length of sub-surface tiling per person served by the settling tank than that which would suffice in the more porous soils. However, if the soil is very heavy so that surface water does not readily seep away, or if the ground-water level is within two or three feet of the surface, this method is not suitable and some form of filter, described in the succeeding chapter, should be used for final treatment of sewage.
When soil conditions and the area available are favorable to this method and such a system is to be installed, the irrigation area selected should be at the point where the ground-water level is lowest, and this will generally be on a plateau or bench at the head of a slope of ground. The relative elevation of the ground surface should, of course, be low enough to insure operating head or fall to operate the siphon in the chamber adjoining the settling tank and to distribute the effluent by gravity to the sub-surface tiling. If the soil is composed of loose gravel, or lies over a limestone or shale formation, the location of the irrigation area should be selected with a view to preventing the contamination of any wells or springs which may exist on the premises,—that is, the area should be on lower ground, and as far removed from wells as is convenient.
As will be explained later, the length of sub-surface tiling necessary to receive a given quantity of sewage effluent should vary, within certain limits, with the character and porosity of the soil, thus requiring larger quantities of effluent to be delivered from the siphon or dosing chamber in the case of the more compact soils. Also the size of this chamber should be determined 59with reference to the number of sections into which the sub-surface tiling system is divided.
| TABLE II | ||||||||
|---|---|---|---|---|---|---|---|---|
| For Use in the Construction of Sub-surface Irrigation Systems in Sandy or Very Porous Soils | ||||||||
| Dimensions given are for inside measurement. | ||||||||
| Number of Persons Served by Sewer. | Total Length of 3–inch Sub-surface Tiling. | No. of Sections in Sub-surface System. | Mean Width of Siphon Chamber (Feet). | Mean Length of Siphon Chamber (Feet). | Depth of Siphon Chamber from Roof of Tank (Feet). | Diameter of Siphon (Inches). | Discharging Depth or Maximum Depth of Effluent above Lower Edge of Siphon Bell (Inches). | Distance from Roof to Top of Wall between Settling Tank and Siphon Chamber (Inches). |
| 4 | 140 | 2 | 2´ | 2´ | 2´ 4˝ | 3˝ | 13˝ | 12˝ |
| 8 | 280 | 2 | 2´ 6˝ | 2´ 6˝ | 2´ 4˝ | 3˝ | 13˝ | 12˝ |
| 12 | 420 | 2 | 2´ 6˝ | 4´ | 2´ 4˝ | 3˝ | 13˝ | 12˝ |
| 15 | 525 | 2 | 3´ 6˝ | 4´ | 2´ 4˝ | 3˝ | 13˝ | 12˝ |
| 25 | 875 | 2 | 3´ | 4´ | 3´ 2˝ | 5˝ | 23˝ | 12˝ |
| 35 | 1225 | 2 | 3´ 8˝ | 4´ 6˝ | 3´ 2˝ | 5˝ | 23˝ | 12˝ |
| 50 | 1750 | 2 | 4´ | 6´ | 3´ 2˝ | 5˝ | 23˝ | 12˝ |
| 75 | 2625 | 2 | 3´ | 6´ | 3´ 2˝ | 5˝ | 23˝ | 16˝ |
| 100 | 3500 | 2 | 4´ | 7´ | 3´ 2˝ | 5˝ | 23˝ | 16˝ |
| 125 | 4375 | 3 | 5´ 6˝ | 8´ | 3´ 2˝ | 5˝ | 23˝ | 16˝ |
| 150 | 5250 | 3 | 7´ | 8´ | 3´ 2˝ | 5˝ | 23˝ | 16˝ |
| 175 | 6125 | 3 | 7´ 6˝ | 8´ | 3´ 9˝ | 6˝ | 30˝ | 16˝ |
| 200 | 7000 | 3 | 8´ | 8´ | 3´ 9˝ | 6˝ | 30˝ | 18˝ |
| TABLE III | ||||||||
|---|---|---|---|---|---|---|---|---|
| For Use in the Construction of Sub-surface Irrigation Systems in the Heavier Loams (not Clay or Hardpan) | ||||||||
| Dimensions given are for inside measurements. | ||||||||
| Number of Persons Served by Sewer. | Total Length of 3–inch Sub-surface Tiling. | No. of Sections in Sub-surface System. | Mean Width of Siphon Chamber (Feet). | Mean Length of Siphon Chamber (Feet). | Depth of Siphon Chamber from Roof of Tank (Feet). | Diameter of Siphon (Inches). | Discharging Depth or Maximum Depth of Effluent above Lower Edge of Siphon Bell (Inches). | Distance from Roof to Top of Wall between Settling Tank and Siphon Chamber (Inches). |
| 4 | 300 | 2 | 2´ 5˝ | 3´ | 2´ 4˝ | 3˝ | 13˝ | 12˝ |
| 8 | 600 | 2 | 3´ | 5´ | 2´ 4˝ | 3˝ | 13˝ | 12˝ |
| 12 | 900 | 2 | 4´ | 5´ | 2´ 4˝ | 3˝ | 13˝ | 12˝ |
| 15 | 1125 | 2 | 4´ | 6´ 6˝ | 2´ 4˝ | 3˝ | 13˝ | 12˝ |
| 25 | 1875 | 2 | 4´ | 6´ | 3´ 2˝ | 5˝ | 23˝ | 12˝ |
| 35 | 2625 | 2 | 4´ | 4´ 6˝ | 3´ 2˝ | 5˝ | 23˝ | 16˝ |
| 50 | 3750 | 2 | 4´ 6˝ | 6´ | 3´ 2˝ | 5˝ | 23˝ | 16˝ |
| 75 | 5625 | 2 | 6´ | 7´ | 3´ 2˝ | 5˝ | 23˝ | 16˝ |
| 100 | 7500 | 2 | 7´ | 8´ | 3´ 2˝ | 5˝ | 23˝ | 16˝ |
| 125 | 9375 | 3 | 8´ | 10´ | 3´ 9˝ | 6˝ | 30˝ | 20˝ |
| 150 | 11250 | 3 | 9´ | 12´ | 3´ 9˝ | 6˝ | 30˝ | 20˝ |
| 175 | 13125 | 3 | 10´ | 12´ | 4´ 2˝ | 8˝ | 35˝ | 20˝ |
| 200 | 15000 | 3 | 11´ | 12´ | 4´ 2˝ | 8˝ | 35˝ | 20˝ |
60The dimensions of siphon chambers to effectively deliver the effluent in proper volumes to the sub-surface irrigation system are given in the following tables, which indicate widths of siphon chambers to agree in general with the widths of the settling tanks to serve a given number of persons, as shown in Chapter II. These tables of dimensions for siphon chambers provide for two different capacities where the same number of persons are served by the sewer, depending on the total lengths of sub-surface tiling required, which in turn depend on the character of the soil in which the sub-surface system is laid. The tables provide for a division of the sub-surface tiling system into two parts up to a system for 100 persons, and into three parts for a greater number of persons. These tables also show the total length of lateral distributing tiling in the sub-surface irrigation system necessary to distribute over a sufficient area at the irrigation field, in both sandy soils and in the heavier loams, the various quantities of sewage to be treated in the different-sized tanks and discharged from the siphon chambers. The tables also indicate the diameter of the siphon and the discharging depth of each siphon.
As discussed in Chapter III, the siphon, in discharging, may draw upon the upper 4 to 8 inches of sewage in the settling tank without interfering with the efficiency of the tank. The dimensions of siphon chambers for 75 or more persons in Table II, and for 35 or more persons in Table III (see page 59), provide for such a draught upon the settling-tank contents of from 4 to 8 inches when the siphon discharges. This will decrease the cost of the plant somewhat and provide for a more efficient form of siphon chamber. The last column in each table provides for the proper height of dividing-wall between the 61settling tank and siphon chamber to allow the drawing down of the settling-tank contents as noted above.
Fig. 26.—Plan and Section of Sub-surface Irrigation System.
Fig. 27.—Plan and Section of a Portion of a Sub-surface Irrigation System.
The sub-surface irrigation or distributing system consists of a main carrier or effluent sewer leading away from the siphon 63chamber to the irrigation field, of two or more branches of this main carrier, and of parallel lines of lateral distributing tiling extending at intervals of 4 to 6 feet from the branch carriers, or, in some locations, from each side of the branch carriers.
The frontispiece shows the relation between the several portions of a sub-surface irrigation system. The house sewer is shown leading to the settling tank, and from the siphon chamber adjoining the settling tank the main carrier or effluent sewer is shown leading to a diverting manhole from which the effluent is carried at each discharge of the siphon to the lateral lines of sub-surface tiling by the two branch carriers.
Fig. 26 shows in plan and section a sub-surface irrigation system. The section, which is drawn to a larger scale than the plan, shows the settling tank and the adjoining siphon chamber. From this siphon chamber the effluent sewer carries the discharge from the siphon to the diverting manhole, at which point the effluent is diverted to the different portions of the sub-surface tiling.
In Fig. 27 is shown in plan the diverting manhole and a small portion of the sub-surface tiling system together with a section through the diverting manhole and one of the lines of distributing tiling.
The main carrier should be of vitrified tile sewer pipe with cemented joints, and should always have two or more branches at the irrigation field in order to allow the use of different portions of the field in turn for three days or a week at a time, thus allowing one of the portions of the field to be resting for corresponding periods. The branch carriers should be of vitrified tile also, and should have cemented joints. If the diameter of the siphon is 5 inches, the main carrier should be of 8–inch vitrified tile with a fall of at least 6 inches per 100 feet 64in order to quickly carry the dose from the siphon chamber to the several lines of sub-surface tiling forming the distributing system. With 3–inch siphons, a 6–inch main carrier may be used, but the gradient or fall of the main carrier should then be at least 12 inches per 100 feet, owing to the smaller capacity of the 6–inch pipe. In placing the siphon in position, when the siphon chamber is being built, care should be taken to see that the trap or U-shaped pipe is set plumb or in a vertical position. Concrete should then be placed around the siphon to hold it in proper position and at the proper height, and the trap should be filled with water before the bell is placed in position. The bell should then be placed in position over the long leg of the trap to prevent the materials used in construction from being dropped into the siphon. The siphon should be set so that the lower edge of the bell, or of that portion of the bell under which the effluent is to flow, is three inches above the floor of the siphon chamber.
Fig. 28.—Y-Branch of Vitrified Tile Pipe.
In laying the distributing system, every second or third length of the branch carriers, according to the porosity of the soil and the spacing of the lines of distributing tiling, should consist of a Y-branch (see Fig. 28), to which a one-eighth bend (see Fig. 29) should be fitted if the lines of lateral tiling are to be laid at right angles to the main carriers, as shown in Fig. 27; or the lateral tiling may be fitted directly to the Y-branch if the lateral lines are to be led away from the carrier at an angle of 45°, as shown in Fig. 30. The Y should branch from the lower portion of the pipe, as shown in Fig. 28.
Fig. 29—Eighth Bend of Vitrified Tile Pipe.
Fig. 30.—Sub-surface Tiling.
The lateral tiling should be of three-inch agricultural tile 66(see Fig. 31), laid with a space of one-quarter inch between each length and with a piece of tar paper or a half-collar of larger diameter pipe, as shown in Fig. 32, placed over the joints to prevent clogging of the pipe with earth. In the heavier soils the lateral lines of sub-surface tiling are sometimes set in trenches eight to fourteen inches deep and about twelve inches wide, filled with broken stone or gravel placed around the tiling to within two or three inches of the ground surface, as shown in Fig. 32. This allows the effluent to seep away more readily, but while of advantage in those soils the provision is not necessary in the more porous soils.
Fig. 31.—Photograph of Tile laid as if for Sewage Disposal.
It is generally found that a sufficient length of sub-surface tiling should be laid to provide for not more than one to three gallons of effluent per day for each linear foot of tiling. In sandy soils there should be at least thirty to forty feet of tiling for each person served by the sewer, with six feet of space between the lines of tiling. This length per person should be increased up to seventy or eighty feet for the more compact sandy or gravelly loams, or the lighter clay loams, with the lateral tiling spaced four feet apart. It is not considered feasible to attempt to dispose of sewage by sub-surface irrigation in soils which will not care for effluent when the greater lengths of tiling per person, as stated above, will not prevent the appearance 67of effluent on the surface. If, however, after the installation of a sub-surface system in a rather heavy soil, it is found that proper seepage of the effluent does not occur, the lateral branches may sometimes be lengthened and the system then found to operate satisfactorily.
Fig. 32.—Sub-surface Tiling with Broken Stone or Gravel Surrounding Pipe.
The lines of lateral tiling should be laid with the invert, or bottom of the pipe, inside, from six inches to one foot below the surface, as shown in Fig. 27. They should be parallel with the contours or at right angles with the slope of the field, and should have a gradient or fall of one-sixteenth of an inch to the foot when laid in sandy soil or sandy loam, and of not more than one thirty-second of an inch to the foot when laid in the heavier loams. To obtain such gradients for the sub-surface tiling it is sometimes necessary to lay out the trenches along irregular or curved lines, as shown in Fig. 33. The tiling should be laid near the surface, as stated, and never deeper than twelve inches. The temperature of the sewage will prevent its freezing even in very severe winter weather, especially when the ground is covered with snow.
Fig. 33.—Sub-surface System on Irregular Ground.
To provide for diverting the flow from the siphon chamber first into one of the two portions into which the sub-surface system is divided, and then, after an interval of three days or a week, into the other portion of the system, at the point where the main carrier is to branch, a ten-inch iron pipe casting (see Fig. 34), with its lower portion forming the body of a double Y-branch of six-inch or eight-inch pipe, may be placed, having a swinging blade or gate attached inside in a vertical position. When, for example, the effluent has been passed for a week into section B of the sub-surface system, the gate C, shown in Fig. 34, may be swung to the dotted position and the effluent, at each discharge of the siphon chamber, will then pass through the branch carrier A to section A of the sub-surface system; or a double Y-branch of iron pipe (see Fig. 35) or a cross may be placed at this point on the main carrier when there are to be three sections of the sub-surface system, and valves may be placed on the three branches of the main carrier thus formed to permit of alternately shutting off the flow to the various sections of the sub-surface tiling system (see also Fig. 30). Perhaps the simplest and most serviceable device, however, for alternately resting different portions of the irrigation field is a diverting manhole with stop planks or wooden sluices 69sliding in grooves in the concrete walls or in a wooden frame, as shown in Fig. 27. (See also Fig. 43, Chapter V.)
Where the ground-water level is not very deep below the surface, or a clay or hardpan stratum occurs at a depth of a few feet, it is advisable to underdrain the irrigation field by lines of open-jointed tiling laid at right angles to the lateral distributing tiling and spaced about fifteen feet apart. (See Fig. 36.)
Fig. 34.—Special Casting of Double Y-Branch with Swinging Gate.
Fig. 35.—Double Y-Branch with Valves on Branches of Main Carrier.
These underdrains should be placed at least four feet below the surface, and inspection pipes should be placed over the outlets of the underdrains or at the points where they discharge into a main underdrain, in order to afford opportunity to determine if all portions of the irrigation field are properly caring for the effluent. To provide for the placing of the inspection pipes, a length of vitrified tile with a Tee may be placed on each line of underdrain tiling near its junction with the main underdrain. On this Tee, two or three lengths of vitrified tile may be set, reaching to the ground surface and provided with a removable wooden cover or a vitrified tile cap. This provision for inspection is necessary where underdrains must be laid and where the pollution of a stream is to be prevented, since it is often found that through the activities of burrowing animals direct outlets from the distributing tiling to the underdrains are formed and the final effluent is therefore not sufficiently purified by seepage through the soil. It is desirable for this reason to omit the underdrains when possible, and in some instances a blind ditch may be constructed around two or three sides of the field in order to intercept the ground-water flow and to lower the ground-water level at the field, thus better insuring 71proper seepage of the effluent distributed by the sub-surface tiling.
Fig. 36.—Sub-surface Tiling System with Underdrains.
The essential features of the sub-surface irrigation system of sewage disposal have been outlined above, and it may be said that this method is especially adapted to the residence or single house. The method may be employed with success to dispose of sewage from country clubs and summer hotels, provided the soil conditions are favorable and proper areas may be utilized. In these cases the comparatively short period during each year in which the system is in use and the resulting long periods of rest give opportunity for a recuperation of the soil and permit the use of this system in comparatively large installations where, under continuous operation, a different method of disposal would be indicated. It should be borne in mind, however, that when any doubt arises as to the suitability of the soil to care for sewage by this method, and especially where considerable expense would be involved in the installation of the system, competent engineering advice should be sought by property owners before the installation is undertaken. In fact, it is advisable in the case of all large plants of this type to employ 72the services of a sanitary engineer to lay out the system, since the matter of accurate gradients and proper operating arrangements then becomes very essential to the success of the undertaking.
While it is not generally advisable to arrange for the disposal of sewage by sub-surface irrigation when the number of persons served by the sewer exceeds two hundred, this method will be found a most satisfactory one if the general conditions at any point are favorable to its use as heretofore described, and in such cases the adoption of this system is strongly recommended to the owners of residences, summer camps, summer hotels and boarding-houses, and to the managers of moderate-sized institutions and of country clubs who must meet the problem of properly disposing of sewage on their own premises.
It has been shown that the selection of the type of plant best suited to solve the sewage-disposal problem at any given place depends on several factors and can be safely made only after a consideration and study of such local conditions as the character of the soil, the area available, the presence and nearness to the surface of ground water, and the local topographical conditions. If sub-surface irrigation is not feasible, when, for instance, the soil is nearly impervious to water or when, in the case of a wet soil, adequate underdrainage is not possible, some form of artificial filter must be constructed to complete the reduction of the sewage where the effluent from the settling tank may not properly be discharged directly into a stream.
If such a filter is to be constructed, the kind most suitable depends, in turn, upon several factors, such as the degree of purification to be attained, the suitability of the available areas or locations for the different types of filters, the operating head or fall available, and the relative cost of the sand, gravel, broken stone, or furnace slag which may be used as material for the filter bed.
With respect to the degree of purification of sewage that is desired it may be said that, of the three general methods of sewage purification, namely, intermittent sand filtration, treatment in contact beds, and filtration through sprinkling or trickling filters, the first method produces the most highly purified effluent. Such an effluent, if from a properly constructed and operated sand filter, may generally be considered sufficiently purified to allow its discharge into a stream, even if 74the stream is subsequently used as a source of potable water supply. In some instances, however, subsequent sterilization or disinfection of the effluent may be required, particularly if the waterworks intake is relatively near the point of discharge from the sewage filter, or if the flow of the stream is small in comparison with the sewage flow. However, if a stream used as a source of potable water supply receives the effluent from a properly operated sand filter, the further safeguarding of the quality of the water should generally be accomplished by filtration or sterilization of the water supply, or both.
In many cases the local conditions are such that contact beds or sprinkling filters may be constructed more easily or more economically than sand filters and, at the same time, the lesser efficiency of the contact bed or the sprinkling filter, owing to the fact that the stream is not used for water supply, may not preclude the adoption of these latter types of plants.
However, where natural deposits of sand of not too finely divided particles occur or where such sand may be readily procured, intermittent sand filters are most satisfactory for the final treatment of sewage.
The agencies employed in purifying sewage by intermittent sand filtration involve its oxidation, or nitrification by bacterial action, while the mechanical straining effected by its passage through the sand plays a very small part in its reduction.
Where natural deposits of sand of suitable quality occur, sand filters are constructed by levelling off definite areas of sand and making embankments eighteen inches high to enclose these areas, the embankments being generally formed of the surface loam and subsoil which must usually be removed in 75order to expose the sand layer. There should be from three to five beds prepared in order to provide for alternating the discharge of the effluent from the settling tank over different portions of the filtration area and thus to provide resting periods for each bed while in operation. Also, the preparation of several equal areas permits discontinuing the use of any single area for several days or a week at a time in order to allow it to dry out and permanently retain its filtering capacity. In Fig. 37 is shown a view of a set of sand-filter beds arranged in terraces on sloping ground, the embankments being formed by the material excavated to uncover the natural sand layer.
Fig. 37.—View of Sand-filter Beds for Village in Massachusetts.
The proper number of beds and the area of each bed corresponding to the number of persons to be served by the sewer are given in Table IV. This table also gives the required dimensions of siphon chambers (assuming that this chamber forms a separate compartment of the settling tank) for the capacities necessary in order that the effluent may be distributed in proper 76quantities over each bed or over each pair of beds, as in the case of plants serving two hundred or more persons. The widths of siphon chambers given correspond in general with the widths of settling tanks given in Table I. As in Table III, the dimensions of siphon chambers given are based on a drawing down of the effluent in the tank when the siphons discharge, amounting to from four to eight inches. The last column in the table gives the space which should be left between the roof of the tank and the top of the dividing wall between the settling tank and the siphon chamber to provide for this draught upon the settling-tank contents. It will be seen that no draught upon the contents of the settling tank when the siphons discharge is arranged for in the case of tanks serving from four to twenty-five persons.
| TABLE IV | |||||
|---|---|---|---|---|---|
| FOR USE IN CONSTRUCTING INTERMITTENT SAND FILTERS | |||||
| Persons Served by Sewer. | No. of Beds. | Area of Each Bed (Square Feet). | Mean Width and Length of Siphon Chamber (Feet). | Diameter of Siphon (Inches). | Distance from Roof of Settling Tank to Top of Wall between Settling Tank and Siphon Chamber (Inches). |
| 4 | 3 | 60 | 3 × 3 | 3 | 12 |
| 8 | 3 | 120 | 3 × 5 | 3 | 12 |
| 12 | 3 | 180 | 4 × 5 | 3 | 12 |
| 15 | 3 | 224 | 4 × 6.5 | 3 | 12 |
| 25 | 3 | 350 | 4 × 6 | 5 | 12 |
| 35 | 3 | 480 | 4.5 × 5 | 5 | 16 |
| 50 | 3 | 660 | 5 × 6 | 5 | 16 |
| 75 | 3 | 1000 | 6 × 7 | 5 | 18 |
| 100 | 3 | 1320 | 7 × 8 | 5 | 18 |
| 125 | 3 | 1660 | 5.5 × 8 | 6 | 20 |
| 150 | 3 | 2000 | 8 × 8 | 6 | 20 |
| 175 | 3 | 2330 | 8 × 9 | 6 | 20 |
| 200 | 5 | 1600 | 8 × 12 | 8 | 20 |
| 250 | 5 | 2000 | 10.5 × 12 | 8 | 20 |
| 300 | 5 | 2400 | 12 × 13 | 8 | 20 |
| 350 | 5 | 2800 | 13 × 14 | 8 | 20 |
| 400 | 5 | 3200 | 13 × 17 | 8 | 20 |
| 450 | 5 | 3600 | 13 × 19 | 8 | 20 |
| 500 | 5 | 4000 | 13 × 21 | 8 | 20 |
77The siphons in each instance should be so placed that the lower edge of the bell of the siphon will be at a distance below the roof of the tank equal to twelve inches plus the drawing depth or discharging depth of a siphon of the diameter indicated. There should be three inches of space between the siphon bell and the floor of the chamber. The discharging depths of siphons as used in forming Tables 2, 3, 4, and 5 are as follows:
| Diameter of Siphon. | Discharging Depth. |
|---|---|
| 3 inches | 13 inches |
| 5 inches | 23 inches |
| 6 inches | 30 inches |
| 8 inches | 35 inches |
| 10 inches | 60 inches |
| 12 inches | 72 inches |
If the siphons installed are larger or smaller than those shown in these tables, or if the particular make of siphon purchased has the same diameter but a different discharging depth, proper allowance must be made in proportioning the size of the dosing chamber.
In order to quickly convey the dose from the siphon chamber to the filter beds at the rate at which the siphon discharges, the sewer from the siphon chamber should be of proper size and should have a sufficient gradient. For instance, with a 3–inch siphon the sewer should be 6 inches in diameter, with a gradient or fall of at least 12 inches per 100 feet; with a 5–inch siphon, the sewer should be 8 inches in diameter, with a gradient of at least 6 inches in 100 feet; with a 6–inch siphon, the diameter of the sewer should be 8 inches, and should have a gradient of at least 12 inches per 100 feet, or 10 inches with a gradient of at least 3 inches per 100 feet; with an 8–inch siphon, 12 inches, with a gradient of at least 12 inches per 100 feet.
Sewage is sometimes applied directly to the beds without treatment in settling tanks, generally, in such cases, after having 78been screened to remove the larger suspended matters, but it is decidedly preferable in the case of the smaller plants under discussion to pass the sewage first through settling tanks, as in the method of sub-surface irrigation. Therefore, the areas of beds given in the table are for sewage which has been passed through settling tanks. It is even necessary, in the case of sand filters for institutions where considerable grease and soaps are contained in the sewage, to provide grease traps through which the sewage must pass before it reaches the settling tank. The effluent from the tank should be discharged intermittently by means of a dosing chamber and siphon and should be distributed quickly over the surface of the bed as uniformly as possible. This is generally accomplished in the case of the larger beds by laying on the surface of the bed, wooden troughs, with short branches, as shown in Figs. 38 and 39. A detail of a portion of these distributing troughs is given in Fig. 40. This view shows the hinged gates which are used to effect a proportionate division of the flow of the various branches of the main trough. The view also shows the slots in the sides of the troughs which allow the sewage to flow out onto the bed.
Fig. 38.—Layout for Intermittent Sand Filtration.
79If the ground-water level is within three feet of the surface at any time, or if the sand is very fine and contains a slight proportion of clay, underdrains should be laid at depths of four feet to prevent the beds from becoming waterlogged.
Fig. 39.—Intermittent Sand-filtration Beds.
Where sand deposits do not occur at a point suitable for the location of the disposal plant, but where sand may be procured at a reasonable cost, the beds may be formed artificially similar to the natural sand beds heretofore described, but should not be less than three feet deep. It is generally necessary in the case of artificially constructed sand filters to provide underdrains as described below.
Two views of such an artificial sand filter are shown by Figs. 41 and 42. In Fig. 41 the settling tank and siphon chamber may be seen, situated between two of the four beds composing 80the filter. In Fig. 42 is shown a nearer view of one of the beds with the distributing trough and its branches on the surface of the bed. This bed, of the four composing the filter, was not in operation at the time the photograph was taken.
Fig. 40.—Portion of Distributing Troughs for Sand Filters.
In Fig. 38 is shown a sand filter layout with three beds. In this drawing are shown the sewer leading from the house, the settling tank, the siphon chamber, in which are placed two siphons, the effluent sewers, and the diverting manhole, from which three pipe lines convey the sewage to the filter beds. In Fig. 39 is shown also a view of the three filter beds, one of the beds being shown in section. Figs. 43 and 44 show a plan and view of the diverting manhole.
Where sand must be carted in to form the filters, the embankments to retain the sand should generally be formed by excavating for a depth of two feet the whole area upon which the beds are to be placed. The material thus excavated will usually 81be sufficient to form the embankments. The embankments should usually be at least two feet wide on top and should have side slopes of one and a half to one; that is, the bottom width of the embankment should be two feet plus three times the height. In clay soils the pits for the filter beds may be excavated with the sides vertical, or nearly so. The bottom of each bed, as it is prepared for the placing of the sand which is to compose the filter, should slope slightly from the sides toward the centre line of the bed.
Fig. 41.
Where the character of the underlying strata of soil or the presence of ground water requires that sand filters, whether natural or artificial, should be underdrained, this may be accomplished by laying a longitudinal main drain through the centre 82of the bed at a depth of at least three or four feet below the surface, with branches each way at intervals of about fifteen feet. The main underdrain should be six inches in diameter, of agricultural tile or of vitrified sewer pipe, laid with open joints, and should have a fall of at least six inches per hundred feet. The branches may be of three-inch agricultural tile.
Fig. 42.
Fig. 43.—View of Diverting Manhole.
In large installations for cities and villages it is usual to install either plural alternating siphons or apparatus known as sewage feeds, by means of which the contents of the dosing chamber are discharged upon the different beds in rotation, there generally being four or five beds constructed in each unit. This requires a separate siphon or sewage feed for each bed, and entails considerable expense. However, for smaller plants such as are now being considered, two ordinary siphons may be placed in the same dosing chamber as described in Chapter III, and so primed as to discharge alternately. Then, by means of a diverting manhole or chamber through which the dose must pass, the effluent may be diverted onto two beds in rotation, allowing a third bed to rest, or, if there are five beds, it may be diverted onto two pairs of beds in rotation, allowing a fifth bed to rest. For instance, in the case of five beds, a diverting manhole may be constructed as shown in Fig. 45, and arrangements may be made to couple bed No. 3 with No. 2 or No. 4, allowing bed No. 1 or No. 5 to rest by means of the stop-plank to cut off the flow to either of these beds, as shown in the illustration. Then, when bed No. 3 is to be rested, stop-planks A and B are both closed, and the stop-planks against all pipe outlets are raised. If it is desired to throw bed No. 1 out of use, the stop-plank is placed against the end of the pipe leading 84to this bed, stop-plank A is raised, and stop-plank B is lowered. One siphon will then discharge onto beds Nos. 4 and 5, and with the next filling of the siphon chamber the second siphon will discharge onto beds Nos. 2 and 3. By a proper combination of the stop-plank positions, any two sets of two beds each may receive alternately the discharge from the siphon chamber while the remaining single bed may be left resting. The method for operating the beds in rotation described above may, of course, be easily applied when only three beds are constructed. A provision for allowing one bed to be thrown out of use for a week or so at a time is very necessary for the reasons stated above.
Fig. 44.—Plan of Diverting Manhole.
At intervals of several weeks it will be found necessary to break up the surface of each bed by raking or else to remove a thin coating of clogging material. This should be done after the bed has been rested and dried out, when the surface matting may be taken off without removing much sand. To provide for operating the beds in winter, in the late fall, before the ground 85has frozen, ridges and furrows should be formed on the surface of the beds, similar to those shown in Fig. 51. The furrows should be two or three feet apart and eight to twelve inches deep. Then when effluent is discharged onto the beds in freezing weather, as it fills the furrows, an ice roof will gradually form, spanning the furrows and protecting the sides and bottoms of the furrows from freezing, especially if a snowfall occurs before severe weather sets in. It will sometimes be found necessary, especially with small beds that are well underdrained, to provide board coverings for the furrows to take the place of the natural ice roofs.
Fig. 45.—Five-way Diverting Manhole.
The effluent from the tank should be discharged in such 86quantities as to flood the entire bed to a depth of from one to two inches, except that some of this effluent will immediately begin to seep into the bed.
Respecting the quality and relative fineness of sand suitable for sewage filters, it should be noted that certain empirical methods of measurement have been developed for use in comparing the size and uniformity of particles of various sands. These measures are (1) the “effective size,” and (2) the “uniformity coefficient.” The “effective size” is the size of sand particle expressed in millimetres compared to which ten per cent by weight of the particles in the sample is finer. The “uniformity coefficient” is the ratio of the size of grain which has sixty per cent of the sample finer than itself to the size which has ten per cent finer than itself.
Concerning the grades of sand through which sewage may be successfully and properly treated by intermittent filtration, it has been found that the “effective size” should not be less than .20 of a millimetre, nor greater than .50 of a millimetre, and the “uniformity coefficient” should generally be from 1.5 to 3.0, when sewage is applied at the usual rate. If, however, the sand is clean and sharp, but has an “effective size” somewhat smaller than the limit above stated, it may sometimes be found suitable.
In the case of any sewage-disposal project of considerable magnitude, where any doubt exists as to the suitability of the sand available for use in sand filters, analyses of representative samples of the sand should be arranged for, and competent engineering advice should be sought before any large outlay is incurred. In general, however, it may be said that any clean, sharp sand suitable for building use is suitable for sand-filter beds in any situation. Obviously, the coarseness of the sand plays no part in its suitability as a filtering medium if the sand 87occurs in a natural bed and underdrains are not necessary, since no question of the discharging of an unpurified effluent would ordinarily arise in such cases.
The treatment of sewage in contact beds consists in distributing the effluent from settling tanks over beds of broken stone, furnace slag, or other similar material contained in water-tight compartments and allowing the beds to fill so that the spaces between the filtering material will be filled with the sewage effluent. These beds are so arranged that the effluent is held in contact with the filtering material for a fixed interval of time and then, usually by means of special siphons called “timed siphons,” or other automatic devices, it is discharged from the beds onto sand filters for further treatment, or into streams, as the case may be.
The process involves, as in intermittent sand filtration, the nitrifying or oxidizing agencies of bacterial action, and differs from intermittent filtration and from treatment of sewage on sprinkling filters principally in the fact that the flow of effluent through the beds is arrested and the liquid sewage held in contact with the filtering material, as noted above.
Much smaller areas of filter beds are required than in the case of sand filters, and for this reason this form of filter will often be found preferable. The conditions which result in its selection are usually either the unsuitable character of the soil or the presence of ground water, making the installation of sub-surface irrigation systems impracticable; or the absence of sand deposits or the high cost in any locality of sand suitable for sand-filtration beds, making their construction difficult or expensive.
88The walls and floor of a contact bed are generally constructed of concrete, and the filter should be rectangular in form, as it is easier to distribute the effluent uniformly over a bed of this shape. The details given in Chapter II for constructing the walls and floors of settling tanks will serve as a general guide in the construction of contact beds.
The real work of the contact filter is carried on during the period of “resting empty,” that is, after the effluent has been withdrawn from the bed. While the effluent fills the beds, much of the suspended solid matter, together with a large proportion of the bacteria contained in the sewage, adheres to a gelatinous film which has formed on the surfaces of the stones or other materials forming the beds. This interval of “resting full” should usually be about two hours. Then, when the liquid portion is withdrawn from the bed, air is drawn in between the stones, enabling the nitrifying or aërobic bacteria to do their work of breaking down both the suspended and the partially dissolved organic matters which have been contained in the sewage and which have adhered to the filter material. It is believed, that some oxidation of that portion of the organic matter which is in true solution is also accomplished when the effluent passes over the gelatinous covering of the stones by reason of the oxygen which has been absorbed by this covering.
The interval when the bed is “resting empty” should be considerably longer than the combined intervals when the bed is filling, “resting full,” and emptying. For this reason there should be a series of from three to five beds in order that it will not be necessary to turn the effluent from the settling tank continuously onto one bed, which would result in the clogging of this bed with suspended matters. The additional third (or fifth) bed also gives opportunity for allowing each bed in turn to be thrown out of use for intervals of a week or so at a time, which is also necessary to keep the beds up to their proper efficiency and obviate the necessity of cleaning or renewing the filter material oftener than once in seven or eight years.
89In Fig. 46 is shown in plan and section a sewage-disposal plant for the residence of Mr. Charles L. A. Whitney, of Albany, N. Y., consisting of a settling tank, dosing chamber, and contact beds. This plant is designed to serve twenty-five persons, although the settling tanks have a capacity for double the amount of sewage on the usual basis of design.
The depth of filtering material in the beds should preferably be four or five feet, although, where operating head or fall is limited, this depth may be decreased to three feet. The floor of the bed should slope toward the outlet end at a rate of about one-eighth of an inch per foot.
Various materials are used to form the body of the filter, such as broken stone, coke, broken brick, and furnace slag, but the material used should not be such as will disintegrate readily, and for this reason broken limestone, from one-half inch to one and one-half inches in size, with perhaps two-inch stones for the bottom six inches of the bed surrounding the underdrains, is most suitable for small plants.
These underdrains should be constructed of horse-shoe tiling, and in the case of beds more than eight or ten feet wide should preferably be laid with short branches reaching from a main drain laid along the centre of the floor of the bed; or these drains may be laid in parallel lines, as shown in Fig. 46.
In order to alternate the discharge of effluent from the settling tank onto different beds in turn and to provide for more uniformly distributing the effluent over all portions of the bed, the settling-tank effluent should be collected as in the other 90methods of disposal described, in a siphon or dosing chamber, from which, by means of alternating siphons, it may be delivered to the proper bed.
In the case of a group of three beds or five beds, diverting chambers with stop-planks, similar to those described in connection with intermittent sand filters, may be provided to allow the throwing out of use of each of the beds in turn for a week or so at a time. In the smaller plants accommodating up to one hundred and fifty persons, it is hardly necessary to provide for more than three beds, thus allowing opportunity for each one to rest for one week in every three to six weeks, which will result in a temporary increase of fifty per cent in the rate of application of effluent to the remaining beds. In the case of the larger plants, especially if they are to be operated continuously, it is better to construct five beds so that two pairs of two beds each may be used alternately, leaving one bed, or twenty per cent of the total area, out of use. This will result in an increase of but twenty-five per cent in the rate of application of effluent to the four beds in use.
With the usual rates of operation for contact beds, one filling per day of the beds will result, and, if the dosing of the beds is carried on as above and as described in the portion of this chapter dealing with the dosing of intermittent sand filters, but two siphons in the dosing tank, constituting double alternating siphons, will be necessary. Such an arrangement will eliminate the necessity of installing plural alternating siphons consisting of three or more siphons, the cost of which is not warranted in connection with small plants, since the double alternating siphons will insure proper operation of the beds at much less cost. Of course, in the larger plants where two beds are dosed at each discharge of a siphon, a larger siphon chamber is necessary with the two siphons, but the extra cost of a larger 91siphon chamber would in most cases be more than offset by the increased cost of plural alternating siphons.
The main effluent carrier from the siphon chamber to each contact bed should discharge into a half-tile carrier, with branches, laid on the surface of the contact bed, as shown in Fig. 46.
Each contact bed should be provided at the outlet end with a “timed” siphon set in a separate chamber of two compartments, as shown in the drawing. The diameter of the timed siphons should generally be that of the next larger size than that indicated for the dosing-chamber siphons. As shown in the illustration, where only three beds are necessary, the third timed siphon may be dispensed with if arrangements are made to permit the use of one siphon for discharging either the middle or the outside bed on that side, and to permit the use of the other siphon for discharging either the middle bed or the bed on the other side. In such installations gates or valves must be placed on the outlets of the contact beds to prevent the filling of the bed that is out of use by back flow from the timed siphon chamber used to discharge the adjacent bed.
The cost of contact beds is considerably greater than the cost of intermittent sand filters, especially when sand of proper quality is available, but their construction is advised in many cases where sub-surface irrigation is not feasible, where the premises are subject to overflow or the ground-water level is high, and where it is not practicable to construct sand filters.
In the following table are given the proper number of units or beds for contact filters of different-sized installations, together with the required area of each filter, the depth of the filter medium in all beds being four feet. The table also shows the dimensions of the siphon chamber adjacent to the settling tank and the diameter of the siphons necessary to discharge the 92effluent in proper volumes onto each contact bed, or each pair of contact beds. Where it is necessary to decrease the depth of the contact beds to three and one-half or three feet, owing to lack of operating head or fall, a proportionate increase should be made in the area of each bed.
| TABLE V | |||||
|---|---|---|---|---|---|
| For Use in Constructing Contact Beds | |||||
| Persons Served by Sewer. | No. of Beds. | Area of Each Bed (Square Feet). | Mean Width and Length of Siphon Chamber (Feet). | Diameter of Siphons (Inches). | Distance from Roof of Settling Tank to Top of Wall between Settling Tank and Siphon Chamber (Inches). |
| 4 | 3 | 20 | 3 × 4.5 | 5 | 12 |
| 8 | 3 | 40 | 4 × 6.5 | 5 | 12 |
| 12 | 3 | 60 | 6 × 7 | 5 | 12 |
| 15 | 3 | 70 | 6 × 8 | 5 | 12 |
| 25 | 3 | 100 | 6 × 8 | 6 | 16 |
| 35 | 3 | 130 | 7 × 9 | 6 | 16 |
| 50 | 3 | 180 | 8.5 × 10 | 6 | 16 |
| 75 | 3 | 280 | 10 × 11 | 8 | 18 |
| 100 | 3 | 370 | 12 × 12 | 8 | 18 |
| 125 | 3 | 460 | 12 × 14 | 8 | 20 |
| 150 | 3 | 550 | 12 × 16.5 | 8 | 20 |
| 175 | 5 | 390 | 13 × 14 | 10 | 20 |
| 200 | 5 | 440 | 14 × 15 | 10 | 20 |
| 250 | 5 | 550 | 15 × 18 | 10 | 20 |
| 300 | 5 | 660 | 17 × 19 | 10 | 20 |
| 350 | 5 | 770 | 18 × 21 | 10 | 20 |
| 400 | 5 | 880 | 18 × 24 | 10 | 20 |
| 450 | 5 | 990 | 20 × 21 | 12 | 20 |
| 500 | 5 | 1110 | 20 × 23 | 12 | 20 |
In the above table, as in the previous tables, in indicating the height to which the dividing wall between the settling tank and siphon chamber should be carried, allowance is made for a draught upon the contents of the settling tank at each discharge of a siphon of from four to eight inches. In the discussion relating to siphon chambers in connection with the description of intermittent sand filters will be found the necessary details as to the discharging depths of siphons of different diameters and 93the necessary depths of the siphon chambers in which such siphons are to be placed. The construction of contact beds will naturally be approached with hesitancy by property owners and others not familiar with such work, and it is strongly recommended that where it is possible the services of a sanitary engineer be engaged to design and supervise the construction of a plant involving any considerable outlay, unless it is felt that the descriptions and directions given above have afforded a clear understanding of the design and construction of this type of sewage-disposal works.
One of the more recently developed methods of sewage disposal,—the sprinkling- or trickling-filter system,—has for its principal feature the thorough aëration of the settling-tank effluent before its passage through the filter. This filter, like the contact filter, is of the rapid, coarse-grained type, but in its operation resembles the process of intermittent sand filtration in that the sewage effluent passes through the filter continuously without being held in contact with the filtering material as in the contact bed. The aëration of the sewage effluent, which very greatly aids the final process of nitrification or oxidation in the filter, is accomplished by spraying the sewage effluent over the surface of the beds through a series of riser pipes with nozzles, or allowing it to fall in fine streams on dash plates which cause it to sprinkle over the beds and thus to absorb oxygen from the air.
Sprinkling filters produce an effluent with a considerably less degree of purification than sand filters, but may in general be said to produce a more stable effluent, that is, one less liable to subsequent putrefaction than the effluent from contact beds. 94Furthermore, with the usual depths of contact beds and sprinkling filters, an area approximately four times greater is required to treat the same amount of sewage on contact beds than is necessary if sprinkling filters are constructed. However, since the effluent from sprinkling filters is much more turbid, necessitating, in most cases, subsequent sedimentation before discharge; since considerably greater operating head or fall is necessary; and since their operation requires much more supervision, the construction of sprinkling filters is not generally as advisable as contact beds for small installations, especially in cold climates.
The construction of sprinkling filters as compared to contact filters differs principally in the size and depth of filtering material, in the means provided for distributing the effluent over the beds, and in the arrangements for draining the filter.
The depth of filtering material in a sprinkling filter is usually from five to ten feet, preferably not less than eight feet. The material for the filter is the same as that used for contact filters but the fragments should be from one to three inches in diameter. Instead of a system of tile underdrains on the floor of the filter, a false floor of perforated tile, rectangular in section, or of half tile, circular in section, with drainage holes cut out along the sides, should be laid over the entire floor of the filter. As the settling-tank effluent is sprayed on the filter it passes downward between the spaces of the filtering material, and reaching the floor of the filter is collected in a main drainage channel, through which it passes to the outfall sewer, and thence to the final settling tank or into the stream.
As with contact beds and sand filters, intermittency of application of the effluent to the filter is essential for proper action of the filter, and this is accomplished as in the other types of filters by means of automatic siphons placed in dosing 95tanks. These tanks, however, are of special design in the case of sprinkling filters. Each siphon discharges into a main carrier of iron pipe which extends sometimes over the surface of the filter, but generally along the floor of the filter. The main carrier has branch pipes of smaller diameter extending at right angles nearly to the sides of the filter. On these branches vertical riser pipes spaced about ten feet apart are connected, and these riser pipes extend a few inches above the surface of the filter. Nozzles are fitted to the ends of the riser pipes by means of which the sewage effluent, under pressure, is sprinkled, at short intervals, in the form of a fine, umbrella-shaped spray, over the surface of the filter. This results in a thorough aëration of the effluent before it reaches the filtering material, and makes this form of filter very effective.
Fig. 47.—View of Sprinkling Filter at Danville, Pa., in Winter.
In Fig. 47 is shown a view of a sprinkling filter at Danville, Pa., operating when the temperature was 14° below zero. It is generally believed, however, that in cold climates it is advisable to house small sprinkling filters.
96Owing to the rather complicated hydraulic features and the somewhat difficult engineering principles involved in the construction and operation of sprinkling or trickling filters, it is not deemed advisable to attempt to describe them in sufficient detail to furnish directions for their construction. The design of a sprinkling-filter system for small as well as for large installations should always be entrusted to an engineer conversant with this line of sanitary engineering. It is believed, however, that the description of such filters given above will aid those who are about to install sewage-disposal plants in the selection of the type of plant best suited to their particular needs and conforming to the conditions peculiar to their situation.
Summarizing the foregoing descriptions and directions with reference to sewage filters, it may be stated that where natural facilities for disposing of sewage by simpler methods do not exist, the construction of a sewage filter of some one of the above described types offers a solution of every problem thus encountered. It is well to repeat that sub-surface irrigation, where feasible, should be adopted, and this will be the method indicated in a large majority of cases where small disposal plants are to be constructed.
The principal point to be remembered in connection with sewage filters is that their construction is but a good beginning, and that their proper operation is very necessary to the success of the undertaking. They constitute, with the developed bacteria in the filter, a rather sensitive mechanism capable of efficient work if properly handled, but each filter unit must be carefully operated and must be regularly given extended periods of rest for the restoration of the void or open-space capacity of the filter, and to provide for the necessary aëration of the filtering material.
The peculiar action which takes place in a filter in the reduction 97of sewage, and which is not even yet fully known, is best evidenced by the fact that sewage filters, especially of the coarse-grained type, do not attain their highest efficiency until after several weeks or months of operation.
With a knowledge of these points, it will be seen that there should be little divergence from accepted standards in the construction and operation of sewage filters if they are to prove satisfactory when installed.
For many years it has seemed to thoughtful persons that permitting sewage, either from single houses or from larger communities, to be turned into streams was a mistaken policy because of the waste of manurial elements involved. It has long been understood that, in order to maintain the fertility of the soil, a constant application of fertilizers was necessary, and, while undoubtedly many farms are managed without any such repeated applications, the more scientific and modern farmer believes to-day that the frequent and abundant use of fertilizer is the foundation of his success.
In ordinary sewage there exists a certain amount of fertilizing elements. Two prominent English chemists, not many years ago, proved by their analyses that in ordinary sewage there existed the essential elements of a good fertilizer to the value of $2 per year for each person contributing to that sewage. Other chemists, working at the problem in other ways, have reached about the same result, and there can be little doubt of their accuracy if the fertilizing elements alone are considered. In applying these figures to the sewage of a city the difficulty has always been that the fertilizing elements have been so thoroughly covered up with the large volume of water present in the sewage that it has been practically impossible to separate them from the water. Thus, in a city of 100,000 persons, the fertilizer in the sewage might, indeed, be worth $200,000, but to realize this amount it must be separated from the 10,000,000 gallons of water—a task which is so tremendous, if not impossible, as to make the value of the fertilizer of no account. In 99those parts of the country where the water itself has a value, as in the irrigated lands of the West, the fertilizing elements of the sewage would be added to the value of the water, so that sewage used for irrigation would be worth not merely the value of the water alone, but also the value of the fertilizer present in that water.
Another difficulty in making use of the combined water and fertilizer is that the large amount of water involves a large area of land and suitable soil, on which irrigation may be practised, in the immediate vicinity of the city. This combination of agricultural soil of suitable texture at a suitable price for farming operations is so seldom found that this in itself usually precludes any application of the use of sewage for irrigation.
In the case of the sewage from a single house, however, the possibility of making use both of the water and the fertilizer in sewage is not so difficult. Recent writers on irrigation have pointed out that, while irrigation of late years has made most headway in the semi-arid districts of the West, there are many opportunities for its successful and profitable utilization in the East, and Mr. Lute Wilcox, in a recent book on irrigation, says: “The farmer who has a soil containing an abundance of all the needed elements in a proper state of fineness cannot but deem himself happy if he have always ready at hand the means of readily and cheaply supplying all the water needed by his soil and growing crops, just when and in just such quantities as are needed. Happier still may he be when he realizes that he need have no ‘off years’, and he knows that the waters he admits to his fields at will are freighted with rich fertilizing elements usually far more valuable to the growing crops than any that he can purchase and apply at a costly rate—a cost that makes serious inroads upon the profits of the majority of farmers cultivating the worn-out or deteriorated soils in the older States 100year by year. Fertilizers are already needed for the most profitable culture on many farms in Iowa, Minnesota, Eastern Kansas, and Nebraska, in Missouri, and in all States east of those named.”
Perhaps the greatest uncertainty in the matter of farming is the available water coming from the clouds. In one year the rainfall may come at the proper time to moisten the seed and to insure a rapid germination. These early rains may be followed by showers at proper intervals to supply the little rootlets with the necessary moisture so that the growth of the plant may be constant and vigorous. During the ripening season the rains may be withheld so that the harvest is insured under the most favorable conditions. In other years, however, the spring rains may be so continuous as to cause the seeds to rot, requiring a second sowing. Then the rains may fail so that the seeds either fail to germinate, or at best produce scattered and imperfect growths. At the time of harvest storm may follow storm, so that the harvesting of those plants which have developed is made almost impossible.
Irrigation tends in part to correct these difficulties, since it furnishes the soil with the needed water at times when the lack of rain would cause an entire failure in future growth. Irrigation, of course, cannot prevent rainfall, and it may be that after a copious soaking of the ground with the irrigating water a heavy rain may follow, resulting in an excess of moisture as bad for the ground as none at all. The possibility of irrigation cannot prevent excessive rains at the time of harvest, but the advantages of being able to control the soil moisture during the period of growth are more than enough to counterbalance any possible disadvantages. During the summer months evaporation is very high, the dryness of the air and the high temperature combining to draw moisture from the soil in considerable quantity. 101Then, too, the plants themselves, while absorbing moisture from their roots, evaporate moisture through their leaves, and agricultural stations have made extensive studies on the amount of this evaporation from different plants. The teaching of it all is that the amount of water which can be utilized by the soil, not merely for the sake of the growth of the plants themselves, but to make up for the demands of evaporation, is very high.
Mr. Newell, of the United States Geological Survey, points out that while the amount of water required for raising crops varies according to soil and other conditions, yet a large quantity is required to maintain the soil in such a degree of saturation as to best promote the vitality of the plant life. He shows that for each ton of hay raised upon an acre, from three hundred to five hundred tons of water must be furnished either by rainfall or by artificial means. In other words, since water covering an acre to a depth of one inch weighs about one hundred and thirteen tons, it would be necessary to cover an acre to a depth of from three to five inches if that acre produced one ton of hay. From actual conditions, he shows that it has been necessary, in order to produce five tons of barley hay per acre, to provide an amount of water which would cover the acre to a depth of twenty inches. Although his figures have special reference to the semi-arid regions of the West they furnish a guide for the amount of water which may profitably be used in addition to the rainfall, which, in the summer months, may be practically nothing even in the East. From three to six inches in depth each month is his estimate of the needed water for successful crop growing, the difference depending upon the character of the soil, more being required in sandy soils and less where the texture is finer.
The sewage from an ordinary household, on the basis of 10230 gallons per head per day, amounts to 180 gallons per day, or about 5,400 gallons per month, or 720 cubic feet. This amount of water would cover an acre of ground to a depth of a little less than one-fourth of an inch, and it is plain that in order to have the sewage of a single house furnish the necessary amount of water for successful crop growing, the area required is only about one-twelfth of an acre, or an area about 60 feet square.
In the early days of the English experiments with the disposal of sewage, great stress was laid on the value of the manurial elements in sewage, and many tests were made as to the capacity of various soils for absorbing the moisture present in sewage. One of the most enthusiastic advocates of this method of disposing of sewage was Mr. J. Bailey Denton, who was able to act as engineer for many installations of various sorts. As a result of his experience he came to the conclusion that while the area depended upon the character of the soil, and while with the most suitable soil a very large amount of water might be taken care of, under ordinary conditions it was safest to so design the works that no possibility of overloading the soil with water could exist. He places the limits of population, the sewage from whom would be cared for on an acre, between 1,000 persons per acre and 100 persons per acre. More recent experience, together with constant observation of farms established in the early period of the practice, indicates that the higher value is too great, and that where agricultural processes alone are considered, 100 persons per acre is a suitable maximum value for irrigation on sandy loam, and that 40 persons per acre is a suitable number where the soil is inclined toward density and fine texture. Six persons in a household would, according to Mr. Denton, require from one-seventh to one-seventeenth of an acre. The amount, indicated by the computations made earlier, indicated one-twelfth of an acre for 103the same number of persons. The practical agreement of the two methods of computing the area necessary thus makes it possible to determine in either way the amount of land needed on a given farm for disposing of the household sewage.
The effect of sewage irrigation has been found to be most astonishing so far as the increased yield of the soil goes. Some years ago, in order to determine just the effect of the addition of sewage to ordinary farm land, a certain field of five acres was divided into four equal parts. The four fields were treated as follows: Field No. 1 received no sewage. Field No. 2 received six inches of sewage over its entire area on each of five successive months. Field No. 3 received twelve inches of sewage on each of five successive months. Field No. 4 received eighteen inches of sewage on each of five successive months. The following table shows the results of three successive years’ experiments at the sewage farm referred to at Rugby, England, the figures being the number of pounds of green grass cut from the fields.
| Without Sewage. | With Sewage. | ||
|---|---|---|---|
| Lot 1. | Lot 2. | Lot 3. | Lot 4. |
| 20,814 | 33,244 | 60,602 | 73,564 |
| 18,294 | 62,514 | 77,299 | 71,766 |
| 11,069 | 49,851 | 78,231 | 80,941 |
| Aver. 16,725 | 48,536 | 72,044 | 76,434 |
It will be noticed that, whereas without sewage the amount of green grass was about eight tons on an acre and a quarter in the field, from lot No. 2 twenty-four tons were cut, from lot No. 3 thirty-six tons, and from lot No. 4 thirty-eight tons. Evidently the amount of sewage applied did not proportionately increase the yield in lots 3 and 4, and it may be said that a 104depth of sewage or water of more than twelve inches per acre has, in general, been found to be not merely unnecessary, but undesirable. The table does not show the number of cuttings made during the season, but the custom on the farm is to cut frequently, at intervals of perhaps two or three weeks, no time being given for curing the hay.
The crops suitable for growth on irrigated fields have been found by experience to be grass and root crops, such as beets, turnips, and the like. Mr. Wilcox, in writing of the requirements of different plants, suggests celery as a garden crop that needs a great deal of water. Beets, carrots, parsnips, and turnips are favorite plants for irrigated fields. Cabbage and cauliflower are benefited by abundant irrigation during the first part of their growth, but after the heads of the cabbage plants are half-formed, further excessive use of water is undesirable. The use of irrigating water in orchards has been practised with great success not only in the recent irrigation areas of the West, but along the Hudson River and in New England. The size of the fruit is increased by irrigation, and it is said that the bloom is much improved.
In distributing the water or sewage over the soil in the case of a single house, no elaborate methods are required. In the case of large farms supplied with sewage from a considerable population, elaborate systems of piping or open-channel conduits are required, and the problem of working out and adjusting the necessary sizes and grades becomes a complicated matter for which engineering knowledge and experience are required. But for the small flow which comes from individual houses and from the small area involved, no such elaborate preparations 105are required. The essence of the distribution consists in carrying the water onto the field to be irrigated at such a low velocity that no surface soil or valuable manures are washed away; and in adjusting the volume of the flow and the requirements of the soil, there are three characteristic conditions which require different treatments.
In the first place, the area may be practically level and the crop raised may be either grass or grain. In such a case the sewage should be led onto the field which may properly be enclosed on four sides with a low, that is, six to twelve inches, earth-dike, and at each irrigation the field may be flooded about two inches deep. The next irrigation would probably not be required for a week, so that this method requires a number of beds to be worked one after another and, except where the soil is very dense, so much so that percolation is very slow, this method is not suitable because of the slow rate at which the sewage is delivered.
The second method of distribution, and one more suitable for the conditions under discussion, is to lay out the field in parallel beds from three to six feet wide and from forty to one hundred feet long. These beds are separated by furrows into which the sewage is discharged. If the grade of these furrows is properly adjusted to the porosity of the soil, that is, made about six inches in one hundred feet for open, sandy loam, and about two inches in one hundred feet for fine, clay loam, the soil will absorb the needed moisture as the sewage flows over it and there should be no ponding or excess of water at any point of the field. By dividing the field into three parts, or in arranging the flow of sewage so that it enters only two or three furrows at a time, the flow can be so changed from day to day as to furnish all parts of the area with the irrigating water, and at the same time not overload and choke the soil particles. On 106the beds may be planted and grown whatever vegetables are desired. A good basis for determining the area and length of furrows required is to provide a length of thirty feet of furrow for each person of the household. The total length thus obtained should not, however, be made continuous, but should be arranged in three parts, or in multiples of three, so that one-third of the total length only may be used on any one day, the other parts serving for other days, so that a rotation is practised.
Fig. 48.—Distribution of Sewage and Arrangement of Check Levees on a Hillside.
The third condition involves the application of the sewage to a steep slope, and this may be treated in either one of two ways. The sewage may be led to the top of the hill and allowed to flow, for a short distance only, over the surface on which, presumably, grass is to be grown. If the length of the furrow is more than about a dozen feet, the flowing stream acquires enough velocity to wash the surface and to form gullies. To prevent this, a secondary ditch or small bank is thrown up to arrest the flow. The water is led out again from behind this ditch or bank at intervals, to repeat the process further down the hill (see Fig. 48). If the slope of the ground is moderate, so 107that there is no tendency of the water to form gullies, the water may be let out of the ditch at intervals and allowed to distribute itself over the field, as shown in Fig. 49. The water thus overflowing should be collected in a drain at the lower end of the slope, and will be found suitably purified for discharge into any running stream not used for drinking purposes. The occasional use of a shovel or hoe may be needed to change the flow of the water over the field if it is found that any tendency exists for definite channels to be formed.
Fig. 49.—Distribution of Sewage on a Hillside of Moderate Slope.
In order to plant vegetables on such a hill, small furrows may be made along the hill and laid out with great care so that the flow of sewage in the furrows shall be only at a slow velocity, so slow that the soil can absorb the moisture as the water passes along. By zigzagging this furrow back and forth down the hillside, vegetation on the hill will receive the benefit of the water, and if any of the sewage succeeds in reaching the bottom of the hill, it will be so purified that it may be safely discharged into any depression or watercourse there found.
108In the case of orchards, irrigation is practised by flooding the ground around the tree, being careful, however, to throw up a mound of earth around the tree so that no water comes within two feet of the tree itself. Fig. 50 shows a Western method of forming square beds, each bed about twenty feet on a side, with one tree at the centre. Furrows are also used to distribute the water, a common practice followed being to being to have the furrow always under the extreme edge of the foliage, thus discharging the water in the vicinity of the tender rootlets of the tree. Usually the furrow system is carried only in one direction, so that the application of water by this method is not so complete as by the flooding method. But for small volumes of water constantly applied, it is probably more satisfactory. Fig. 51 shows a grain field irrigated by the furrow method.
Fig. 50.—Square Beds for Orchards According to Some Western Practice.
In all cases where irrigation is practised, stress is laid by those experienced in the matter on the necessity of cultivation of the soil in connection with the irrigation. Apparently, there is a tendency for the surface layers, with the application of water, to cake or crust over the lower strata, thus depriving the soil of the necessary air. In order to break up this crust, the soil must be continually worked, either by a hoe or rake or some sort of horse cultivator. Where the ground is shaded, as in the case of land covered with grass or grain, the tendency to 109crust is not so marked, but on cultivated land where root crops are grown the cultivator must be used regularly after each irrigation. Where the sewage is carried onto the field in furrows, the soil in the furrow should be hoed at frequent intervals, not only to break up the crust which deprives the soil of the air, but in order to open the particles of soil for the reception of the irrigating-water.
Fig. 51.—Grain Field in Spring, in Process of Irrigation.
It must also be remembered, as has been pointed out before, that the success of any method of applying sewage to soil depends upon the frequent change from bed to bed, the actual time interval depending on the character of the soil. If the soil is fine, the same area may be used for a week at a time, and then given two weeks’ rest. If the soil is more open, this interval 110should be reduced, and with very coarse particles it may be found desirable to shift the flow from one bed to another after an interval of a few hours only. Experience and careful observation on the moisture-carrying capacity of the bed is the best guide to the operation of sewage irrigation.
Whether or not this method of disposing of the sewage of a single house is to be selected depends largely upon the slope of the ground from the house toward the garden. It is not desirable to have sewage exposed to the air in the immediate vicinity of a dwelling-house. Rarely would any odors be generated to such an extent as to be offensive to the occupants of the house, since the sewage sinks into the ground before putrefaction of the organic matter sets in and the exposed material left on the surface of the ground is of too attenuated a type to become offensive even if it does putrefy before drying. There is, however, the danger of odors being formed where distribution is imperfect and where pools are allowed to form in the furrow. There is also the danger of the transmission of disease germs from the sewage-irrigated field to the occupants of the house through the agency of flies. Health statistics of English farms show this danger to be a very remote one, since the health of the workman on those farms is as good or better than the average throughout England. But the possibility of infection exists and must not be overlooked.
No method of disposal requires so much and such constant care, although the results show in the improved yield from the farm. This method of broad irrigation is emphatically not the method to be used except where labor is adequate for proper soil cultivation and where this labor can be given constantly and ungrudgingly. Finally, it must be pointed out that care should always be exercised to prevent irrigating sewage coming in direct contact with any of the soil produce. Certainly sewage 111should not be used to sprinkle over lettuce or celery or strawberries, even if the yield is thereby increased. Undoubtedly any disease germs thus distributed over the fruits and vegetables would, through the antiseptic action of the sunlight and air, soon be destroyed, but the very method of irrigation is repulsive, and the danger, while slight, is sufficient to forbid that method of fertilizing. No statistics, however, are available to show that cows eating sewage-irrigated grass are adversely affected in health, and for years the practice of thus pasturing cows has been carried on in England. For human beings, however, vegetables grown in soil that is separated from the sewage by a foot or more is the safer as well as more æsthetic arrangement.
In order to estimate the cost of installing a sewage-disposal plant and of treating continuously the sewage from any residence, certain fundamental assumptions are always necessary. In the first place, the unit cost of the manual labor which forms so large a part of the total cost of construction must be known for the particular time and place, and perhaps no item in the cost of construction is so important as this. In a great many small installations it may be excluded altogether, since all the hand work required is contributed by the householder at such times as the other work of the place may allow, without any additional cost. In other places, if a money value be placed on such labor, it may be expressed in terms of the cost of a hired man whose rate of wages, paid monthly, in addition to board, would be always less than if wages were paid to day laborers living at their own homes. Again, in the southern part of the country labor may be had for $1.25 a day, whereas in the central portion of the United States it is necessary to pay $1.75 a day, and in the extreme West from $2.00 to $3.00 a day for common labor. Often, too, the working day is of different length in different parts of the country. In the estimates which follow, labor is assumed to cost $1.60 for eight hours’ work, that is, at the rate of twenty cents an hour. If, in adapting the estimates of this chapter to any particular installation, the question of labor may be neglected because of the fact that the householder will himself do all the required work, then the item of labor cost may be eliminated. If other units than those here assumed are suitable for the particular locality where 113any plant is to be built, then the labor item must be modified accordingly.
Material.—The cost of material always varies very greatly in different parts of the country. This is partly because of different freight and other transportation rates between the factories where material is made up and the particular place where that material is to be used; and partly because the profits made by the middleman increase as the material gets further and further away from the centres of civilization. Thus, in a large city six-inch sewer pipe may be sold in such large quantities that the freight rate is low and the dealer is satisfied with a small profit on each foot of pipe. In the country districts the dealer sells but little, and feels that he must have a larger profit to compensate him for the expense of keeping the material on hand. Thus, six-inch sewer pipe may be had at prices ranging from six cents up to sixteen cents per running foot, depending on the store from which it is bought.
It is evident, therefore, that it will not be possible to name any unit price which will be generally applicable, and it will be necessary for any intending builder to secure from local firms the unit prices from which his own individual estimate may be made up. The following discussion, however, will indicate the items comprising the necessary estimate, and will furnish an example by which the estimate sheet can be prepared.
Laying Sewers and Drains.—The main drain from the house to the sewage disposal plant is of five- or six-inch pipe generally, the former being sufficiently large and a little cheaper than the six-inch pipe. The latter has the advantage of size and consequent greater freedom from clogging. The cost of five-inch pipe at a store in a village of any considerable size should be ten cents per foot, and the cost of six-inch pipe twelve cents per foot.
This pipe weighs twelve and fifteen pounds per foot respectively, 114and, with an ordinary wagon, fifty feet of six-inch pipe, weighing about eight hundred pounds, is a load; if four trips a day are possible from the residence to the store and if the cost of the team is estimated at $4 a day, each trip will cost $1, and each foot of pipe will cost two cents more for being hauled from the store to the grounds.
In laying the pipe, cement and sand are necessary for joints. For both kinds of pipe there is required about one cubic foot of mortar for each fifty joints, the mortar being sufficient to fill the joints and to make a collar or ring outside. In order to make this cubic foot of mortar, half a bag of cement and half a cubic foot of sand will be required. The cost of the cement out of the village store is about fifty cents a bag, although in a small place it may be seventy-five cents, or even one dollar. If one were buying cement in large quantities, a price as low as thirty cents a bag might be had. If the cement is delivered in cloth bags, a rebate of ten cents a bag is usually given if the bag is returned in good condition.
The cost of sand is usually dependent upon the cost of hauling. It will require forty minutes to shovel one yard of sand into a wagon, or at twenty cents an hour it would cost about fifteen cents. The cost of shovelling sand through a screen depends upon the amount of material which has to be rejected, since only a certain proportion of the sand is available for all that is shovelled. The cost of this shovelling is again about fifteen cents per cubic yard of material shovelled, and if one-third of it is coarse gravel which has to be rejected, one and one-half yards would have to be screened for every yard of sand available, and the cost would, therefore, be twenty cents for screening, a total cost of sand in the wagon of thirty-five cents per yard. If four loads of sand can be delivered per day, with a cost of fifty cents per hour for team and driver, the sand will cost 115$1.35 per yard on the grounds, this amount being increased or decreased if the number of trips per day must be made less or more.
Excavation.—The cost of excavation depends on the character of the material and on the amount of water present, the cost of pumping or bailing the latter, if in large quantity, adding materially to the cost of shovelling. The material through which the trenches are driven may vary from a sand which can be shovelled without loosening, to solid rock which must be blasted, an intermediate condition of soil being known as hardpan and its excavation costing nearly as much time and effort as rock itself. If the soil is sand, into which a shovel or spade can be pushed without any picking of the material, the cost, as already stated, will be about fifteen cents a cubic yard for shovelling, and if the excavation is in trench and not more than six feet deep, the entire trench can be excavated for seven and a half cents a lineal foot. It is very unusual, however, to have conditions so favorable that such a low price can be counted on. If the material requires picking, instead of fifteen cents a cubic yard it will cost thirty cents a cubic yard, and a trench two feet wide and six feet deep will cost fifteen cents a running foot instead of seven and a half cents. If care is not taken at the start to throw the dirt well back, it will be necessary to re-handle the dirt from the bottom of the trench, throwing it back on the pile, and this will add from five to ten cents a cubic yard, depending on what proportion of the entire excavation has to be re-handled. In the excavation for a tank, it is quite possible that the entire material may have to be re-handled and the cost thus be increased by fifteen cents a cubic yard. If the ground is very hard, as when boulders and clay are intermixed, it may require twice as much time for loosening as for shovelling, in which case the cost of digging the trench will be forty-five cents 116a cubic yard, or twenty-two and a half cents per lineal foot, with five or ten cents added if the material has to be re-handled.
If the material is a loose sand or gravel, the trench will probably require sheeting, that is, boards or planks on each side of the open trench with braces between, in order to prevent caving of the banks. If new lumber has to be purchased for this purpose and its cost added to the cost of excavation, an additional sum per cubic yard or per lineal foot will be added, somewhat in proportion to the total amount of excavation to be done. Finally, if the soil through which the trench is being dug contains water, it may be necessary to have one or two men continuously pumping during all the time that the excavation is going on, and this also will add to the cost per cubic yard or per lineal foot of the trench.
Refilling may be done by hand or may be done by a drag scraper at the end of a rope, so that the team of horses may be on one side of the trench and draw into it from the other side the excavated material. This costs only five cents per cubic yard. If the dirt is thrown back by hand, the cost will be that of shovelling, namely, about fifteen cents per cubic yard. If the dirt has to be tamped in the trench, the cost will then be that of another man, and backfilling will often add thirty cents a cubic yard to the cost of excavation.
As a summary, it may be said that excavation alone in earth may cost from fifteen cents to forty-five cents a cubic yard, and that backfilling may add to this from five to thirty cents a cubic yard, the entire cost, therefore, varying from twenty cents to seventy-five cents a cubic yard for excavation and backfilling together. Nor is it possible to be more definite in explaining the proper price to put on excavation since the character of the material and the nature of the excavation are of such importance in fixing that cost. If the excavation is for a tank, 117it is often possible to rig a derrick with a long arm on the side of the excavation and, by means of a bucket, transfer the excavated material from the hole to the bank cheaper than by repeated shovelling or by carrying out the dirt in a wheelbarrow. Wheelbarrow work is always expensive, the cost of transporting earth in a wheelbarrow a distance of fifty feet being about ten cents a cubic yard. Sometimes a horse may be used to great advantage to lift the bucket and operate the derrick in place of a hand-worked windlass, although the use of the horse is hardly worth while unless the excavation is more than ten feet deep.
The excavation for the trenches of a sub-surface irrigation system cannot be estimated on the same basis as for a larger trench. More time is required proportionally in trimming and grading the sides and bottom, so that the cost per cubic yard is much increased. Thus, while such trenches contain about one cubic foot of earth per lineal foot, and on the basis of twenty-seven cents per yard would cost only one cent per lineal foot to dig, it is probable that, under ordinary conditions, this amount would be doubled.
The cost of underdrains must be made up from the cost of the pipe used and the cost of the necessary excavation. In the bottom of artificial filter beds, the latter amounts to little or nothing. In natural filter beds, the trenches are deeper and the cost of the underdrainage depends largely on this excavation cost. The cost of the pipe varies from two to ten cents per foot, depending on the kind of pipe used and its unit cost.
Rock Excavation.—If the trench or the place for the tank is to be in rock, the cost of excavation is much increased. The rock must be drilled and blasting powder or dynamite used to loosen the material so that it can be thrown out later by hand. In ordinary rock, a man will drill from six inches to twelve inches 118of hole per hour, that is, the hole will cost from ten to twenty cents per lineal foot. The depth of the hole determines the amount of rock loosened per charge. If the holes are three feet deep, about one-third of a cubic yard is loosened per hour, while if the holes are five feet deep, one cubic yard of rock is loosened per hour. This indicates at once the economical advantage of deep holes compared with shallow ones. In the first case, nine lineal feet of hole would have to be drilled in order to get one cubic yard of rock, nearly double the amount required where the hole is five feet deep. Usually the distance between the holes is made equal to the depth of the holes, although in some rock the depth can, with advantage, be made greater than that distance. If the rock is very loose and seamy, deep holes may sometimes not be warranted, because the effect of the blasting is taken up by the loose rock in such a way that the value of the explosive is not realized. Shallower holes, more frequently blasted, utilize the explosive gases more completely.
The kind of explosive which may be used varies from slow, low-power black powder to rapid, high-power nitro-glycerine, the many forms of dynamite and high-grade powder in use being combinations of nitro-glycerine with some absorbent. In most cases, ordinary blasting powder is suitable for rock excavation in small quantity. It lifts the rock rather than shatters it, and is more convenient and safe to handle. Forty-per-cent dynamite is to be recommended where the rock is very seamy so that quick-acting explosive is essential, and also where the rock is very hard, so that black powder tends to blow out the hole rather than to shatter the rock. The cost of forty-per-cent dynamite is about twenty cents per pound, and the cost of powder is about twelve cents per pound. On the average, it may be assumed that it will require one pound of the former 119and one and a half pounds of the latter per cubic yard of ordinary rock excavated. The cost of lifting the blasted material out of the trench will be at about the same rate as that of earth.
Concrete.—The walls of tanks made of concrete depend for their cost upon the cost of the material and the cost of the labor involved. It is usually more economical to use gravel as the basis of the concrete if any is available, and in order that the product may be of good quality it is always best to screen this gravel, separating it into sand and stone. The proper size of screen for this operation should be not greater than one-half-inch mesh. The stone and sand can then be re-combined with the cement in the proportion of one part of cement to two and a half parts of sand to five parts of stone, this mixture making a very strong and impervious combination. The cost of this mixture depends chiefly on the length of haul for the gravel and on the natural grading of the material. If the proportions required for concrete exist naturally in the bank or stream bed from which the gravel is to be obtained, there is little or no waste involved in screening, and the only cost is that of handling the material twice. If, on the other hand, the amount of stone is inadequate, it may be necessary to waste a good deal of the fine sand and enough material has to be shovelled to produce the required amount of coarse media. Assuming that the cost of shovelling the material from the stream bed is fifteen cents a cubic yard, and that the haul is two miles, so that four trips a day are made, then the gravel can be delivered where it is to be converted into concrete at a cost of one dollar for hauling and thirty cents for shovelling, while if the haul is only one mile, so that eight trips a day can be made, the cost will be eighty cents per cubic yard. If any waste of gravel is necessary, these costs will be increased correspondingly.
At the site of the proposed plant the sand and gravel must 120be mixed with the cement and carried to place. It has been found by experience when the mixing is done thoroughly and by hand, and when the resulting concrete can be shovelled directly behind the forms, that the cost of the mixing and placing is about one dollar per cubic yard of concrete. If the concrete has to be wheeled into place this cost will be added to.
In order to make a cubic yard of concrete, it is necessary to have nearly one cubic yard of the coarse material, whether this be rounded stones from a gravel bank or angular stones from a stone-crusher. Seven-eighths of a cubic yard of stone may be safely considered as necessary for a cubic yard of concrete. To this must be added three-eighths of a cubic yard of sand for a one to two and a half to five mixture. When this amount of stone and sand have been thoroughly mixed together, four and a half bags of cement should be added. Inasmuch as the variation in sizes of the individual particles of rounded gravel is such that a dense concrete results naturally, it is quite reasonable both to increase the amount of stone and decrease the amount of cement if that variation in size seems to be one which will produce a dense mixture. Thus one cubic yard of stone, one-third cubic yard of sand, and four bags of cement may be used and will, under favorable conditions, result in a good concrete. In order to determine whether this latter combination is permissible on any particular piece of work, a test may be made by thoroughly mixing the materials together in the proportions named and testing the volume of this mixture (B) in a box of measured dimensions. Then the same volumes mixed together in the former proportions (mixture A), and tested in the same box will show the relative value by occupying either more or less space than the other mixture (B). If less, mixture A is a better one, and should be used; if more, then the latter mixture, B, is the better one.
121The amount of water required for mixing concrete depends upon the temperature of the outside air as well as upon the personal ideas of the person in charge of the mixing. Some builders like wet concrete and some like dry concrete. It should be noticed, however, that wet concrete is cheaper because it requires little or no tamping. Wet concrete, however, should be spaded, that is, a spade forced down into the mixture, particularly against the forms, so that particles of air caught between the stones may escape, and so that there may be no pockets between the stones into which the liquid cement mixture does not penetrate. It is generally considered that about fifteen per cent of the volume of concrete is the necessary volume of water for the mixture. This amounts to thirty gallons, or a barrel of water, to a yard of concrete, although the sizes of barrels vary, and a cement barrel would not be large enough, and a road-oil barrel would be too large.
The cost of forms depends, again, on the cost of material and on the cost of labor. Rough lumber varies in price from twenty to forty dollars a thousand feet, board measure, delivered on the grounds, and the cost of framing and placing it varies from eight to twenty dollars per thousand, depending on the skill of the carpenters and on their daily wages. In order to estimate the cost of the lumber required for building false work, it is best to determine exactly the amount of lumber required, and get the price from a lumber yard on that quantity. Ordinarily, it is safe to say that a carpenter in building forms will be able to saw and nail in place 250 board feet per day, so that, knowing the amount of lumber to be used and the wages of the carpenter, it will be easy to determine the cost of the forms as first set up. They may be taken down and removed for the purpose of re-assembling in another place for about half the cost of placing originally, and by carefully arranging to build the 122forms in panels or sections, they may be removed by a carpenter at the rate of 4,000 or 5,000 board feet per day.
Valves.—In connection with a sewage-disposal plant, valves are essential at many points. At the entrance to the several parts of the settling tank, flap valves are suitable to admit or keep out sewage from the several compartments. Gate valves are used on the by-pass lines and on connecting lines between the tank and the filter beds in order to be of service when it is occasionally necessary to clean the beds. More simple valves may be used in manholes where a diversion of the flow is required and where perfect and complete water-tightness is not essential. These valves may be made of plank, sliding up and down in grooves left in the concrete walls for that purpose. Sludge valves may be made to fit in the bottom of the tank, and depend for their water-tightness on the weight of the valve itself with the aid of a rubber packing which is placed between the valve and its setting. The cost of these various kinds of valves cannot be given exactly, since their cost depends upon freight and profit of the various commission men through whom the valves are ordered, but, generally speaking, they will be found to differ but little from the costs given in the following table:
| TABLE | |
|---|---|
| Flap valve as shown in Fig. 16 | $5.00 |
| Gate valve (iron bearings) for 6–inch pipe (Fig. 13) | 20.00 |
| Gate valve (bronze bearings) for 6–inch pipe | 30.00 |
| Sludge valve as shown in Fig. 10 | 4.00 |
| Iron slide valve as shown in Fig. 11 | 15.00 |
Dosing Devices.—Dosing devices referred to in Chapter III are usually purchased directly from the manufacturer, and while their cost varies a little, depending upon the cost of freight, an ordinary single automatic siphon may be estimated at $15, the difference in price varying a little with the different makes 123of siphon. If an alternate discharge is required, then two siphons must be installed, by means of which alternate intermittency is secured, the variation, however, being only from one to the other and back again to the first. If a plural alternate discharge is to be used, the cost may be estimated roughly for a 6–inch siphon at from $50 to $75 for each unit, this price including the necessary piping but not the cost of setting.
Filling Material.—Artificial sand filters require a sand of uniform size and one free from dirt. These two requirements add very materially to the cost of sand, since it is almost impossible to find a natural sand which fulfils the necessary requirements. A few sections of the country are fortunate in having sand in the vicinity suitable for filtration purposes without any washing or screening. Such parts of the country, however, are limited to those where sand has been deposited by glacial action, and is essentially silicious in character. It is hopeless to expect to find suitable sand in the centre of New York State, for example, and even with washing and screening, sand in this locality is far from being desirable. It will be found, further, that after this undesirable sand is washed and screened the cost of the final product is so great that it is usually cheaper to use broken stone either as a filter or as a contact bed.
Washing sand in small quantities is done by throwing the sand into a channel through which water is passing, the sand being retained by a series of low partitions in the channel. If the water enters the box or channel through a pipe at the bottom, frequent entrance holes being provided along the sides and bottom of this pipe, the sand is kept in a state of suspension, the dirt more readily washed out, and a much smaller amount of water used. The cost of shovelling the sand into the washer and again out of the washer, about thirty cents per cubic yard, must be added to the original cost of the sand. The cost of 124water, if pumped by hand or by steam, will be about ten cents per cubic yard of sand cleaned, making the total cost about forty cents per cubic yard. If only three-fourths of the unwashed sand is available for use, then the cost of the final product is a little less than fifty cents per cubic yard. The sand before being brought to the washer will have been sifted at an additional cost of perhaps thirty cents per cubic yard. Hauling from the bank to the washer, or from the washer to the site of the disposal works, or both, if the water supply requires the washer to be placed at some distance from the sand bank, will add from fifty cents to one dollar a yard to the costs already indicated. It may generally be assumed that it will be impossible to put sand into an artificial filter for less than $1.50 a cubic yard, and it may easily cost $2.50 a yard if the sand bank is at considerable distance from the site of the works.
Broken stone in most parts of the country can now be bought from a stone-crushing plant. If road construction has been in progress in the vicinity, the contractor for the work has been obliged to open a quarry and set up a crushing-and-screening plant, and it will generally be possible to buy broken stone from such a contractor at about fifty cents per cubic yard. The cost of hauling and the cost of shovelling into the beds must be added to determine the cost of the stone in place. Sometimes it is cheaper to bring the stone from a distance by rail, such stone costing about $1.25 at the railroad station. Then the cost of hauling and shovelling must be added. It will be noticed that the cost of stone does not differ materially from the cost of sand, and since the amount of stone needed is only about one-quarter of the sand needed, it is generally cheaper to build a stone bed. The purification, it will be remembered, however, is decidedly inferior.
Finishing.—There is always some slight expense necessary in 125finishing and cleaning up after any piece of construction work. Material left over has to be hauled away, and in order to leave the plant in an attractive dress, seeding or sodding the earth slopes is desirable. It is even desirable to plant shrubbery around the edges of the beds, partly as a screen and partly to minimize the offensive suggestions which seem to be inseparable from any plant dealing with sewage. The cost of these final improvements may be as little or as much as the owner and builder chooses, but it is urged that their value should not be overlooked.
The following table is given as a guide and help in putting together the various items that make up the total cost of a sewage-disposal plant. Each line should be carefully considered, and if the item mentioned is to be used or paid for, the amount in the last column should be filled out.
| TABLE OF ITEMS ON WHICH TO BASE ESTIMATE OF COST OF SEWAGE-DISPOSAL PLANT | ||||
|---|---|---|---|---|
| No. of Units | Cost | |||
| Excavation and Refilling | ||||
| Trenches in sandy soil, shallow depth | at | per cu. yd. | ||
| Trenches in stiff soil, shallow depth | at | per cu. yd. | ||
| Trenches in sandy soil, deep cut | at | per cu. yd. | ||
| Trenches in stiff soil, deep cut | at | per cu. yd. | ||
| Tank, depth and soil duly considered | at | per cu. yd. | ||
| Beds, depth and soil duly considered | at | per cu. yd. | ||
| Embankments between filter beds (additional cost) | at | per cu. yd. | ||
| Trenches for sub-surface lines | at | per lin. ft. | ||
| Trenches for underdrains | at | per lin. ft. | ||
| Trenches for sludge disposal | at | per lin. ft. | ||
| Surfacing and Finishing | ||||
| Surface soil placed | at | per sq. yd. | ||
| Gravel in walks | at | per sq. yd. | ||
| Flowers and shrubbery | Total amount | |||
| 126 | ||||
| Concrete Work | ||||
| Manholes on pipe lines | at | each | ||
| Settling tank, bottom, sides and roof | at | per cu.yd. | ||
| Dosing tank, in addition to settling tank | at | per cu. yd. | ||
| Manholes on sub-surface lines | at | per cu. yd. | ||
| Concrete in contact beds or filters | at | per cu. yd. | ||
| Concrete in protection wall at end of outfall | at | per cu. yd. | ||
| Pipe Lines | ||||
| 5– or 6–inch tile pipe (laid), house to disposal plant | at | per lin. ft. | ||
| 6–inch pipe used in disposal plant, laid | at | per lin. ft. | ||
| 6–inch pipe from plant to outfall | at | per lin. ft. | ||
| 6–inch pipe for sludge line | at | per lin. ft. | ||
| 6–inch pipe for main underdrain | at | per lin. ft. | ||
| 3–inch agricultural tile in sub-surface disposal | at | per lin. ft. | ||
| 4–inch agricultural tile in underdrains | at | per lin. ft. | ||
| 6–inch specials, bends, tees, etc., in addition to cost of straight pipe | at | each | ||
| 3–inch specials, bends, tees, etc., in addition to cost of straight pipe | at | each | ||
| Cast-iron pipe | at | per lb. | ||
| Cast-iron specials, bends, etc. | at | per lb. | ||
| Wooden troughs for surface distribution, in place | at | per 1000 ft. B.M. | ||
| Filter Material | ||||
| Gravel filling around sub-surface tile, placed | at | per cu. yd. | ||
| Sand filling for artificial filter beds | at | per cu. yd. | ||
| Broken stone for contact beds or for filters | at | per cu. yd. | ||
| Broken stone for sludge beds | at | per cu. yd. | ||
| Valves | ||||
| Gate valves, Fig. 13 | at | each | ||
| Flap valves, Fig. 16 | at | each | ||
| Slide valves, Fig. 11 | at | each | ||
| Wooden slide valves | at | each | ||
| Sludge valves, Fig. 10 | at | each | ||
| Tools | ||||
| Shovels, long or short handled | at | each | ||
| Picks | at | each | ||
| Wheelbarrows, wooden or steel | at | each | ||
| Sieves for screening sand and gravel | at | each | ||
| Saws, hammers, and axes | Total amount | |||
| 127 | ||||
| Lumber | ||||
| For sheeting and bracing; rough lumber | at | per 1000 ft. B.M. | ||
| For forms for concrete work, sized | at | per 1000 ft. B.M. | ||
| For runways, staging and mixing boards, plank | at | per 1000 ft. B.M. | ||
| Hardware | ||||
| Nails for forms, staging, etc. | at | per 100 lbs. | ||
| Bolts or wire for concrete forms | at | per lb. | ||
| Iron Work | ||||
| Manhole frames and covers | at | per lb. | ||
| Steps for manholes | at | per lb. | ||
| Siphons | ||||
| Flushing siphons for dosing tank | at | complete | ||
| Timed siphons for emptying contact beds | at | complete | ||
| ————— | ————— | |||
| Total | ||||
Cost of Maintenance.—As to the cost of maintenance, very little that is definite can be said. Sub-surface irrigation plants should require no expenditure except for the occasional cleaning of the sedimentation tank. If this is emptied three times a year, the labor needed would amount to about a half-day’s time on each occasion for a family of ordinary size. For sand filters, either natural or artificial, the tank must be emptied as with sub-surface irrigation, and, in addition, the surface must be scraped occasionally, and at the approach of winter furrows must be dug. Perhaps two days’ time would be all that would be needed for a plant dealing with the sewage of a single family. A broken-stone bed requires no attention for seven or eight years, and then the stone has to be shovelled out, washed, and replaced.
128In none of the installations is this excessive in comparison with the benefits received, and it should not be considered a burden to expend this amount of time in maintaining so important a part of the household economy as the disposal of the household wastes in a sanitary manner. It must not be forgotten, however, that no sewage-disposal plant is exempt from occasional break-down or accidents, and that there must be a constant supervision exercised. This supervision should not require much more time than above suggested, but should be exercised for the purpose of correcting irregular flows or distribution before the value of the plant is utterly destroyed.
| Short-title Catalogue | ||||
|---|---|---|---|---|
| OF THE | ||||
| PUBLICATIONS | ||||
| OF | ||||
| JOHN WILEY & SONS | ||||
| New York | ||||
| London: CHAPMAN & HALL, Limited | ||||
| ARRANGED UNDER SUBJECTS | ||||
| Descriptive circulars sent on application. Books marked with an asterisk (*) are sold at net prices only. All books are bound in cloth unless otherwise stated. | ||||
| AGRICULTURE—HORTICULTURE—FORESTRY. | ||||
| Armsby’s Principles of Animal Nutrition | 8vo, | $4 00 | ||
| * Bowman’s Forest Physiography | 8vo, | 5 00 | ||
| Budd and Hansen’s American Horticultural Manual: | ||||
| Part I. Propagation, Culture, and Improvement | 12mo, | 1 50 | ||
| Part II. Systematic Pomology | 12mo, | 1 50 | ||
| Elliott’s Engineering for Land Drainage | 12mo, | 2 00 | ||
| Practical Farm Drainage. (Second Edition, Rewritten) | 12mo, | 1 50 | ||
| Fuller’s Water Supplies for the Farm. (In Press.) | ||||
| Graves’s Forest Mensuration | 8vo, | 4 00 | ||
| * Principles of Handling Woodlands | Large 12mo, | 1 50 | ||
| Green’s Principles of American Forestry | 12mo, | 1 50 | ||
| Grotenfelt’s Principles of Modern Dairy Practice. (Woll.) | 12mo, | 2 00 | ||
| Hawley and Hawes’s Practical Forestry for New England. (In Press.) | ||||
| * Herrick’s Denatured or Industrial Alcohol | 8vo, | 4 00 | ||
| * Kemp and Waugh’s Landscape Gardening. (New Edition, Rewritten.) | 12mo, | 1 50 | ||
| * McKay and Larsen’s Principles and Practice of Butter-making | 8vo, | 1 50 | ||
| Maynard’s Landscape Gardening as Applied to Home Decoration | 12mo, | 1 50 | ||
| Record’s Identification of the Economic Woods of the United States (In Press.) | ||||
| Sanderson’s Insects Injurious to Staple Crops | 12mo, | 1 50 | ||
| * Insect Pests of Farm, Garden, and Orchard | 12mo, | 3 00 | ||
| * Schwarz’s Longleaf Pine in Virgin Forest | 12mo, | 1 25 | ||
| * Solotaroff’s Field Book for Street-tree Mapping | 12mo, | 0 75 | ||
| In lots of one dozen | 8 00 | |||
| * Shade Trees in Towns and Cities | 8vo, | 3 00 | ||
| Stockbridge’s Rocks and Soils | 8vo, | 2 50 | ||
| Winton’s Microscopy of Vegetable Foods | 8vo, | 7 50 | ||
| Woll’s Handbook for Farmers and Dairymen | 16mo, | 1 50 | ||
| ARCHITECTURE. | ||||
| * Atkinson’s Orientation of Buildings or Planning for Sunlight | 8vo, | 2 00 | ||
| Baldwin’s Steam Heating for Buildings | 12mo, | 2 50 | ||
| Berg’s Buildings and Structures of American Railroads | 4to, | 5 00 | ||
| Birkmire’s Architectural Iron and Steel | 8vo, | 3 50 | ||
| Compound Riveted Girders as Applied in Buildings | 8vo, | 2 00 | ||
| Planning and Construction of High Office Buildings | 8vo, | 3 50 | ||
| Skeleton Construction in Buildings | 8vo, | 3 00 | ||
| Briggs’s Modern American School Buildings | 8vo, | 4 00 | ||
| Byrne’s Inspection of Materials and Workmanship Employed in Construction. | 16mo, | 3 00 | ||
| Carpenter’s Heating and Ventilating of Buildings | 8vo, | 4 00 | ||
| * Corthell’s Allowable Pressure on Deep Foundations | 12mo, | 1 25 | ||
| * Eckel’s Building Stones and Clays | 8vo, | 3 00 | ||
| Freitag’s Architectural Engineering | 8vo, | 3 50 | ||
| Fire Prevention and Fire Protection. (In Press.) | ||||
| Fireproofing of Steel Buildings | 8vo, | 2 50 | ||
| Gerhard’s Guide to Sanitary Inspections. (Fourth Edition, Entirely Revised and Enlarged.) | 12mo, | 1 50 | ||
| * Modern Baths and Bath Houses | 8vo, | 3 00 | ||
| Sanitation of Public Buildings | 12mo, | 1 50 | ||
| Theatre Fires and Panics | 12mo, | 1 50 | ||
| * The Water Supply, Sewerage and Plumbing of Modern City Buildings, | 8vo, | 4 00 | ||
| Johnson’s Statics by Algebraic and Graphic Methods | 8vo, | 2 00 | ||
| Kellaway’s How to Lay Out Suburban Home Grounds | 8vo, | 2 00 | ||
| Kidder’s Architects’ and Builders’ Pocket-book | 16mo, mor. | 5 00 | ||
| Merrill’s Stones for Building and Decoration | 8vo, | 5 00 | ||
| Monckton’s Stair-building | 4to, | 4 00 | ||
| Patton’s Practical Treatise on Foundations | 8vo, | 5 00 | ||
| Peabody’s Naval Architecture | 8vo, | 7 50 | ||
| Rice’s Concrete-block Manufacture | 8vo, | 2 00 | ||
| Richey’s Handbook for Superintendents of Construction | 16mo, mor. | 4 00 | ||
| Building Foreman’s Pocket Book and Ready Reference | 16mo, mor. | 5 00 | ||
| * Building Mechanics’ Ready Reference Series: | ||||
| * Carpenters’ and Woodworkers’ Edition | 16mo, mor. | 1 50 | ||
| * Cement Workers’ and Plasterers’ Edition | 16mo, mor. | 1 50 | ||
| * Plumbers’, Steam-Fitters’, and Tinners’ Edition | 16mo, mor. | 1 50 | ||
| * Stone-and Brick-masons’ Edition | 16mo, mor. | 1 50 | ||
| Sabin’s House Painting | 12mo, | 1 00 | ||
| Siebert and Biggin’s Modern Stone-cutting and Masonry | 8vo, | 1 50 | ||
| Snow’s Principal Species of Wood | 8vo, | 3 50 | ||
| Wait’s Engineering and Architectural Jurisprudence | 8vo, | 6 00 | ||
| Sheep, | 6 50 | |||
| Law of Contracts | 8vo, | 3 00 | ||
| Law of Operations Preliminary to Construction in Engineering and Architecture | 8vo, | 5 00 | ||
| Sheep, | 5 50 | |||
| Wilson’s Air Conditioning | 12mo, | 1 50 | ||
| Worcester and Atkinson’s Small Hospitals, Establishment and Maintenance, Suggestions for Hospital Architecture, with Plans for a Small Hospital | 12mo, | 1 25 | ||
| ARMY AND NAVY. | ||||
| Bernadou’s Smokeless Powder, Nitro-cellulose, and the Theory of the Cellulose Molecule | 12mo, | 2 50 | ||
| Chase’s Art of Pattern Making | 12mo, | 2 50 | ||
| Screw Propellers and Marine Propulsion | 8vo, | 3 00 | ||
| * Cloke’s Enlisted Specialists’ Examiner | 8vo, | 2 00 | ||
| * Gunner’s Examiner | 8vo, | 1 50 | ||
| Craig’s Azimuth | 4to, | 3 50 | ||
| Crehore and Squier’s Polarizing Photo-chronograph | 8vo, | 3 00 | ||
| * Davis’s Elements of Law | 8vo, | 2 50 | ||
| * Treatise on the Military Law of United States | 8vo, | 7 00 | ||
| * Dudley’s Military Law and the Procedure of Courts-martial | Large 12mo, | 2 50 | ||
| Durand’s Resistance and Propulsion of Ships | 8vo, | 5 00 | ||
| * Dyer’s Handbook of Light Artillery | 12mo, | 3 00 | ||
| Eissler’s Modern High Explosives | 8vo, | 4 00 | ||
| * Fiebeger’s Text-book on Field Fortification | Large 12mo, | 2 00 | ||
| Hamilton and Bond’s The Gunner’s Catechism | 18mo, | 1 00 | ||
| * Hoff’s Elementary Naval Tactics | 8vo, | 1 60 | ||
| Ingalls’s Handbook of Problems in Direct Fire | 8vo, | 4 00 | ||
| * Interior Ballistics | 8vo, | 3 00 | ||
| * Lissak’s Ordnance and Gunnery | 8vo, | 6 00 | ||
| * Ludlow’s Logarithmic and Trigonometric Tables | 8vo, | 1 00 | ||
| * Lyons’s Treatise on Electromagnetic Phenomena. Vols. I. and II. | 8vo, each, | 6 00 | ||
| * Mahan’s Permanent Fortifications. (Mercur.) | 8vo, half mor. | 7 50 | ||
| Manual for Courts-martial | 16mo, mor. | 1 50 | ||
| * Mercur’s Attack of Fortified Places | 12mo, | 2 00 | ||
| * Elements of the Art of War | 8vo, | 4 00 | ||
| Nixon’s Adjutants’ Manual | 24mo, | 1 00 | ||
| Peabody’s Naval Architecture | 8vo, | 7 50 | ||
| * Phelps’s Practical Marine Surveying | 8vo, | 2 50 | ||
| Putnam’s Nautical Charts | 8vo, | 2 00 | ||
| Rust’s Ex-meridian Altitude, Azimuth and Star-Finding Tables | 8vo, | 5 00 | ||
| * Selkir’s Catechism of Manual of Guard Duty | 24mo, | 0 50 | ||
| Sharpe’s Art of Subsisting Armies in War | 18mo, mor. | 1 50 | ||
| * Taylor’s Speed and Power of Ships. 2 vols. | Text 8vo, plates oblong 4to, | 7 50 | ||
| * Tupes and Poole’s Manual of Bayonet Exercises and Musketry Fencing. | 24mo, leather, | 0 50 | ||
| * Weaver’s Military Explosives | 8vo, | 3 00 | ||
| * Woodhull’s Military Hygiene for Officers of the Line | Large 12mo, | 1 50 | ||
| ASSAYING. | ||||
| Betts’s Lead Refining by Electrolysis | 8vo, | 4 00 | ||
| * Butler’s Handbook of Blowpipe Analysis | 16mo, | 0 75 | ||
| Fletcher’s Practical Instructions in Quantitative Assaying with the Blowpipe | 16mo, mor. | 1 50 | ||
| Furman and Pardoe’s Manual of Practical Assaying | 8vo, | 3 00 | ||
| Lodge’s Notes on Assaying and Metallurgical Laboratory Experiments | 8vo, | 3 00 | ||
| Low’s Technical Methods of Ore Analysis | 8vo, | 3 00 | ||
| Miller’s Cyanide Process | 12mo, | 1 00 | ||
| Manual of Assaying | 12mo, | 1 00 | ||
| Minet’s Production of Aluminum and its Industrial Use. (Waldo.) | 12mo, | 2 50 | ||
| Ricketts and Miller’s Notes on Assaying | 8vo, | 3 00 | ||
| Robine and Lenglen’s Cyanide Industry. (Le Clerc.) | 8vo, | 4 00 | ||
| * Seamon’s Manual for Assayers and Chemists | Large 12mo, | 2 50 | ||
| Ulke’s Modern Electrolytic Copper Refining | 8vo, | 3 00 | ||
| Wilson’s Chlorination Process | 12mo, | 1 50 | ||
| Cyanide Processes | 12mo, | 1 50 | ||
| ASTRONOMY. | ||||
| Comstock’s Field Astronomy for Engineers | 8vo, | 2 50 | ||
| Craig’s Azimuth | 4to, | 3 50 | ||
| Crandall’s Text-book on Geodesy and Least Squares | 8vo, | 3 00 | ||
| Doolittle’s Treatise on Practical Astronomy | 8vo, | 4 00 | ||
| Hayford’s Text-book of Geodetic Astronomy | 8vo, | 3 00 | ||
| Hosmer’s Azimuth | 16mo, mor. | 1 00 | ||
| * Text-book on Practical Astronomy | 8vo, | 2 00 | ||
| Merriman’s Elements of Precise Surveying and Geodesy | 8vo, | 2 50 | ||
| * Michie and Harlow’s Practical Astronomy | 8vo, | 3 00 | ||
| Rust’s Ex-meridian Altitude, Azimuth and Star-Finding Tables | 8vo, | 5 00 | ||
| * White’s Elements of Theoretical and Descriptive Astronomy | 12mo, | 2 00 | ||
| CHEMISTRY. | ||||
| * Abderhalden’s Physiological Chemistry in Thirty Lectures. (Hall and Defren.) | 8vo, | 5 00 | ||
| * Abegg’s Theory of Electrolytic Dissociation, (von Ende.) | 12mo, | 1 25 | ||
| Alexeyeff’s General Principles of Organic Syntheses. (Matthews.) | 8vo, | 3 00 | ||
| Allen’s Tables for Iron Analysis | 8vo, | 3 00 | ||
| Armsby’s Principles of Animal Nutrition | 8vo, | 4 00 | ||
| Arnold’s Compendium of Chemistry. (Mandel.) | Large 12mo, | 3 50 | ||
| Association of State and National Food and Dairy Departments, Hartford Meeting, 1906 | 8vo, | 3 00 | ||
| Jamestown Meeting, 1907 | 8vo, | 3 00 | ||
| Austen’s Notes for Chemical Students | 12mo, | 1 50 | ||
| Bernadou’s Smokeless Powder.—Nitro-cellulose, and Theory of the Cellulose Molecule | 12mo, | 2 50 | ||
| * Biltz’s Introduction to Inorganic Chemistry. (Hall and Phelan.) | 12mo, | 1 25 | ||
| Laboratory Methods of Inorganic Chemistry. (Hall and Blanchard.) | 8vo, | 3 00 | ||
| * Bingham and White’s Laboratory Manual of Inorganic Chemistry | 12mo, | 1 00 | ||
| * Blanchard’s Synthetic Inorganic Chemistry | 12mo, | 1 00 | ||
| * Bottler’s German and American Varnish Making. (Sabin.) | Large 12mo, | 3 50 | ||
| Browne’s Handbook of Sugar Analysis. (In Press.) | ||||
| * Browning’s Introduction to the Rarer Elements | 8vo, | 1 50 | ||
| * Butler’s Handbook of Blowpipe Analysis | 16mo, | 0 75 | ||
| * Claassen’s Beet-sugar Manufacture. (Hall and Rolfe.) | 8vo, | 3 00 | ||
| Classen’s Quantitative Chemical Analysis by Electrolysis. (Boltwood.) | 8vo, | 3 00 | ||
| Cohn’s Indicators and Test-papers | 12mo, | 2 00 | ||
| Tests and Reagents | 8vo, | 3 00 | ||
| Cohnheim’s Functions of Enzymes and Ferments. (In Press.) | ||||
| * Danneel’s Electrochemistry. (Merriam.) | 12mo, | 1 25 | ||
| Dannerth’s Methods of Textile Chemistry | 12mo, | 2 00 | ||
| Duhem’s Thermodynamics and Chemistry. (Burgess.) | 8vo, | 4 00 | ||
| Effront’s Enzymes and their Applications. (Prescott.) | 8vo, | 3 00 | ||
| Eissler’s Modern High Explosives | 8vo, | 4 00 | ||
| * Fischer’s Oedema | 8vo, | 2 00 | ||
| * Physiology of Alimentation | Large 12mo, | 2 00 | ||
| Fletcher’s Practical Instructions in Quantitative Assaying with the Blowpipe | 16mo, mor. | 1 50 | ||
| Fowler’s Sewage Works Analyses | 12mo, | 2 00 | ||
| Fresenius’s Manual of Qualitative Chemical Analysis. (Wells.) | 8vo, | 5 00 | ||
| Manual of Qualitative Chemical Analysis. Part I. Descriptive. (Wells.) | 8vo, | 3 00 | ||
| Quantitative Chemical Analysis. (Cohn.) 2 vols. | 8vo, | 12 50 | ||
| When Sold Separately, Vol. I, 6. Vol. II, 8. | ||||
| Fuertes’s Water and Public Health | 12mo, | 1 50 | ||
| Furman and Pardoe’s Manual of Practical Assaying | 8vo, | 3 00 | ||
| * Getman’s Exercises in Physical Chemistry | 12mo, | 2 00 | ||
| Gill’s Gas and Fuel Analysis for Engineers | 12mo, | 1 25 | ||
| Gooch’s Summary of Methods in Chemical Analysis. (In Press.) | ||||
| * Gooch and Browning’s Outlines of Qualitative Chemical Analysis | Large 12mo, | 1 25 | ||
| Grotenfelt’s Principles of Modern Dairy Practice. (Woll.) | 12mo, | 2 00 | ||
| Groth’s Introduction to Chemical Crystallography (Marshall.) | 12mo, | 1 25 | ||
| * Hammarsten’s Text-book of Physiological Chemistry. (Mandel.) | 8vo, | 4 00 | ||
| Hanausek’s Microscopy of Technical Products. (Winton.) | 8vo, | 5 00 | ||
| * Haskins and Macleod’s Organic Chemistry | 12mo, | 2 00 | ||
| * Herrick’s Denatured or Industrial Alcohol | 8vo, | 4 00 | ||
| Hinds’s Inorganic Chemistry | 8vo, | 3 00 | ||
| * Laboratory Manual for Students | 12mo, | 1 00 | ||
| * Holleman’s Laboratory Manual of Organic Chemistry for Beginners. (Walker.) | 12mo, | 1 00 | ||
| Text-book of Inorganic Chemistry. (Cooper.) | 8vo, | 2 50 | ||
| Text-book of Organic Chemistry. (Walker and Mott.) | 8vo, | 2 50 | ||
| Holley’s Analysis of Paint and Varnish Products. (In Press.) | ||||
| * Lead and Zinc Pigments | Large 12mo, | 3 00 | ||
| Hopkins’s Oil-chemists’ Handbook | 8vo, | 3 00 | ||
| Jackson’s Directions for Laboratory Work in Physiological Chemistry | 8vo, | 1 25 | ||
| Johnson’s Rapid Methods for the Chemical Analysis of Special Steels, Steelmaking Alloys and Graphite | Large 12mo, | 3 00 | ||
| Landauer’s Spectrum Analysis. (Tingle.) | 8vo, | 3 00 | ||
| Lassar-Cohn’s Application of Some General Reactions to Investigations in Organic Chemistry. (Tingle.) | 12mo, | 1 00 | ||
| Leach’s Inspection and Analysis of Food with Special Reference to State Control | 8vo, | 7 50 | ||
| Lob’s Electrochemistry of Organic Compounds. (Lorenz.) | 8vo, | 3 00 | ||
| Lodge’s Notes on Assaying and Metallurgical Laboratory Experiments | 8vo, | 3 00 | ||
| Low’s Technical Method of Ore Analysis | 8vo, | 3 00 | ||
| Lowe’s Paint for Steel Structures | 12mo, | 1 00 | ||
| Lunge’s Techno-chemical Analysis. (Cohn.) | 12mo, | 1 00 | ||
| * McKay and Larsen’s Principles and Practice of Butter-making | 8vo, | 1 60 | ||
| Maire’s Modern Pigments and their Vehicles | 12mo, | 2 00 | ||
| Mandel’s Handbook for Bio-chemical Laboratory | 12mo, | 1 60 | ||
| * Martin’s Laboratory Guide to Qualitative Analysis with the Blowpipe | 12mo, | 0 60 | ||
| Mason’s Examination of Water. (Chemical and Bacteriological.) | 12mo, | 1 25 | ||
| Water-supply. (Considered Principally from a Sanitary Standpoint.) | 8vo, | 4 00 | ||
| * Mathewson’s First Principles of Chemical Theory | 8vo, | 1 00 | ||
| Matthews’s Laboratory Manual of Dyeing and Textile Chemistry | 8vo, | 3 50 | ||
| Textile Fibres. 2d Edition, Rewritten | 8vo, | 4 00 | ||
| * Meyer’s Determination of Radicles in Carbon Compounds. (Tingle.) Third Edition | 12mo, | 1 25 | ||
| Miller’s Cyanide Process | 12mo, | 1 00 | ||
| Manual of Assaying | 12mo, | 1 00 | ||
| Minet’s Production of Aluminum and its Industrial Use. (Waldo.) | 12mo, | 2 50 | ||
| * Mittelstaedt’s Technical Calculations for Sugar Works. (Bourbakis.) | 12mo, | 1 50 | ||
| Mixter’s Elementary Text-book of Chemistry | 12mo, | 1 50 | ||
| Morgan’s Elements of Physical Chemistry | 12mo, | 3 00 | ||
| * Physical Chemistry for Electrical Engineers | 12mo, | 1 50 | ||
| * Moore’s Experiments in Organic Chemistry | 12mo, | 0 50 | ||
| * Outlines of Organic Chemistry | 12mo, | 1 50 | ||
| Morse’s Calculations used in Cane-sugar Factories | 16mo, mor. | 1 50 | ||
| * Muir’s History of Chemical Theories and Laws | 8vo, | 4 00 | ||
| Mulliken’s General Method for the Identification of Pure Organic Compounds | ||||
| Vol. I. Compounds of Carbon with Hydrogen and Oxygen | Large 8vo, | 5 00 | ||
| Vol. II. Nitrogenous Compounds. (In Preparation.) | ||||
| Vol. III. The Commercial Dyestuffs | Large 8vo, | 5 00 | ||
| * Nelson’s Analysis of Drugs and Medicines | 12mo, | 5 00 | ||
| Ostwald’s Conversations on Chemistry. Part One. (Ramsey.) | 12mo, | 1 50 | ||
| Ostwald’s Conversations on Chemistry. Part Two. (Turnbull.) | 12mo, | 2 00 | ||
| * Introduction to Chemistry. (Hall and Williams.) | Large 12mo, | 1 50 | ||
| Owen and Standage’s Dyeing and Cleaning of Textile Fabrics | 12mo, | 2 00 | ||
| * Palmer’s Practical Test Book of Chemistry | 12mo, | 1 00 | ||
| * Pauli’s Physical Chemistry in the Service of Medicine. (Fischer.) | 12mo, | 1 25 | ||
| Penfield’s Tables of Minerals, Including the Use of Minerals and Statistics of Domestic Production | 8vo, | 1 00 | ||
| Pictet’s Alkaloids and their Chemical Constitution. (Biddle.) | 8vo, | 5 00 | ||
| Poole’s Calorific Power of Fuels | 8vo, | 3 00 | ||
| Prescott and Winslow’s Elements of Water Bacteriology, with Special Reference to Sanitary Water Analysis | 12mo, | 1 50 | ||
| * Reisig’s Guide to Piece-Dyeing | 8vo, | 25 00 | ||
| Richards and Woodman’s Air, Water, and Food from a Sanitary Standpoint | 8vo, | 2 00 | ||
| Ricketts and Miller’s Notes on Assaying | 8vo, | 3 00 | ||
| Rideal’s Disinfection and the Preservation of Food | 8vo, | 4 00 | ||
| Riggs’s Elementary Manual for the Chemical Laboratory | 8vo, | 1 25 | ||
| Robine and Lenglen’s Cyanide Industry. (Le Clerc.) | 8vo, | 4 00 | ||
| Ruddiman’s Incompatibilities in Prescriptions | 8vo, | 2 00 | ||
| Whys in Pharmacy | 12mo, | 1 00 | ||
| * Ruer’s Elements of Metallography. (Mathewson.) | 8vo, | 3 00 | ||
| Sabin’s Industrial and Artistic Technology of Paint and Varnish | 8vo, | 3 00 | ||
| Salkowski’s Physiological and Pathological Chemistry. (Orndorff.) | 8vo, | 2 50 | ||
| * Schimpf’s Essentials of Volumetric Analysis | Large 12mo, | 1 50 | ||
| Manual of Volumetric Analysis. (Fifth Edition, Rewritten) | 8vo, | 5 00 | ||
| * Qualitative Chemical Analysis | 8vo, | 1 25 | ||
| * Seamon’s Manual for Assayers and Chemists | Large 12mo, | 2 50 | ||
| Smith’s Lecture Notes on Chemistry for Dental Students | 8vo, | 2 50 | ||
| Spencer’s Handbook for Cane Sugar Manufacturers | 16mo, mor. | 3 00 | ||
| Handbook for Chemists of Beet-sugar Houses | 16mo, mor. | 3 00 | ||
| Stockbridge’s Rocks and Soils | 8vo, | 2 50 | ||
| Stone’s Practical Testing of Gas and Gas Meters | 8vo, | 3 50 | ||
| * Tillman’s Descriptive General Chemistry | 8vo, | 3 00 | ||
| * Elementary Lessons in Heat | 8vo, | 1 50 | ||
| Treadwell’s Qualitative Analysis. (Hall.) | 8vo, | 3 00 | ||
| Quantitative Analysis, (Hall.) | 8vo, | 4 00 | ||
| Turneaure and Russell’s Public Water-supples | 8vo, | 5 00 | ||
| Van Deventer’s Physical Chemistry for Beginners. (Boltwood.) | 12mo, | 1 50 | ||
| Venable’s Methods and Devices for Bacterial Treatment of Sewage | 8vo, | 3 00 | ||
| Ward and Whipple’s Freshwater Biology. (In Press.) | ||||
| Ware’s Beet-sugar Manufacture and Refining. Vol. I. | 8vo, | 4 00 | ||
| Ware’s Beet-sugar Manufacture and Refining. Vol. II. | 8vo, | 5 00 | ||
| Washington’s Manual of the Chemical Analysis of Rocks | 8vo, | 2 00 | ||
| * Weaver’s Military Explosives | 8vo, | 3 00 | ||
| Wells’s Laboratory Guide in Qualitative Chemical Analysis | 8vo, | 1 50 | ||
| Short Course in Inorganic Qualitative Chemical Analysis for Engineering Students | 12mo, | 1 50 | ||
| Text-book of Chemical Arithmetic | 12mo, | 1 25 | ||
| Whipple’s Microscopy of Drinking-water | 8vo, | 3 50 | ||
| Wilson’s Chlorination Process | 12mo, | 1 50 | ||
| Cyanide Processes | 12mo, | 1 50 | ||
| Winton’s Microscopy of Vegetable Foods | 8vo, | 7 50 | ||
| Zsigmondy’s Colloids and the Ultramicroscope. (Alexander.) | Large 12mo, | 3 00 | ||
| CIVIL ENGINEERING. | ||||
| BRIDGES AND ROOFS. HYDRAULICS. MATERIALS OF ENGINEERING. RAILWAY ENGINEERING. | ||||
| * American Civil Engineers’ Pocket Book. (Mansfield Merriman, Editor-in-chief.) | 16mo, mor. | 5 00 | ||
| Baker’s Engineers’ Surveying Instruments | 12mo, | 3 00 | ||
| Bixby’s Graphical Computing Table | Paper 19½ × 24¼ inches. | 0 25 | ||
| Breed and Hosmer’s Principles and Practice of Surveying. Vol. I. Elementary Surveying | 8vo, | 3 00 | ||
| Vol. II. Higher Surveying | 8vo, | 2 50 | ||
| * Burr’s Ancient and Modern Engineering and the Isthmian Canal | 8vo, | 3 50 | ||
| Comstock’s Field Astronomy for Engineers | 8vo, | 2 50 | ||
| * Corthell’s Allowable Pressure on Deep Foundations | 12mo, | 1 25 | ||
| Crandall’s Text-book on Geodesy and Least Squares | 8vo, | 3 00 | ||
| Davis’s Elevation and Stadia Tables | 8vo, | 1 00 | ||
| * Eckel’s Building Stones and Clays | 8vo, | 3 00 | ||
| Elliott’s Engineering for Land Drainage | 12mo, | 2 00 | ||
| * Fiebeger’s Treatise on Civil Engineering | 8vo, | 5 00 | ||
| Flemer’s Phototopographic Methods and Instruments | 8vo, | 5 00 | ||
| Folwell’s Sewerage. (Designing and Maintenance.) | 8vo, | 3 00 | ||
| Freitag’s Architectural Engineering | 8vo, | 3 50 | ||
| French and Ives’s Stereotomy | 8vo, | 2 50 | ||
| Gilbert, Wightman, and Saunders’s Subways and Tunnels of New York. (In Press.) | ||||
| * Hauch and Rice’s Tables of Quantities for Preliminary Estimates | 12mo, | 1 25 | ||
| Hayford’s Text-book of Geodetic Astronomy | 8vo, | 3 00 | ||
| Hering’s Ready Reference Tables (Conversion Factors.) | 16mo, mor. | 2 50 | ||
| Hosmer’s Azimuth | 16mo, mor. | 1 00 | ||
| * Text-book on Practical Astronomy | 8vo, | 2 00 | ||
| Howe’s Retaining Walls for Earth | 12mo, | 1 25 | ||
| * Ives’s Adjustments of the Engineer’s Transit and Level | 16mo, bds. | 0 25 | ||
| Ives and Hilts’s Problems in Surveying, Railroad Surveying and Geodesy | 16mo, mor. | 1 50 | ||
| * Johnson (J.B.) and Smith’s Theory and Practice of Surveying | Large 12mo, | 3 50 | ||
| Johnson’s (L. J.) Statics by Algebraic and Graphic Methods | 8vo, | 2 00 | ||
| * Kinnicutt, Winslow and Pratt’s Sewage Disposal | 8vo, | 3 00 | ||
| * Mahan’s Descriptive Geometry | 8vo, | 1 50 | ||
| Merriman’s Elements of Precise Surveying and Geodesy | 8vo, | 2 50 | ||
| Merriman and Brooks’s Handbook for Surveyors | 16mo, mor. | 2 00 | ||
| Nugent’s Plane Surveying | 8vo, | 3 50 | ||
| Ogden’s Sewer Construction | 8vo, | 3 00 | ||
| Sewer Design | 12mo, | 2 00 | ||
| Ogden and Cleveland’s Practical Methods of Sewage Disposal for Residences, Hotels, and Institutions.(In Press.) | ||||
| Parsons’s Disposal of Municipal Refuse | 8vo, | 2 00 | ||
| Patton’s Treatise on Civil Engineering | 8vo, half leather, | 7 50 | ||
| Reed’s Topographical Drawing and Sketching | 4to, | 5 00 | ||
| Riemer’s Shaft-sinking under Difficult Conditions. (Corning and Peele.) | 8vo, | 3 00 | ||
| Siebert and Biggin’s Modern Stone-cutting and Masonry | 8vo, | 1 50 | ||
| Smith’s Manual of Topographical Drawing. (McMillan.) | 8vo, | 2 50 | ||
| Soper’s Air and Ventilation of Subways | 12mo, | 2 50 | ||
| * Tracy’s Exercises in Surveying | 12mo, mor. | 1 00 | ||
| Tracy’s Plane Surveying | 16mo, mor. | 3 00 | ||
| Venable’s Garbage Crematories in America | 8vo, | 2 00 | ||
| Methods and Devices for Bacterial Treatment of Sewage | 8vo, | 3 00 | ||
| Wait’s Engineering and Architectural Jurisprudence | 8vo, | 6 00 | ||
| Sheep, | 6 50 | |||
| Law of Contracts | 8vo, | 3 00 | ||
| Law of Operations Preliminary to Construction in Engineering and Architecture | 8vo, | 5 00 | ||
| Sheep, | 5 50 | |||
| Warren’s Stereotomy—Problems in Stone-cutting | 8vo, | 2 50 | ||
| * Waterbury’s Vest-Pocket Hand-book of Mathematics for Engineers. | 2⅞ × 5⅜ inches, mor. | 1 00 | ||
| * Enlarged Edition, Including Tables | mor. | 1 50 | ||
| Webb’s Problems in the Use and Adjustment of Engineering Instruments. | 16mo, mor. | 1 25 | ||
| Wilson’s Topographic Surveying | 8vo, | 3 50 | ||
| BRIDGES AND ROOFS. | ||||
| Boller’s Practical Treatise on the Construction of Iron Highway Bridges. | 8vo, | 2 00 | ||
| * Thames River Bridge | Oblong paper, | 5 00 | ||
| Burr and Falk’s Design and Construction of Metallic Bridges | 8vo, | 5 00 | ||
| Influence Lines for Bridge and Roof Computations | 8vo, | 3 00 | ||
| Du Bois’s Mechanics of Engineering. Vol. II | Small 4to, | 10 00 | ||
| Foster’s Treatise on Wooden Trestle Bridges | 4to, | 5 00 | ||
| Fowler’s Ordinary Foundations | 8vo, | 3 50 | ||
| Greene’s Arches in Wood, Iron, and Stone | 8vo, | 2 50 | ||
| Bridge Trusses | 8vo, | 2 50 | ||
| Roof Trusses | 8vo, | 1 25 | ||
| Grimm’s Secondary Stresses in Bridge Trusses | 8vo, | 2 50 | ||
| Heller’s Stresses in Structures and the Accompanying Deformations | 8vo, | 3 00 | ||
| Howe’s Design of Simple Roof-trusses in Wood and Steel | 8vo, | 2 00 | ||
| Symmetrical Masonry Arches | 8vo, | 2 50 | ||
| Treatise on Arches | 8vo, | 4 00 | ||
| * Hudson’s Deflections and Statically Indeterminate Stresses | Small 4to, | 3 50 | ||
| * Plate Girder Design | 8vo, | 1 50 | ||
| * Jacoby’s Structural Details, or Elements of Design in Heavy Framing | 8vo, | 2 25 | ||
| Johnson, Bryan and Turneaure’s Theory and Practice in the Designing of Modern Framed Structures | Small 4to, | 10 00 | ||
| * Johnson, Bryan and Turneaure’s Theory and Practice in the Designing of Modern Framed Structures. New Edition. Part I. | 8vo, | 3 00 | ||
| * Part II. New Edition | 8vo, | 4 00 | ||
| Merriman and Jacoby’s Text-book on Roofs and Bridges: | ||||
| Part I. Stresses in Simple Trusses | 8vo, | 2 50 | ||
| Part II. Graphic Statics | 8vo, | 2 50 | ||
| Part III. Bridge Design | 8vo, | 2 50 | ||
| Part IV. Higher Structures | 8vo, | 2 50 | ||
| Ricker’s Design and Construction of Roofs. (In Press.) | ||||
| Sondericker’s Graphic Statics, with Applications to Trusses, Beams, and Arches | 8vo, | 2 00 | ||
| Waddell’s De Pontibus, Pocket-book for Bridge Engineers | 16mo, mor. | 2 00 | ||
| * Specifications for Steel Bridges | 12mo, | 50 | ||
| Waddell and Harrington’s Bridge Engineering. (In Preparation.) | ||||
| HYDRAULICS. | ||||
| Barnes’s Ice Formation | 8vo, | 3 00 | ||
| Bazin’s Experiments upon the Contraction of the Liquid Vein Issuing from an Orifice. (Trautwine.) | 8vo, | 2 00 | ||
| Bovey’s Treatise on Hydraulics | 8vo, | 5 00 | ||
| Church’s Diagrams of Mean Velocity of Water in Open Channels. | Oblong 4to, paper, | 1 50 | ||
| Hydraulic Motors | 8vo, | 2 00 | ||
| Mechanics of Fluids (Being Part IV of Mechanics of Engineering) | 8vo, | 3 00 | ||
| Coffin’s Graphical Solution of Hydraulic Problems | 16mo, mor. | 2 50 | ||
| Flather’s Dynamometers, and the Measurement of Power | 12mo, | 3 00 | ||
| Folwell’s Water-supply Engineering | 8vo, | 4 00 | ||
| Frizell’s Water-power | 8vo, | 5 00 | ||
| Fuertes’s Water and Public Health | 12mo, | 1 50 | ||
| Water-filtration Works | 12mo, | 2 50 | ||
| Ganguillet and Kutter’s General Formula for the Uniform Flow of Water in Rivers and Other Channels. (Hering and Trautwine.) | 8vo, | 4 00 | ||
| Hazen’s Clean Water and How to Get It | Large 12mo, | 1 50 | ||
| Filtration of Public Water-supplies | 8vo, | 3 00 | ||
| Hazelhurst’s Towers and Tanks for Water-works | 8vo, | 2 50 | ||
| Herschel’s 115 Experiments on the Carrying Capacity of Large, Riveted, Metal Conduits | 8vo, | 2 00 | ||
| Hoyt and Grover’s River Discharge | 8vo, | 2 00 | ||
| Hubbard and Kiersted’s Water-works Management and Maintenance | 8vo, | 4 00 | ||
| * Lyndon’s Development and Electrical Distribution of Water Power | 8vo, | 3 00 | ||
| Mason’s Water-supply. (Considered Principally from a Sanitary Standpoint.) | 8vo, | 4 00 | ||
| * Merriman’s Treatise on Hydraulics. 9th Edition, Rewritten | 8vo, | 4 00 | ||
| * Molitor’s Hydraulics of Rivers, Weirs and Sluices | 8vo, | 2 00 | ||
| * Morrison and Brodie’s High Masonry Dam Design | 8vo, | 1 50 | ||
| * Richards’s Laboratory Notes on Industrial Water Analysis | 8vo, | 50 | ||
| Schuyler’s Reservoirs for Irrigation, Water-power, and Domestic Water-supply. Second Edition, Revised and Enlarged | Large 8vo, | 6 00 | ||
| * Thomas and Watt’s Improvement of Rivers | 4to, | 6 00 | ||
| Turneaure and Russell’s Public Water-supplies | 8vo, | 5 00 | ||
| * Wegmann’s Design and Construction of Dams 6th Ed., enlarged | 4to, | 6 00 | ||
| Water-Supply of the City of New York from 1658 to 1895 | 4to, | 10 00 | ||
| Whipple’s Value of Pure Water | Large 12mo, | 1 00 | ||
| Williams and Hazen’s Hydraulic Tables | 8vo, | 1 50 | ||
| Wilson’s Irrigation Engineering | 8vo, | 4 00 | ||
| Wood’s Turbines | 8vo, | 2 50 | ||
| MATERIALS OF ENGINEERING. | ||||
| Baker’s Roads and Pavements | 8vo, | 5 00 | ||
| Treatise on Masonry Construction | 8vo, | 5 00 | ||
| Black’s United States Public Works | Oblong 4to, | 5 00 | ||
| * Blanchard and Drowne’s Highway Engineering, as Presented at the Second International Road Congress, Brussels, 1910 | 8vo, | 2 00 | ||
| Bleininger’s Manufacture of Hydraulic Cement. (In Preparation.) | ||||
| * Bottler’s German and American Varnish Making. (Sabin.) | Large 12mo, | 3 50 | ||
| Burr’s Elasticity and Resistance of the Materials of Engineering | 8vo, | 7 50 | ||
| Byrne’s Highway Construction | 8vo, | 5 00 | ||
| Inspection of the Materials and Workmanship Employed in Construction | 16mo, | 3 00 | ||
| Church’s Mechanics of Engineering | 8vo, | 6 00 | ||
| Mechanics of Solids (Being Parts I, II, III of Mechanics of Engineering) | 8vo, | 4 50 | ||
| Du Bois’s Mechanics of Engineering | ||||
| Vol. I. Kinematics, Statics, Kinetics | Small 4to, | 7 50 | ||
| Vol. II. The Stresses in Framed Structures, Strength of Materials and Theory of Flexures | Small 4to, | 10 00 | ||
| * Eckel’s Building Stones and Clays | 8vo, | 3 00 | ||
| * Cements, Limes, and Plasters | 8vo, | 6 00 | ||
| Fowler’s Ordinary Foundations | 8vo, | 3 50 | ||
| * Greene’s Structural Mechanics | 8vo, | 2 50 | ||
| Holley’s Analysis of Paint and Varnish Products. (In Press.) | ||||
| * Lead and Zinc Pigments | Large 12mo, | 3 00 | ||
| * Hubbard’s Dust Preventives and Road Binders | 8vo, | 3 00 | ||
| Johnson’s (C. M.) Rapid Methods for the Chemical Analysis of Special Steels, Steel-making Alloys and Graphite | Large 12mo, | 3 00 | ||
| Johnson’s (J. B.) Materials of Construction | Large 8vo, | 6 00 | ||
| Keep’s Cast Iron | 8vo, | 2 50 | ||
| Lanza’s Applied Mechanics | 8vo, | 7 50 | ||
| Lowe’s Paints for Steel Structures | 12mo, | 1 00 | ||
| Maire’s Modern Pigments and their Vehicle | 12mo, | 2 00 | ||
| * Martin’s Text Book on Mechanics. Vol. I. Statics | 12mo, | 1 25 | ||
| * Vol. II. Kinematics and Kinetics | 12mo, | 1 50 | ||
| * Vol. III. Mechanics of Materials | 12mo, | 1 50 | ||
| Maurer’s Technical Mechanics | 8vo, | 4 00 | ||
| Merrill’s Stones for Building and Decoration | 8vo, | 5 00 | ||
| Merriman’s Mechanics of Materials | 8vo, | 5 00 | ||
| * Strength of Materials | 12mo, | 1 00 | ||
| Metcalf’s Steel. A Manual for Steel-users | 12mo, | 2 00 | ||
| Morrison’s Highway Engineering | 8vo, | 2 50 | ||
| * Murdock’s Strength of Materials | 12mo, | 2 00 | ||
| Patton’s Practical Treatise on Foundations | 8vo, | 5 00 | ||
| Rice’s Concrete Block Manufacture | 8vo, | 2 00 | ||
| Richardson’s Modern Asphalt Pavement | 8vo, | 3 00 | ||
| Richey’s Building Foreman’s Pocket Book and Ready Reference | 16mo, mor. | 5 00 | ||
| * Cement Workers’ and Plasterers’ Edition (Building Mechanics’ Ready Reference Series) | 16mo, mor. | 1 50 | ||
| Handbook for Superintendents of Construction | 16mo, mor. | 4 00 | ||
| * Stone and Brick Masons’ Edition (Building Mechanics’ Ready Reference Series) | 16mo, mor. | 1 50 | ||
| * Ries’s Clays: Their Occurrence, Properties, and Uses | 8vo, | 5 00 | ||
| * Ries and Leighton’s History of the Clay-working Industry of the United States | 8vo. | 2 50 | ||
| Sabin’s Industrial and Artistic Technology of Paint and Varnish | 8vo, | 3 00 | ||
| * Smith’s Strength of Material | 12mo, | 1 25 | ||
| Snow’s Principal Species of Wood | 8vo, | 3 50 | ||
| Spalding’s Hydraulic Cement | 12mo, | 2 00 | ||
| Text-book on Roads and Pavements | 12mo, | 2 00 | ||
| * Taylor and Thompson’s Concrete Costs Small | 8vo, | 5 00 | ||
| * Extracts on Reinforced Concrete Design | 8vo, | 2 00 | ||
| Treatise on Concrete, Plain and Reinforced | 8vo, | 5 00 | ||
| Thurston’s Materials of Engineering. In Three Parts | 8vo, | 8 00 | ||
| Part I. Non-metallic Materials of Engineering and Metallurgy | 8vo, | 2 00 | ||
| Part II. Iron and Steel | 8vo, | 3 50 | ||
| Part III. A Treatise on Brasses, Bronzes, and Other Alloys and their Constituents | 8vo, | 2 50 | ||
| Tillson’s Street Pavements and Paving Materials | 8vo, | 4 00 | ||
| Turneaure and Maurer’s Principles of Reinforced Concrete Construction. Second Edition, Revised and Enlarged | 8vo, | 3 50 | ||
| Waterbury’s Cement Laboratory Manual | 12mo, | 1 00 | ||
| * Laboratory Manual for Testing Materials of Construction | 12mo, | 1 50 | ||
| Wood’s (De V.) Treatise on the Resistance of Materials, and an Appendix on the Preservation of Timber | 8vo, | 2 00 | ||
| Wood’s (M. P.) Rustless Coatings: Corrosion and Electrolysis of Iron and Steel | 8vo, | 4 00 | ||
| RAILWAY ENGINEERING. | ||||
| Andrews’s Handbook for Street Railway Engineers | 3 × 5 inches, mor. | 1 25 | ||
| Berg’s Buildings and Structures of American Railroads | 4to, | 5 00 | ||
| Brooks’s Handbook of Street Railroad Location | 16mo, mor. | 1 50 | ||
| * Burt’s Railway Station Service | 12mo, | 2 00 | ||
| Butts’s Civil Engineer’s Field-book | 16mo, mor. | 2 50 | ||
| Crandall’s Railway and Other Earthwork Tables | 8vo, | 1 50 | ||
| Crandall and Barnes’s Railroad Surveying | 16mo, mor. | 2 00 | ||
| * Crockett’s Methods for Earthwork Computations | 8vo, | 1 50 | ||
| Dredge’s History of the Pennsylvania Railroad. (1879) | Paper. | 5 00 | ||
| Fisher’s Table of Cubic Yards | Cardboard, | 25 | ||
| Godwin’s Railroad Engineers’ Field-book and Explorers’ Guide | 16mo, mor. | 2 50 | ||
| Hudson’s Tables for Calculating the Cubic Contents of Excavations and Embankments | 8vo, | 1 00 | ||
| Ives and Hilts’s Problems in Surveying, Railroad Surveying and Geodesy | 16mo, mor. | 1 50 | ||
| Molitor and Beard’s Manual for Resident Engineers | 16mo, | 1 00 | ||
| Nagle’s Field Manual for Railroad Engineers | 16mo, mor. | 3 00 | ||
| * Orrock’s Railroad Structures and Estimates | 8vo, | 3 00 | ||
| Philbrick’s Field Manual for Engineers | 16mo, mor. | 3 00 | ||
| Raymond’s Railroad Field Geometry | 16mo, mor. | 2 00 | ||
| Elements of Railroad Engineering | 8vo, | 3 50 | ||
| Railroad Engineer’s Field Book. (In Preparation.) | ||||
| Roberts’ Track Formulæ and Tables | 16mo. mor. | 3 00 | ||
| Searles’s Field Engineering | 16mo, mor. | 3 00 | ||
| Railroad Spiral | 16mo, mor. | 1 50 | ||
| Taylor’s Prismoidal Formulæ and Earthwork | 8vo, | 1 50 | ||
| Webb’s Economics of Railroad Construction Large | 12mo, | 2 50 | ||
| Railroad Construction | 16mo, mor. | 5 00 | ||
| Wellington’s Economic Theory of the Location of Railways | Large 12mo, | 5 00 | ||
| Wilson’s Elements of Railroad-Track and Construction | 12mo, | 2 00 | ||
| DRAWING | ||||
| Barr and Wood’s Kinematics of Machinery | 8vo, | 2 50 | ||
| * Bartlett’s Mechanical Drawing | 8vo, | 3 00 | ||
| * Bartlett’s Mechanical Drawing Abridged Ed. | 8vo, | 1 50 | ||
| * Bartlett and Johnson’s Engineering Descriptive Geometry | 8vo, | 1 50 | ||
| Blessing and Darling’s Descriptive Geometry. (In Press.) | ||||
| Elements of Drawing. (In Press.) | ||||
| Coolidge’s Manual of Drawing | 8vo, paper, | 1 00 | ||
| Coolidge and Freeman’s Elements of General Drafting for Mechanical Engineers | Oblong 4to, | 2 50 | ||
| Durley’s Kinematics of Machines | 8vo, | 4 00 | ||
| Emch’s Introduction to Projective Geometry and its Application | 8vo, | 2 50 | ||
| Hill’s Text-book on Shades and Shadows, and Perspective | 8vo, | 2 00 | ||
| Jamison’s Advanced Mechanical Drawing | 8vo, | 2 00 | ||
| Elements of Mechanical Drawing | 8vo, | 2 50 | ||
| Jones’s Machine Design: | ||||
| Part I. Kinematics of Machinery | 8vo, | 1 50 | ||
| Part II. Form, Strength, and Proportions of Parts | 8vo, | 3 00 | ||
| * Kimball and Barr’s Machine Design | 8vo, | 3 00 | ||
| MacCord’s Elements of Descriptive Geometry | 8vo, | 3 00 | ||
| Kinematics; or, Practical Mechanism | 8vo, | 5 00 | ||
| Mechanical Drawing | 4to, | 4 00 | ||
| Velocity Diagrams | 8vo, | 1 50 | ||
| McLeod’s Descriptive Geometry | Large 12mo, | 1 50 | ||
| * Mahan’s Descriptive Geometry and Stone-cutting | 8vo, | 1 50 | ||
| Industrial Drawing. (Thompson.) | 8vo, | 3 50 | ||
| Moyer’s Descriptive Geometry | 8vo, | 2 00 | ||
| Reed’s Topographical Drawing and Sketching | 4to, | 5 00 | ||
| * Reid’s Mechanical Drawing. (Elementary and Advanced.) | 8vo, | 2 00 | ||
| Text-book of Mechanical Drawing and Elementary Machine Design | 8vo, | 3 00 | ||
| Robinson’s Principles of Mechanism | 8vo, | 3 00 | ||
| Schwamb and Merrill’s Elements of Mechanism | 8vo, | 3 00 | ||
| Smith (A. W.) and Marx’s Machine Design | 8vo, | 3 00 | ||
| Smith’s (R. S.) Manual of Topographical Drawing. (McMillan.) | 8vo, | 2 50 | ||
| * Titsworth’s Elements of Mechanical Drawing Oblong | 8vo, | 1 25 | ||
| Tracy and North’s Descriptive Geometry. (In Press.) | ||||
| Warren’s Elements of Descriptive Geometry, Shadows, and Perspective | 8vo, | 3 50 | ||
| Elements of Machine Construction and Drawing | 8vo, | 7 50 | ||
| Elements of Plane and Solid Free-hand Geometrical Drawing | 12mo, | 1 00 | ||
| General Problems of Shades and Shadows | 8vo, | 3 00 | ||
| Manual of Elementary Problems in the Linear Perspective of Forms and Shadow | 12mo, | 1 00 | ||
| Manual of Elementary Projection Drawing | 12mo, | 1 50 | ||
| Plane Problems in Elementary Geometry | 12mo, | 1 25 | ||
| Weisbach’s Kinematics and Power of Transmission. (Hermann and Klein.) | 8vo, | 5 00 | ||
| Wilson’s (H. M.) Topographic Surveying | 8vo, | 3 50 | ||
| * Wilson’s (V. T.) Descriptive Geometry | 8vo, | 1 50 | ||
| Free-hand Lettering | 8vo, | 1 00 | ||
| Free-hand Perspective | 8vo, | 2 50 | ||
| Woolf’s Elementary Course in Descriptive Geometry | Large 8vo, | 3 00 | ||
| ELECTRICITY AND PHYSICS. | ||||
| * Abegg’s Theory of Electrolytic Dissociation, (von Ende.) | 12mo, | 1 25 | ||
| Andrews’s Hand-book for Street Railway Engineers | 3 × 5 inches mor. | 1 25 | ||
| Anthony and Ball’s Lecture-notes on the Theory of Electrical Measurements | 12mo, | 1 00 | ||
| Anthony and Brackett’s Text-book of Physics. (Magie.) | Large 12mo, | 3 00 | ||
| Benjamin’s History of Electricity | 8vo, | 3 00 | ||
| Betts’s Lead Refining and Electrolysis | 8vo, | 4 00 | ||
| * Burgess and Le Chatelier’s Measurement of High Temperatures. Third Edition | 8vo, | 4 00 | ||
| Classen’s Quantitative Chemical Analysis by Electrolysis. (Boltwood.) | 8vo, | 3 00 | ||
| * Collins’s Manual of Wireless Telegraphy and Telephony | 12mo, | 1 50 | ||
| Crehore and Squier’s Polarizing Photo-chronograph | 8vo, | 3 00 | ||
| * Danneel’s Electrochemistry. (Merriam.) | 12mo, | 1 25 | ||
| Dawson’s “Engineering” and Electric Traction Pocket book | 16mo, mor. | 5 00 | ||
| Dolezalek’s Theory of the Lead Accumulator (Storage Battery). (von Ende.) | 12mo, | 2 50 | ||
| Duhem’s Thermodynamics and Chemistry. (Burgess.) | 8vo, | 4 00 | ||
| Flather’s Dynamometers, and the Measurement of Power | 12mo, | 3 00 | ||
| * Getman’s Introduction to Physical Science | 12mo, | 1 50 | ||
| Gilbert’s De Magnete. (Mottelay) | 8vo, | 2 50 | ||
| * Hanchett’s Alternating Currents | 12mo, | 1 00 | ||
| Hering’s Ready Reference Tables (Conversion Factors) | 16mo, mor. | 2 50 | ||
| * Hobart and Ellis’s High-speed Dynamo Electric Machinery | 8vo, | 6 00 | ||
| Holman’s Precision of Measurements | 8vo, | 2 00 | ||
| Telescope—Mirror-scale Method, Adjustments, and Tests. Large | 8vo, | 0 75 | ||
| * Hutchinson’s High-Efficiency Electrical Illuminants and Illumination | Large 12mo, | 2 50 | ||
| * Jones’s Electric Ignition | 8vo, | 4 00 | ||
| Karapetoff’s Experimental Electrical Engineering: | ||||
| * Vol. I. | 8vo, | 3 50 | ||
| * Vol. II. | 8vo, | 2 50 | ||
| Kinzbrunner’s Testing of Continuous-current Machines | 8vo, | 2 00 | ||
| Landauer’s Spectrum Analysis. (Tingle.) | 8vo, | 3 00 | ||
| Lob’s Electrochemistry of Organic Compounds. (Lorenz.) | 8vo, | 3 00 | ||
| * Lyndon’s Development and Electrical Distribution of Water Power | 8vo, | 3 00 | ||
| * Lyons’s Treatise on Electromagnetic Phenomena. Vols. I. and II. | 8vo, each, | 6 00 | ||
| * Michie’s Elements of Wave Motion Relating to Sound and Light | 8vo, | 4 00 | ||
| * Morgan’s Physical Chemistry for Electrical Engineers | 12mo, | 1 50 | ||
| * Norris’s Introduction to the Study of Electrical Engineering | 8vo, | 2 50 | ||
| Norris and Dennison’s Course of Problems on the Electrical Characteristics of Circuits and Machines. (In Press.) | ||||
| * Parshall and Hobart’s Electric Machine Design | 4to, half mor. | 12 50 | ||
| Reagan’s Locomotives: Simple, Compound, and Electric. New Edition | Large 12mo, | 3 50 | ||
| * Rosenberg’s Electrical Engineering. (Haldane Gee—Kinzbrunner.) | 8vo, | 2 00 | ||
| * Ryan’s Design of Electrical Machinery: | ||||
| * Vol. I. Direct Current Dynamos | 8vo, | 1 50 | ||
| Vol. II. Alternating Current Transformers. (In Press.) | ||||
| Vol. III. Alternators, Synchronous Motors, and Rotary Convertors. (In Preparation.) | ||||
| Ryan, Norris, and Hoxie’s Text Book of Electrical Machinery | 8vo, | 2 50 | ||
| Schapper’s Laboratory Guide for Students in Physical Chemistry | 12mo, | 1 00 | ||
| * Tillman’s Elementary Lessons in Heat | 8vo, | 1 50 | ||
| * Timbie’s Elements of Electricity | Large 12mo, | 2 00 | ||
| * Answers to Problems in Elements of Electricity | 12mo, Paper | 0 25 | ||
| Tory and Pitcher’s Manual of Laboratory Physics | Large 12mo, | 2 00 | ||
| Ulke’s Modern Electrolytic Copper Refining | 8vo, | 3 00 | ||
| * Waters’s Commercial Dynamo Design | 8vo, | 2 00 | ||
| LAW. | ||||
| * Brennan’s Hand-book of Useful Legal Information for Business Men | 16mo, mor. | 5 00 | ||
| * Davis’s Elements of Law | 8vo, | 2 50 | ||
| * Treatise on the Military Law of United States | 8vo, | 7 00 | ||
| * Dudley’s Military Law and the Procedure of Courts-martial | Large 12mo, | 2 50 | ||
| Manual for Courts-martial | 16mo, mor. | 1 50 | ||
| Wait’s Engineering and Architectural Jurisprudence | 8vo, | 6 00 | ||
| Sheep, | 6 50 | |||
| Law of Contracts | 8vo, | 3 00 | ||
| Law of Operations Preliminary to Construction in Engineering and Architecture | 8vo, | 5 00 | ||
| Sheep, | 5 50 | |||
| MATHEMATICS. | ||||
| Baker’s Elliptic Functions | 8vo, | 1 50 | ||
| Briggs’s Elements of Plane Analytic Geometry. (Bôcher.) | 12mo, | 1 00 | ||
| * Buchanan’s Plane and Spherical Trigonometry | 8vo, | 1 00 | ||
| Byerly’s Harmonic Functions | 8vo, | 1 00 | ||
| Chandler’s Elements of the Infinitesimal Calculus | 12mo, | 2 00 | ||
| * Coffin’s Vector Analysis | 12mo, | 2 50 | ||
| Compton’s Manual of Logarithmic Computations | 12mo, | 1 50 | ||
| * Dickson’s College Algebra | Large 12mo, | 1 50 | ||
| * Introduction to the Theory of Algebraic Equations | Large 12mo, | 1 25 | ||
| Emch’s Introduction to Projective Geometry and its Application | 8vo, | 2 50 | ||
| Fiske’s Functions of a Complex Variable | 8vo, | 1 00 | ||
| Halsted’s Elementary Synthetic Geometry | 8vo, | 1 50 | ||
| Elements of Geometry | 8vo, | 1 75 | ||
| * Rational Geometry | 12mo, | 1 50 | ||
| Synthetic Projective Geometry | 8vo, | 1 00 | ||
| * Hancock’s Lectures on the Theory of Elliptic Functions | 8vo, | 5 00 | ||
| Hyde’s Grassmann’s Space Analysis | 8vo, | 1 00 | ||
| * Johnson’s (J. B.) Three-place Logarithmic Tables: | Vest-pocket size, paper, | 0 15 | ||
| * 100 copies, | 5 00 | |||
| * Mounted on heavy cardboard, 8 × 10 inches, | 0 25 | |||
| * 10 copies, | 2 00 | |||
| Johnson’s (W. W.) Abridged Editions of Differential and Integral Calculus | Large 12mo, 1 vol. | 2 50 | ||
| Curve Tracing in Cartesian Co-ordinates | 12mo, | 1 00 | ||
| Differential Equations | 8vo, | 1 00 | ||
| Elementary Treatise on Differential Calculus | Large 12mo, | 1 50 | ||
| Elementary Treatise on the Integral Calculus | Large 12mo, | 1 50 | ||
| * Theoretical Mechanics | 12mo, | 3 00 | ||
| Theory of Errors and the Method of Least Squares | 12mo, | 1 50 | ||
| Treatise on Differential Calculus | Large 12mo, | 3 00 | ||
| Treatise on the Integral Calculus | Large 12mo, | 3 00 | ||
| Treatise on Ordinary and Partial Differential Equations | Large 12mo, | 3 50 | ||
| Karapetoff’s Engineering Applications of Higher Mathematics: | ||||
| * Part I. Problems on Machine Design | Large 12mo, | 0 75 | ||
| Koch’s Practical Mathematics. (In Press.) | ||||
| Laplace’s Philosophical Essay on Probabilities. (Truscott and Emory.) | 12mo, | 2 00 | ||
| * Le Messurier’s Key to Professor W. W. Johnson’s Differential Equations | Small 8vo, | 1 75 | ||
| * Ludlow’s Logarithmic and Trigonometric Tables | 8vo, | 1 00 | ||
| * Ludlow and Bass’s Elements of Trigonometry and Logarithmic and Other Tables | 8vo, | 3 00 | ||
| * Trigonometry and Tables published separately | Each, | 2 00 | ||
| Macfarlane’s Vector Analysis and Quaternions | 8vo, | 1 00 | ||
| McMahon’s Hyperbolic Functions | 8vo, | 1 00 | ||
| Manning’s Irrational Numbers and their Representation by Sequences and Series | 12mo, | 1 25 | ||
| * Martin’s Text Book on Mechanics. Vol. I. Statics | 12mo, | 1 25 | ||
| * Vol. II. Kinematics and Kinetics | 12mo, | 1 50 | ||
| * Vol. III. Mechanics of Materials | 12mo, | 1 50 | ||
| Mathematical Monographs. Edited by Mansfield Merriman and Robert S. Woodward | Octavo, each | 1 00 | ||
| No. 1. History of Modern Mathematics, by David Eugene Smith. No. 2. Synthetic Projective Geometry, by George Bruce Halsted. No. 3. Determinants, by Laenas Gifford Weld. No. 4. Hyperbolic Functions, by James McMahon. No. 6. Harmonic Functions. by William E. Byerly. No. 6. Grassmann’s Space Analysis, by Edward W. Hyde. No. 7. Probability and Theory of Errors, by Robert S. Woodward. No. 8. Vector Analysis and Quaternions, by Alexander Macfarlane. No. 9. Differential Equations, by William Woolsey Johnson. No. 10. The Solution of Equations, by Mansfield Merriman. No. 11. Functions of a Complex Variable, by Thomas S. Fiske | ||||
| Maurer’s Technical Mechanics | 8vo, | 4 00 | ||
| Merriman’s Method of Least Squares | 8vo, | 2 00 | ||
| Solution of Equations | 8vo, | 1 00 | ||
| * Moritz’s Elements of Plane Trigonometry | 8vo, | 2 00 | ||
| Rice and Johnson’s Differential and Integral Calculus. 2 vols. in one | Large 12mo, | 1 50 | ||
| Elementary Treatise on the Differential Calculus | Large 12mo, | 3 00 | ||
| Smith’s History of Modern Mathematics | 8vo, | 1 00 | ||
| * Veblen and Lennes’s Introduction to the Real Infinitesimal Analysis of One Variable | 8vo, | 2 00 | ||
| * Waterbury’s Vest Pocket Hand-book of Mathematics for Engineers | 2⅜ × 5⅜ inches, mor. | 1 00 | ||
| * Enlarged Edition, Including Tables | mor. | 1 50 | ||
| Weld’s Determinants | 8vo, | 1 00 | ||
| Wood’s Elements of Co-ordinate Geometry | 8vo, | 2 00 | ||
| Woodward’s Probability and Theory of Errors | 8vo, | 1 00 | ||
| MECHANICAL ENGINEERING. | ||||
| MATERIALS OF ENGINEERING, STEAM-ENGINES AND BOILERS. | ||||
| Bacon’s Forge Practice | 12mo, | 1 50 | ||
| Baldwin’s Steam Heating for Buildings | 12mo, | 2 50 | ||
| Barr and Wood’s Kinematics of Machinery | 8vo, | 2 50 | ||
| * Bartlett’s Mechanical Drawing | 8vo, | 3 00 | ||
| * Bartlett’s Mechanical Drawing Abridged Ed. | 8vo, | 1 50 | ||
| * Bartlett and Johnson’s Engineering Descriptive Geometry | 8vo, | 1 50 | ||
| * Burr’s Ancient and Modern Engineering and the Isthmian Canal | 8vo, | 3 50 | ||
| Carpenter’s Heating and Ventilating Buildings | 8vo, | 4 00 | ||
| * Carpenter and Diederichs’s Experimental Engineering | 8vo, | 6 00 | ||
| * Clerk’s The Gas, Petrol and Oil Engine | 8vo, | 4 00 | ||
| Compton’s First Lessons in Metal Working | 12mo, | 1 50 | ||
| Compton and De Groodt’s Speed Lathe | 12mo, | 1 50 | ||
| Coolidge’s Manual of Drawing | 8vo, paper, | 1 00 | ||
| Coolidge and Freeman’s Elements of General Drafting for Mechanical Engineers | Oblong 4to, | 2 50 | ||
| Cromwell’s Treatise on Belts and Pulleys | 12mo, | 1 50 | ||
| Treatise on Toothed Gearing | 12mo, | 1 50 | ||
| Dingey’s Machinery Pattern Making | 12mo, | 2 00 | ||
| Durley’s Kinematics of Machines | 8vo, | 4 00 | ||
| Flanders’s Gear-cutting Machinery | Large 12mo, | 3 00 | ||
| Flather’s Dynamometers and the Measurement of Power | 12mo, | 3 00 | ||
| Rope Driving | 12mo, | 2 00 | ||
| Gill’s Gas and Fuel Analysis for Engineers | 12mo, | 1 25 | ||
| Goss’s Locomotive Sparks | 8vo, | 2 00 | ||
| * Greene’s Pumping Machinery | 8vo, | 4 00 | ||
| Hering’s Ready Reference Tables (Conversion Factors) | 16mo, mor. | 2 50 | ||
| * Hobart and Ellis’s High Speed Dynamo Electric Machinery | 8vo, | 6 00 | ||
| Hutton’s Gas Engine | 8vo, | 5 00 | ||
| Jamison’s Advanced Mechanical Drawing | 8vo, | 2 00 | ||
| Elements of Mechanical Drawing | 8vo, | 2 50 | ||
| Jones’s Gas Engine | 8vo, | 4 00 | ||
| Machine Design: | ||||
| Part I. Kinematics of Machinery | 8vo, | 1 50 | ||
| Part II. Form, Strength, and Proportions of Parts | 8vo, | 3 00 | ||
| * Kaup’s Machine Shop Practice | Large 12mo, | 1 25 | ||
| * Kent’s Mechanical Engineer’s Pocket-Book | 16mo, mor. | 5 00 | ||
| Kerr’s Power and Power Transmission | 8vo, | 2 00 | ||
| * Kimball and Barr’s Machine Design | 8vo, | 3 00 | ||
| * King’s Elements of the Mechanics of Materials and of Power of Transmission | 8vo, | 2 50 | ||
| * Lanza’s Dynamics of Machinery | 8vo, | 2 50 | ||
| Leonard’s Machine Shop Tools and Methods | 8vo, | 4 00 | ||
| * Levin’s Gas Engine | 8vo, | 4 00 | ||
| * Lorenz’s Modern Refrigerating Machinery. (Pope, Haven, and Dean) | 8vo, | 4 00 | ||
| MacCord’s Kinematics; or, Practical Mechanism | 8vo, | 5 00 | ||
| Mechanical Drawing | 4to, | 4 00 | ||
| Velocity Diagrams | 8vo, | 1 50 | ||
| MacFarland’s Standard Reduction Factors for Gases | 8vo, | 1 50 | ||
| Mahan’s Industrial Drawing. (Thompson.) | 8vo, | 3 50 | ||
| Mehrtens’s Gas Engine Theory and Design | Large 12mo, | 2 50 | ||
| Miller, Berry, and Riley’s Problems in Thermodynamics and Heat Engineering | 8vo, paper, | 0 75 | ||
| Oberg’s Handbook of Small Tools | Large 12mo, | 2 50 | ||
| * Parshall and Hobart’s Electric Machine Design. | Small 4to, half leather, | 12 50 | ||
| * Peele’s Compressed Air Plant. Second Edition, Revised and Enlarged | 8vo, | 3 50 | ||
| * Perkins’s Introduction to General Thermodynamics | 12mo. | 1 50 | ||
| Poole’s Calorific Power of Fuels | 8vo, | 3 00 | ||
| * Porter’s Engineering Reminiscences, 1855 to 1882 | 8vo, | 3 00 | ||
| Randall’s Treatise on Heat. (In Press.) | ||||
| * Reid’s Mechanical Drawing. (Elementary and Advanced.) | 8vo, | 2 00 | ||
| Text-book of Mechanical Drawing and Elementary Machine Design | 8vo, | 3 00 | ||
| Richards’s Compressed Air | 12mo, | 1 50 | ||
| Robinson’s Principles of Mechanism | 8vo, | 3 00 | ||
| Schwamb and Merrill’s Elements of Mechanism | 8vo, | 3 00 | ||
| Smith (A. W.) and Marx’s Machine Design | 8vo, | 3 00 | ||
| Smith’s (O.) Press-working of Metals | 8vo, | 3 00 | ||
| Sorel’s Carbureting and Combustion in Alcohol Engines. (Woodward and Preston.) | Large 12mo, | 3 00 | ||
| Stone’s Practical Testing of Gas and Gas Meters | 8vo, | 3 50 | ||
| Thurston’s Animal as a Machine and Prime Motor, and the Laws of Energetics | 12mo, | 1 00 | ||
| Treatise on Friction and Lost Work in Machinery and Mill Work. | 8vo, | 3 00 | ||
| * Tillson’s Complete Automobile Instructor | 16mo, | 1 50 | ||
| * Titsworth’s Elements of Mechanical Drawing | Oblong 8vo, | 1 25 | ||
| Warren’s Elements of Machine Construction and Drawing | 8vo, | 7 50 | ||
| * Waterbury’s Vest Pocket Hand-book of Mathematics for Engineers. | 2⅞ × 5⅜ inches, mor. | 1 00 | ||
| * Enlarged Edition, Including Tables | mor. | 1 50 | ||
| Weisbach’s Kinematics and the Power of Transmission. (Herrmann-Klein.) | 8vo, | 5 00 | ||
| Machinery of Transmission and Governors. (Hermann-Klein.) | 8vo, | 5 00 | ||
| Wood’s Turbines | 8vo, | 2 50 | ||
| MATERIALS OF ENGINEERING. | ||||
| Burr’s Elasticity and Resistance of the Materials of Engineering | 8vo, | 7 50 | ||
| Church’s Mechanics of Engineering | 8vo, | 6 00 | ||
| Mechanics of Solids (Being Parts I, II, III of Mechanics of Engineering) | 8vo, | 4 50 | ||
| * Greene’s Structural Mechanics | 8vo, | 2 50 | ||
| Holley’s Analysis of Paint and Varnish Products. (In Press.) | ||||
| * Lead and Zinc Pigments | Large 12mo, | 3 00 | ||
| Johnson’s (C. M.) Rapid Methods for the Chemical Analysis of Special Steels, Steel-Making Alloys and Graphite | Large 12mo, | 3 00 | ||
| Johnson’s (J. B.) Materials of Construction | 8vo, | 6 00 | ||
| Keep’s Cast Iron | 8vo, | 2 50 | ||
| * King’s Elements of the Mechanics of Materials and of Power of Transmission | 8vo, | 2 50 | ||
| Lanza’s Applied Mechanics | 8vo, | 7 50 | ||
| Lowe’s Paints for Steel Structures | 12mo, | 1 00 | ||
| Maire’s Modern Pigments and their Vehicles | 12mo, | 2 00 | ||
| Maurer’s Technical Mechanics | 8vo, | 4 00 | ||
| Merriman’s Mechanics of Materials | 8vo, | 5 00 | ||
| * Strength of Materials | 12mo, | 1 00 | ||
| Metcalf’s Steel. A Manual for Steel-users | 12mo, | 2 00 | ||
| * Murdock’s Strength of Materials | 12mo, | 2 00 | ||
| Sabin’s Industrial and Artistic Technology of Paint and Varnish | 8vo, | 3 00 | ||
| Smith’s (A. W.) Materials of Machines | 12mo, | 1 00 | ||
| * Smith’s (H. E.) Strength of Material | 12mo, | 1 25 | ||
| Thurston’s Materials of Engineering | 3 vols. 8vo, | 8 00 | ||
| Part I. Non-metallic Materials of Engineering | 8vo, | 2 00 | ||
| Part II. Iron and Steel | 8vo, | 3 50 | ||
| Part III. A Treatise on Brasses, Bronzes, and Other Alloys and their Constituents | 8vo, | 2 50 | ||
| Waterbury’s Laboratory Manual for Testing Materials of Construction. (In Press.) | ||||
| Wood’s (De V.) Elements of Analytical Mechanics | 8vo, | 3 00 | ||
| Treatise on the Resistance of Materials and an Appendix on the Preservation of Timber | 8vo, | 2 00 | ||
| Wood’s (M. P.) Rustless Coatings: Corrosion and Electrolysis of Iron and Steel | 8vo, | 4 00 | ||
| STEAM-ENGINES AND BOILERS. | ||||
| Berry’s Temperature-entropy Diagram. Third Edition Revised and Enlarged | 12mo, | 2 50 | ||
| Carnot’s Reflections on the Motive Power of Heat. (Thurston.) | 12mo, | 1 50 | ||
| Chase’s Art of Pattern Making | 12mo, | 2 50 | ||
| Creighton’s Steam-engine and other Heat Motors | 8vo, | 5 00 | ||
| Dawson’s “Engineering” and Electric Traction Pocket-book | 16mo, mor. | 5 00 | ||
| * Gebhardt’s Steam Power Plant Engineering | 8vo, | 6 00 | ||
| Goss’s Locomotive Performance | 8vo, | 5 00 | ||
| Hemenway’s Indicator Practice and Steam-engine Economy | 12mo, | 2 00 | ||
| Hirshfeld and Barnard’s Heat Power Engineering. (In Press.) | ||||
| Hutton’s Heat and Heat-engines | 8vo, | 5 00 | ||
| Mechanical Engineering of Power Plants | 8vo, | 5 00 | ||
| Kent’s Steam Boiler Economy | 8vo, | 4 00 | ||
| Kneass’s Practice and Theory of the Injector | 8vo, | 1 50 | ||
| MacCord’s Slide-valves | 8vo, | 2 00 | ||
| Meyer’s Modern Locomotive Construction | 4to, | 10 00 | ||
| Miller, Berry, and Riley’s Problems in Thermodynamics | 8vo, paper, | 0 75 | ||
| Moyer’s Steam Turbine | 8vo, | 4 00 | ||
| Peabody’s Manual of the Steam-engine Indicator | 12mo, | 1 50 | ||
| Tables of the Properties of Steam and Other Vapors and Temperature-Entropy Table | 8vo, | 1 00 | ||
| Thermodynamics of the Steam-engine and Other Heat-engines | 8vo, | 5 00 | ||
| * Thermodynamics of the Steam Turbine | 8vo, | 3 00 | ||
| Valve-gears for Steam-engines | 8vo, | 2 50 | ||
| Peabody and Miller’s Steam-boilers | 8vo, | 4 00 | ||
| * Perkins’s Introduction to General Thermodynamics | 12mo, | 1 50 | ||
| Pupin’s Thermodynamics of Reversible Cycles in Gases and Saturated Vapors. (Osterberg.) | 12mo, | 1 25 | ||
| Reagan’s Locomotives: Simple, Compound, and Electric. New Edition | Large 12mo, | 3 50 | ||
| Sinclair’s Locomotive Engine Running and Management | 12mo, | 2 00 | ||
| Smart’s Handbook of Engineering Laboratory Practice | 12mo, | 2 50 | ||
| Snow’s Steam-boiler Practice | 8vo, | 3 00 | ||
| Spangler’s Notes on Thermodynamics | 12mo, | 1 00 | ||
| Valve-gear | 8vo, | 2 50 | ||
| Spangler, Greene, and Marshall’s Elements of Steam-engineering | 8vo, | 3 00 | ||
| Thomas’s Steam-turbines | 8vo, | 4 00 | ||
| Thurston’s Handbook of Engine and Boiler Trials, and the Use of the Indicator and the Prony Brake | 8vo, | 5 00 | ||
| Handy Tables | 8vo, | 1 50 | ||
| Manual of Steam-Boilers, their Designs, Construction, and Operation | 8vo, | 5 00 | ||
| Manual of the Steam-engine | 2 vols., 8vo, | 10 00 | ||
| Part I. History, Structure, and Theory | 8vo, | 6 00 | ||
| Part II. Design, Construction, and Operation | 8vo, | 6 00 | ||
| Wehrenfennig’s Analysis and Softening of Boiler Feed-water. (Patterson) | 8vo, | 4 00 | ||
| Weisbach’s Heat, Steam, and Steam-engines. (Du Bois.) | 8vo, | 5 00 | ||
| Whitham’s Steam-engine Design | 8vo, | 5 00 | ||
| Wood’s Thermodynamics, Heat Motors, and Refrigerating Machines | 8vo, | 4 00 | ||
| MECHANICS PURE AND APPLIED. | ||||
| Church’s Mechanics of Engineering | 8vo, | 6 00 | ||
| Mechanics of Fluids (Being Part IV of Mechanics of Engineering) | 8vo, | 3 00 | ||
| * Mechanics of Internal Work | 8vo, | 1 50 | ||
| Mechanics of Solids (Being Parts I, II, III of Mechanics of Engineering) | 8vo, | 4 50 | ||
| Notes and Examples in Mechanics | 8vo, | 2 00 | ||
| Dana’s Text-book of Elementary Mechanics for Colleges and Schools | 12mo, | 1 50 | ||
| Du Bois’s Elementary Principles of Mechanics: | ||||
| Vol. I. Kinematics | 8vo, | 3 50 | ||
| Vol. II. Statics | 8vo, | 4 00 | ||
| Mechanics of Engineering. Vol. I. | Small 4to, | 7 50 | ||
| Vol. II. | Small 4to, | 10 00 | ||
| * Greene’s Structural Mechanics | 8vo, | 2 50 | ||
| * Hartmann’s Elementary Mechanics for Engineering Students | 12mo, | 1 25 | ||
| James’s Kinematics of a Point and the Rational Mechanics of a Particle | Large 12mo, | 2 00 | ||
| * Johnson’s (W. W.) Theoretical Mechanics | 12mo, | 3 00 | ||
| * King’s Elements of the Mechanics of Materials and of Power of Transmission | 8vo, | 2 60 | ||
| Lanza’s Applied Mechanics | 8vo, | 7 50 | ||
| * Martin’s Text Book on Mechanics, Vol. I, Statics | 12mo, | 1 25 | ||
| * Vol. II. Kinematics and Kinetics | 12mo, | 1 50 | ||
| * Vol. III. Mechanics of Materials | 12mo, | 1 50 | ||
| Maurer’s Technical Mechanics | 8vo, | 4 00 | ||
| * Merriman’s Elements of Mechanics | 12mo, | 1 00 | ||
| Mechanics of Materials | 8vo, | 5 00 | ||
| * Michie’s Elements of Analytical Mechanics | 8vo, | 4 00 | ||
| Robinson’s Principles of Mechanism | 8vo, | 3 00 | ||
| Sanborn’s Mechanics Problems | Large 12mo, | 1 50 | ||
| Schwamb and Merrill’s Elements of Mechanism | 8vo, | 3 00 | ||
| Wood’s Elements of Analytical Mechanics | 8vo, | 3 00 | ||
| Principles of Elementary Mechanics | 12mo, | 1 25 | ||
| MEDICAL. | ||||
| * Abderhalden’s Physiological Chemistry in Thirty Lectures. (Hall and Defren.) | 8vo, | 5 00 | ||
| von Behring’s Suppression of Tuberculosis. (Bolduan.) | 12mo, | 1 00 | ||
| * Bolduan’s Immune Sera | 12mo, | 1 50 | ||
| Bordet’s Studies in Immunity. (Gay.) | 8vo, | 6 00 | ||
| * Chapin’s The Sources and Modes of Infection | Large 12mo, | 3 00 | ||
| Davenport’s Statistical Methods with Special Reference to Biological Variations | 16mo, mor. | 1 50 | ||
| Ehrlich’s Collected Studies on Immunity. (Bolduan.) | 8vo, | 6 00 | ||
| * Fischer’s Nephritis | Large 12mo, | 2 50 | ||
| * Oedema | 8vo, | 2 00 | ||
| * Physiology of Alimentation | Large 12mo, | 2 00 | ||
| * de Fursac’s Manual of Psychiatry. (Rosanoff and Collins.) | Large 12mo, | 2 50 | ||
| * Hammarsten’s Text-book on Physiological Chemistry. (Mandel.) | 8vo, | 4 00 | ||
| Jackson’s Directions for Laboratory Work in Physiological Chemistry | 8vo, | 1 25 | ||
| Lassar-Cohn’s Praxis of Urinary Analysis. (Lorenz.) | 12mo, | 1 00 | ||
| Mandel’s Hand-book for the Bio-Chemical Laboratory | 12mo, | 1 50 | ||
| * Nelson’s Analysis of Drugs and Medicines | 12mo, | 3 00 | ||
| * Pauli’s Physical Chemistry in the Service of Medicine (Fischer.) | 12mo, | 1 25 | ||
| * Pozzi-Escot’s Toxins and Venoms and their Antibodies (Cohn.) | 12mo, | 1 00 | ||
| Rostoski’s Serum Diagnosis. (Bolduan.) | 12mo, | 1 00 | ||
| Ruddiman’s Incompatibilities in Prescriptions | 8vo, | 2 00 | ||
| Whys in Pharmacy | 12mo, | 1 00 | ||
| Salkowski’s Physiological and Pathological Chemistry. (Orndorff.) | 8vo, | 2 50 | ||
| * Satterlee’s Outlines of Human Embryology | 12mo, | 1 25 | ||
| Smith’s Lecture Notes on Chemistry for Dental Students | 8vo, | 2 50 | ||
| * Whipple’s Tyhpoid Fever | Large 12mo, | 3 00 | ||
| * Woodhull’s Military Hygiene for Officers of the Line | Large 12mo, | 1 50 | ||
| * Personal Hygiene | 12mo, | 1 00 | ||
| Worcester and Atkinson’s Small Hospitals Establishment and Maintenance. and Suggestions for Hospital Architecture, with Plans for a Small Hospital | 12mo, | 1 25 | ||
| METALLURGY. | ||||
| Betts’s Lead Refining by Electrolysis | 8vo, | 4 00 | ||
| Bolland’s Encyclopedia of Founding and Dictionary of Foundry Terms used in the Practice of Moulding | 12mo, | 3 00 | ||
| Iron Founder | 12mo, | 2 50 | ||
| Iron Founder Supplement | 12mo, | 2 50 | ||
| * Borchers’s Metallurgy. (Hall and Hayward.) | 8vo, | 3 00 | ||
| * Burgess and Le Chatelier’s Measurement of High Temperatures. Third Edition | 8vo, | 4 00 | ||
| Douglas’s Untechnical Addresses on Technical Subjects | 12mo, | 1 00 | ||
| Goesel’s Minerals and Metals: A Reference Book | 16mo, mor. | 3 00 | ||
| * Iles’s Lead-smelting | 12mo, | 2 50 | ||
| Johnson’s Rapid Methods for the Chemical Analysis of Special Steels, Steel-making Alloys and Graphite | Large 12mo, | 3 00 | ||
| Keep’s Cast Iron | 8vo, | 2 50 | ||
| Metcalf’s Steel. A Manual for Steel-users | 12mo, | 2 00 | ||
| Minet’s Production of Aluminum and its Industrial Use. (Waldo.) | 12mo, | 2 50 | ||
| * Palmer’s Foundry Practice | Large 12mo, | 2 00 | ||
| * Price and Meade’s Technical Analysis of Brass | 12mo, | 2 00 | ||
| * Ruer’s Elements of Metallography. (Mathewson.) | 8vo, | 3 00 | ||
| Smith’s Materials of Machines | 12mo, | 1 00 | ||
| Tate and Stone’s Foundry Practice | 12mo, | 2 00 | ||
| Thurston’s Materials of Engineering. In Three Parts | 8vo, | 8 00 | ||
| Part I. Non-metallic Materials of Engineering, see Civil Engineering, page 9 | ||||
| Part II. Iron and Steel | 8vo, | 3 50 | ||
| Part III. A Treatise on Brasses, Bronzes, and Other Alloys and their Constituents | 8vo, | 2 50 | ||
| Ulke’s Modern Electrolytic Copper Refining | 8vo, | 3 00 | ||
| West’s American Foundry Practice | 12mo, | 2 50 | ||
| Moulders’ Text Book | 12mo, | 2 50 | ||
| MINERALOGY. | ||||
| * Browning’s Introduction to the Rarer Elements | 8vo, | 1 50 | ||
| Brush’s Manual of Determinative Mineralogy. (Penfield.) | 8vo, | 4 00 | ||
| Butler’s Pocket Hand-book of Minerals | 16mo, mor. | 3 00 | ||
| Chester’s Catalogue of Minerals | 8vo, paper, | 1 00 | ||
| Cloth, | 1 25 | |||
| * Crane’s Gold and Silver | 8vo, | 5 00 | ||
| Dana’s First Appendix to Dana’s New “System of Mineralogy.” | Large 8vo, | 1 00 | ||
| Dana’s Second Appendix to Dana’s New “System of Mineralogy.” | Large 8vo, | 1 50 | ||
| Manual of Mineralogy and Petrography | 12mo, | 2 00 | ||
| Minerals and How to Study Them | 12mo, | 1 50 | ||
| System of Mineralogy | Large 8vo, half leather, | 12 50 | ||
| Text-book of Mineralogy | 8vo, | 4 00 | ||
| Douglas’s Untechnical Addresses on Technical Subjects | 12mo, | 1 00 | ||
| Eakle’s Mineral Tables | 8vo, | 1 25 | ||
| * Eckel’s Building Stones and Clays | 8vo, | 3 00 | ||
| Goesel’s Minerals and Metals: A Reference Book | 16mo, mor. | 3 00 | ||
| * Groth’s The Optical Properties of Crystals. (Jackson.) | 8vo, | 3 50 | ||
| Groth’s Introduction to Chemical Crystallography (Marshall) | 12mo, | 1 25 | ||
| * Hayes’s Handbook for Field Geologists | 16mo, mor. | 1 50 | ||
| Iddings’s Igneous Rocks | 8vo, | 5 00 | ||
| Rock Minerals | 8vo, | 5 00 | ||
| Johannsen’s Determination of Rock-forming Minerals in Thin Sections | 8vo, With Thumb Index | 5 00 | ||
| * Martin’s Laboratory Guide to Qualitative Analysis with the Blow-pipe | 12mo, | 0 60 | ||
| Merrill’s Non-metallic Minerals: Their Occurrence and Uses | 8vo, | 4 00 | ||
| Stones for Building and Decoration | 8vo, | 5 00 | ||
| * Penfield’s Notes on Determinative Mineralogy and Record of Mineral Tests | 8vo, paper, | 0 50 | ||
| Tables of Minerals, Including the Use of Minerals and Statistics of Domestic Production | 8vo, | 1 00 | ||
| * Pirsson’s Rocks and Rock Minerals | 12mo, | 2 50 | ||
| * Richards´s Synopsis of Mineral Characters | 12mo, mor. | 1 25 | ||
| * Ries’s Clays: Their Occurrence, Properties and Uses | 8vo, | 5 00 | ||
| * Ries and Leighton’s History of the Clay-working industry of the United States | 8vo, | 2 50 | ||
| * Rowe’s Practical Mineralogy Simplified | 12mo, | 1 25 | ||
| * Tillman’s Text-book of Important Minerals and Rocks | 8vo, | 2 00 | ||
| Washington’s Manual of the Chemical Analysis of Rocks | 8vo, | 2 00 | ||
| MINING. | ||||
| * Beard’s Mine Gases and Explosions | Large 12mo, | 3 00 | ||
| * Crane’s Gold and Silver | 8vo, | 5 00 | ||
| * Index of Mining Engineering Literature | 8vo, | 4 00 | ||
| * 8vo, mor. | 5 00 | |||
| * Ore Mining Methods | 8vo, | 3 00 | ||
| * Dana and Saunders’s Rock Drilling | 8vo, | 4 00 | ||
| Douglas’s Untechnical Addresses on Technical Subjects | 12mo, | 1 00 | ||
| Eissler’s Modern High Explosives | 8vo, | 4 00 | ||
| Goesel’s Minerals and Metals: A Reference Book | 16mo, mor. | 3 00 | ||
| Ihlseng’s Manual of Mining | 8vo, | 5 00 | ||
| * Iles’s Lead Smelting | 12mo, | 2 50 | ||
| * Peele’s Compressed Air Plant | 8vo, | 3 50 | ||
| Riemer’s Shaft Sinking Under Difficult Conditions. (Corning and Peele.) | 8vo, | 3 00 | ||
| * Weaver’s Military Explosives | 8vo, | 3 00 | ||
| Wilson’s Hydraulic and Placer Mining. 2d edition, rewritten | 12mo, | 2 50 | ||
| Treatise on Practical and Theoretical Mine Ventilation | 12mo, | 1 25 | ||
| SANITARY SCIENCE. | ||||
| Association of State and National Food and Dairy Departments, Hartford Meeting, 1906 | 8vo, | 3 00 | ||
| Jamestown Meeting, 1907 | 8vo, | 3 00 | ||
| * Bashore’s Outlines of Practical Sanitation | 12mo, | 1 25 | ||
| Sanitation of a Country House | 12mo, | 1 00 | ||
| Sanitation of Recreation Camps and Parks | 12mo, | 1 00 | ||
| * Chapin’s The Sources and Modes of Infection | Large 12mo, | 3 00 | ||
| Folwell’s Sewerage. (Designing, Construction, and Maintenance.) | 8vo, | 3 00 | ||
| Water-supply Engineering | 8vo, | 4 00 | ||
| Fowler’s Sewage Works Analyses | 12mo, | 2 00 | ||
| Fuertes’s Water-filtration Works | 12mo, | 2 50 | ||
| Water and Public Health | 12mo, | 1 50 | ||
| Gerhard’s Guide to Sanitary Inspections | 12mo, | 1 50 | ||
| * Modern Baths and Bath Houses | 8vo, | 3 00 | ||
| Sanitation of Public Buildings | 12mo, | 1 50 | ||
| * The Water Supply, Sewerage, and Plumbing of Modern City Buildings. | 8vo, | 4 00 | ||
| Hazen’s Clean Water and How to Get It | Large 12mo, | 1 50 | ||
| Filtration of Public Water-supplies | 8vo, | 3 00 | ||
| * Kinnicutt, Winslow and Pratt’s Sewage Disposal | 8vo, | 3 00 | ||
| Leach’s Inspection and Analysis of Food with Special Reference to State Control | 8vo, | 7 50 | ||
| Mason’s Examination of Water. (Chemical and Bacteriological) | 12mo, | 1 25 | ||
| Water-supply. (Considered principally from a Sanitary Standpoint). | 8vo, | 4 00 | ||
| * Mast’s Light and the Behavior of Organisms | Large 12mo, | 2 50 | ||
| * Merriman’s Elements of Sanitary Engineering | 8vo, | 2 00 | ||
| Ogden’s Sewer Construction | 8vo, | 3 00 | ||
| Sewer Design | 12mo, | 2 00 | ||
| Parsons’s Disposal of Municipal Refuse | 8vo, | 2 00 | ||
| Prescott and Winslow’s Elements of Water Bacteriology, with Special Reference to Sanitary Water Analysis | 12mo, | 1 50 | ||
| * Price’s Handbook on Sanitation | 12mo, | 1 50 | ||
| Richards’s Conservation by Sanitation | 8vo, | 2 50 | ||
| Cost of Cleanness | 12mo, | 1 00 | ||
| Cost of Food. A Study in Dietaries | 12mo, | 1 00 | ||
| Cost of Living as Modified by Sanitary Science | 12mo, | 1 00 | ||
| Cost of Shelter | 12mo, | 1 00 | ||
| Richards and Woodman’s Air, Water, and Food from a Sanitary Standpoint | 8vo, | 2 00 | ||
| * Richey’s Plumbers’, Steam-fitters’, and Tinners’ Edition (Building Mechanics’ Ready Reference Series) | 16mo, mor. | 1 50 | ||
| Rideal’s Disinfection and the Preservation of Food | 8vo, | 4 00 | ||
| Soper’s Air and Ventilation of Subways | 12mo, | 2 50 | ||
| Turneaure and Russell’s Public Water supplies | 8vo, | 5 00 | ||
| Venable’s Garbage Crematories in America | 8vo, | 2 00 | ||
| Method and Devices for Bacterial Treatment of Sewage | 8vo, | 3 00 | ||
| Ward and Whipple’s Freshwater Biology. (In Press.) | ||||
| Whipple’s Microscopy of Drinking-water | 8vo, | 3 50 | ||
| * Typhoid Fever | Large 12mo, | 3 00 | ||
| Value of Pure Water | Large 12mo, | 1 00 | ||
| Winslow’s Systematic Relationship of the Coccaceæ | Large 12mo, | 2 50 | ||
| MISCELLANEOUS. | ||||
| * Burt’s Railway Station Service | 12mo, | 2 00 | ||
| * Chapin’s How to Enamel | 12mo, | 1 00 | ||
| Emmons’s Geological Guide-book of the Rocky Mountain Excursion of the International Congress of Geologists | Large 8vo, | 1 50 | ||
| Ferrel’s Popular Treatise on the Winds | 8vo, | 4 00 | ||
| Fitzgerald’s Boston Machinist | 18mo, | 1 00 | ||
| * Fritz, Autobiography of John | 8vo, | 2 00 | ||
| Gannett’s Statistical Abstract of the World | 24mo, | 0 75 | ||
| Haines’s American Railway Management | 12mo, | 2 50 | ||
| Hanausek’s The Microscopy of Technical Products. (Winton) | 8vo, | 5 00 | ||
| Jacobs’s Betterment Briefs. A Collection of Published Papers on Organized Industrial Efficiency | 8vo, | 3 50 | ||
| Metcalfe’s Cost of Manufactures, and the Administration of Workshops | 8vo, | 5 00 | ||
| * Parkhurst’s Applied Methods of Scientific Management | 8vo, | 2 00 | ||
| Putnam’s Nautical Charts | 8vo, | 2 00 | ||
| Ricketts’s History of Rensselaer Polytechnic Institute 1824–1894 | Large 12mo, | 3 00 | ||
| * Rotch and Palmer’s Charts of the Atmosphere for Aeronauts and Aviators | Oblong 4to, | 2 00 | ||
| Rotherham’s Emphasised New Testament | Large 8vo, | 2 00 | ||
| Rust’s Ex-Meridian Altitude, Azimuth and Star-finding Tables | 8vo, | 5 00 | ||
| Standage’s Decoration of Wood, Glass, Metal, etc. | 12mo, | 2 00 | ||
| Thome’s Structural and Physiological Botany. (Bennett) | 16mo, | 2 25 | ||
| Westermaier’s Compendium of General Botany. (Schneider) | 8vo, | 2 00 | ||
| Winslow’s Elements of Applied Microscopy | 12mo, | 1 50 | ||
| HEBREW AND CHALDEE TEXT-BOOKS. | ||||
| Gesenius’s Hebrew and Chaldee Lexicon to the Old Testament Scriptures. (Tregelles.) | Small 4to, half mor. | 5 00 | ||
| Green’s Elementary Hebrew Grammar | 12mo, | 1 25 | ||
End of the Project Gutenberg EBook of Practical Methods of Sewage Disposal, by
Henry N. Ogden and H. Burdett Cleveland
*** END OF THIS PROJECT GUTENBERG EBOOK PRACTICAL METHODS OF SEWAGE ***
***** This file should be named 54244-h.htm or 54244-h.zip *****
This and all associated files of various formats will be found in:
http://www.gutenberg.org/5/4/2/4/54244/
Produced by Richard Tonsing and the Online Distributed
Proofreading Team at http://www.pgdp.net (This file was
produced from images generously made available by The
Internet Archive)
Updated editions will replace the previous one--the old editions
will be renamed.
Creating the works from public domain print editions means that no
one owns a United States copyright in these works, so the Foundation
(and you!) can copy and distribute it in the United States without
permission and without paying copyright royalties. Special rules,
set forth in the General Terms of Use part of this license, apply to
copying and distributing Project Gutenberg-tm electronic works to
protect the PROJECT GUTENBERG-tm concept and trademark. Project
Gutenberg is a registered trademark, and may not be used if you
charge for the eBooks, unless you receive specific permission. If you
do not charge anything for copies of this eBook, complying with the
rules is very easy. You may use this eBook for nearly any purpose
such as creation of derivative works, reports, performances and
research. They may be modified and printed and given away--you may do
practically ANYTHING with public domain eBooks. Redistribution is
subject to the trademark license, especially commercial
redistribution.
*** START: FULL LICENSE ***
THE FULL PROJECT GUTENBERG LICENSE
PLEASE READ THIS BEFORE YOU DISTRIBUTE OR USE THIS WORK
To protect the Project Gutenberg-tm mission of promoting the free
distribution of electronic works, by using or distributing this work
(or any other work associated in any way with the phrase "Project
Gutenberg"), you agree to comply with all the terms of the Full Project
Gutenberg-tm License available with this file or online at
www.gutenberg.org/license.
Section 1. General Terms of Use and Redistributing Project Gutenberg-tm
electronic works
1.A. By reading or using any part of this Project Gutenberg-tm
electronic work, you indicate that you have read, understand, agree to
and accept all the terms of this license and intellectual property
(trademark/copyright) agreement. If you do not agree to abide by all
the terms of this agreement, you must cease using and return or destroy
all copies of Project Gutenberg-tm electronic works in your possession.
If you paid a fee for obtaining a copy of or access to a Project
Gutenberg-tm electronic work and you do not agree to be bound by the
terms of this agreement, you may obtain a refund from the person or
entity to whom you paid the fee as set forth in paragraph 1.E.8.
1.B. "Project Gutenberg" is a registered trademark. It may only be
used on or associated in any way with an electronic work by people who
agree to be bound by the terms of this agreement. There are a few
things that you can do with most Project Gutenberg-tm electronic works
even without complying with the full terms of this agreement. See
paragraph 1.C below. There are a lot of things you can do with Project
Gutenberg-tm electronic works if you follow the terms of this agreement
and help preserve free future access to Project Gutenberg-tm electronic
works. See paragraph 1.E below.
1.C. The Project Gutenberg Literary Archive Foundation ("the Foundation"
or PGLAF), owns a compilation copyright in the collection of Project
Gutenberg-tm electronic works. Nearly all the individual works in the
collection are in the public domain in the United States. If an
individual work is in the public domain in the United States and you are
located in the United States, we do not claim a right to prevent you from
copying, distributing, performing, displaying or creating derivative
works based on the work as long as all references to Project Gutenberg
are removed. Of course, we hope that you will support the Project
Gutenberg-tm mission of promoting free access to electronic works by
freely sharing Project Gutenberg-tm works in compliance with the terms of
this agreement for keeping the Project Gutenberg-tm name associated with
the work. You can easily comply with the terms of this agreement by
keeping this work in the same format with its attached full Project
Gutenberg-tm License when you share it without charge with others.
1.D. The copyright laws of the place where you are located also govern
what you can do with this work. Copyright laws in most countries are in
a constant state of change. If you are outside the United States, check
the laws of your country in addition to the terms of this agreement
before downloading, copying, displaying, performing, distributing or
creating derivative works based on this work or any other Project
Gutenberg-tm work. The Foundation makes no representations concerning
the copyright status of any work in any country outside the United
States.
1.E. Unless you have removed all references to Project Gutenberg:
1.E.1. The following sentence, with active links to, or other immediate
access to, the full Project Gutenberg-tm License must appear prominently
whenever any copy of a Project Gutenberg-tm work (any work on which the
phrase "Project Gutenberg" appears, or with which the phrase "Project
Gutenberg" is associated) is accessed, displayed, performed, viewed,
copied or distributed:
This eBook is for the use of anyone anywhere at no cost and with
almost no restrictions whatsoever. You may copy it, give it away or
re-use it under the terms of the Project Gutenberg License included
with this eBook or online at www.gutenberg.org
1.E.2. If an individual Project Gutenberg-tm electronic work is derived
from the public domain (does not contain a notice indicating that it is
posted with permission of the copyright holder), the work can be copied
and distributed to anyone in the United States without paying any fees
or charges. If you are redistributing or providing access to a work
with the phrase "Project Gutenberg" associated with or appearing on the
work, you must comply either with the requirements of paragraphs 1.E.1
through 1.E.7 or obtain permission for the use of the work and the
Project Gutenberg-tm trademark as set forth in paragraphs 1.E.8 or
1.E.9.
1.E.3. If an individual Project Gutenberg-tm electronic work is posted
with the permission of the copyright holder, your use and distribution
must comply with both paragraphs 1.E.1 through 1.E.7 and any additional
terms imposed by the copyright holder. Additional terms will be linked
to the Project Gutenberg-tm License for all works posted with the
permission of the copyright holder found at the beginning of this work.
1.E.4. Do not unlink or detach or remove the full Project Gutenberg-tm
License terms from this work, or any files containing a part of this
work or any other work associated with Project Gutenberg-tm.
1.E.5. Do not copy, display, perform, distribute or redistribute this
electronic work, or any part of this electronic work, without
prominently displaying the sentence set forth in paragraph 1.E.1 with
active links or immediate access to the full terms of the Project
Gutenberg-tm License.
1.E.6. You may convert to and distribute this work in any binary,
compressed, marked up, nonproprietary or proprietary form, including any
word processing or hypertext form. However, if you provide access to or
distribute copies of a Project Gutenberg-tm work in a format other than
"Plain Vanilla ASCII" or other format used in the official version
posted on the official Project Gutenberg-tm web site (www.gutenberg.org),
you must, at no additional cost, fee or expense to the user, provide a
copy, a means of exporting a copy, or a means of obtaining a copy upon
request, of the work in its original "Plain Vanilla ASCII" or other
form. Any alternate format must include the full Project Gutenberg-tm
License as specified in paragraph 1.E.1.
1.E.7. Do not charge a fee for access to, viewing, displaying,
performing, copying or distributing any Project Gutenberg-tm works
unless you comply with paragraph 1.E.8 or 1.E.9.
1.E.8. You may charge a reasonable fee for copies of or providing
access to or distributing Project Gutenberg-tm electronic works provided
that
- You pay a royalty fee of 20% of the gross profits you derive from
the use of Project Gutenberg-tm works calculated using the method
you already use to calculate your applicable taxes. The fee is
owed to the owner of the Project Gutenberg-tm trademark, but he
has agreed to donate royalties under this paragraph to the
Project Gutenberg Literary Archive Foundation. Royalty payments
must be paid within 60 days following each date on which you
prepare (or are legally required to prepare) your periodic tax
returns. Royalty payments should be clearly marked as such and
sent to the Project Gutenberg Literary Archive Foundation at the
address specified in Section 4, "Information about donations to
the Project Gutenberg Literary Archive Foundation."
- You provide a full refund of any money paid by a user who notifies
you in writing (or by e-mail) within 30 days of receipt that s/he
does not agree to the terms of the full Project Gutenberg-tm
License. You must require such a user to return or
destroy all copies of the works possessed in a physical medium
and discontinue all use of and all access to other copies of
Project Gutenberg-tm works.
- You provide, in accordance with paragraph 1.F.3, a full refund of any
money paid for a work or a replacement copy, if a defect in the
electronic work is discovered and reported to you within 90 days
of receipt of the work.
- You comply with all other terms of this agreement for free
distribution of Project Gutenberg-tm works.
1.E.9. If you wish to charge a fee or distribute a Project Gutenberg-tm
electronic work or group of works on different terms than are set
forth in this agreement, you must obtain permission in writing from
both the Project Gutenberg Literary Archive Foundation and Michael
Hart, the owner of the Project Gutenberg-tm trademark. Contact the
Foundation as set forth in Section 3 below.
1.F.
1.F.1. Project Gutenberg volunteers and employees expend considerable
effort to identify, do copyright research on, transcribe and proofread
public domain works in creating the Project Gutenberg-tm
collection. Despite these efforts, Project Gutenberg-tm electronic
works, and the medium on which they may be stored, may contain
"Defects," such as, but not limited to, incomplete, inaccurate or
corrupt data, transcription errors, a copyright or other intellectual
property infringement, a defective or damaged disk or other medium, a
computer virus, or computer codes that damage or cannot be read by
your equipment.
1.F.2. LIMITED WARRANTY, DISCLAIMER OF DAMAGES - Except for the "Right
of Replacement or Refund" described in paragraph 1.F.3, the Project
Gutenberg Literary Archive Foundation, the owner of the Project
Gutenberg-tm trademark, and any other party distributing a Project
Gutenberg-tm electronic work under this agreement, disclaim all
liability to you for damages, costs and expenses, including legal
fees. YOU AGREE THAT YOU HAVE NO REMEDIES FOR NEGLIGENCE, STRICT
LIABILITY, BREACH OF WARRANTY OR BREACH OF CONTRACT EXCEPT THOSE
PROVIDED IN PARAGRAPH 1.F.3. YOU AGREE THAT THE FOUNDATION, THE
TRADEMARK OWNER, AND ANY DISTRIBUTOR UNDER THIS AGREEMENT WILL NOT BE
LIABLE TO YOU FOR ACTUAL, DIRECT, INDIRECT, CONSEQUENTIAL, PUNITIVE OR
INCIDENTAL DAMAGES EVEN IF YOU GIVE NOTICE OF THE POSSIBILITY OF SUCH
DAMAGE.
1.F.3. LIMITED RIGHT OF REPLACEMENT OR REFUND - If you discover a
defect in this electronic work within 90 days of receiving it, you can
receive a refund of the money (if any) you paid for it by sending a
written explanation to the person you received the work from. If you
received the work on a physical medium, you must return the medium with
your written explanation. The person or entity that provided you with
the defective work may elect to provide a replacement copy in lieu of a
refund. If you received the work electronically, the person or entity
providing it to you may choose to give you a second opportunity to
receive the work electronically in lieu of a refund. If the second copy
is also defective, you may demand a refund in writing without further
opportunities to fix the problem.
1.F.4. Except for the limited right of replacement or refund set forth
in paragraph 1.F.3, this work is provided to you 'AS-IS', WITH NO OTHER
WARRANTIES OF ANY KIND, EXPRESS OR IMPLIED, INCLUDING BUT NOT LIMITED TO
WARRANTIES OF MERCHANTABILITY OR FITNESS FOR ANY PURPOSE.
1.F.5. Some states do not allow disclaimers of certain implied
warranties or the exclusion or limitation of certain types of damages.
If any disclaimer or limitation set forth in this agreement violates the
law of the state applicable to this agreement, the agreement shall be
interpreted to make the maximum disclaimer or limitation permitted by
the applicable state law. The invalidity or unenforceability of any
provision of this agreement shall not void the remaining provisions.
1.F.6. INDEMNITY - You agree to indemnify and hold the Foundation, the
trademark owner, any agent or employee of the Foundation, anyone
providing copies of Project Gutenberg-tm electronic works in accordance
with this agreement, and any volunteers associated with the production,
promotion and distribution of Project Gutenberg-tm electronic works,
harmless from all liability, costs and expenses, including legal fees,
that arise directly or indirectly from any of the following which you do
or cause to occur: (a) distribution of this or any Project Gutenberg-tm
work, (b) alteration, modification, or additions or deletions to any
Project Gutenberg-tm work, and (c) any Defect you cause.
Section 2. Information about the Mission of Project Gutenberg-tm
Project Gutenberg-tm is synonymous with the free distribution of
electronic works in formats readable by the widest variety of computers
including obsolete, old, middle-aged and new computers. It exists
because of the efforts of hundreds of volunteers and donations from
people in all walks of life.
Volunteers and financial support to provide volunteers with the
assistance they need are critical to reaching Project Gutenberg-tm's
goals and ensuring that the Project Gutenberg-tm collection will
remain freely available for generations to come. In 2001, the Project
Gutenberg Literary Archive Foundation was created to provide a secure
and permanent future for Project Gutenberg-tm and future generations.
To learn more about the Project Gutenberg Literary Archive Foundation
and how your efforts and donations can help, see Sections 3 and 4
and the Foundation information page at www.gutenberg.org
Section 3. Information about the Project Gutenberg Literary Archive
Foundation
The Project Gutenberg Literary Archive Foundation is a non profit
501(c)(3) educational corporation organized under the laws of the
state of Mississippi and granted tax exempt status by the Internal
Revenue Service. The Foundation's EIN or federal tax identification
number is 64-6221541. Contributions to the Project Gutenberg
Literary Archive Foundation are tax deductible to the full extent
permitted by U.S. federal laws and your state's laws.
The Foundation's principal office is located at 4557 Melan Dr. S.
Fairbanks, AK, 99712., but its volunteers and employees are scattered
throughout numerous locations. Its business office is located at 809
North 1500 West, Salt Lake City, UT 84116, (801) 596-1887. Email
contact links and up to date contact information can be found at the
Foundation's web site and official page at www.gutenberg.org/contact
For additional contact information:
Dr. Gregory B. Newby
Chief Executive and Director
gbnewby@pglaf.org
Section 4. Information about Donations to the Project Gutenberg
Literary Archive Foundation
Project Gutenberg-tm depends upon and cannot survive without wide
spread public support and donations to carry out its mission of
increasing the number of public domain and licensed works that can be
freely distributed in machine readable form accessible by the widest
array of equipment including outdated equipment. Many small donations
($1 to $5,000) are particularly important to maintaining tax exempt
status with the IRS.
The Foundation is committed to complying with the laws regulating
charities and charitable donations in all 50 states of the United
States. Compliance requirements are not uniform and it takes a
considerable effort, much paperwork and many fees to meet and keep up
with these requirements. We do not solicit donations in locations
where we have not received written confirmation of compliance. To
SEND DONATIONS or determine the status of compliance for any
particular state visit www.gutenberg.org/donate
While we cannot and do not solicit contributions from states where we
have not met the solicitation requirements, we know of no prohibition
against accepting unsolicited donations from donors in such states who
approach us with offers to donate.
International donations are gratefully accepted, but we cannot make
any statements concerning tax treatment of donations received from
outside the United States. U.S. laws alone swamp our small staff.
Please check the Project Gutenberg Web pages for current donation
methods and addresses. Donations are accepted in a number of other
ways including checks, online payments and credit card donations.
To donate, please visit: www.gutenberg.org/donate
Section 5. General Information About Project Gutenberg-tm electronic
works.
Professor Michael S. Hart was the originator of the Project Gutenberg-tm
concept of a library of electronic works that could be freely shared
with anyone. For forty years, he produced and distributed Project
Gutenberg-tm eBooks with only a loose network of volunteer support.
Project Gutenberg-tm eBooks are often created from several printed
editions, all of which are confirmed as Public Domain in the U.S.
unless a copyright notice is included. Thus, we do not necessarily
keep eBooks in compliance with any particular paper edition.
Most people start at our Web site which has the main PG search facility:
www.gutenberg.org
This Web site includes information about Project Gutenberg-tm,
including how to make donations to the Project Gutenberg Literary
Archive Foundation, how to help produce our new eBooks, and how to
subscribe to our email newsletter to hear about new eBooks.