*** START OF THE PROJECT GUTENBERG EBOOK 55791 ***

Anmerkungen zur Transkription.

Das Original ist in Fraktur gesetzt.

Im Orginal gesperrter Text ist so ausgezeichnet. Im Original in Antiqua gesetzter Text ist so markiert. Im Original kursiver Text ist so gekennzeichnet.

Der Text benutzt für Indizes und mathematische Symbole Sonderzeichen, die nicht in jedem Zeichensatz korrekt dargestellt werden.

Weitere Anmerkungen zur Transkription finden sich am Ende des Buches.

Cover

Die Sammlung
»Aus Natur und Geisteswelt«

nunmehr schon über 500 Bändchen umfassend, will die Errungenschaften von Wissenschaft, Kunst und Technik weiteren Kreisen zugänglich machen und einem jeden die Möglichkeit bieten, auch auf ihm ferner liegenden Gebieten deren Fortschritte zu verfolgen.

Sie bietet wirkliche »Einführungen« in die Hauptwissensgebiete für den Unterricht oder Selbstunterricht, wie sie den heutigen methodischen Anforderungen entsprechen – ein Bedürfnis erfüllend, dem Skizzen mit dem Charakter von »Auszügen« aus großen Lehrbüchern nie entsprechen können, da solche vielmehr eine Vertrautheit mit dem Stoffe schon voraussetzen.

Damit sie stets auf die Höhe der Forschung gebracht werden können, sind die Bändchen nicht, wie die anderer Sammlungen, stereotypiert, sondern werden – was freilich die Aufwendungen sehr wesentlich erhöht – bei jeder Auflage durchaus neu bearbeitet und völlig neu gesetzt. So konnte der Sammlung auch der Erfolg nicht fehlen. Über 200 Bändchen liegen bereits in 2. bis 6. Auflage vor, insgesamt hat sie bis jetzt eine Verbreitung von über 3 Millionen Exemplaren gefunden.

In den Dienst dieser Aufgabe haben sich darum auch in dankenswerter Weise von Anfang an die besten Namen gestellt, gern die Gelegenheit benutzend, sich an weiteste Kreise zu wenden, der Gefahr der »Spezialisierung« unserer Kultur entgegenzuarbeiten an ihrem Teil bestrebt.

So vermag die Sammlung dem Leser ein Verständnis dafür zu vermitteln, wie die moderne Wissenschaft es erreicht hat, über wichtige Fragen von allgemeinem Interesse Licht zu verbreiten, und ihn dadurch zu einem selbständigen Urteil zu befähigen.

Alles in allem sind die schmücken, gehaltvollen Bände, denen von Professor Tiemann ein neues künstlerisches Gewand gegeben, durchaus geeignet, die Freude am Buche zu wecken und daran zu gewöhnen, einen kleinen Betrag, den man für Erfüllung körperlicher Bedürfnisse nicht anzusehen pflegt, auch für die Befriedigung geistiger anzuwenden. Durch den billigen Preis ermöglichen sie es tatsächlich jedem, auch dem wenig Begüterten, sich eine Bibliothek zu schaffen, die das für ihn Wertvollste »Aus Natur und Geisteswelt« vereinigt.

Jedes der meist reich illustrierten Bändchen
ist in sich abgeschlossen und einzeln käuflich

Jedes Bändchen geheftet Mark 1.–, in Leinwand gebunden Mark 1.25 Werke, die mehrere Bändchen umfassen, auch in einem Band gebunden

Leipzig, 1. Januar 1915

B. G. Teubner


Jedes Bändchen geheftet M. 1.–, in Leinwand gebunden M. 1.25
*) auf Wunsch auch in Halbpergamentbänden zu M. 2.–

Zur bildenden Kunst, Musik und Schauspielkunst

sind bisher erschienen:

Allgemeine Kunstwissenschaft, Kunstpflege

Bau und Leben der bildenden Kunst. Von Direktor Professor Dr. Th. Volbehr. 2. Auflage. Mit 44 Abbildungen. (Bd. 68.*)

Ästhetik. Von Professor Dr. R. Hamann. (Bd. 345.*)

Kunstpflege in Haus und Heimat. Von Superintendent R. Bürkner. 2. Auflage. Mit 29 Abbildungen. (Bd. 77.)

Kunstgewerbe

Deutsche Kunst im täglichen Leben bis zum Schlusse des 18. Jahrhunderts. Von Professor Dr. B. Haendcke. Mit 63 Abbildungen. (Bd. 198.)

Geschichte der Gartenkunst. Von Regierungs-Baumeister Chr. Ranck. Mit 41 Abbildungen. (Bd. 274.)

Kunstgeschichte

Die Entwicklungsgeschichte der Stile in der bildenden Kunst. Von Dr. E. Cohn-Wiener. 2 Bände. Mit zahlreichen Abbildungen. (Auch in 1 Band gebunden.)

Bd. I: Vom Altertum bis zur Gotik. Mit 57 Abbild. (Bd. 317.*)

Bd. II: Von der Renaissance bis zur Gegenwart. Mit 31 Abbildungen. (Bd. 318.*)

Alte Kunst

Die Blütezeit der griechischen Kunst im Spiegel der Reliefsarkophage. Eine Einführung in die griechische Plastik. Von Dr. H. Wachtler. Mit 8 Tafeln und 82 Abbild. (Bd. 272.*)

Die dekorative Kunst des Altertums. Von Dr. Fr. Poulsen. Mit 112 Abbildungen. (Bd. 454.*)

Pompeji, eine hellenistische Stadt in Italien. Von Professor Dr. Fr. v. Duhn. 2. Auflage. Mit 62 Abbildungen. (Bd. 114.)

Michelangelo. Eine Einführung in das Verständnis seiner Werke. Von Professor Dr. E. Hildebrandt. Mit 44 Abbildungen. (Bd. 392.*)

Die Renaissancearchitektur in Italien I. Von Dr. P. Frankl. Mit 12 Tafeln und 27 Textabbildungen. (Bd. 381.*)

Neuere Kunst

Die altdeutschen Maler in Süddeutschland. Von H. Nemitz. Mit einem Bilderanhang (Bd. 464.*)

Albrecht Dürer. Von Dr. R. Wustmann. Mit 33 Abbildungen. (Bd. 97.*)

Rembrandt. Von Professor Dr. P. Schubring. Mit 50 Abbildungen. (Bd. 158.*)

Niederländische Malerei im 17. Jahrhundert. Von Dr. H. Jantzen. Mit zahlreichen Abbildungen. (Bd. 373.*)

Deutsche Baukunst im Mittelalter. Von Professor Dr. A. Matthaei. 3. Auflage. Mit 29 Abbildungen. (Bd. 8.*)

Neuere Kunst

Deutsche Baukunst seit dem Mittelalter bis zum Ausgang des 18. Jahrhunderts. Von Professor Dr. A. Matthaei. Mit 62 Abbildungen und 3 Tafeln. (Bd. 326.*)

Deutsche Baukunst im 19. Jahrhundert. Von Professor Dr. A. Matthaei. Mit 35 Abbildungen. (Bd. 453.*)

19. Jahrh.

Die deutsche Malerei im 19. Jahrhundert. Von Professor Dr. R. Hamann. 2 Bände Text, 2 Bände mit 57 ganzseitigen und 200 halbseitigen Abbildungen. (Bd. 448–451, in 2 Doppelbänden, auch in 1 Halbpergament zu M. 6.–)

Die Maler des Impressionismus. Von Professor Dr. B. Lázàr. Mit 32 Abbildungen und 1 farbigen Tafel. (Bd. 395.*)

Orient.

Ostasiatische Kunst und ihr Einfluß auf Europa. Von Direktor Professor Dr. R. Graul. Mit 49 Abbildungen. (Bd. 87.)

Neuere Musikgeschichte

Haydn, Mozart, Beethoven. Von Professor Dr. C. Krebs. 2. Auflage. Mit 4 Bildnissen. (Bd. 92.)

Die Blütezeit der musikalischen Romantik in Deutschland. Von Dr. E. Istel. Mit 1 Silhouette. (Bd. 239.)

Das Kunstwerk Richard Wagners. Von Dr. E. Istel. Mit 1 Bildnis Richard Wagners. (Bd. 330.)

Die moderne Oper. Von Dr. E. Istel (Bd. 495.)

Musiktheorie

Die Grundlagen der Tonkunst. Versuch einer genetischen Darstellung der allgemeinen Musiklehre. Von Professor Dr. H. Rietsch. (Bd. 178.)

Musikalische Kompositionsformen. Von S. G. Kallenberg. 2 Bände. (Bd. 412, 413, auch in 1 Band gebunden.)

Bd. I: Die elementaren Tonverbindungen als Grundlage der Harmonielehre. (Bd. 412.)

Bd. II: Kontrapunktik und Formenlehre. (Bd. 413.)

Die Instrumente des Orchesters. Von Professor Dr. Fr. Volbach. Mit 60 Abbildungen. (Bd. 384.)

Das moderne Orchester in seiner Entwicklung. Von Prof. Dr. Fr. Volbach. Mit Partiturbeispielen u. 3 Tafeln. (Bd. 308.)

Klavier, Orgel, Harmonium. Das Wesen der Tasteninstrumente. Von Professor Dr. O. Bie. (Bd. 325.)

Schauspielkunst

Das Theater. Schauspielhaus und Schauspielkunst vom griechischen Altertum bis auf die Gegenwart. Von Dr. Chr. Gaehde. 2. Auflage. Mit 18 Abbildungen. (Bd. 230.)

Weitere Bände befinden sich in Vorbereitung.


Aus Natur und Geisteswelt

Sammlung wissenschaftlich-gemeinverständlicher Darstellungen

510. Bändchen

Grundzüge der Perspektive nebst Anwendungen

Von

Dr. Karl Doehlemann

O. ö. Professor an der Kgl. Technischen Hochschule in München

Mit 91 Figuren und 11 Abbildungen

Signet

Druck und Verlag von B. G. Teubner in Leipzig und Berlin 1916


Alle Rechte, einschließlich des Übersetzungsrechts, vorbehalten.


[III]

Vorwort.

Die Darstellung der Grundzüge der Perspektive und ihrer Anwendungen, wie sie im folgenden gegeben wird, ist hervorgegangen aus öffentlichen Vorträgen, die ich seit einer langen Reihe von Jahren in München im Volkshochschulverein halte und die von einem Publikum besucht sind, das sich aus allen Ständen und Berufsklassen zusammensetzt.

Um eine schriftliche Bearbeitung dieses Gegenstandes weiteren Kreisen zugänglich zu machen, schien es mir vor allem notwendig, das Buch mit möglichst zahlreichen Figuren auszustatten. Fast jeder größeren Aufgabe ist noch eine eigene Figur beigegeben, welche die Lage des darzustellenden Gegenstandes gegen die Bildtafel wiedergibt und eine genaue Vorstellung der räumlichen Anordnung und der vorzunehmenden geometrischen Überlegungen ermöglichen soll. Bei der Wahl der abzubildenden Gegenstände war die Klarheit und Übersichtlichkeit des Bildes maßgebend. Es mußten deswegen einfache Formen gewählt werden und diese konnten nicht immer auch in ästhetischer Hinsicht befriedigen.

Was die Abgrenzung des Stoffes betrifft, so wurde in einem einleitenden Abschnitt die Darstellung eines Gegenstandes in Grund- und Aufriß erörtert. Ich wüßte nicht, wie man das umgehen könnte. Denn es ist für den Anfänger doch unerläßlich, daß er sich einen Körper, den er in Perspektive setzt, vorher seiner Größe und Lage nach genau bestimmt.

In bezug auf Strenge der Entwicklung bin ich so weit gegangen, als es bei einer für weitere Kreise bestimmten Darstellung angängig ist: Das ist nötig, um eine sichere Grundlage zu gewinnen. Mit allgemeinen und verschwommenen Redensarten ist demjenigen nicht gedient, der zu klaren Begriffen und Vorstellungen in dem hier behandelten Gebiete gelangen will.

Was viele von der Beschäftigung mit der Perspektive abhält, ist der Umstand, daß diese Disziplin sich ohne Geometrie, also ohne mathematische[IV] Betrachtungen, nicht behandeln läßt. In der Tat werden wir im Laufe unserer Betrachtungen einige einfache Sätze aus der Planimetrie und der Stereometrie voraussetzen müssen. Aber darin liegen nicht die eigentlichen Schwierigkeiten. Diese Sätze werden die Leser verhältnismäßig leicht verstehen oder als anschauliche Tatsachen hinnehmen. Die Hauptschwierigkeit wird vielmehr die sein, daß mit all den Figuren, die im folgenden zu zeichnen sind, gewisse räumliche Vorstellungen und Überlegungen zu verbinden sind. Es wird nur durch Nachdenken möglich sein, sich in diese Dinge hineinzuleben. Nur auf diesem Wege wird man den Begriff des gesetzmäßigen, mathematischen Bildes gewinnen. Das aber ist für viele Berufsarten nötig, namentlich in der Gegenwart, in der neben dem geschriebenen und gedruckten Wort das Bild die Welt beherrscht.


Inhaltsübersicht.

Seite
Vorwort III
Einleitung: Zwei verschiedene Arten von geometrischen Bildern 1
§ 1. Das perspektivische Bild 1
§ 2. Der gerade Riß 6
Der perspektivische Entwurf 13
§ 3. Die Schnittmethode 13
§ 4. Der Satz vom Fluchtpunkt 20
§ 5. Andere Bestimmung eines perspektivischen Bildes 24
§ 6. Darstellung eines möglichst einfach gelegenen Quadrates der Grundebene. Anwendungen dieser Konstruktion. Tiefenmaßstab 27
§ 7. Darstellung beliebiger, geradliniger Figuren der Grundebene 33
§ 8. Darstellung einfacher Körper, die sich auf der Grundebene erheben 41
§ 9. Schiefe Linien im Raume 59
§ 10. Der photographische Apparat 64
§ 11. Die Wahl der Distanz 67
§ 12. Unzugängliche Distanz und Fluchtpunkte 75
§ 13. Gleichzeitige Anwendung der verschiedenen Methoden 86
§ 14. Die Darstellung des Kreises 90
§ 15. Einfache Schattenkonstruktionen 96
§ 16. Künstlerische Freiheiten 99
Literaturverzeichnis 102
Sachregister 103

[1]

Einleitung.
Zwei verschiedene Arten von geometrischen Bildern.

§ 1. Das perspektivische Bild.

1. Zweck einer Abbildung. Nehmen wir an, wir betrachten irgendein Raumobjekt, mag es nun eine Maschine oder ein Apparat sein, ein Werk der Plastik oder der Architektur oder auch eine Landschaft. Wenn wir dann über die gegenseitige Lage der einzelnen Teile des Objektes, über die relativen Größenverhältnisse und schließlich auch über die wirklichen Maße des Gegenstandes zu einem gewissen Urteil gelangt sind, so daß der Gegenstand uns klar zum Bewußtsein gekommen ist, so sagen wir, daß wir eine Vorstellung von dem Objekte haben. Der bloße Anblick von einer Stelle aus wird meistens gar nicht dazu ausreichen. Denn jedes Objekt verdeckt sich, wenn es nicht durchsichtig ist, zum Teil selbst: wir werden vielmehr im allgemeinen mehrere Ansichten brauchen. Bei kleineren Gegenständen genügen zu diesem Zwecke etwa schon Bewegungen des Kopfes oder Oberkörpers. Ausgedehnteren Objekten gegenüber, wie zum Beispiel bei einem Gebirgsstock, sind unter Umständen ganze Wanderungen nötig, um eine wirkliche Anschauung derselben zu gewinnen.

Bildliche Darstellungen irgendwelcher Art dienen nun in erster Linie dem Zwecke, dem Beschauer die Möglichkeit zu bieten, sich von den betreffenden Objekten eine Vorstellung zu bilden, ohne daß er sie wirklich vor Augen hat. Die Bilder ersetzen also bis zu einem gewissen Grade die Objekte.

Sicher muß unser Vorstellungsvermögen schon ziemlich ausgebildet sein, wenn wir uns auf Grund einer Zeichnung ein Objekt vorstellen können. Aber wir eignen uns diese Fähigkeit durch fortgesetzte Übung an, fast ohne es zu merken. Schon dem Kinde geben wir ein Bilderbuch in die Hand; es vergleicht die Gegenstände in der Natur mit denen im Bilde und lernt dadurch allmählich Sehen. So kommt es, daß[2] heutzutage bei uns auch der Ungebildete und Ärmste imstande ist, sich ein Gebäude oder eine Landschaft einigermaßen vorzustellen, wenn er davon eine Abbildung, etwa eine Photographie, zu sehen bekommt.

Abb. 1
Abb. 1.

Aus alledem folgt nun, daß eine bildliche Darstellung die Gegenstände so wiedergeben muß, wie wir sie sehen, und wir werden deswegen aus dem Vorgang des Sehens eine Definition für den Begriff des »Bildes« abzuleiten haben.

2. Mechanische Vorrichtung zur Herstellung eines Bildes. Zunächst wollen wir jetzt eine Vorrichtung kennen lernen, welche es uns ermöglicht, das, was wir ein »Bild« eines Gegenstandes nennen, mechanisch herzustellen. Eine durchsichtige Glasplatte sei in einem Holzrahmen vertikal vor uns aufgestellt. Hinter der Glasplatte, von unserem Standpunkte aus gerechnet, befindet sich der abzubildende Gegenstand. Wir sehen denselben durch die Glasplatte hindurch. Um die Betrachtung zu vereinfachen, wollen wir das eine Auge schließen, also den Gegenstand nur mit einem Auge betrachten. Aber auch dann würden wir noch bei[3] jeder Bewegung des Körpers oder Kopfes das Objekt in einer anderen Ansicht erblicken; deswegen ist es weiter nötig, unser Auge im Raume zu fixieren: man erreicht dies, indem man noch ein Stativ mit einer undurchsichtigen Platte anbringt, in welche eine kleine Öffnung, ein Guckloch, geschnitten ist. Wir wollen nun den Gegenstand betrachten, indem wir das Auge ganz nahe an dieses Guckloch bringen; dadurch ist dem Auge eine feste Stelle im Raume angewiesen. Man vergleiche dazu auch die Abbildung 1, welche dem Buche von Albrecht Dürer: »Unterweisung der Messung mit dem Zirkel und Richtscheit«, Nürnberg 1525, entnommen ist. Rechts erkennt man den von uns beschriebenen Apparat, als Objekt dient der links im Lehnstuhl sitzende Mann.

Wir nehmen ferner an, daß die Glasplatte auf der dem Auge zugewandten Seite so präpariert sei, daß wir auf ihr zeichnen können, was etwa durch Bestreichen mit Damarlack zu erreichen wäre. Nun endlich gehen wir dazu über, die Linien des Körpers, wie wir sie von dem Guckloch aus sehen, auf der Glasplatte nachzuzeichnen. Es decken sich also für mein Auge die gezeichneten Linien und die wirklichen Konturen des Gegenstandes.

Nachdem die Zeichnung fertiggestellt ist, denken wir uns das Objekt entfernt. Die Glasplatte bestreichen wir auf der Rückseite mit weißer Deckfarbe, so daß sie undurchsichtig wird; im übrigen bleibt sie an der gleichen Stelle. Die auf der anderen Seite befindliche Zeichnung wird dann auf das an dem Sehloch befindliche Auge annähernd den gleichen Eindruck machen wie der Gegenstand selbst; ich werde ihn immer noch vor mir zu sehen glauben. Weil also diese Zeichnung eine Vorstellung des Gegenstandes in uns wachzurufen imstande ist, nennen wir sie ein »Bild« des Gegenstandes. Freilich enthält unser Bild nur Linien; von den Unterschieden der Helligkeit, von Licht und Schatten, von der Farbe des Objektes haben wir ganz abgesehen. Aber man kann nicht alles auf einmal erreichen; es wäre eine zweite Aufgabe, auch diese Eigenschaften im Bilde wiederzugeben. Die erste und wichtigste Aufgabe ist jedenfalls die Herstellung einer Linienzeichnung, welche die Umrisse und überhaupt die wichtigsten Linien des Gegenstandes wiedergibt. Ja, sie genügt in vielen Fällen schon ganz allein. Denn gerade die Linie wirkt mit einer ganz wunderbaren Kraft und Stärke auf unsere Vorstellung.

3. Definition des perspektivischen Bildes. Wir müssen jetzt aber dazu übergehen, für den Begriff des Bildes eine mathematisch strenge[4] Herleitung zu geben, indem wir aus dem Vorgange des Nachzeichnens auf der Glastafel das rein Geometrische herausschälen.

Fig. 1
Fig. 1.

Statt der Glastafel denken wir uns eine ebene Fläche, also eine mathematische Ebene Π, gewählt; sie ist gegeben durch das Blatt Papier, das Reißbrett oder die Schultafel, auf der die Zeichnung hergestellt wird. Wir nennen diese Ebene kurz die »Bildebene« oder auch die »Tafel«. Der abzuzeichnende Körper sei ebenfalls ein mathematischer, nämlich ein Würfel abcdefgh. In Fig. 1 geben wir zunächst eine Darstellung des ganzen Vorganges. Statt der kleinen Öffnung, durch welche wir hindurchsehen, denken wir uns einen Punkt O im Raume gegeben, den wir in Erinnerung an unseren Apparat immer noch das »Auge« nennen. Wenn wir ferner an dem Gegenstand einzelne Linien ins Auge faßten und sie auf der Glastafel nachzeichneten, so lösen wir jetzt diese Linien in einzelne Punkte auf und betrachten zunächst einen Punkt des Körpers, z. B. die Ecke a. Was heißt es nun, daß wir auf der Glasplatte die verschiedenen Punkte des Gegenstandes nachzeichneten? Offenbar befinden sich dann der betreffende Punkt a, die Bleistiftspitze a', welche ihn auf der Glastafel markiert, und das Guckloch in einer geraden Linie. Denn wenn sich zwei Punkte im Raume für mein Auge decken, so liegen sie auf einer Geraden durch das Auge. Darauf beruht ja alles Visieren. Mathematisch ausgedrückt heißt das aber folgendes: wir ziehen durch den Punkt O eine Gerade nach dem Punkte a und bringen diese zum Schnitt mit der Bildtafel. Der Schnittpunkt ist eben a'. Wir nennen a' das »Bild« oder den »Riß« des Punktes a. Die durch O gehenden Geraden oder Strahlen bezeichnen wir als »Projektionsstrahlen« oder »Projizierende Strahlen« oder »Sehstrahlen«, den ganzen Vorgang als »Zentralprojektion«.

Fig. 2
Fig. 2.

Denken wir uns nach allen Punkten der Linien des Gegenstandes diese Strahlen gezogen und mit der Bildebene zum Schnitt gebracht, so bilden alle diese Schnittpunkte das, was wir »ein perspektivisches[5] Bild« des Objektes oder auch eine »Perspektive« des Würfels heißen.

In Fig. 2 ist ein solches Bild a'b'c'd'e'f'g'h' in seiner wahren Gestalt wiedergegeben. Die Bildebene Π ist hier die Ebene des Zeichenblattes. Oft wird auch nicht nur der ganze geometrische Prozeß, sondern das Bild selbst als eine Zentralprojektion bezeichnet. Wie sich für unser Auge die Ansicht eines Körpers ändert und immer wieder anders erscheint, wenn wir unseren Standpunkt dem Körper gegenüber verändern, so ist dieses perspektivische Bild auf der Bildtafel von zwei Faktoren abhängig: nämlich erstens davon, wie der Punkt O gegenüber der Bildtafel angenommen wird, und zweitens davon, welche Lage der Körper zur Bildtafel einnimmt. Sind aber der Punkt O und der Körper fest angenommen, so ist auch das Bild vollständig bestimmt. Man kann also sagen:

Satz 1. Sind die Bildebene Π, das Auge O und der Körper im Raume gegeben, so erhält man das perspektivische Bild des Körpers als den Schnitt der nach den Punkten des Körpers gehenden Projektionsstrahlen mit der Bildebene.

Unter »Perspektive« versteht man weiter auch die Lehre, wie man solche Bilder unmittelbar auf der Zeichenfläche mit Bleistift, Lineal und Zirkel konstruiert, ohne den mühsamen Prozeß des Nachzeichnens auf einer Glastafel durchführen zu müssen. Da es sich für uns bloß um die Wiedergabe der Linien des Körpers handelt, so spricht man auch von »Linearperspektive« oder »Linienperspektive«.

Solche perspektivische Bilder hat jeder schon oft gesehen; denn jede Photographie ist eines. Wir werden später zeigen, daß der photographische Apparat rein mechanisch derartige Bilder herstellt.

Den Begriff der Zentralprojektion gewannen wir als eine Vereinfachung des Vorganges des Nachzeichnens: er ist eine mathematische Abstraktion aus dem Sehprozeß. Wir werden nicht erwarten dürfen, daß sich diese mathematische Operation mit dem Begriff des Sehens deckt. Denn der physiologische Vorgang des Sehens ist ja tatsächlich auch ein äußerst verwickelter. Wir sehen nicht mit einem Auge, sondern mit beiden Augen, und wir halten die Augen nicht ruhig, sondern bewegen sie nach allen Seiten hin und her; wir tasten den Körper mit den Augen förmlich ab. Trotzdem leistet uns der Vorgang der[6] Zentralprojektion schon in seiner rohen Annäherung wertvolle Dienste. Denn die perspektivischen Bilder sind unter allen gesetzmäßig definierten Abbildungen weitaus die anschaulichsten und naturgetreuesten. Bevor wir aber dazu übergehen, die Gesetze und Herstellungsweisen dieser Bilder zu erörtern, müssen wir davon handeln, wie man noch auf andere Weise Bilder oder Abbildungen von räumlichen Gegenständen erhalten kann.

§ 2. Der gerade (rechtwinklige) Riß.

4. Die Senkrechte von einem Punkte auf eine Ebene. Hängen wir einen schweren Körper, z. B. eine kleine Metallkugel oder ein Gewicht, vermittels eines Fadens etwa an der Decke eines Zimmers auf, so nimmt der Faden, nachdem der Körper zur Ruhe gelangt ist, unter dem Einfluß der Anziehung der Erde eine ganz bestimmte Lage an, welche nach dem Erdmittelpunkt hin gerichtet ist. Wir nennen diese Richtung »lotrecht« oder »vertikal«. Denken wir uns weiter unter dem Faden ein Gefäß mit einer Flüssigkeit, z. B. Wasser oder Quecksilber, so bildet deren Oberfläche eine Ebene, die wir als »wagrecht« oder »horizontal« bezeichnen. Wir sagen dann weiter, daß die Richtung des Fadens auf der Oberfläche der Flüssigkeit senkrecht stehe oder lotrecht zu ihr sei. Das an einem Faden befestigte Gewicht liefert ja auch den sog. »Senkel«, und mittels dieses allbekannten Instrumentes werden beim Bau eines Hauses die Steine in horizontalen Lagen angeordnet und die Mauern lotrecht aufgeführt.

Fig. 3
Fig. 3.

Diese physikalische Tatsache erleichtert dann aber das Verständnis für den folgenden mathematischen

Satz 2. »Ist eine Ebene Π1 gegeben und ein Punkt p außerhalb derselben (Fig. 3), so kann man von dem Punkte auf diese Ebene immer eine Senkrechte oder ein Lot fällen. Diese Senkrechte schneidet die Ebene in einem Punkte, den wir p1 nennen wollen. Er mag der Fußpunkt der Senkrechten heißen. Der Abstand des gegebenen Punktes von der gegebenen Ebene ist gleich der Entfernung, welche der gegebene Punkt p und der Fußpunkt p1 bestimmen, also = der Strecke pp1.«

[7]

Die Ebene Π1 kann ganz beliebig im Raume liegen. Ist sie im besondern eine wagrechte Ebene, so fällt die senkrechte zu ihr mit der »Vertikalen« zusammen.

Fig. 4
Fig. 4.

5. Der gerade (rechtwinklige) Riß. Den Fußpunkt p1 der von einem Punkte p auf eine Ebene Π1 gefällten Senkrechten nennt man den geraden oder rechtwinkligen oder orthogonalen Riß des Punktes p auf die Ebene Π1. Die Ebene Π1 heißt wieder die Bildtafel, Bildebene oder kurz Tafel. Statt Riß wird auch das Wort Projektion gebraucht, das allerdings gleichzeitig den ganzen Vorgang bezeichnet. Man sagt auch: der Punkt p ist orthogonal auf die Ebene Π1 projiziert worden.

Was wir für einen einzelnen Punkt durchgeführt haben, können wir jetzt auch auf einen Körper und die an ihm auftretenden Linien anwenden. Es sei z. B. ein Würfel abcdefgh gegeben und die Ebene Π1; wir erläutern den ganzen Vorgang, wie er sich im Raume abspielt, durch die Fig. 4. a sei eine Ecke des Würfels. Wir denken uns durch a das Lot zur Ebene Π1 gezeichnet, welches in a1 die Tafel Π1 durchsetzt. a1 ist der gerade Riß des Punktes a. Eine zweite Ecke b des Würfels liefert ebenso den Riß b1. Dann wird man leicht einsehen, daß alle Punkte auf der Verbindungsstrecke ab Risse haben, welche auf der Verbindungsstrecke a1b1 liegen, d. h. a1b1 ist der Riß von ab. Führen wir die Projektion für alle Ecken und Kanten des Würfels durch, so erhalten wir die Figur a1b1c1d1e1f1g1h1, die den orthogonalen Riß des Würfels in der Ebene Π1 gibt. In Fig. 5 ist weiter ein solcher Riß in seiner wahren Gestalt wiedergegeben. Dabei wurde also die Ebene des Papiers als Tafel Π1 gewählt. Der Würfel selbst schwebt im Raume über der Buchseite.

Die Figur kann auch dazu dienen, folgenden übrigens leicht zu beweisenden Satz zu veranschaulichen:

Satz 3. Die geraden Risse paralleler Geraden sind selbst wieder parallel.

Beispielsweise sind ab und cd zwei im Raume parallele Gerade, und ihre Risse a1b1 und c1d1 sind ebenfalls parallel.

[8]

Wir wollen nun noch eine ganz selbstverständliche Eigenschaft einer solchen Darstellung kennen lernen.

Fig. 5
Fig. 5.

A sei eine Gerade, welche senkrecht auf der Tafel Π1 steht (Fig. 6). Wählen wir auf ihr beliebig einen Punkt a, so fällt das Lot, das man von ihm aus auf die Tafel fällen kann, natürlich mit der Geraden A zusammen, und der rechtwinklige Riß des Punktes a wird der Punkt a1, in dem die Gerade A die Bildebene durchbohrt. Aber auch jeder andere Punkt b, c … von A hat einen Riß b1, c1 …, der stets mit a1 sich deckt. Mit anderen Worten: Die Gerade A, welche auf der Bildtafel senkrecht steht, hat als Riß einen Punkt, ihren Schnittpunkt mit der Tafel.

Stellen wir uns ferner eine Ebene efki vor (Fig. 6), welche auf der Bildebene senkrecht steht, also z. B. eine lotrechte, vertikale Mauer, wenn Π1 horizontal gedacht wird, und ist ef die Schnittlinie dieser Ebene mit der Tafel, so fallen die geraden Risse aller Punkte dieser Ebene auf die Linie ef. Eine solche Ebene hat demnach als Riß eine Gerade, nämlich die Schnittlinie der Ebene mit der Tafel.

Fig. 6
Fig. 6.

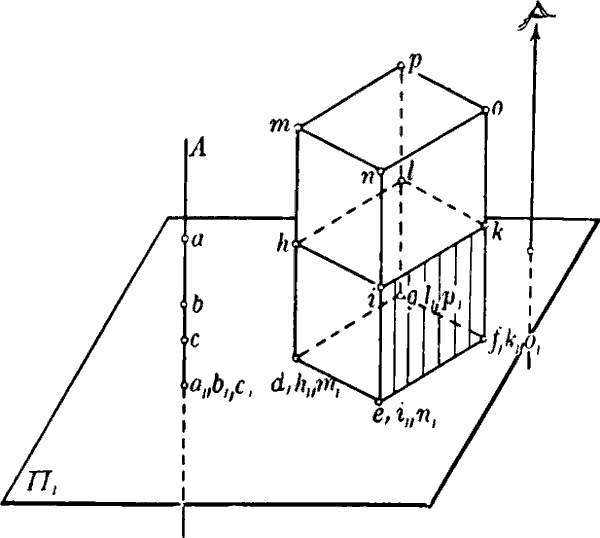
Gerade und Ebenen, welche auf der Bildebene senkrecht stehen, verschwinden folglich gewissermaßen im geraden Riß; aus dem Riß kann man die Ausdehnung solcher Geraden und Ebenen nicht beurteilen. Ist z. B. in Fig. 6 defghikl ein Würfel, der mit seiner einen Fläche defg in der Tafel liegt, so ist der gerade Riß des Würfels eben dieses Quadrat defg. Die vier Kanten dh, ei, fk, gl erscheinen als Punkte, und die vier Ebenen deih, efki, fglk und gdhl, welche auf der Tafel senkrecht stehen, gehen durch die Projektion in die Geraden de, ef, fg, gd über. Setzen wir aber auf diesen ersten Würfel einen zweiten Würfel hiklmnop, so hat dieser zweite Würfel den gleichen Riß defg, und auch das aus den beiden Würfeln bestehende Prisma[9] defgmnop hat den Riß defg. Fig. 7 gibt wieder die wahre Gestalt der Risse.

Fig. 7
Fig. 7.

Auch solche rechtwinklige Risse hat ein jeder schon gesehen. Denn jeder Plan einer Stadt ist ein derartiger Riß; die Bildtafel ist dabei eine horizontale Ebene. Wir wollen dieses Beispiel aber auch noch dazu benutzen, um uns darüber klar zu werden, mit welchem Rechte man auch diese rechtwinkligen Risse als Bilder der betreffenden Gegenstände bezeichnet. Wir fragen uns mithin: von wo aus betrachtet sieht eine Stadt so aus wie ihr Plan? Besteigen wir einen der Türme der Stadt und blicken von ihm aus, also aus einer Höhe von vielleicht 100 m, auf dieselbe herunter, so wird nur die nächste Umgebung des Turmes so erscheinen wie auf dem Plane. Von den weiter entfernt gelegenen Häusern dagegen sehen wir noch Fenster, Türen usf. Steigen wir aber in einem Ballon bis zu einer Höhe von etwa 1000 m über der Stadt auf, so wird schon ein größerer, unmittelbar unter dem Ballon gelegener Teil der Stadt uns so erscheinen, wie er auf dem Plane wiedergegeben ist. Je höher wir uns über die Stadt erheben, um so mehr sehen wir die Stadt unter uns so wie auf dem Plane. Aber erst wenn wir das Auge auf einer Senkrechten zur Bildebene über alle Maßen weit entfernt denken (Fig. 6), dann würde es die Gegenstände so sehen, wie sie im rechtwinkligen Riß dargestellt sind. Alle Sehstrahlen sind jetzt parallel, da sie alle senkrecht auf der Bildebene stehen. Wir erkennen demnach:

Satz 4. Der rechtwinklige Riß eines Gegenstandes ist das Bild, wie es einem Beobachter erscheint, der sich unendlich weit von der Bildebene entfernt befindet und senkrecht auf sie herunterschaut.

Weil alle zur Bildebene senkrechten Abmessungen im rechtwinkligen Riß verschwinden, so können wir aus einem Plan keinen Aufschluß gewinnen über die Höhe der einzelnen Häuser, der Mauern, Türme.

6. Bestimmung eines Gegenstandes durch zwei rechtwinklige Risse. Ist es nun aber nicht möglich, einen Gegenstand vollständig durch Risse zu bestimmen, so daß alle Abmessungen desselben, Länge, Breite, Höhe usf., aus den Darstellungen entnommen werden können? Da ein Riß in einer Ebene nach dem Obigen nicht genügt, so geben wir[10] uns noch einen zweiten Riß in einer zweiten Tafel. Wir wählen also noch eine zweite Bildtafel Π2, die der Einfachheit wegen auf der ersten Bildtafel Π1 senkrecht stehe. Die in Fig. 8 gegebene Ansicht möge wieder dazu dienen, sich die räumlichen Überlegungen klar zu machen. Es ist nun natürlich nötig, beide Tafeln und die in ihnen liegenden Risse zu unterscheiden. Die Ecke a des Würfels liefert in der ersten Tafel Π1 den Riß a1. Außerdem hat der Punkt a aber auch einen Riß in der zweiten Tafel. Wir erhalten denselben nach unserer Definition, indem wir uns von a eine Senkrechte zu Π2 konstruiert denken. Durchsetzt diese Senkrechte in a2 die zweite Tafel, so ist dieser Punkt der Riß von a in der Π2. Wir nennen a1 den ersten, a2 den zweiten Riß des Punktes a. Wie ferner der Würfel abcdefgh in der Π1 den Riß a1b1c1d1e1f1g1h1 liefert, so läßt sich nun auch der zweite Riß a2b2c2d2e2f2g2h2 des Würfels in der Π2 konstruieren. Die beiden Risse werden also durch die rechts unten angebrachten Zahlen unterschieden. Die erste Tafel Π1 können wir uns als eine horizontale Ebene denken, und wir nennen den in ihr gelegenen ersten Riß auch den »Grundriß« oder die »Horizontalprojektion«. Die zweite Tafel Π2 ist dann eine Vertikalebene, und der in ihr gelegene zweite Riß heißt auch »Aufriß« oder die »Vertikalprojektion«. Was für den ersten Riß erörtert wurde, gilt natürlich ganz ebenso auch für den zweiten. In Sonderheit erscheinen wieder Gerade, welche zur Aufrißebene Π2 senkrecht stehen, in ihr als Punkte und Ebenen, welche auf Π2 senkrecht stehen, bilden sich als Gerade in der Π2 ab.

Fig. 8
Fig. 8.

Denken wir uns jetzt die beiden Tafeln Π1 und Π2 etwa in Holz gefertigt und miteinander fest verbunden. Weiter sei ein Würfel im Raume gegeben und in seiner Lage gegen die beiden Tafeln fixiert (Fig. 8). Wir wollen von dem Würfel den Grundriß und den Aufriß zeichnen. Nachdem dieses geschehen ist, entfernen wir den Würfel. Dann ist durch die beiden auf den Tafeln gezeichneten Risse der Würfel immer noch bestimmt. Denn wir können von jeder seiner Ecken die[11] Lage im Raume bestimmen. In der Tat sind z. B. a1 und a2 die beiden Risse einer Ecke, so errichten wir im Punkt a1 der Grundrißebene eine Senkrechte zur Π1, und ebenso konstruieren wir im Punkte a2 der Aufrißebene eine Senkrechte zu ihr. Dann werden sich diese beiden Lote schneiden, und ihr Schnittpunkt gibt die Ecke a. In der gleichen Weise können wir für alle anderen Ecken des Würfels ihre Lage im Raume bestimmen. Also ist auch der ganze Würfel dadurch festgelegt: es wäre möglich, z. B. durch Stäbchen und Glasperlen die Ecken des Würfels wirklich im Raume anzugeben. Überhaupt kann man sagen:

Satz 5. Sind die beiden Tafeln im Raume gegeben und in ihnen die Risse eines Gegenstandes, in der richtigen Zuordnung, so daß also von jedem Punkte die beiden Risse unterschieden werden, so ist dadurch der Gegenstand und seine Lage im Raume bestimmt.

Fig. 9
Fig. 9.

7. Das Zusammenlegen der Tafeln. Es wäre recht unbequem, wollte man sich stets der beiden senkrecht zueinander befestigten Tafeln bedienen, wenn man sich auf Grund irgendwelcher Risse einen Körper vorstellen soll. Was wir wollen, ist eine auf einem Blatte befindliche Zeichnung, die dann bequem überall zu benutzen ist. Zu einer solchen gelangen wir, wenn wir die zweite Tafel sich mit der ersten vereinigen lassen. Es sei K die Schnittlinie der beiden Tafeln (Fig. 9), die wir kurz die Kante nennen. Wir drehen nun die Π2 um K wie um ein Scharnier so lange, bis Π2 mit Π1 zusammenfällt.

Die Figur 9 veranschaulicht wieder zunächst den räumlichen Vorgang. Der beliebige Punkt a hat als ersten Riß den Punkt a1, als zweiten Riß den Punkt a2' Es fragt sich, wohin a2' gelangt, wenn die Aufrißebene Π2 durch die Drehung mit der Grundrißebene zur Deckung gebracht wird. Die beiden Senkrechten aa1 und aa2' bestimmen doch eine Ebene, welche auf der Kante K senkrecht steht. Der Schnittpunkt dieser in Fig. 9 schraffierten Ebene mit der Kante K sei a. Es ist also jetzt sowohl a1a ⊥ K[12]1 als auch a2'a ⊥ K. Bei der Drehung der Aufrißebene beschreibt a2' einen Kreis mit dem Mittelpunkt a und dem Radius a2'a, der in der schraffierten Ebene a1aa2'a liegt. Ist also a2 die Lage, welche a2' nach Ausführung der Drehung annimmt, so muß auch a2a ⊥ K sein; demnach fällt a2 auf die Verlängerung der Linie a1a, und es ist a2a = a2'a.

1 ⊥ ist das Zeichen für senkrecht auf.

Fig. 10
Fig. 10.

In Fig. 10 bilden wir nun das Zeichenblatt selbst ab; es ist gewissermaßen doppelt zu nehmen, da es sowohl die Grund- als die Aufrißebene vorstellt. Die Kante K ist als eine horizontale Linie darauf gezeichnet. Dann müssen die beiden Risse a1 und a2 offenbar auf einem Lote zur Kante K gelegen sein; der Schnittpunkt des Lotes a1a2 mit K ist der Punkt a. Es folgt also:

Satz 6. Nach der Umlegung der Aufrißebene in die Grundrißebene liegen die beiden Risse eines Punktes stets auf einer Senkrechten zur Kante oder kurz auf einem Kantenlote.

Geben wir uns irgend zwei Punkte, jedoch so, daß sie auf einer Senkrechten zu K liegen, und ist der eine durch die Bezeichnung a1 als erster Riß, der andere durch die Bezeichnung a2 als zweiter Riß gekennzeichnet, so bestimmen diese beiden Risse einen ganz bestimmten Punkt a im Raume. Um uns denselben vorzustellen, denken wir uns die eine Hälfte des Zeichenblattes, in der a2 liegt, um K in die Höhe gedreht, bis sie auf der anderen Hälfte des Blattes senkrecht steht. Dann sind die beiden Tafeln in ihre wahre Lage gebracht, und wir finden den Punkt a auf die Weise wie es in 6. auseinandergesetzt wurde.

Fig. 11
Fig. 11.

Einfacher ist es übrigens zu beachten, daß in Fig. 9

aa1 = a2'a = a2a.

Es gibt also in Fig. 10 die Strecke a2a den Abstand des Punktes von der Zeichenebene. Wir haben uns demnach in a1 eine Senkrechte zur Fläche des Papiers errichtet zu denken. Auf dieser Senkrechten liegt[13] der Punkt in einem Abstande von der Zeichenfläche, der durch a2a gegeben ist.

Es ist sehr nützlich sich zu überlegen, wie die beiden Risse eines Punktes gelegen sind, wenn der betreffende Punkt verschiedene Lagen im Raume annimmt. In den Figuren 9 und 10 ist noch ein zweiter Punkt b eingetragen.

In Fig. 11 sind ferner die beiden Risse eines Würfels wirklich gezeichnet, von dem die Fig. 8 die Lage im Raume angab. Diese hier nur ihrem Wesen nach kurz skizzierte Methode des Grund- und Aufrisses wird in der darstellenden Geometrie weiter ausgeführt. Außer den perspektivischen Bildern und den geraden Rissen gibt es noch eine dritte Art von Bildern, die sog. »Schrägbilder« oder »Parallelprojektionen«. Bei ihnen ist die Projektionsrichtung nicht senkrecht zur Bildebene, sondern beliebig gegen sie geneigt. Die in diesem Buche zur Erläuterung beigegebenen Figuren, z. B. 1, 4, 6, 8, sind solche Schrägbilder. Man vergleiche darüber das Bändchen »Projektionslehre« in dieser Sammlung.

Nach diesen einleitenden Betrachtungen wollen wir uns nun eingehender mit den perspektivischen Bildern beschäftigen.


Der perspektivische Entwurf.

§ 3. Die Schnittmethode.

8. Konstruktion eines perspektivischen Bildes aus Grund- und Aufriß. Soll von einem Gegenstande ein perspektivisches Bild gezeichnet werden, so muß der Gegenstand selbst bekannt sein und außerdem die Lage des Projektionszentrums (Auges) gegen die Bildebene. Es ist zunächst am einfachsten, sich alle diese Stücke je durch Grund- und Aufriß zu geben, so daß wir also folgende Elemente erhalten: a) die Bildtafel (Zeichenebene); b) das Auge O; c) den Gegenstand. Wir behandeln wieder ein einfaches Beispiel.

Aufgabe 1. Ein Würfel ist gegeben in Grund- und Aufriß, ebenso das Auge O; man zeichne ein perspektivisches Bild des Würfels, wenn die Bildebene auf der Kante des Tafelsystems senkrecht steht.

Die Bildebene Π gehe durch den Punkt Z der Kante (Fig. 12) und enthalte die beiden Linien ZX und ZY, welche in der Π1 und in der Π2 je senkrecht zur Kante K gezogen werden können. Gleichzeitig[14] ist ZX der erste und ZY der zweite Riß der Bildebene Π. Das Auge O habe die Risse O1 und O2. Der abzubildende Würfel abcdefgh liegt mit der Fläche abcd auf der Grundrißebene. Wir haben nun den in 2. beschriebenen Vorgang wirklich durchzuführen, also die einzelnen Ecken des Würfels in die Ebene Π zu projizieren. Führen wir dies etwa für die Ecke e durch.2 Wir verbinden O mit e, dann ist O1e1 der erste Riß, O2e2 der zweite Riß dieser Verbindungslinie. Der Schnittpunkt von Oe mit Π sei e'; der erste Riß von e' kann nichts anderes sein als der Schnittpunkt von O1e1 mit ZX. Diesen Punkt bezeichnen wir also mit e1'. Ebenso ist der zweite Riß des Punktes e' der Schnittpunkt e2' von O2e2 mit der Linie ZY. Natürlich fallen alle ersten Risse unseres Bildes auf die Gerade ZX, alle zweiten auf ZY.

2 Wir raten dem Leser, alle Figuren stets nach den Angaben des Textes selbst herzustellen. Es erleichtert das Verständnis ungemein, wenn man die Figur allmählich entstehen sieht.

Fig. 12
Fig. 12.

Nun wollen wir aber doch das Bild selbst in seiner wahrer Gestalt auf unserem Zeichenblatte vor uns sehen. Um dieses zu erreichen, müssen wir die Ebene Π herausheben und in die Zeichenebene legen.[15] Das kann man etwa in folgender Weise durchführen. Wir verschieben die Ebene Π parallel zu sich selbst, bis sie durch den beliebigen Punkt (Z) der Kante geht. Sie schneidet dann die Tafeln in den Loten (Z)(X) und (Z)(Y). Nachdem dies geschehen, drehen wir die Ebene um die in der Π2 gelegene Senkrechte (Z)(Y) so lange, bis sie mit der Π2 sich deckt.

Verfolgen wir den Punkt e' bei diesen verschiedenen Schritten. Bei der Verschiebung der Ebene Π in die Lage (Y)(Z)(X) wird e1' eine Parallele zur Kante beschreiben. Ziehen wir also durch e1' eine Parallele zur Kante K, so schneidet diese die Linie (Z)(X) in (e1'). Bei der Drehung der Ebene beschreibt (e1') einen Viertelskreis um (Z) und gelangt nach e1*. Dann liegt aber der Punkt e' auf der Senkrechten, welche in e1* zur Kante gezeichnet werden kann. Die Höhe, in welcher e' über der Π1 liegt, ist jedoch bei allen diesen Vorgängen die gleiche geblieben, und sie ist durch Ze2' gegeben. Tragen wir also auf der in e1* errichteten Senkrechten diese Höhe an oder, was das gleiche ist, ziehen wir durch e2' eine Parallele zur Kante, so schneidet diese auf der Senkrechten in e1* den Punkt e' aus.

Bequemer ist es, einfach (Z)e1* = Ze1' mit dem Zirkel auf der Kante anzutragen und auf der Senkrechten in e1* dann weiter e1*e' = Ze2' abzuschneiden. Man kann dazu auch noch Fig. 1 vergleichen. Dort ist die erste Tafel Π1 angegeben als eine horizontale Ebene, die zweite Tafel ginge durch K und AY. Vom Punkte e' sind die Risse e1 und e2 eingetragen.

Ganz in entsprechender Weise konstruiert man die Bilder der übrigen Ecken und erhält so das Bild a'b'c'd'e'f'g'h' des Würfels. Um die Bildwirkung zu erhöhen, denkt man sich den Würfel aus einem undurchsichtigen Material (Holz, Gips) und zeichnet die Kanten, welche man nicht sehen würde, bloß punktiert. In unserer Figur liegen dem Auge zunächst die Kanten bc, cg, gf, fb ferner gh, he, ef. Diese müssen also ausgezogen werden. Die übrigen Kanten cd, da, ab, dh, he, ea werden dem in O befindlichen Auge durch den Würfel verdeckt; man hätte sie also streng genommen ganz wegzulassen. Es ist aber nützlich, diese Kanten wenigstens punktiert anzudeuten, um die mathematische Form besser zu übersehen. Man nennt die Berücksichtigung dieser Verhältnisse die »Sichtbarkeit bzw. Unsichtbarkeit«.

Nun ist ein perspektivisches Bild für ein gewisses Projektionszentrum konstruiert und muß von diesem aus betrachtet werden. Wir werden deswegen verlangen, den Punkt im Raume anzugeben, von dem aus[16] unser Bild b'c'g'h'e'f' zu betrachten ist. Zu diesem Zwecke fällen wir von dem Zentrum O aus auf die Bildebene Π die Senkrechte. Ihr erster Riß ist eine Parallele durch O1 zur Kante, ihr zweiter Riß eine Parallele durch O2 zur Kante. Der Fußpunkt dieser Senkrechten, die auch in Fig. 1 eingetragen ist, heiße A. Die Risse A1 und A2 desselben sind die Schnittpunkte der eben genannten Parallelen mit ZX bzw. ZY. Daraus finden wir die Lage von A wiederum, indem wir zunächst die Parallele durch A1 und (Z)(X) zum Schnitt bringen in (A1), dann durch einen Viertelskreis (Z)A1* = (Z)(A1) machen. Auf der in A1* errichteten Senkrechten schneidet die Parallele durch A2 wieder den Punkt A aus. Jetzt wissen wir also, daß unser Projektionszentrum auf der Senkrechten liegt, die in A zur Zeichenebene gedacht werden kann.

Fig. 13
Fig. 13.

Weiter gibt nun aber die Strecke O1A1 oder auch O2A2 die Entfernung, in der wir auf der genannten Senkrechten in A zur Ebene des Blattes uns das Auge O denken müssen. Bringen wir unser Auge an die dadurch bestimmte Stelle im Raume, so wird das Bild des Würfels den besten Eindruck machen. Allerdings hat man die Figur viel größer, vielleicht drei- oder viermal so groß zu zeichnen, da wir bei normalen Augen das Zeichenblatt wenigstens 25 cm von unserem Auge entfernt halten müssen.

Man nennt den Punkt A den »Haupt«- oder »Augpunkt«, und er ist wohl zu unterscheiden von dem Projektionszentrum oder dem »Auge« O; die Entfernung OA des Projektionszentrums O von der Bildebene, also die Strecke O1A1 oder O2A2 heißt die »Distanz«.

Abb. 2
Abb. 2.
Methode der mech. Konstruktion einer Perspektive mittels des Reileschen Apparates.

9. Apparat zur Konstruktion einer Perspektive. Geht man vom Grundriß des gegebenen Gegenstandes aus, so beruht das soeben durchgeführte Verfahren wesentlich darauf, daß man die Höhe ermittelt, in der das Bild eines Punktes über der Grundrißebene lag. Statt der Grundrißebene kann man auch die Ebene benutzen, welche man durch das Auge O parallel zur Grundrißebene legt. Diese Ebene heiße die »Horizontebene«[17]
[18]
und sie schneidet die Bildebene Π in einer Geraden hh, welche durch den Hauptpunkt A geht und der »Horizont« genannt wird (Fig. 13). Es sei nun ein Punkt a gegeben, der von O aus gerechnet vor der Bildebene Π liegt, welch letztere die Grundrißebene Π1 in der Geraden gg schneidet. Dann können wir das Bild a' wieder in folgender Weise bestimmen. Die von a auf Π1 gefällte Senkrechte trifft Π1 im Risse a1, die Horizontebene dagegen im Punkte (a1). Verbinden wir O1 mit a1, so ist dies der Riß des Sehstrahles Oa. O1a1 trifft die Gerade (gg) in a1', und auf der in a1' gelegenen Senkrechten liegt das Bild a'. Schneidet diese Senkrechte den Horizont in (a'), so ist die Linie O(a') parallel zu O1a1', und zur Berechnung der Höhe a'(a') kann die Proportion dienen:

a'(a')/a(a1) = O(a')/O(a1).

Das Verhältnis auf der rechten Seite darf zunächst durch O1a1' : O1a1 ersetzt werden. Zieht man ferner durch a1 eine Parallele zu gg, welche O1A1 in X trifft, so wird dies Verhältnis auch durch O1A1 : O1X gegeben, so daß man schließlich erhält

(1) a'(a')/a(a1) = O1A1/O1X.

Die Strecke a(a1) kann aus dem Aufriß entnommen werden und ist gleich der Höhe des Aufrisses über dem Horizont.

Ist nun (Abbildung 2) der Grundriß in Fig. I, der Aufriß in Fig. II gegeben und ist die Bildebene um gg in die Grundrißebene umgeklappt, so läßt sich aus der Proportion (1) in folgender Weise die Höhe a'(a') ermitteln. Man zieht durch den Riß a1 eine Parallele zu hh, welche auf O1A1 den Punkt X liefert. Auf dieser Parallelen trägt man ferner die Höhe ab, in der der Aufriß von a über dem Horizont liegt, macht also XY = a2ah, wo a2ah aus Fig. II zu entnehmen. Verbindet man diesen Punkt Y mit O1, so schneidet diese Linie aus gg den Punkt B1 aus, und es gilt nun die Proportion:

(2) B1A1/XY = O1A1/O1X.

Vergleicht man (1) und (2), so müssen also auch die linken Seiten einander gleich sein, und da XY = a2ah = a(a1), so ist B1A1 = a'(a').

In B1A1 ist mithin die Höhe des Bildes von a über dem Horizont ermittelt. Verbindet man demnach noch a1 mit O1, so liefert diese Linie auf gg den Punkt a1'. Auf dem in a1' errichteten Lote liegt a' und[19] wird erhalten, wenn man vom Horizont aus B1A1 anträgt, also (a')a' = B1A1 macht.

Herr Kunstmaler Adolf Reile in Stuttgart hat in der Zeitschrift für gewerblichen Unterricht, Jahrg. XXX, 1915 Nr. 43 einen einfachen Apparat angegeben, der diese von ihm abgeleitete Beziehung mechanisch zu konstruieren gestattet. Zwei Reißschienen L und R sind durch ein Gelenk miteinander verkuppelt. Der Gelenkmittelpunkt wird stets auf der Geraden gg geführt, indem die Reißschiene R an der oberen Kante AD des Reißbrettes ABCD hingleitet. Die Reißschiene L geht immer durch O1 hindurch, was dadurch erreicht wird, daß eine Hülse durch eine Stecknadel in O1 festgehalten ist, während die Schiene L durch die Hülse hindurchgleitet.

Um die obige Konstruktion auszuführen, legt man zunächst eine gewöhnliche Reißschiene R' durch a1, bestimmt durch Abgreifen mit dem Zirkel Y und verschiebt sodann L so lange, bis es durch Y geht. Die Kuppelung befindet sich nun in B1, und die Schiene R bestimmt auf dem Horizont die gesuchte Strecke AB = A1B1. Legt man endlich L durch a1, so gibt die Schiene R das Lot in a1', und längs derselben kann AB angetragen werden. Da das Objekt bei der in Abb. 2 gemachten Annahme vor der Bildebene liegt, so wird es durch die Perspektive vergrößert.

Es gibt Vorrichtungen (sog. Perspektographen), welche überhaupt Perspektiven mechanisch herstellen; so haben G. Hauck und E. Brauer einen allerdings komplizierten und teueren Apparat konstruiert, bei dem ein freier Stift die Perspektive beschreibt, wenn man mit zwei anderen Stiften den Grund- und Aufriß nachfährt. Man vgl. Zeitschrift des Vereins deutscher Ingenieure, Bd. 35, 1891 Nr. 28, S. 782.

Wesentlich ist, daß das in 8. erörterte Verfahren, das man auch als die »Schnittmethode« bezeichnet, uns zwar die Möglichkeit gibt, das perspektivische Bild Punkt für Punkt zu zeichnen, daß es uns aber keinen Einblick in die Natur dieser Bilder gewährt und uns keine Eigenschaften solcher Bilder liefert. So gehen beispielsweise in Fig. 12 die vier Linien b'a', c'd', g'h', f'e' hinreichend verlängert durch einen Punkt, nämlich durch A, und es leuchtet ohne weiteres ein, daß dies für die Zeichnung mit Vorteil verwendet werden kann. Deswegen gehen wir jetzt dazu über, denjenigen Satz zu beweisen, der die wichtigste Eigenschaft aller perspektivischen Bilder liefert.

[20]

§ 4. Der Satz vom Fluchtpunkt.

10. Der Fluchtpunkt einer Geraden. Wir erinnern zunächst an folgenden, auch der Anschauung leicht zugänglichen Satz: »Irgend zwei parallele Gerade im Raume bestimmen eine Ebene, und jede Gerade, welche diese beiden parallelen Geraden schneidet, liegt ebenfalls ganz in dieser Ebene.«

Dieser grundlegenden Behauptung der Geometrie kann man auch folgende andere Fassung geben:

»Ist eine Gerade G gegeben und ein Punkt O (Fig. 14) und verbindet man den Punkt O mit beliebigen Punkten a, b, … von G, so liegen alle diese Verbindungslinien in einer Ebene, und dieser Ebene gehört auch die Gerade J an, welche durch O parallel zu G gezogen werden kann.«

Es sei nun weiter die Bildtafel Π gegeben sowie das Auge O; es soll das perspektivische Bild der Geraden G gezeichnet werden. Dieses Bild G' erhält man, wenn man die Bilder der einzelnen Punkte a, b, c, … von G aufsucht. Man hat also die Projektionsstrahlen Oa, Ob, Oc, … mit Π zum Schnitt zu bringen. Alle diese Punkte a', b', c' … liegen dann aber auf der Geraden G', in welcher die Ebene der Projektionsstrahlen Oa, Ob, Oc, … die Tafel Π durchsetzt. In der Ebene dieser Projektionsstrahlen liegt nun nach dem obigen Satze auch der Strahl J, der durch O parallel zu G gezogen werden kann. Trifft er in f die Tafel, so muß also G' auch durch f gehen.

Die Gerade G schneidet ferner die Tafel Π in einem Punkte s; er heißt die »Spur« der Geraden, und er muß selbstverständlich auch auf G' gelegen sein.

Fig. 14
Fig. 14.

Der Punkt f dagegen heißt der »Fluchtpunkt« oder die »Flucht« oder auch der »Verschwindungspunkt der Geraden G«. Diese sehr treffende Bezeichnung[21] erklärt sich in folgender Weise. Lassen wir einen Punkt sich auf der Geraden G von der Spur s aus nach links immer weiter und weiter fortbewegen, so daß er die Lagen a, b, c, … annimmt, so werden sich die Bilder a', b', c' … dem Fluchtpunkt f mehr und mehr nähern. Ist der Punkt auf der Geraden G schon sehr weit hinausgerückt, so wird das Bild des Punktes ziemlich nahe an f liegen. Aber allerdings gibt es keinen erreichbaren Punkt auf G, dessen Bild wirklich nach f fiele. Denkt man sich die Gerade G als eine materiell hergestellte, sehr lange, dünne Stange aus Draht oder Holz und Π wieder als Glastafel und visiert ein in O angebrachtes Auge die Stange ein, so wird ihr Ende nahezu in f erscheinen, die Gerade »verschwindet« in f. Das Bild G' läuft verlängert durch den Fluchtpunkt, oder es »flieht« nach f.

Wir geben nochmals an, wie der Fluchtpunkt einer Geraden zu konstruieren ist:

Satz 7. Der Fluchtpunkt einer Geraden wird erhalten, wenn man durch das Auge eine Parallele zu der Geraden zieht. Der Schnittpunkt dieser Parallelen mit der Tafel (die Spur dieses Parallelstrahles) ist der Fluchtpunkt der Geraden.

Das Bild G' wird man zeichnen können, wenn man 2 Punkte desselben bestimmt hat. Als solche bieten sich ganz von selbst die Spur s und die Flucht f dar. Man kann also sagen:

Satz 8. Das Bild einer Geraden ist die Verbindungslinie ihrer Spur und ihres Fluchtpunktes.

Um ein Beispiel zu haben, betrachten wir Fig. 12. Wählen wir die Kante ab des Würfels. Der Fluchtpunkt dieser Geraden ergibt sich, wenn wir durch O die Parallele zeichnen. Da die Kante auf der Tafel ZXY senkrecht steht, so ist diese Parallele die Linie OA und A ist der Fluchtpunkt. Es geht also in dem perspektivischen Bilde rechts oben a'b' verlängert durch A.

11. Der Satz vom Fluchtpunkt. Denken wir uns nun (Fig. 14) eine zweite Gerade H gegeben, welche zu G parallel sein soll. Die Spur von H sei der Punkt s'. Dann weiß man, daß die Linie J oder Of auch parallel zu H, und dies besagt doch nichts anderes, als daß f auch der Fluchtpunkt der Geraden H sein muß. Das perspektivische Bild H' der Geraden H läuft folglich durch f und durch s'. Ebenso wäre für jede andere Gerade, welche zu G parallel ist, f der Fluchtpunkt. Die[22] Bilder G' und H' der parallelen Geraden G und H laufen also im gemeinsamen Fluchtpunkt f zusammen. Damit erhalten wir den die ganze Lehre von der perspektivischen Zeichnung beherrschenden

Satz 9. Sind eine Anzahl paralleler Geraden im Raume gegeben, so sind die perspektivischen Bilder dieser Geraden nicht parallel, sondern sie laufen, hinreichend verlängert, durch einen Punkt, den gemeinsamen Fluchtpunkt der parallelen Geraden.

Fig. 15
Fig. 15.

Man beachte, daß im Gegensatze dazu bei der orthogonalen Projektion nach Satz 3 (S. 7) parallele Gerade im Raume auch stets Bilder haben, die wieder parallel sind. Die Figur 12 liefert uns auch sofort ein Beispiel für die Anwendung dieses Fluchtpunktsatzes. Betrachten wir an dem dort dargestellten Würfel die 4 Kanten ba, cd, gh, fe, so erkennt man leicht, daß dieses 4 parallele Gerade sind. A ist offenbar der gemeinsame Fluchtpunkt derselben, und die Bilder b'a', c'd', g'h', f'e' laufen demnach verlängert durch A.

Eine aufmerksame Betrachtung der Fig. 12 kann uns übrigens darüber belehren, daß es doch parallele Gerade gibt, deren Bilder auch wieder parallel sind. So sind die vier Geraden bc, ad, eh, fg offenbar im Raume parallel, und ihre Bilder b'c', a'd', e'h', f'g' sind ebenfalls parallel. Die gleiche Eigenschaft zeigen die vier Kanten ae, bf, cg, dh. Betrachten wir nun, um dies klar zu übersehen, eine Gerade G, welche zur Bildebene Π parallel ist (Fig. 15). Das Bild G' derselben ergibt sich wieder, wenn wir nach allen möglichen Punkten von G die Projektionsstrahlen legen und diese mit der Tafel zum Schnitt bringen. Alle diese Strahlen bilden aber eine Ebene, und diese projizierende Ebene schneidet aus Π das Bild G' aus. Wenn wir nun angenommen haben, daß die Gerade G zur Bildtafel Π parallel ist, so heißt das, daß sie die Bildtafel nicht schneidet. Die Gerade G kann also auch G' nicht schneiden oder mit anderen Worten: es ist G parallel G'.

Ist nun H eine zweite zu G parallele Gerade, so folgt ganz in der gleichen Weise, daß auch H parallel zu H' ist, und daraus folgert man sofort, daß auch G' parallel H' ist. Diese beiden parallelen Geraden[23] G und H haben also parallele Bilder G' und H'. Allgemein kann man diesen besonderen Fall des Fluchtpunktsatzes aussprechen als

Satz 10. »Parallele Geraden, welche überdies zur Bildebene parallel laufen, haben auch parallele, perspektivische Bilder; die Bilder solcher Geraden sind zu den Geraden selbst parallel.«

Fig. 16
Fig. 16.

12. Das Fluchtpunktgesetz in der Erscheinungswelt. Der Begriff der Zentralprojektion war abgeleitet aus dem Vorgang des Sehens, den wir jetzt etwas genauer untersuchen müssen. Das menschliche Auge entwirft von beleuchteten Gegenständen, die sich vor ihm befinden, auf der im Hintergrunde des Auges befindlichen Netzhaut kleine Bildchen, die dadurch entstehen, daß man die Punkte des Gegenstandes aus einem bestimmten, im Auge gelegenen Punkte o auf die Netzhaut projiziert. In Fig. 16 ist das allerdings in ganz unrichtigen Größenverhältnissen wiedergegeben. Als Objekte sind die beiden parallelen Pfeile ab und cd gewählt. o ist das Zentrum, und die von o nach den Punkten a, b, c, d gehenden Strahlen schneiden die Netzhaut in den Punkten a', b', c', d'. So entstehen die Bildchen a'b' und c'd'. In zweierlei Hinsicht unterscheidet sich freilich die hier zur Verwertung kommende Perspektive von der von uns betrachteten. Erstens tritt an Stelle der ebenen Bildtafel die kugelförmig gewölbte Netzhaut, und zweitens befinden sich Gegenstand und auffangende Fläche auf verschiedenen Seiten des Zentrums o. Das letztere äußert sich dadurch, daß die Bildchen auf der Netzhaut verkehrt sich ausbilden. So sind z. B. die Pfeilspitzen a', c' unten gelegen. Mit dem Augenspiegel kann man das direkt beobachten. Denkt man sich weiter durch o die Parallele zu ab gezogen, so schneidet diese die Netzhaut in einem Punkte f, den wir als den Fluchtpunkt aller zu ab parallelen Linien bezeichnen müssen. Je länger der Pfeil ab ist, desto mehr strebt das Bildchen a'b' dem Punkte f zu. Die beiden Bilder a'b' und c'd' laufen verlängert durch f, und diese Tatsache drückt sich auch in unserem Wahrnehmungsbild aus, indem sich die beiden Pfeile zu nähern scheinen. In der Tat kann man das auf Schritt und Tritt beobachten. Wenn eine Straße auf eine lange Strecke geradlinig verläuft, so scheinen die Häuser am Ende derselben zusammenzurücken, ebenso die Trambahnschienen und die Gesimslinien[24] ihrer Gebäude. Eine geradlinige Allee schließt sich scheinbar in der Ferne, in gleicher Weise ein sehr langer Korridor. Am großartigsten zeigt sich die Erscheinung, wenn die Sonnenstrahlen durch eine Wolkenlücke brechen. Sie werden dann in ihrem geradlinigen Verlauf sichtbar, indem sie die Wolken oder andere Teile der Landschaft beleuchten. Die Strahlen, die durch die Lücke hindurchgehen, sind nun parallel, da wir Strahlen, die von einem Punkte der Sonne ausgehen, als parallel betrachten müssen. Für unser Auge aber scheinen diese Strahlen von einem Punkte auszugehen, eben dem Fluchtpunkte derselben. So bringt uns unser Auge den Satz vom Fluchtpunkte fast in jedem Moment zum Bewußtsein und wir können nicht über die Straße gehen, ohne ihn zu erleben. Das ganze Weltbild, das wir beständig vor Augen haben, wird durch dieses Gesetz wesentlich beeinflußt.

§ 5. Andere Bestimmung eines perspektivischen Bildes.

Fig. 17
Fig. 17.

13. Die festen Elemente. Wir wollen nun einen anderen Weg einschlagen, um perspektivische Bilder von Körpern zu zeichnen, indem wir den Satz vom Fluchtpunkt jetzt so viel als möglich heranziehen. Es ist dann zunächst nötig, eine Anzahl fester Elemente einzuführen, auf die wir die Darstellung beziehen. Die Bildebene oder Tafel denken wir uns wieder als eine lotrechte Ebene. Die darzustellenden Gegenstände werden sich nun in den meisten Fällen auf einer horizontalen Bodenfläche befinden; wir führen dementsprechend eine zur Tafel senkrechte, wagrechte Ebene ein, die wir kurz die »Grundebene« nennen. Die Figuren 17 und 18 geben wieder eine Ansicht aller zu benutzenden Gebilde. Die Grundebene Π1 wird die Tafel Π in einer Geraden gg schneiden, welche »Grundlinie« heißen soll. Von dem im Raume gegebenen Auge O fällen wir eine Senkrechte auf die Tafel, deren Fußpunkt der schon erwähnte »Haupt«- oder »Aug«-Punkt A ist. Da die Linie[25] OA demnach parallel zur Grundebene verläuft, so kann man durch OA eine Ebene legen, welche parallel zur Grundebene ist. Diese Parallelebene schneidet aus der Tafel eine Linie hh aus, welche parallel zur Grundlinie gg sein muß und bereits als der »Horizont« bezeichnet wurde. Die Parallelebene selbst hieß die »Horizontebene«. Der Abstand des Horizonts von der Grundlinie oder, was das gleiche ist, der Abstand der Horizontebene von der Grundebene wird die »Augenhöhe« genannt. Endlich tragen wir noch die Distanz OA vom Augpunkt aus nach beiden Seiten auf dem Horizont ab, wodurch wir die Punkte D1 und D2 erhalten. Diese heißen die »Distanzpunkte«. Da also AD1 = AO = AD2, so sind die Dreiecke D1OA und D2OA beide gleichschenklig rechtwinklig, und es ist ∢ AD1O = ∢ AD2O = 45°.

In der Zeichenebene geben wir uns also (Fig. 19) zwei parallele Linien hh und gg und auf der oberen den Punkt A sowie im gleichen Abstande rechts und links die Punkte D1 und D2. Die Lage des Auges im Raume ist damit festgelegt: es liegt auf der Senkrechten, die wir uns im Punkte A zur Zeichenebene errichtet denken, und zwar in einem Abstande von A, der gleich AD1 oder AD2 ist.

Durch die Annahme dieser Elemente ist nun bereits eine ganze Anzahl von Richtungen bestimmt. Eine auf der Zeichenebene senkrechte Gerade T liefert uns die Ausdehnung des Gegenstandes nach der »Tiefe« zu, wie wir ja auch von der Tiefe eines Kastens oder einer Bühne sprechen und darunter die Abmessung verstehen, die lotrecht zur Vorderfläche erfolgt. Wir nennen aus diesem Grunde jede auf der Bildebene senkrechte Gerade T eine »Tiefenlinie« (Fig. 18 oben). Die durch das Auge O zu einer solchen Tiefenlinie gelegte Parallele wird dann aber immer der Strahl OA, und folglich ist nach Satz 7 A ihr Fluchtpunkt. Damit haben wir aber bewiesen:

Satz 11. »Der Augpunkt A ist der Fluchtpunkt für alle Tiefenlinien, d. h. die Bilder aller Tiefenlinien gehen verlängert durch den Augpunkt

Der Augpunkt beherrscht deswegen die ganze Darstellung und legt die im Bilde fehlende dritte Dimension fest.

Um die Bedeutung des Horizontes zu erkennen, erinnern wir zunächst an folgenden Satz aus der Stereometrie: »Ist eine Ebene Π1 gegeben und außerhalb derselben ein Punkt O, so gibt es durch O nur eine Ebene, welche zu Π1 parallel ist.«

Diese Behauptung kann man auch durch folgende andere ersetzen:[26] »Zieht man in der Ebene Π1 irgendwelche Gerade und zeichnet durch O die Parallelen zu derselben, so liegen alle diese Parallelen in einer Ebene, eben in der Parallelebene durch O zu Π1.« Ist also G irgendeine Gerade der Grundebene (Fig. 17) und ziehen wir zu ihr durch O die Parallele, so liegt diese in der Horizontebene, der Schnittpunkt f der Parallelen mit der Tafel muß demnach auf hh gelegen sein; er ist aber der Fluchtpunkt der Geraden G; mit anderen Worten:

Satz 12. Alle in der Grundebene gelegenen Geraden haben ihre Fluchtpunkte auf dem Horizonte.

A ist im besonderen der Fluchtpunkt aller zur Grundlinie gg senkrechten Geraden der Grundebene, was wir ja schon wissen. Zeichnen wir ferner in der Grundebene ein Quadrat abcd (Fig. 18), das mit einer Seite ab in der Grundlinie liegt. Dann schließen die Linien ac und bd, die sog. Diagonalen des Quadrates, mit der Grundlinie Winkel von 45° ein. Man vgl. auch Fig. 19, in welcher unten das Quadrat (a)(b)(c)(d) in seiner wahren Gestalt zu sehen ist. Es ist aber klar, daß die Linie OD1 parallel zu bd und OD2 parallel zu ac; D1 und D2 sind die Fluchtpunkte der Diagonalen des Quadrates und aller zu diesen beiden Geraden parallelen Geraden der Grundebene d. h.

Satz 13. »Alle Linien der Grundebene, welche mit der Grundlinie den Winkel von 45° nach der einen oder anderen Seite einschließen, haben die Distanzpunkte bzw. zu Fluchtpunkten.«

Fig. 18
Fig. 18.

Endlich wollen wir noch eine andere Eigenschaft des Horizontes kennen lernen. Ist d ein Punkt in der Grundebene, d' sein Bild, also der Schnittpunkt des Sehstrahles Od mit Π (Fig. 18), so wollen wir uns vorstellen, daß der Punkt d weiter und weiter nach links in der[27] Grundebene hinausrückt. Dann wird das Bild d' offenbar immer höher in der Bildtafel hinaufrücken, da sich der Strahl Od mehr und mehr aufrichtet. Ist d sehr weit entfernt in der Grundebene angenommen, so wird das Bild d' dem Horizont hh schon sehr nahe liegen. Wir gewinnen daraus folgende Deutung für den Horizont:

Satz 14. »Punkte, die sehr weit entfernt in der Grundebene liegen, haben Bilder, die nahezu in den Horizont fallen.«

Ein schönes Beispiel dafür liefert die Darstellung des offenen Meeres. Denn seine Oberfläche müssen wir uns als eine weit ausgedehnte Ebene denken. Ist also in einem Gemälde das freie Meer überhaupt oder eine weit ausgedehnte Wasserfläche dargestellt, so gibt die Grenzlinie gegen den Himmel praktisch hinreichend genau den Horizont des Bildes (vgl. Fig. 50). Unsere Überlegung gibt auch die Erklärung dafür, warum sich die Meeresfläche scheinbar so hoch erhebt, daß sie wie eine Mauer sich aufzutürmen scheint. In der Tat muß das Bild jeder sehr weit ausgedehnten horizontalen Ebene bis fast in Augenhöhe reichen.

§ 6. Darstellung eines möglichst einfach gelegenen Quadrates der Grundebene. Anwendungen dieser Konstruktion. Tiefenmaßstab.

14. Die Umlegung und Verschiebung der Grundebene. Unter Benutzung der so definierten festen Elemente wollen wir jetzt Körper darstellen. Wir beginnen aber mit dem Einfachsten, indem wir zunächst von Figuren, die in der Grundebene gelegen sind, die Bilder zeichnen. Es ist dann aber notwendig, daß wir uns diese Figuren auch selbst geben, sowohl ihrer wahren Gestalt nach als in ihrer Lage in der Grundebene. Zu diesem Zwecke müssen wir die Grundebene in unsere Zeichenebene irgendwie hereinbringen. Eine Möglichkeit, dies zu erreichen, ist folgende: wir drehen die Grundebene um die Grundlinie nach aufwärts im Sinne der beiden Pfeile (Fig. 17, 18) so lange, bis sie mit der Tafel sich deckt. Dann liegt die Grundebene allerdings in unserem Zeichenblatt, aber wir haben die Unannehmlichkeit, daß die Figuren der Grundebene sich dort befinden, wo das Bild entworfen werden soll. Deswegen schieben wir die (gedrehte) Grundebene in der Tafel parallel zu sich selbst noch um ein beliebiges Stück herunter, bis die Grundlinie die neue Lage (g)(g) annimmt (Fig. 19); irgendein[28] Punkt a der Grundlinie beschreibt dabei die lotrechte Linie a(a), wenn wir mit (a) die Lage des Punktes a nach Ausführung der Verschiebung bezeichnen. Die Entfernung a(a) zwischen gg und (g)(g) ist ganz willkürlich und richtet sich nach der Größe der in der Grundebene gegebenen Figur.

Fig. 19
Fig. 19.

Nach diesen Vorbereitungen behandeln wir folgende

Aufgabe 2. In der Grundebene ist ein Quadrat gegeben, von dem eine Seite ab in der Grundlinie liegt. Das Bild des Quadrates zu zeichnen.

Die Lage des gegebenen Quadrates abcd veranschaulicht Fig. 18. In der wirklichen Ausführung (Fig. 19) geben wir uns den Horizont hh mit dem Augenpunkt A und den beiden Distanzpunkten, D1 und D2, dazu parallel die Grundlinie gg mit den beiden Ecken a und b des Quadrates.

Um auf Grund dieser Stücke das Bild des Quadrates zu zeichnen, ziehen wir in beliebigem Abstand die Parallele (g)(g) und bestimmen vermittels der Vertikalen durch a und b die Lage (a)(b)(c)(d) des Quadrates nach der Verschiebung. Nun sind die Quadratseiten ad und bd Tiefenlinien, ihre Bilder müssen also nach Satz 11 durch A gehen; die Punkte a und b sind aber die Spuren dieser Geraden. Folglich erhalten wir in aA und bA die Bilder der beiden Geraden, auf denen die Quadratseiten ad und bc liegen, und die Bilder d' und c' müssen bzw. auf aA und bA gelegen sein. Denken wir uns aber noch die Diagonale db konstruiert, welche in unserer Verschiebung als (d)(b) zu zeichnen ist, so ist das eine Linie, welche einen Winkel von 45° mit der Grundlinie bildet. Nach Satz 13 ist also D1 der Fluchtpunkt dieser Geraden, b aber ist ihre Spur; mithin wird das Bild der Geraden db die Verbindungslinie bD1. Das Bild d' muß demnach sowohl auf aA als auch auf bD1 liegen, kann also nur der Schnittpunkt d' dieser beiden Linien sein. Ebenso finden wir das Bild c' der Ecke c als Schnittpunkt von aD2 und bA. Das folgt sofort aus der Betrachtung der[29] anderen Diagonale ac. Eine Kontrolle für die Zeichnung ergibt sich daraus, daß c'd' von selbst parallel gg sein muß. Denn die Quadratseite cd ist ja parallel zur Tafel, also nach Satz 10 cdc'd'.3 Da aber cdab, so ist auch c'd'ab. Man erkennt ferner, daß es für die Konstruktion des Bildes abc'd' gar nicht nötig gewesen wäre, die Verschiebung (a)(b)(c)(d) zu zeichnen. Im übrigen sei nochmals an die Bemerkung auf S. 14 unten erinnert.

3 ∥ ist das Zeichen für parallel.

Aufgabe 3. Einen in der Grundebene gelegenen quadratisch getäfelten Fußboden zu zeichnen.

Die Quadrate, welche den Fußboden liefern, sind in Fig. 19 in der Verschiebung gezeichnet. An das Quadrat (a)(b)(c)(d) schließt sich die erste Reihe, welche an die Grundlinie angrenzt, daran schließt sich eine zweite Reihe von Quadraten usf. Die Konstruktion Fig. 19 ergibt sich fast von selbst. Die Tiefenlinien, wie z. B. (e)(f), fliehen im Bilde alle nach A. Ferner erkennt man leicht, daß in dem System der Quadrate alle Diagonalen der einen und anderen Richtung sich zu zwei Scharen paralleler Geraden zusammensetzen. Das gilt also auch für das Bild, nur mit dem Unterschied, daß die Bilder aller dieser parallelen Geraden bzw. nach D1 und D2 laufen. In der Fig. 19 sind der Tiefe nach 5 Reihen von Quadraten gezeichnet, während in der Verschiebung nur 3 Reihen angegeben wurden. Da alle Diagonalen der Quadratbilder nach D1 oder D2 gehen, und außerdem je zwei Seiten eines Quadrats parallel zur Grundlinie laufen, so bietet die Figur zahllose Kontrollen.

15. Anwendungen dieser Aufgabe. Man würde aber irren, wollte man diese Figur bloß für eine mathematische Spielerei halten: wir können vielmehr von derselben eine ganze Anzahl praktischer Anwendungen machen. Zunächst ist es möglich, daß bei der bildlichen Wiedergabe eines Interieurs, z. B. eines Zimmers, an und für sich ein solcher Parkettboden zu zeichnen ist. Derselbe bietet dann aber auch weiter die Möglichkeit, Figuren, Einrichtungsgegenstände usf. einigermaßen richtig im Raume zu verteilen, indem man diesen Objekten eine durch die Schätzung der Quadrate zu beurteilende Bodenfläche zuweist. Jedenfalls kann man sich vor ganz groben Irrtümern dadurch schützen. Als Beispiel geben wir in Abbildung 3 das Abendmahl des Altniederländers Dirk Bouts (1410(?)–1472) wieder, das sich in der Peterskirche in Löwen befand und von den Deutschen im Kriege von 1914[30] gerettet wurde. Auf gewisse Unrichtigkeiten der Konstruktion gehen wir hier nicht ein. Der primitiven Kunst lag eine solche Rücksicht auf richtige Verteilung der Objekte im Raume überhaupt gänzlich fern. Sie zeichnet die Köpfe einer Anzahl von Menschen einfach neben- und übereinander, ohne sich zu fragen, ob die zugehörigen Körper auch wirklich den ihnen entsprechenden Platz im Raume haben.

Abb. 3
Abb. 3.

[31]

Unter Umständen kann es auch bequem sein, ein solches Quadratnetz in die Figur einzuzeichnen, wenn z. B. ein ziemlich unregelmäßig gestalteter Grundriß, ein ganzer Stadtplan oder eine Gartenanlage, in Perspektive gesetzt werden soll (Fig. 20). Wir legen über die Figur ein derartiges Netz und zeichnen dessen Bild. Nachdem dies geschehen, übertragen wir nach dem Augenmaß Quadrat für Quadrat die Linien in das Bild. Es wird die Genauigkeit erhöhen, wenn wir einzelne charakteristische Punkte genau zeichnen, wobei die folgende Aufgabe zu benutzen ist.

Fig. 20
Fig. 20.

Aufgabe 4. Ein Punkt p in der Grundebene ist gegeben; sein Bild zu zeichnen.

Diese rein mathematische Aufgabe führen wir auf die Aufgabe 1 zurück, indem wir uns ein Quadrat gezeichnet denken, von dem eine Ecke in p liegt, während eine Seite auf die Grundlinie fällt. Man kann sich in Fig. 18 und 19 etwa die Ecke d als den gegebenen Punkt denken. Wir wollen jetzt die Zeichnung durchführen, ohne das ganze Quadrat zu zeichnen.

Der Punkt p ist in Fig. 21 a in der Verschiebung (p) gegeben, Wir zeichnen durch (p) die lotrechte Tiefenlinie (T), welche die durch p gehende Tiefenlinie gibt; ihre Spur ist t, ihr Fluchtpunkt A, so daß also ihr Bild T' diese beiden Punkte verbindet; auf T' muß jedenfalls das gesuchte Bild p' gelegen sein.

Fig. 21 a

Fig. 21 a.

Um einen zweiten Ort für p' zu erhalten, ziehen wir[32] durch (p) eine Linie (D) nach rechts, welche unter 45° gegen die Grundlinie (g)(g) geneigt ist (Quadratdiagonale). Diese Linie (D) schneidet (g)(g) in (s), und senkrecht über diesem Punkt erhalten wir in s die Spur der Hilfslinie D. Da ferner D1 ihr Fluchtpunkt ist, so wird D' den Punkt s mit D1 verbinden. Das gesuchte Bild p' muß also auch auf D' liegen, kann folglich nur der Schnittpunkt von T' und D' sein.

Fig. 21 b
Fig. 21 b.

Wir hätten durch (p) noch eine zweite Linie nach links ziehen können, welche auch einen Winkel von 45° mit (g)(g) einschließt. Dann hätten wir einfach den auf der rechten Seite von A gelegenen Distanzpunkt D2 als Fluchtpunkt für diese Linie benutzen müssen und wären zu dem gleichen Punkte p' gelangt. Die Konstruktion ist ebenfalls in Figur 21 a eingetragen.

Wir können aber noch eine Vereinfachung in dieser Zeichnung anbringen. Da

(p)(t) = (s)(t) = st,

so ergibt sich folgende einfache Konstruktion (Fig. 21 b): Man trägt von der Spur t aus den Abstand des Punktes der Grundlinie etwa nach rechts als ts auf der Grundlinie an und verbindet den Punkt s mit dem linken Distanzpunkt. Dann schneidet diese Verbindungslinie auf der Hauptlinie T' den gesuchten Punkt p' aus.

Trägt man den Abstand nach links auf der Grundlinie auf, so ist der rechte Distanzpunkt zu benutzen. Die vorliegende Aufgabe läßt sich dann auch in folgender Weise formulieren:

Es soll auf einer im Bilde gegebenen Tiefenlinie ein Punkt bestimmt werden, der von der Grundlinie einen durch eine Strecke oder durch eine Zahl gegebenen Abstand hat.

Aufgabe 5. Auf einer gegebenen Tiefenlinie einen Maßstab zu zeichnen, dessen Einheit gegeben ist.

Denken wir uns in der Grundebene eine Tiefenlinie gegeben und auf derselben die gleiche Strecke beliebig oft angetragen, wobei wir in der Spur der Geraden beginnen. Diese gleich großen Strecken werden sich selbstverständlich verschieden groß abbilden, eben um so kleiner, je weiter sie sich vom Auge entfernen. Die in Fig. 21 b durchgeführte Konstruktion gibt sofort die Lösung. Wir tragen (Fig. 22) die geg. Teilung von der Spur t der geg. Tiefenlinie T aus nach rechts auf der Grundlinie ab, so daß also 0.1 = 1.2 = 2.3 = 3.4 je = der geg. Maßeinheit.[33] Verbinden wir diese Punkte dann mit dem linken Distanzpunkt D1, so schneiden diese Linien auf T' die gesuchten Bilder 1', 2', 3' usf. aus. Wir haben damit die Konstruktion eines sog. Tiefenmaßstabes gewonnen.

Fig. 22
Fig. 22.

Das Verfahren bleibt ganz das nämliche, wenn nicht lauter gleiche Strecken auf der Tiefenlinie angetragen werden sollen, sondern verschiedene Strecken. Man trägt die Strecken in ihrer Reihenfolge auf der Grundlinie an; dann liefern sie, aus D1 projiziert, die richtigen Bilder.

§ 7. Darstellung beliebiger, geradliniger Figuren der Grundebene.

16. Bild einer beliebigen Geraden. Um nun eine irgendwie aus Geraden zusammengesetzte Figur der Grundebene abbilden zu können, müssen wir uns zuerst damit beschäftigen, wie man das Bild einer beliebigen Geraden zeichnen kann. Das führt uns unmittelbar zur

Aufgabe 6. Eine beliebige Gerade A der Grundebene ist gegeben; ihr Bild zu zeichnen.

Fig. 23
Fig. 23.

Die Flucht der Geraden ergibt sich nach Satz 7, indem wir durch das Auge einen Parallelstrahl zur Geraden zeichnen und diesen mit der Tafel zum Schnitt bringen. Ist fa dieser Schnittpunkt, so ist (Fig. 23) OfaA und fa liegt natürlich auf dem Horizont hh. Wir ziehen noch durch das Auge O eine Parallele ii zum Horizont. Die Gerade A wird mit der Grundlinie gg einen gewissen Winkel α einschließen. Leicht erkennt man dann, daß der Parallelstrahl Ofa mit der Linie ii den gleichen Winkel α bildet. Um diese Eigenschaft für wirkliche Konstruktion[34] auszunutzen, klappen wir die Horizontebene durch O nach unten in die Bildebene Π. Wir drehen also diese Ebene um die Horizontlinie so lange nach abwärts, bis sie mit der Bildtafel zusammenfällt. Der Pfeil in der Figur 23 deutet diese Drehung an. Die Linie OA bleibt bei dieser Drehung immer senkrecht zum Horizont; sie hat also auch am Schlusse der Drehung noch diese Eigenschaft. Zeichnen wir demnach in der Bildebene Π eine lotrechte Linie durch A, so gibt diese die Lage, welche der Strahl OA nach Ausführung der Drehung annimmt. Der Punkt O endlich geht nach Beendigung der Drehung in einen Punkt D3 über, der auf dieser lotrechten Linie durch A so liegt, daß die Strecke AD3 = OA = der Distanz. Die Parallele ii geht über in die Linie ll, welche durch D3 parallel zum Horizont gezogen werden kann. Die Linie D3fa bildet mit der Linie ll wieder den Winkel α. Das Weitere verfolgen wir an Fig. 24, welche die wirkliche Ausführung gibt. Die Gerade A ist in der Verschiebung durch (A) gegeben. Im Augpunkte A errichten wir die Senkrechte zum Horizont und schneiden auf ihr die Distanz ab, wodurch wir D3 erhalten. Es ist also

AD1 = AD2 = AD3.

Durch D3 ziehen wir die Parallele ll zum Horizont. Tragen wir an diese Parallele den Winkel α an, so schneidet dessen 2. Schenkel den Fluchtpunkt fa auf dem Horizont aus. Einfacher ist es aber, die Eigenschaft der Figur zu benutzen, daß offenbar

D3fa ∥ (A)

ist. Denn dann haben wir nur nötig, durch D3 eine Parallele zu (A) zu zeichnen, diese schneidet auf dem Horizont den Fluchtpunkt fa von A aus. Die Verbindungslinie der Spur a mit fa gibt das Bild A' der Geraden A.

Fig. 24
Fig. 24.

Nennen wir D3 die Umlegung des Auges nach unten oder das nach unten »umgelegte« Auge, so ergibt sich folgende einfache Regel:

Ist eine Gerade in der Verschiebung gegeben, so bestimmt die durch das umgelegte[35] Auge D3 zu ihr gezogene Parallele auf den Horizont den Fluchtpunkt der Geraden.

Fig. 25
Fig. 25.

Die Figur 24 liefert uns brauchbare Eigenschaften aber auch für den Fall, daß die Gerade nicht in der Verschiebung, sondern auf andere Weise bestimmt ist. Es handle sich etwa um folgende

Aufgabe 7. Ein Punkt p der Grundebene ist durch sein Bild p' gegeben; durch p soll in der Grundebene eine Gerade gezogen werden, welche unter einem Winkel von 60° gegen die Grundlinie geneigt ist. Das Bild dieser Geraden zu zeichnen.

Tragen wir (Fig. 25) an die Horizontale durch D3 einen Winkel von 60° an, so schneidet dessen zweiter Schenkel auf dem Horizont den Fluchtpunkt f der gesuchten Geraden aus. Verbinden wir den gegebenen Punkt p' mit f, so ist diese Linie das verlangte Bild.

Selbstverständlich gibt es zwei solche Gerade, da man den Winkel auch von der linken Seite der Parallelen ll aus antragen kann. Zu jedem Punkte des Horizontes gehört demgemäß eine gewisse Richtung von Geraden; speziell entsprechen den Distanzpunkten, wie wir ja schon wissen, die Geraden, welche unter 45° gegen die Grundlinie geneigt wird. In der Figur sind auf der linken Seite noch bei einigen weiteren Punkten des Horizontes die Winkel hinzugeschrieben, zu denen sie gehören.

17. Winkel zweier Geraden. Sind zwei Gerade A und B der Grundebene gegeben, so zeichnen wir ihre Fluchtpunkte fa und fb, so daß also (Fig. 26)

OfaA und OfbB.

Bezeichnen wir den Winkel, den A und B einschließen, mit γ, so erkennt man sofort, daß auch ∢ faOfb = γ ist.

Klappen wir wiederum die durch das Auge O gehende Horizontebene nach unten in die Bildebene Π herunter, wobei der Punkt O nach D3 kommt, so tritt der Winkel γ auch hier auf, indem

faD3fb = γ

oder in Worten ausgedrückt:

[36]

Satz 15. Irgend zwei Gerade der Grundebene schließen den gleichen Winkel ein wie die Sehstrahlen, die vom Auge nach ihren Fluchtpunkten gehen, und auch wie die Strahlen, welche von der »Umlegung« des Auges nach ihren Fluchtpunkten laufen.

Fig. 26
Fig. 26.

Dieser Satz gehört zu den allerwichtigsten in der Perspektive wegen der vielen Anwendungen, die von ihm gemacht werden. Wir veranschaulichen ihn noch durch die Fig. 27, welche die wirkliche Konstruktion gibt. Hier sind die beiden Geraden A und B in der Verschiebung (A) und (B) gegeben. Im Hauptpunkte A ist eine Senkrechte zum Horizont angetragen und auf ihr die Umlegung D3 des Auges ermittelt, in dem

AD3 = AD1 = AD2

gemacht werde. Dann folgt aus der unmittelbar vorhergehenden Betrachtung, daß

D3fa ∥ (A)

und

D3fb ∥ (B).

Daraus ergibt sich wiederum, daß ∢ faD3fb = γ.

Die Praktiker drücken dies so aus:

»Am Punkte D3 kann jeder Winkel in seiner wahren Größe angetragen werden.«

In der Figur wurden noch die Spuren a und b der beiden Geraden konstruiert, so daß dann A' und B' sich je als die Verbindungslinie von Flucht und Spur ergeben. Der Schnittpunkt von A' und B' ist das Bild des Scheitels p. Man beachte, daß der schraffierte Teil zwischen (A) und (B) sich in den schraffierten Teil zwischen A' und B' abbildet. Eine zweite Anwendung gibt

Aufgabe 8. Ein in der Grundebene liegendes Rechteck ist in der Verschiebung (p)(q)(r)(s) gegeben; dessen Bild zu zeichnen.

Das Rechteck enthält zwei Paare paralleler Seiten (A) und (A1), sowie (B) und (B1) (Fig. 28). Wir zeichnen zunächst die Fluchtpunkte dieser beiden[37] Richtungen Zu diesem Zwecke ziehen wir durch die Umlegung D3 des Auges die Parallelen zu (A) und (B); diese schneiden die Fluchtpunkte fa und fb auf dem Horizonte aus. Es ist also

D3fa ∥ (A) ∥ (A1)

und

D3fb ∥ (B) ∥ (B1).

Jetzt zeichnen wir die Bilder q' und s' der beiden Ecken q und s nach Aufgabe 4, indem wir je eine Tiefenlinie und eine unter 45° geneigte Linie benutzen. q' liefert mit fa und fb verbunden die Bilder A' und B', s' mit fa und fb verbunden A1' und B1'. Die letzten Ecken r' und p' ergeben sich als die Schnittpunkte von A1' mit B' und A' mit B1'.

Fig. 27
Fig. 27.

Das Bild p'q'r's' hat die charakteristische Eigenschaft, daß sich die gegenüberliegenden Seiten A' und A1' sowie B' und B1' verlängert je in fa und fb auf dem Horizont schneiden. Kontrollen bieten sich zahlreiche, wenn man die Tiefenlinien durch r und p zieht oder die Spuren der Rechtecksseiten benutzt, wie das in der Figur für die Seite rq angegeben ist.

Fig. 28
Fig. 28.

18. Umlegung der Horizontebene nach oben. Unter Umständen kann es bequem sein, die Horizontebene statt nach unten nach oben in die Bildtafel Π hereinzuklappen (Fig. 26). Dann fällt der Punkt O auf die Verlängerung der Linie AD3 über A hinaus nach einem Punkte D4, wenn wieder AD4 = der Distanz gemacht wird. In Fig. 27 ist auch diese Umlegung oben gezeichnet. Natürlich gibt der Winkel faD4fb auch jetzt wieder den Winkel der beiden gegebenen Geraden A und B, so daß

faD4fb = γ,

[38]

und auch an dem Punkte D4 dürfen alle Winkel in wahrer Größe angetragen werden.

Fig. 29
Fig. 29.

Ein Unterschied ist aber insofern vorhanden, als jetzt nicht mehr (A) ∥ D4fa und nicht mehr (B) ∥ D4fb. Diese Eigenschaft der parallelen Lage ist nur erfüllt bei der Drehung nach unten. Das hängt damit zusammen, daß wir auch die Grundebene im gleichen Sinne gedreht haben.

Wenn aber z. B. die Verschiebung überhaupt nicht gezeichnet ist, so kann man sehr wohl die Horizontebene auch nach oben drehen, zumal wenn man oben in der Zeichnung mehr Raum zur Verfügung hat. Die folgende Aufgabe gibt davon eine Anwendung.

Aufgabe 9. Gegeben sind eine Gerade A der Grundebene und ein Punkt p auf ihr durch ihre Bilder A' und p'. Man zeichne das Bild einer Geraden B der Grundebene, welche in p auf A senkrecht steht.

Bringen wir das gegebene Bild A' mit dem Horizont zum Schnitt (Fig. 29), so ist der Schnittpunkt fa der Fluchtpunkt der Geraden A. Im Augpunkt A errichten wir eine Senkrechte zum Horizont hh und machen diese = der Distanz, so daß also

AD4 = AD1 = AD2.

D4 ist die Umlegung des Auges nach oben. Verbinden wir D4 mit fa und errichten in D4 zu faD4 ein Lot, so schneidet dieses aus dem Horizont einen Punkt fb aus, der der Fluchtpunkt aller auf der Geraden A senkrechten Geraden ist. Die gesuchte Senkrechte soll aber durch p gehen, ihr Bild B' ist demnach die Verbindungslinie von p' mit fb. fap'fb ist also das Bild eines horizontalen rechten Winkels.

19. Getrennte Lage des Grundrisses. Wir haben bisher immer angenommen, daß die Grundebene mitsamt den abzubildenden Figuren in der Verschiebung gegeben sei. Natürlich kann sie auch, getrennt von der Bildtafel, gegeben und die Lage der Bildebene durch ihre Spur, d. h. durch die Grundlinie, bestimmt sein. Beispielsweise sei[39] in Fig. 30 a ein Rechteck 1 2 3 4 gezeichnet, außerdem sind die Risse A1 und O1 von A und O bekannt. In der zweiten Figur 30 b ist der Horizont hh mit A sowie die Grundlinie gg gegeben. Verlangt wird das Bild des Rechteckes zu zeichnen.

Die für die Lösung in Betracht kommende geometrische Eigenschaft liefert ein Blick auf Fig. 26. Der durch das Auge O zur Geraden A der Grundebene gezogene Parallelstrahl, welcher den Fluchtpunkt fa auf dem Horizont ausschneidet, hat in der Grundebene einen Riß, der durch O1 gehen muß, sowie durch die Projektion fa1 des Fluchtpunktes fa, und weiter muß dieser Riß parallel zu A sein, also O1fa1A.

Fig. 30 a
Fig. 30 a.

Zieht man demnach umgekehrt durch O1 Parallele zu den Seiten des Rechteckes, so schneiden diese auf der Grundlinie gg die Projektionen fa1 und fb1 der Fluchtpunkte fa und fb aus. Da nun die Grundlinie mit ihren Punkten in den beiden Figuren vorkommt, so haben wir nur die Strecken A1fa1 und A1fb1 auch in Fig. 30 b anzutragen. Dann liefern die in fa1 und fb1 errichteten Lote zu gg auf dem Horizont die Fluchtpunkte fa und fb. Überträgt man noch weiter die Spuren der Rechtecksseiten in die Fig. 30 b, so ist das Bild 1'2'3'4' des Rechtecks leicht fertig zu stellen.

Fig. 30 b
Fig. 30 b.

20. Horizontale Gerade. Die bisherigen Ausführungen genügen vollständig, um jede in der Grundebene gegebene Figur in Perspektive zu setzen. Bevor wir aber dazu übergehen, Körper abzubilden, wollen wir vorher noch eine sehr wesentliche Verallgemeinerung der oben durchgeführten Betrachtungen besprechen.

Ziehen wir zu irgendeiner Geraden der Grundebene im Raume eine Parallele, so nennen wir diese neue Gerade eine horizontale Gerade. In genauer Fassung werden wir sagen:

»Jede Gerade, welche zur Grundebene parallel läuft, soll eine horizontale Gerade heißen.« Wollen wir nun den Fluchtpunkt einer horizontalen Geraden bestimmen, so haben wir durch das Auge eine Parallele zu der Geraden[40] zu zeichnen. Diese Parallele ist dann aber auch parallel zur Grundebene, liegt mithin in der Horizontebene, und der Fluchtpunkt muß dem Horizont hh angehören.

Fig. 31
Fig. 31.

Was die Lage einer horizontalen Geraden im Raume betrifft, so kann sie entweder oberhalb oder unterhalb der Horizontebene liegen oder in der Horizontebene. Der letztere Fall ist sofort erledigt. Denn jede Gerade der Horizontebene bildet sich in den Horizont ab.

Liegt eine horizontale Gerade oberhalb der Horizontebene, wie z. B. die Gerade A in Fig. 31, so muß ihre Spur a oberhalb des Horizonts hh gelegen sein; eine horizontale Gerade B dagegen, welche unter der Horizontebene sich befindet, liefert eine Spur b unter dem Horizont.

Die Bilder zweier solchen Geraden verhalten sich nun verschieden. In Fig. 31 ist noch speziell angenommen, daß die beiden Geraden A und B in der gleichen Vertikalebene liegen, so daß der Riß A1 von A mit dem Riß B1 von B sich deckt und die Spuren a und b auf einer lotrechten Linie sich befinden. Durchläuft ein Punkt die Gerade A, indem er von der Spur a ausgeht, im Sinne des Pfeiles, also in der Richtung von der Bildtafel weg, so bewegt sich sein Bild auf A' gegen den Fluchtpunkt fa hin. Die Linie A' geht demnach, in der Richtung von a nach fa durchlaufen, abwärts, oder sie »fällt«. Ebenso »steigt« die Linie B', wenn sie in der Richtung gegen den Fluchtpunkt hin durchlaufen wird. Damit haben wir eine sehr brauchbare Malerregel abgeleitet, die sich wie folgt ausdrücken läßt:

Satz 16. »Horizontale Gerade haben ihre Fluchtpunkte auf dem Horizont. Liegen die Geraden selbst oberhalb der Horizontebene, so ›fallen‹ ihre Bilder, wenn sie in der Richtung nach dem Fluchtpunkt hin durchlaufen werden; liegen sie unterhalb dieser Ebene, so ›steigen‹ ihre Bilder, wenn man sie in der Richtung nach dem Fluchtpunkt zu durchläuft.«

Die gleiche Eigenschaft zeigen natürlich auch die Bilder der Tiefenlinien, da die letzteren ja auch nur horizontale Gerade von besonderer Art sind.

[41]

Die in 16 und 17 für Gerade der Grundebene durchgeführten Betrachtungen gelten, wir wir jetzt einsehen, für jede horizontale Gerade; speziell gilt Satz 15 für zwei Gerade, die in irgendeiner zur Grundebene parallelen Ebene liegen.

§ 8. Darstellung einfacher Körper, die sich auf der Grundebene erheben.

21. Darstellung einer Pfeilerreihe, die nach der Tiefe geht. Wenn wir jetzt dazu übergehen, Körper darzustellen, die sich auf der Grundebene befinden, so tritt als neue Dimension die auf der Grundebene lotrechte Richtung auf, also die Vertikale. Jede Ebene durch eine Vertikale heißt eine Vertikalebene. Setzen wir die Begrenzungsflächen des Körpers in Beziehung zur Bildtafel, so werden vor allem die Ebenen zu betrachten sein, welche auf der Bildtafel senkrecht stehen. Wir nennen sie »Tiefenebenen« und sehen, daß jede Ebene durch eine Tiefenlinie eine Tiefenebene ist. Enthält eine Tiefenebene eine Vertikale, so nennen wir sie eine vertikale oder auch eine lotrechte Tiefenebene. Es sei nun zu behandeln

Aufgabe 10. Eine Pfeilerreihe darzustellen, die sich in einer lotrechten Tiefenebene befindet.

Wir versinnlichen jeden Pfeiler durch eine schlichte Gerade und nehmen an, daß der erste Pfeiler ab in der Bildebene gelegen ist (Fig. 32). Ferner sollen die Pfeiler in gleichen Abständen aufeinanderfolgen, also ac = ce = ei = il = ln = np sein. Die Punkte a, cp liegen auf einer Tiefenlinie A und ebenso die oberen Enden der Pfeiler b, d, f, k, m, r, q, auf einer zweiten Tiefenlinie B. Die Ebene durch A und B ist die lotrechte Tiefenebene, in der die Pfeilerreihe gelegen ist.

Fig. 32
Fig. 32.

In unserer zu zeichnenden Figur (Fig. 33) sind also gegeben der erste in der Bildebene liegende Pfeiler ab sowie der Abstand y zweier aufeinanderfolgender Pfeiler. Die Darstellung läßt sich nun leicht bewerkstelligen.[42] Der Punkt a mit dem Augpunkt A verbunden liefert das Bild A' der Tiefenlinie A. Auf A' ist nun ein Tiefenmaßstab zu zeichnen mit der Einheit y. Nach Aufgabe 5 führen wir dies aus, indem wir die gegebene Einheit y von der Spur a aus nach rechts auf der Grundlinie als 0.1, 1.2, 2.3 … antragen und diese Punkte mit dem linken Distanzpunkt D1 verbinden. Die Schnittpunkte mit A' geben die Bilder c', e', i' … der Pfeilerenden.

Fig. 33
Fig. 33.

Verbinden wir weiter b mit A, so ist diese Linie das Bild B' der Tiefenlinie B, und auf B' müssen die oberen Endpunkte der Pfeiler angeordnet sein. Die Geraden ab, cd … sind aber parallel zur Bildebene; nach Satz 10 sind also ihre Bilder auch parallel, und überdies muß beispielsweise c'd'cd sein usf.; die Bilder der Pfeiler sind also lotrechte Linien. Demnach haben wir lediglich durch die Punkte c', e', i' usf. die Vertikalen zu zeichnen und diese durch die Schnittpunkte mit der Linie B' zu begrenzen. So ergeben sich die Bilder c'd', e'f' … Wir können in unserer Figur auch die Darstellung eines Staketenzaunes sehen oder einer Bretterwand, die aus gleichbreiten Brettern zusammengesetzt ist.

Wir machen von der eben durchgeführten Konstruktion eine Anwendung zur Lösung folgender wichtiger

Aufgabe 11. Ein Punkt p der Grundebene ist durch sein Bild p' gegeben; man zeichne das Bild einer Linie pq von gegebener Länge, welche in p senkrecht zur Grundebene angetragen wird.

Es soll also mit anderen Worten in einem Punkte der Grundebene eine Senkrechte von gegebener Länge errichtet werden. Um zur Lösung zu gelangen, denken wir uns (Fig. 32) durch die Senkrechte pq eine Tiefenebene gelegt und stellen uns eine Reihe von Pfeilern vor, welche die Höhe pq haben und sich in dieser Ebene befinden. Anders ausgedrückt heißt das: wir ziehen durch p und q die Tiefenlinien A und B, welche in a und b die Bildebene treffen. ab ist der in der Tafel liegende Pfeiler. Daraus ergibt sich folgende durch ihre Einfachheit überraschende Konstruktion: Den gegebenen Punkt p' verbinden wir mit A (Fig. 34) und erhalten dadurch das Bild A', welches die Grundlinie gg in a trifft. In a tragen wir die gegebene Höhe als ab vertikal an. Der Endpunkt b[43] liefert mit A verbunden das Bild B' der Tiefenlinie B. Ziehen wir endlich durch p' die Vertikale, so schneidet sie auf B' den Punkt q' aus. p'q' ist das Bild der gesuchten Senkrechten.

Fig. 34
Fig. 34.

Da man jeden beliebigen Punkt des Raumes sich bestimmen kann durch seinen rechtwinkligen Riß auf die Grundebene und durch den Abstand von der Grundebene, so können wir damit das Bild eines beliebigen Raumpunktes zeichnen und sind weiter imstande, jeden Körper, wenn auch umständlich, abzubilden, indem wir die Bilder seiner einzelnen Punkte ermitteln. Wir werden später Beispiele für die Anwendung dieser Konstruktion geben, wollen aber zunächst noch einige Folgerungen aus der Fig. 34 ziehen.

Wir können dieselbe unmittelbar zur Lösung folgender neuen Aufgabe benutzen: Gegeben ist das Bild p'q' einer Strecke pq, die im Punkte p der Grundebene auf dieser senkrecht sich erhebt; man bestimme die wahre Länge pq dieser Strecke.

Wir verbinden p' mit A und bringen diese Linie in a mit der Grundlinie zum Schnitt; in a errichten wir eine Vertikale und schneiden diese in b mit der Verbindungslinie von A nach q'. Dann gibt ab die wahre Länge der Strecke pq.

Als eine weitere Anwendung behandeln wir

Aufgabe 12. Auf einer lotrechten (vertikalen) Geraden einen Maßstab zu zeichnen. Höhenmaßstab.

Fig. 35
Fig. 35.

Denken wir uns auf der Lotrechten pq von Fig. 32 die Einheit des Maßstabes wiederholt angetragen und ziehen wir durch die Teilpunkte die Tiefenlinien, so übertragen diese den Maßstab auf die Gerade ab, was in der Figur angedeutet ist. Die Bilder der Tiefenlinien sind aber sofort zu zeichnen. Wir erhalten also folgende Ausführung (Fig. 35).

Gegeben ist das Bild p'q' der Vertikalen, auf der mit der gegebenen Strecke y als Einheit ein Maßstab gezeichnet werden soll, der in der Spur der Vertikalen[44] beginnt. Wir verbinden den Punkt p' mit dem Augpunkt A und erhalten dadurch den Punkt a auf der Grundlinie. In a errichten wir zur Grundlinie gg die Senkrechte; auf dieser tragen wir von a beginnend die Strecke y ab, so daß also die Strecken 0.1, 1.2, 2.3 … je = y. Verbinden wir die Punkte 1, 2, 3 … mit A, so schneiden diese Tiefenlinien auf p'q' die gesuchten Punkte 1', 2', 3' … aus. Aus bekannten Sätzen der Planimetrie folgt sofort, daß auch

0.1' = 1'.2' = 2'.3' = 3'.4'.

Fig. 36
Fig. 36.

Daraus ergibt sich folgender

Satz 17. »Der Höhenmaßstab auf einer Vertikalen (und überhaupt auf einer Parallelen zur Bildebene) zeigt keine Verkürzung, sondern eine sich gleichbleibende Verjüngung.«

Gleichhohe Fenster einer Fassade, die auf einer lotrechten Linie liegen, sind also beispielsweise gleich hoch zu zeichnen.

Teilungen einer vertikalen Strecke übertragen sich demnach unmittelbar auf das Bild. Wenn etwa die Strecke pq (Fig. 32) in eine gewisse Anzahl gleicher Teile geteilt werden soll, so können wir die Teilung unmittelbar im Bilde p'q' (Fig. 35) vornehmen.

Fig. 37
Fig. 37.

22. Darstellung einer zur Bildebene parallelen Pfeilerreihe. Noch einfacher gestaltet sich die zeichnerische Wiedergabe einer Pfeilerreihe oder überhaupt einer Reihe gleichgroßer, paralleler Gegenstände, wenn dieselben parallel zur Bildebene angeordnet sind. Dies sei der Gegenstand der

Aufgabe 13. Eine Pfeilerreihe darzustellen, die sich in einer zur Tafel parallelen Ebene befindet.

[45]

Ist pq der erste darzustellende Pfeiler (Fig. 36), so zeichnen wir nach der Aufgabe 11 sein Bild p'q'. Unserer Voraussetzung nach liegen die Endpunkte der Pfeiler auf zwei parallelen Linien P und Q, die überdies zur Tafel parallel sind. Es ist also wieder nach Satz 10 auch P'P und Q'Q und da PQ ∥ zur Grundlinie gg, so sind auch die Bilder P' und Q' parallel zur Grundlinie. Auf diesen beiden Horizontalen liegen folglich die Bilder der Endpunkte, und sie ergeben sich leicht, wenn man wiederum die Tiefenlinien durch die Punkte selbst zu Hilfe nimmt.

Fig. 38
Fig. 38.

Die Ausführung der Konstruktion zeigt Fig. 37. Gegeben ist das Bild p' des Punktes p, die Höhe der Pfeiler und ihr Abstand y. Wir verbinden p' mit dem Hauptpunkt A; diese Tiefenlinie A' liefert auf der Grundlinie gg den Punkt a. In a errichten wir eine Vertikale ab gleich der gegebenen Höhe der Pfeiler und erhalten durch die Linie bA den Punkt q' auf der Lotrechten durch p' und damit das Bild des ersten Pfeilers pq. Auf den Horizontalen P' und Q' durch p' und q' liegen die übrigen Endpunkte. Tragen wir den gegebenen wahren Abstand y zweier Pfeiler auf der Grundlinie als die Strecke 0.1 ab, so gibt die Linie von 1 nach A das Bild n' und die Vertikale durch n' auf Q' das Bild r'. Analog verfährt man für die weiteren Punkte 2, 3 … Man erkennt, daß p'n' = n'l' usf., daß also auch die Bilder der Pfeiler gleich weit voneinander abstehen.

Obwohl die Pfeiler selbst ganz verschiedene Entfernungen vom Auge O haben, sind ihre Bilder doch gleich groß zu zeichnen.

Hat man überhaupt in einer zur Bildtafel parallelen Ebene irgendeine Figur, so ist ihr Bild eine dazu ähnliche Figur d. h. das Bild ist eine Verkleinerung der gegebenen Figur; es ändern sich nur die Größenverhältnisse der Figur, alle Winkel aber, und auch die gegenseitigen Verhältnisse der Seiten bleiben ungeändert.

Wir können also sagen:

Satz 18. »Befinden sich Gegenstände von der gleichen Größe irgendwo in einer Parallelebene zur Tafel oder kürzer in der gleichen Tiefe, so sind ihre Bilder stets gleich groß zu zeichnen.«

[46]

Fig. 39
Fig. 39.
Fig. 40
Fig. 40.

Als Beispiel denken wir uns, am Fuße eines Turmes befinde sich eine menschliche Figur (Fig. 38) und oben auf dem Turme, aber in der gleichen Tiefe, stehe oder liege eine zweite ebenso große. Dann sind die beiden Figuren gleich groß zu geben. Man kann häufig bemerken, daß die Figur auf dem Turme kleiner gezeichnet ist, und als Grund dafür wird angeführt, daß die Figur auf dem Turme doch weiter vom Auge entfernt sei als die Figur am Fuße des Turmes, also auch kleiner sein müsse. Dabei verwechselt man die Erscheinung eines Gegenstandes und seine bildliche Wiedergabe. Die Größenverhältnisse der uns umgebenden Körper beurteilen wir im allgemeinen nach den »Gesichtswinkeln«, unter denen sie uns erscheinen. Wir betrachten nun aber doch das Bild mit den beiden Figuren, und dann ist in der Tat, wie Fig. 39 noch klarer zeigt, der Gesichtswinkel δ, unter dem die obere Figur erscheint, kleiner als der Gesichtswinkel α, der zu der unteren Figur gehört. Hier mag noch eine andere Beobachtung erwähnt werden, die sich auf die Darstellung hoher, sich in Wirklichkeit nicht verjüngender Objekte bezieht. Denken wir uns z. B. einen Turm mit vertikalen Kanten. Betrachten wir denselben mit geradgehaltenem Kopfe, so erscheinen die Kanten des Turmes parallel. Legen wir uns aber auf den Rücken und blicken an dem Turm in die Höhe, so zeigen seine Kanten einen Fluchtpunkt. Zwischen diesen beiden äußersten Fällen gibt es viele Übergänge. Wenn wir nicht weit genug von dem Turme zurücktreten können, so neigen wir ebenfalls den Kopf zurück, um den Turm in seiner ganzen Höhe zu überschauen. Dann tritt wieder die Fluchtpunkterscheinung auf. Aus diesen Überlegungen heraus kann man die Abbildung 4 bis zu einem gewissen Grade für berechtigt erklären. Wir befinden uns dabei in dem Gebiet ästhetisch-psychologischer[47] Vorgänge, und die Perspektive als starre mathematische Schablone kann zugunsten einer besseren Wirkung modifiziert werden.

Abb. 4
Abb. 4.

[48]

Fig. 41
Fig. 41.

23. Darstellung eines rechtwinklig begrenzten Raumes. Wir wollen jetzt die Fig. 32 erweitern, indem wir uns auch auf der anderen Seite des Auges eine gleichgroße Pfeilerreihe ebenfalls in einer lotrechten Tiefenebene angebracht denken. Verbinden wir dann (Fig. 40) den letzten Pfeiler pq der einen Reihe mit dem letzten Pfeiler st der anderen Reihe durch eine Ebene und legen weiter durch qb und tc ebenfalls eine Ebene, so erhalten wir ein rechteckig begrenztes Raumstück, den Quader abcdpqts. Die Pfeilerreihe auf der rechten Seite ist ebenso zu zeichnen wie in Fig. 33, und es ergibt so das Bild abcdp'q't's' (Fig. 41). Stellen wir uns weiter vor, daß wir dadurch je zwei gleich weit von der Tafel entfernte Pfeiler weitere Ebenen legen, so sind diese alle parallel und schneiden die Grundebene in Parallelen zur Grundlinie. Den dargestellten Raum teilen wir dadurch in eine Anzahl gleicher Schichten, die ebenfalls in Fig. 41 wiedergegeben sind. Endlich sind noch der Fußboden und die Wände mit einem Quadratnetz überzogen, und zwar ist die Figur so eingerichtet, daß in der Breite, also von a nach d, 8 Quadrate, in der Tiefe von a nach p 5 Quadrate und in der Höhe von a nach b ebenfalls 5 Quadrate liegen. Der Horizont verläuft in einer Höhe, die zwei Quadratseiten entspricht. Es ist leicht, diese Quadrate einzuzeichnen (man vgl. Fig. 19) und so die Fig. 41 herzustellen. Man kann an ein mit quadratischen[50] Kacheln ausgelegtes Zimmer denken. Legt man aber weiter durch die sämtlichen Tiefenlinien die horizontalen und vertikalen Ebenen, so wird der ganze Raum in Würfel geteilt, und zwar in 5 ⋅ 5 ⋅ 8 = 200. Einer dieser Würfel ist herausgezeichnet. Der Leser wird diese Figur nicht für eine mathematische Spielerei halten, sondern sofort erkennen, daß wir damit ein Mittel gewonnen haben, jeden Körper im Raume einigermaßen richtig unterzubringen, indem wir ihn in eine Anzahl von Würfeln einschließen. Fig. 41 leistet für den Raum das gleiche wie Fig. 19 für die Bodenfläche.

Abb. 5
Abb. 5.

Nennen wir, wie es dem allgemeinen Gebrauch entspricht, die Abmessung in der Richtung der Grundlinie, also von a nach d, die Breite, so gibt uns die Fig. 41 sowohl einen Tiefen- und Höhen- als auch einen Breitenmaßstab. Denn wir können angeben, wie sich die angenommene Quadratseite an jeder Stelle des Raumes der Tiefe, Höhe und Breite nach verkürzt. An der Stelle i' z. B. sind diese Verkürzungen durch i'm', i'n' und i'l' gegeben. Gleichzeitig ergibt sich noch, was übrigens schon aus Satz 18 folgt:

Satz 19. »Der Breitenmaßstab ist in jeder Tiefe gleich dem Höhenmaßstab.«

Endlich gibt Fig. 41 die einfachste Darstellung eines Innenraumes oder eines Interieurs. Um einen geschlossenen Raum darzustellen, mag man sich eine Begrenzungsfläche desselben entfernt denken. Diese Fläche ist hier dann als Bildebene benutzt. Wir geben als Beispiel in Abb. 5 ein Fresko von Ghirlandajo (1449–1494), das die Geburt Johannis des Täufers vorstellt und sich im Chor der Kirche S. Maria Novella in Florenz befindet. Durch einige punktierte Tiefenlinien sind der Augpunkt und der Horizont ermittelt. Der Augpunkt ist aus der Mitte des Bildes etwas nach rechts herausgerückt, wie in Fig. 41 A näher an cd als an ab liegt. Wählt man den Augpunkt genau in der Mittellinie des Bildes, so gestaltet sich die Architektur auf beiden Seiten ganz gleichmäßig: sie ist symmetrisch zur Mittellinie. Die Symmetrie bedingt eine größere Ruhe und eine gewisse Feierlichkeit im Bilde, wie Abb. 8 zeigen mag.

24. Aufsicht, Untersicht, Seitenansicht. Die gleiche Figur 41 gibt uns auch Aufschluß, wie wir infolge der Festlegung unseres Standpunktes durch das Auge O horizontale Ebenen, die unter der Horizontebene liegen, von oben sehen: wir haben auf sie »Aufsicht«, so z. B. auf die Bodenfläche. Von horizontalen Ebenen, die oberhalb der Horizontebene liegen, sehen wir dagegen die untere Seite; sie befinden[51] sich in »Untersicht«, wie z. B. die Decke in Figur 41. Die Horizontebene selbst bildet den Übergang zwischen beiden Arten von Ebenen: sie erscheint als Linie, nämlich als der Horizont. In der gleichen Weise sehen wir vertikale Tiefenebenen entweder von rechts oder von links, je nachdem sie links oder rechts von der durch das Auge O gehenden vertikalen Tiefenebene liegen. Diese letztere erscheint als die durch den Augpunkt gehende Vertikale. Die Figuren 42 und 43 mögen das noch weiter veranschaulichen. Sie stellen ein Notenpult oder ein Büchergestell dar, das im ersten Fall lotrecht steht, im zweiten Falle auf dem Boden liegt.

Fig. 42
Fig. 42.

Aus der Tatsache, daß die ganze Horizontebene sich in den Horizont abbildet, läßt sich noch eine bemerkenswerte Folgerung ziehen. Ist u' das Bild eines Punktes u der Grundebene (Fig. 41) und errichten wir in u' die Senkrechte, welche den Horizont im Punkte v' schneiden möge, so können wir v' als Bild desjenigen Punktes v ansehen, der lotrecht über v in der Horizontebene liegt. Die Strecke uv ist also gleich der Augenhöhe. Zu dem gleichen Resultat führt uns auch die Betrachtung der Figur 34, indem sich zu dem Bilde p'v' als zugehörige Strecke av0 ergibt, was wieder die Augenhöhe ist. Daraus folgt demnach folgender vielfach verwendbare

Satz 20. Ist das Bild eines Punktes der Grundebene gegeben, so stellt der Abstand dieses Bildes vom Horizont immer das Bild der Augenhöhe vor.

Fig. 43
Fig. 43.

25. Personen in verschiedenen Tiefen eines Bildes. Die Darstellung einer menschlichen Figur in einem Bilde gibt uns Veranlassung, über den Maßstab eines Bildes zu sprechen und dieser hängt wieder davon ab, wie wir uns das Zeichnen nach der Natur, also z. B. die Wiedergabe einer Landschaft vorstellen. Bisher haben wir immer angenommen, daß das Bild direkt die Zentralprojektion des Gegenstandes ist, wie wir das bei der Glastafelperspektive (in 2) erörterten.[52] Man kann sich das aber auch etwas anders denken. Nehmen wir z. B. an, ein Landschaftsmaler habe das Motiv und einen günstigen Standpunkt gefunden. Dann mag er sich, etwa in der Entfernung von einigen Metern von seinem Standpunkte, die Bildtafel Π vertikal aufgestellt denken. Auf diese Ebene Π wird von seinem Auge aus die Landschaft projiziert. Dieses Bild wird aber nicht wirklich gezeichnet. In sein Skizzenbuch oder auf den vor ihm stehenden Rahmen zeichnet der Maler vielmehr eine Verkleinerung oder eine Verjüngung des auf Π gedachten Bildes. In diesem Falle ist also die Zeichenfläche nicht die gleiche wie die Bildebene. Allerdings könnte man eine neue, dem Standpunkt nähere, zu Π parallele Ebene finden, welche aus dem Strahlenkegel des Auges O gerade das Bild ausschneiden würde, das auf dem Zeichenblatt gezeichnet wurde.

Wie kann man nun bestimmen, in welchem Verhältnis das Bild in dem Skizzenbuch gegenüber dem gedachten Bilde auf Π verkleinert ist? Zu dem Zwecke denken wir uns einen Menschen, der ganz nahe hinter der Tafel Π steht. Er wird dann auf der Tafel Π in wirklicher Größe erscheinen. Die Skizze aber wird den gleichen Menschen in kleinerem Maßstabe zeigen, z. B. nur in 1/10 der Lebensgröße. Dann sagen wir, die Verjüngung oder Reduktion sei = 1/10. Wollen wir, was z. B. bei Architekturen nötig ist, genaue Maße haben, so stellen wir uns vor, daß eine Meßlatte mit Metermaßeinteilung in der Bildebene Π liege. Auf dem Skizzenblatt aber wird z. B. ein Meter durch einen Dezimeter wiedergegeben, wenn die Verjüngung 1/10 beträgt. Wir behandeln nun folgende

Aufgabe 14. Personen in verschiedenen Tiefen eines Bildes darzustellen.

In den 3 Fällen sei die Verjüngung stets 1/100, so daß also ein Meter durch einen Zentimeter dargestellt wird. Ferner nehmen wir an, daß alle im Bilde wiedergegebenen Personen 1,5 Meter groß seien, also eine mittlere Größe haben.

1. Fall. Die Augenhöhe sei 75 cm oder ¾ m; es soll eine Person gezeichnet werden, die sich in c' auf der Grundebene befindet.

Auf der linken Seite gibt uns in Figur 44 die Strecke 0.1 die Darstellung eines Meters; nehmen wir drei Viertel dieser Größe, so ist damit der Horizont hh gefunden, der bei dieser Annahme sehr niedrig liegt. Eine direkt an der Bildtafel stehende Figur ist 1½ m hoch zu[53] zeichnen, sie ist in ab angedeutet, und sie wird durch den Horizont halbiert. Wir ziehen durch A nach a und b die Tiefenlinien. Um die in c' befindliche Person zu zeichnen, verschieben wir sie parallel der Bildebene, also in der gleichen Tiefe; dabei bleibt nach Satz 18 ihre Größe ungeändert. Demgemäß ziehen wir durch c' die Parallele zur Grundlinie, welche die Linie Aa in p' schneidet. Die in p' bis zum Schnitt mit der anderen Tiefenlinie Ab errichtete Senkrechte p'q' gibt die Größe der Figur; ziehen wir durch q' eine Parallele zur Grundlinie, so schneidet sie die Vertikale durch c' in d' und c'd' ist die gesuchte Höhe der Figur in c'.

Fig. 44
Fig. 44.

Ist im Punkte i' der Grundebene eine weitere Figur zu zeichnen, so ziehen wir c'i' und bringen diese Linie in f zum Schnitt mit dem Horizont; verbinden wir f mit d', so ergibt die in i' errichtete Senkrechte den Punkt k', bis zu dem die Figur reicht. Denn die Linien ci und dk sind parallele, horizontale Gerade, müssen also ihren Fluchtpunkt auf dem Horizont haben.

Man sieht leicht ein, daß alle Figuren durch den Horizont halbiert werden, und daß man allgemein sagen kann:

Satz 21. Alle auf der Grundebene stehenden Figuren werden durch den Horizont im gleichen Verhältnis geteilt.

2. Fall. Die Augenhöhe sei 2½ m; es ist eine Figur zu zeichnen, welche sich in c' auf einer Mauer befindet.

Fig. 45
Fig. 45.

Wir haben es unter dieser Voraussetzung mit einem hohen Horizont zu tun, der in der Mitte zwischen den Ziffern 2 und 3 verläuft (Fig. 45). Eine Person direkt im Vordergrund hat wieder eine Höhe ab, welche = 1½ m ist. Um die Größe der in c' befindlichen[54] Figur zu bestimmen, verschaffen wir uns die durch c gehende Parallelebene zur Tafel, da in dieser ganzen Ebene die Figur gleichgroß ist. Wir ziehen also durch c' die Parallele zur Grundlinie, gehen dann an der Mauer senkrecht herunter und wieder parallel zur Grundlinie weiter, bis wir nach p' gelangen. Die Vertikale in p' schneidet aus der Linie CA den Punkt q' aus. p'q' ist wieder die Größe einer menschlichen Figur in der Tiefe p'. Die Figur in c' ist aber ebensogroß zu zeichnen, also muß c'd' = p'q' sein.

Fig. 46
Fig. 46.

Bringen wir die Linien ab und p'q' in t' und r' mit dem Horizont zum Schnitt, so ist

ab : at' = p'q' : p'r' = 3 : 5.

Es beträgt also die Höhe jeder auf der Grundebene stehenden Figur ⅗ der Höhe bis zum Horizont. Dies ist wiederum der vorige Satz 21.

Weiß man umgekehrt nicht, wie hoch der Horizont ist, so kann man die Augenhöhe ungefähr bestimmen, wenn eine menschliche Figur ab unmittelbar im Vordergrund gegeben ist. So könnte man in unserer Figur 45 durch Schätzung oder Abmessung finden, daß die Augenhöhe fünfmal so groß ist als der dritte Teil von ab. Da für ab mittlere Manneshöhe 1,50 m angenommen werden darf, so ist der dritte Teil davon 50 cm, und für die Augenhöhe at' ergibt sich als Zahlenwert 5 × 50 cm = 2,50 m.

3. Fall. Die Augenhöhe sei 1,50 m; man bestimme die Größe einer menschlichen Figur, die sich in c' auf einer Mauer befindet.

Eine unmittelbar im Vordergrund befindliche Person ab reicht jetzt gerade bis an den Horizont. (Fig. 46.) (Wollten wir uns noch genauer ausdrücken, so könnten wir sagen, daß der Horizont die Augen aller auf der Grundebene stehenden Personen enthalten müsse.) In der Figur sind einige Meßlatten gezeichnet, die senkrecht auf der Grundebene stehen. Dann schneidet der Horizont auf jeder Latte 1,50 m ab. Sind die Latten in halbe Meter geteilt, so geht er also immer[55] durch das Ende des dritten Abschnittes. Um die Figur in c' zu zeichnen, legen wir wieder durch c die Parallelebene zur Tafel, also durch c' die Parallele zur Grundlinie, gehen an der Mauer senkrecht herunter und parallel zu gg weiter, so daß wir nach p' gelangen. Die in p' errichtete Senkrechte schneidet den Horizont in q'. Die in c' befindliche Figur ist also = p'q' zu machen, so daß ihre Größe c'd' = p'q'. Sie wird an den Füßen von der Mauerkante überschnitten.

Wenn wir zu einer Architektur eine Figur als Staffage beifügen, so ist damit die Größe der Architektur festgelegt. Zeichnen wir die Staffagefigur klein, so nimmt die Architektur dadurch große Formen an und umgekehrt wird sie durch eine große Figur verkleinert.

26. Endlich wollen wir noch einen etwas komplizierteren einzelnen Gegenstand darstellen in

Aufgabe 15. Einen in Grund- und Aufriß gegebenen Pfeiler darzustellen, wenn die Vorderfläche des Sockels in der Bildebene liegt.

Der Grundriß P1 ist in der Verschiebung gegeben (Fig. 47), der Aufriß P2 befindet sich nicht senkrecht über dem Grundriß, sondern er wurde nach links hinausgeschoben, um den Platz für die Zeichnung frei zu lassen.

Von dem Sockel liegt die Fläche 1 2 6 5 in der Bildtafel. Wir übertragen zunächst den ganzen Grundriß in das Bild und bauen darüber den Körper auf.

Das Bild 1 2 3' 4' des Quadrates (1)(2)(3)(4) ist sofort zu zeichnen, da 4' sowohl auf der Tiefenlinie 1.A als auch auf der Linie von 2 nach dem Distanzpunkt D1 liegt. Wir zeichnen weiter die beiden inneren Quadrate. Die Bilder 9' und 13' ergeben sich, wenn man durch (9) und (13) die Tiefenlinien zieht. Außerdem liegen 9' und 13' auf der Diagonale 1.3'.

Der Sockel kann jetzt dargestellt werden; die Tiefenlinien durch 5 und 6 schneiden auf den Vertikalen durch 4' und 3' die Punkte 8' und 7' aus.

Um den Schaft des Pfeilers zu zeichnen, haben wir im Punkte 9' eine Senkrechte von gegebener Länge zu errichten: alle diese Höhen messen wir von der Grundebene aus. Nach Aufgabe 11 verbinden wir also 9' mit A und erhalten auf der Grundlinie den Hilfspunkt 10; durch diesen ziehen wir eine Vertikale und schneiden auf derselben durch die Parallele im Aufriß die anzutragende Höhe 10.11 ab. Dann schneidet die Linie von 11 nach A auf der Vertikalen durch 9' das[56] Bild 12' der oberen Ecke aus. Die drei übrigen Ecken des Quadrates ergeben sich durch Parallele und Tiefenlinien, und ebenso leicht ist das auf der oberen Fläche des Sockels befindliche Quadrat einzutragen; seine Ecken liegen auf den Diagonalen 5.7' und 6.8'.

Fig. 47
Fig. 47.

Nun ist weiter im Punkte 13' die Senkrechte zu errichten. Die Tiefenlinie liefert den Hilfspunkt 14 und 14.15 ist die auf der Vertikalen anzutragende Strecke. So ergibt sich das Bild 16' des vorletzten Quadrates. Der Punkt 17 endlich liefert in 18' eine Ecke der Deckfläche. Beide Quadrate sind leicht zu vervollständigen. Der Punkt 12' gibt mit 16' verbunden das Bild des Gehrungsprofiles. Verschafft man sich das Bild 19' des Punktes 19, so kann man die Kontrolle benutzen, daß die vier Linien 16'.12' usf. durch 19' gehen.

[57]

Anmerkung. Statt die Bildebene durch die vordere Fläche des Sockels zu legen, könnte man sie auch parallel zu derselben durch die Achse des Körpers legen. Die Schnittfigur der Bildebene mit dem Pfeiler stimmt dann mit dem Aufriß P2 überein. Es läßt sich aus diesem Schnitt ebenfalls das Bild des Pfeilers leicht herstellen, ohne daß man nötig hat, eine Verschiebung zu benutzen. Wir empfehlen die Ausführung dem Leser.

Aufgabe 16. Einen in Grund- und Aufriß gegebenen Pfeiler darzustellen, der beliebig auf der Grundebene steht, wenn eine Kante des Sockels in der Bildtafel liegt.

Der Grundriß P1 sei wieder in der Verschiebung gegeben, Fig. 48, der Aufriß P2 ist links hinausgeschoben. Wie in Aufgabe 9, Fig. 28, zeichnen wir zunächst vermittels der Umlegung D3 des Auges die Fluchtpunkte fa und fb der beiden Richtungen (A) und (B). Ferner wollen wir noch den Fluchtpunkt der Diagonale 1.3 konstruieren, d. h. wir ziehen durch D3 eine Parallele zur Verbindungslinie 1.3, welche den Horizont in Dg trifft. Dieser Fluchtpunkt Dg heißt auch der Diagonalpunkt und es ist vielfach, z. B. bei Gehrungen, nützlich, ihn einzuführen.

Zunächst übertragen wir wieder den ganzen Grundriß in die Perspektive. Die durch 1 gehende Kante des Sockels liegt in der Bildebene. Das Bild des Vierecks 1 2 3 4 kann gezeichnet werden, sobald von einer weiteren Ecke das Bild ermittelt ist. Wir benutzen etwa die Spur 5 der Verbindungslinie 2.3. Verbinden wir 5 mit fa, so schneidet diese Linie auf der Linie 1.fb das Bild 2' aus. Die Ecke 3' aber wird erhalten als Schnittpunkt von 1.Dg mit der Linie 5.fa. Endlich gibt die Linie fb.3' in ihrem Schnitt mit fa.1 den Punkt 4'. In ähnlicher Weise kann man die Bilder der beiden inneren Quadrate ermitteln.

Um jetzt den Körper der Höhe nach aufzubauen, bestimmen wir auf der Vertikalen durch 1 ohne weiteres die Ecke 6, da die Länge 1.6 im Aufriß ja gegeben. Die drei anderen Ecken der Deckfläche des Sockels sind auf den Vertikalen durch 2', 3' und 4' ohne Schwierigkeit zu finden. Die übrigen Höhenabmessungen können wir unter Benutzung der Vertikalen 1.6 und des Diagonalpunktes Dg gewinnen, da doch alle durch Dg gehenden Linien die Bilder horizontaler Geraden sind, welche zur Diagonale 1.3 parallel laufen. Infolgedessen liefern die Hilfspunkte 7, 9, 11 aus Dg projiziert auf den betreffenden Vertikalen die Punkte 8', 10', 12'. Die fehlenden Ecken ergeben sich durch [58]Benutzung der Fluchtpunkte fa und fb. Die vier schiefen Linien der Gehrung gehen durch den Punkt 14', auf der Achse des Körpers; zu diesem Punkt 14' gelangt man vom Hilfspunkt 13 aus.

Fig. 48
Fig. 48.

Auch in diesem Falle wäre es eine gute Übung, den Körper darzustellen unter der Annahme, daß die Bildebene parallel zu der eben benutzten durch die Achse des Pfeilers gelegt wird.

Die Figuren 47 und 48 geben zwei charakteristische Formen perspektivischer Bilder. In Fig. 47 steht der Körper so zur Bildtafel, daß ein Teil seiner Kanten und Flächen zur Bildebene parallel, der andere Teil der Kanten und Flächen zur Bildebene senkrecht verläuft. Im Bilde selbst treten als wichtigste Linien die Horizontalen und die Tiefenlinien auf. Man sagt, der Körper befinde sich in »Frontstellung« oder »frontal« und nennt die Darstellung eine »Frontansicht« oder (weniger gut) eine »gerade Ansicht«. Im zweiten Falle, der Fig. 48, sind die Kanten und Flächen des Körpers gegen die Bildebene schräg gestellt; der Körper befindet sich in »Übereckstellung«, und man nennt das Bild eine »schräge Ansicht«. Die Bilder der ersten Art (Fig. 47)[59] zeigen wegen der auftretenden Parallelen eine gewisse Einförmigkeit, während bei den Bildern der zweiten Art (Fig. 48) die zwei Fluchtpunkte eine reichere Bewegung der Linien bewirken.

§ 9. Schiefe Linien im Raume.

27. Steigende und fallende Gerade im Raume. Bisher haben wir nur Gerade betrachtet, welche entweder parallel oder senkrecht zur Grundebene waren, also horizontale oder vertikale Linien. Gelegentlich kommen aber doch auch Gerade vor, die ganz beliebig im Raume verlaufen, z. B. die Giebellinien eines Daches oder einer Fensterbedachung, die Steigungslinien einer Treppe oder einer ansteigenden Straße. Solche Linien wollen wir als schiefe Gerade bezeichnen.

Ist eine ganz beliebige Gerade A gegeben, Fig. 49, so denken wir uns durch A die zur Grundebene lotrechte Ebene gelegt, welche aus der Grundebene den rechtwinkligen Riß A1 ausschneidet. Sie ist in der Figur vertikal schraffiert. s sei die Spur der Geraden A. Durch s ziehen wir in dieser schraffierten Ebene eine Parallele X zu A1. Die Gerade A bildet dann mit X einen Winkel α, der sich von X nach aufwärts erstreckt. Von der Geraden A sagen wir nun, sie »steige« im Raume. Dabei betrachten wir denjenigen Abschnitt der Geraden A, der vom Auge O ausgerechnet hinter der Bildtafel liegt und durchlaufen ihn, indem wir in der Spur s beginnen.

Fig. 49
Fig. 49.

Den Fluchtpunkt fa der Geraden A finden wir dadurch, daß wir durch das Auge O eine Parallele zu A ziehen und diese mit der Tafel zum Schnitt bringen; es ist also OfaA. Wir legen auch durch die Gerade Ofa eine lotrechte Ebene, welche in der Figur ebenfalls vertikal schraffiert ist. Aus einfachen Sätzen folgt, daß diese beiden schraffierten Ebenen parallel sind. Die durch die Gerade Ofa gelegte Vertikalebene möge den Horizont in f, die Grundlinie in f1 schneiden, so daß die Punkte fa, f, f1 auf der vertikalen Schnittlinie dieser Ebene mit der Tafel gelegen sind. Dann tritt der Winkel α nochmals auf, in dem auch ∢ fOfa = α und man erkennt, daß der Fluchtpunkt fa oberhalb des Horizontes gelegen ist.

[60]

Fig. 50
Fig. 50.

Nehmen wir jetzt eine zweite Gerade B dazu, die aber in der gleichen Vertikalebene liegen und außerdem auch durch s gehen soll. Dagegen möge diese zweite Gerade einen Winkel β mit X bilden, der nach abwärts geht. Diese Gerade B »fällt« dann. Konstruieren wir ihren Fluchtpunkt, so müssen wir durch O eine Parallele zu B konstruieren. Diese Parallele liegt aber in der zweiten, schraffierten Vertikalebene, d. h. fb muß auf der Linie ff1 gelegen sein. Es ist wieder

fOfb = β

und der Fluchtpunkt fb befindet sich unterhalb des Horizontes hh. Diese einfachen Überlegungen geben uns den praktisch wertvollen

Satz 22. »Gerade, welche im Raume steigen, haben einen Fluchtpunkt oberhalb des Horizontes; fällt eine Gerade im Raume, so liegt ihr Fluchtpunkt unter dem Horizont

Fig. 50 a
Fig. 50 a.

Man beachte, wie die horizontalen Geraden den Übergang von den steigenden zu den fallenden Geraden bilden und deswegen ihre Fluchtpunkte auf dem Horizonte haben.

[61]

Um das gleich an einem Beispiel zu veranschaulichen, ist in Fig. 50 eine Brücke skizziert. Der mittlere Teil derselben läuft horizontal entsprechend dem Fluchtpunkt f, der vordere Teil der Brücke steigt gegen den Fluchtpunkt fa an, der rückwärtige fällt nach dem Fluchtpunkt fb.

Aus der Figur 47 entnehmen wir noch weiter folgendes: die beiden parallelen, schraffierten Ebenen werden von der Grundebene geschnitten, also ist

O1f1A1.

Andererseits ist aber auch

O1f1Of.

Daraus folgt, daß OfA1 oder mit anderen Worten: f ist der Fluchtpunkt für den Riß A1 der Geraden A. Damit hat sich ergeben:

Satz 23. »Projiziert man den Fluchtpunkt einer schiefen Geraden auf den Horizont, so ist dieser Punkt der Fluchtpunkt für die Projektion der Geraden in die Grundebene.«

Das wurde in der Figur 50 auch berücksichtigt, indem die 3 Punkte fa, fb, f einer Vertikalen liegen.

Im besonderen kann eine Gerade C in einer Vertikalen Tiefenebene liegen (Fig. 51). Dann wird die Lotebene, welche den Riß C1 liefert, eine Tiefenebene und der Riß C1 eine Tiefenlinie. Unsere Betrachtung zeigt ohne weiteres, daß der Fluchtpunkt fc einer solchen schiefen Geraden C auf der Vertikalen durch den Augpunkt liegen muß. Die beiden parallelen Ebenen sind in der Fig. 51 wieder schraffiert; man mag sich darunter Türen denken, die im vorliegenden Falle unter 90° gegen die Wandfläche geneigt sind, während sie sich in Fig. 49 weniger weit öffnen. Es folgt also

Satz 24. »Liegt eine schiefe Gerade in einer vertikalen Tiefenebene, so muß ihr Fluchtpunkt auf einer Vertikalen durch den Augpunkt gelegen sein.«

Fig. 50 gibt in dem Gebäude links ein Beispiel. Die Wand des Hauses, in welcher sich die Türe befindet, ist eine Tiefenebene. Die Giebellinien laufen deswegen nach den Fluchtpunkten Fa und Fb, die auf der Senkrechten im Augpunkt A liegen. Auch die Linien des Türgiebels haben diese Eigenschaft.

Fig. 51
Fig. 51.

Aus der Fig. 49 ziehen wir endlich noch eine Folgerung. Wenn die beiden[62] Geraden A und B gleich geneigt sind gegen die Gerade X oder, was das gleiche ist, gegen die Grundebene, wenn also α = β, so ergibt sich aus den Dreiecken Offa und Offb sofort, daß dann auch

ffa = ffb

oder

Satz 25. »Sind schiefe Gerade im Raume gleich geneigt gegen die Grundebene, so liegen ihre Fluchtpunkte gleich weit vom Horizont entfernt.«

Fig. 52
Fig. 52.

In Fig. 50 ist also

AFa = AFb,

weil die beiden Seiten des Daches doch gleiche Winkel mit der Grundebene einschließen, und da auch rechts

ffa = ffb,

so hat die Brücke zu beiden Seiten der horizontalen Strecke die gleiche Steigung.

Zusatz. Wir fügen hier eine vielbenutzte Konstruktion an. Denken wir uns die wahre Gestalt 1 2 3 4 5 der Seitenwand 1'2'3'4'5' in Fig. 50 a herausgezeichnet und konstruieren wir den Schnittpunkt 6 der Diagonalen 2.4 und 1.3, so hat die Figur die Eigenschaften, daß die Verbindungslinie 5.6 parallel zu 1.4 und 2.3 ist und daß sie die Seiten 1.2 und 3.4 in 7 und 8 halbiert. In der perspektivischen Zeichnung läßt sich 6' sofort angeben; 5' liegt also auf der Vertikalen durch 6', was eine Kontrolle gibt und diese Vertikale schneidet weiter die Bilder 8' und 7' der Mitten von 1.2 und 3.4 aus. Ist also z. B. die gegebene Strecke 1'.2' zu halbieren, so hat man nur nötig, irgendein solches vertikales Rechteck zu zeichnen.

Aufgabe 17. Eine Freitreppe darzustellen, wenn die Wangen in Tiefenebenen gelegen sind.

[63]

Das Verhältnis der Höhe der Stufe zur Breite sei ½. Das Profil der Treppe ist in Fig. 52 unten angegeben. Die Stärke der Treppenwange und die Breite der Treppe werden beliebig angenommen. Die Begrenzungslinie A der Wange und die Linien B und C, welche die Stufen bestimmen, bilden drei parallele Linien. Ist fc der Fluchtpunkt für diese Linien, so liegt nach Satz 24 fc auf einer Senkrechten durch A und es muß auch (Fig. 51)

Afc = ½ OA

sein. Demgemäß machen wir in Fig. 52 die in A errichtete Senkrechte Afc = der halben Distanz = AD1/2. Im Punkte 0 der Grundlinie tragen wir die Vorderfläche der Wange an und ziehen durch die beiden oberen Ecken die Linien nach fc. Auf der Tiefenlinie von 0 nach A hat man jetzt den Tiefenmaßstab anzutragen, der in dem Treppenprofil gegeben ist. Wir tragen nach Aufg. 5 den Maßstab auf der Grundlinie an und projizieren ihn aus D1 auf die Tiefenlinie. So erhält man die Bilder 1', 2', 3', 4' usf. In diesen Punkten sind jetzt nach Aufg. 11 Höhen zu errichten, die bzw. eine, zwei, drei Stufenhöhen betragen. Wir tragen deswegen auf der durch 0 gehenden Vertikalen einen Maßstab mit einer Einheit gleich einer Stufenhöhe ab; dann liefert die Tiefenlinie 1.A auf der durch 1' gehenden Senkrechten den Punkt I', die durch 2 gehende Tiefenlinie 2.A schneidet auf der durch 2' gezogenen Vertikalen den Punkt II' aus usf. Eine Kontrolle besteht darin, daß alle Punkte I', II', III' … auf einer Geraden B' liegen müssen, die durch fc geht. Gleichzeitig erhält man die auf C' gelegenen Eckpunkte der unteren Treppenkanten. Nun kann man ohne weiteres durch diese Punkte die Horizontalen zeichnen bis zur rechten Treppenwange. Man beachte, daß man auf diejenigen Treppenstufen, die unter dem Horizont liegen, Aufsicht hat, auf die über dem Horizont befindlichen Stufen dagegen Untersicht. In unserer Figur ist, um Raum zu sparen, die Distanz etwas klein angenommen; man wähle sie größer, wodurch das Bild gewinnen wird.

Fig. 53
Fig. 53.

Es ist auch nicht uninteressant zu bemerken, daß Linien, welche im Raume steigen oder fallen, im Bilde durchaus nicht zu steigen oder[64] zu fallen brauchen. Das kann man an Fig. 53 beobachten. Die Fluchtpunkte des Giebels sind fa und fb, aber die Linie x'y' fällt im Bilde, in der Richtung gegen den Fluchtpunkt durchlaufen, während die Gerade xy selbst im Raume offenbar steigt.

§ 10. Der photographische Apparat.

28. Die Entstehung des photographischen Bildes. Wie allgemein verbreitet die perspektivischen Bilder sind und welche Bedeutung ihnen für die Versinnlichung der uns umgebenden Welt zukommt, kann durch nichts stärker zum Bewußtsein gebracht werden als durch die Tatsache, daß jede Photographie ein perspektivisches Bild ist.

Indem wir hinsichtlich der Einrichtung eines photographischen Apparates und der Wirkung des Objektives auf andere Darstellungen verweisen4, bemerken wir nur, daß wir uns die Entstehung des Bildes auf der Mattscheibe für unsere Zwecke hinreichend genau in folgender Weise denken können.

4 Otto Prelinger, Die Photographie (ANuG Bd. 414). 1914. Moritz von Rohr, Die optischen Instrumente (ANuG Bd. 88). 1906.

Fig. 54
Fig. 54.

Die Begrenzungsflächen der Linsen des Objektives sind Ausschnitte aus Kugelflächen und die Mittelpunkte aller dieser Kugeln liegen auf einer Geraden, der optischen Achse des Linsensystems. Das photographische Bild entsteht nun durch eine Zentralprojektion, die aus einem Punkte O erfolgt (Fig. 54), der auf der Achse des Linsensystems liegt, und zwar angenähert in der Mitte zwischen den Punkten, in denen die Achse die vorderste und hinterste Linsenfläche schneidet. Dieser Punkt heißt wohl auch der »Mittelpunkt« des Objektives.

Fig. 54 a
Fig. 54 a.

Wie verhält es sich aber weiter mit der Bildebene? Die Haupteigenschaft des Linsensystems ist die, daß jede auf der optischen Achse senkrechte Ebene wieder in eine auf der Achse senkrechte Ebene abgebildet wird. Photographiert man also z. B. ein Gemälde oder eine Karte, so ist die Mattscheibe an die Stelle der entsprechenden Ebene zu bringen. Alle Punkte des Gemäldes sind dann scharf eingestellt. Weiter kann unser Auge die Unschärfe erst von einem gewissen Grade an erkennen. Das hat zur Folge, daß nicht nur Punkte der betreffenden Ebene, sondern eine ganze Schicht vor und hinter ihr gelegener Punkte ebenfalls scharf erscheinen. Es wird folglich ein ganzes Stück des Raumes brauchbar abgebildet. Am wichtigsten wird diese Eigenschaft,[65] wenn wir auf einen weit entfernten Gegenstand, z. B. einen Kirchturm, einstellen. Dann hat die Mattscheibe des Objektives eine gewisse Entfernung vom Mittelpunkt des Objektives, die man die »Brennweite« nennt. Es erscheint nun aber nicht nur der Kirchturm scharf auf der Mattscheibe, sondern ein großer Teil des Raumes bis zu einer bestimmten Entfernung vom Objektiv liefert ein scharfes Bild. Nimmt man also eine Landschaft oder eine Architektur auf, so genügt diese Einstellung für das ganze Objekt. Man sagt, es sei »auf Unendlich« eingestellt und bei manchen Apparaten ist die Mattscheibe überhaupt in dieser Stellung fixiert. Sind beispielsweise ab und cd zwei parallele, ziemlich entfernte vertikale Gerade (Fig. 54) und ist auf Unendlich eingestellt, so ergeben sich die Bilder von ab und cd, indem man durch den Mittelpunkt O des Objektives die Strahlen konstruiert und diese mit der Mattscheibe zum Schnitt bringt. Es entstehen die Bilder a'b' und c'd'. (Ein Unterschied gegenüber unserer perspektivischen Abbildung besteht nur darin, daß wie beim Vorgang des Sehens das Projektions-Zentrum zwischen Gegenstand und Bildtafel[66] gelegen ist. Deswegen erscheint das Bild auf der Mattscheibe verkehrt: es ist oben und unten, rechts und links vertauscht. Man kann sich übrigens eine Ebene denken, welche zwischen dem Mittelpunkt und dem Gegenstand parallel zur Mattscheibe verläuft und ebenso weit vom Mittelpunkt entfernt ist als die Mattscheibe. Diese Ebene würde aus dem Bündel der projizierenden Strahlen das aufrechte Bild des Gegenstandes ausschneiden.

Demnach müssen Photographien alle Eigenschaften perspektivischer Bilder zeigen und man mag an der Abb. 7 (S. 70) die Verkürzungen, den Verlauf horizontaler Geraden und den Fluchtpunktsatz verfolgen. Speziell aus dem letzteren wollen wir noch eine Folgerung ableiten.

Abb. 6
Abb. 6.

29. Stürzende Linien. Nehmen wir an, daß ab und cd zwei vertikale Gerade (Fig. 54) und ist die Mattscheibe ebenfalls genau vertikal gestellt, so sind ab und cd parallel zur Bildebene, also müssen nach Satz 10 ihre Bilder a'b' und c'd' auch parallel sein (Fig. 54 rechts). In der Tat erscheinen in der Abb. 7 alle vertikalen Geraden vertikal. Denken wir uns aber, daß ab und cd etwa zwei in ziemlicher Höhe z. B. an einem Giebel befindliche Linien seien und der Photograph würde, um sie auf die Mattscheibe zu bekommen, den Apparat in die Höhe drehen,[67] wie es Fig. 54 a andeutet. Jetzt sind die parallelen Geraden ab und cd nicht mehr parallel zur Bildebene. Ihre Bilder werden also auch nicht mehr parallel, sondern sie konvergieren nach einem Fluchtpunkt f, der unterhalb in der erweiterten Ebene der Mattscheibe liegt. Das Bild der Geraden zeigt Fig. 54 a rechts. Das Siegestor in München wurde in dieser Weise mit gestürztem Apparat photographiert (Abb. 6). Natürlich liegt der Fluchtpunkt jetzt oben, da wir das Bild doch umkehren Aber auch aus Versehen oder aus Unachtsamkeit können sich namentlich beim Gebrauch einer Handkamera solche stürzende Linien einstellen. Würde man, um von einem hohen Standpunkt in die Tiefe zu photographieren, den Apparat nach unten neigen, so läge der Fluchtpunkt der Vertikalen im Bilde unten und die Gebäude fielen auf den Beschauer zu.

Man kann übrigens auch bei gestürztem Apparat vertikale Linien wieder parallel und vertikal erhalten, wenn man die Mattscheibe um m so lange dreht (Fig. 54 a), bis sie in der Stellung mp wieder vertikal steht. Dann muß man allerdings neu einstellen. Aus diesem Grunde ist bei manchen, besseren Apparaten die Möglichkeit gegeben, die Mattscheibe zu drehen.

Endlich wird man noch die Frage stellen können: Aus welchem Punkte muß denn eine Photographie, die doch ein perspektivisches Bild ist, betrachtet werden? Wir wollen uns auf den Fall beschränken, daß ein ziemlich entferntes Objekt, eine Landschaft oder eine Architektur, mit der Einstellung auf Unendlich aufgenommen worden sei. Dann ist eine solche Photographie offenbar aus einer Entfernung zu betrachten, die gleich der Brennweite ist. Es tritt also in diesem Falle als Distanz die Brennweite ein.

§ 11. Die Wahl der Distanz.

30. Größe der Distanz. Ein Gegenstand sei in seiner Lage gegen die Bildebene gegeben, ferner möge die Tafel durch den Bildausschnitt, etwa durch ein Rechteck abcd Fig. 55, begrenzt sein. Dann kann man noch sehr verschiedene Bilder dieses Gegenstandes erhalten, indem man die Distanz und die Augenhöhe verschieden wählt. Der Augpunkt soll dabei immer in der Mittellinie des Bildes angenommen werden. Als Gegenstand bilden wir einen rechtwinklig begrenzten Raum ab mit einem quadratisch getäfelten Fußboden und einem Würfel, der sich über einem Quadrate des Fußbodens erhebt. Wir wählen zunächst[68] die Distanz AD1 klein, nämlich noch kleiner als die kleinere Seite des Bildrechtecks, und zeichnen die Darstellung in Fig. 55 für eine mittlere, in Fig. 56 für eine große Augenhöhe. Man erkennt, daß in beiden Fällen, namentlich aber bei dem hohen Horizont, die Bodenfläche so stark steigt, daß darauf befindliche Figuren förmlich herunterzurutschen scheinen, und daß sich unschöne Verkürzungen ergeben. Die Abb. 3 (S. 30) zeigt uns ein solches Interieur mit sehr hohem Horizont, der etwa in 8/11 der Bildhöhe verläuft. Dagegen kann für die Darstellung einer Stadt oder eines ganzen Landes recht gut eine Perspektive mit sehr hohem Horizont verwendet werden. Ein solches Bild nennt man dann eine »Vogelperspektive«.

Fig. 55
Fig. 55.
Fig. 56
Fig. 56.
Fig. 57
Fig. 57.

In den Figuren 57 und 58 wurde die Distanz größer angenommen, nämlich 1½mal so groß als die größere Seite des Bildausschnittes. Endlich gibt Fig. 59 eine Darstellung, in der die Distanz 3mal so groß gewählt ist als die größere Seite ab des Bildes. Man bemerkt, wie in diesem Falle die Bodenfläche und die Wände schon sehr zusammenschrumpfen. Je größer man die Distanz wählen würde, um so mehr würde sich das Bild einer Orthogonalprojektion nähern. Es verwischen sich[69] aber dann die eigentlichen, perspektivischen Eigenschaften des Bildes mehr und mehr. Vergleicht man die fünf Figuren, so ergibt sich, daß man Fig. 56 und Fig. 58 wohl als die schönsten und ästhetisch brauchbarsten Bilder bezeichnen muß.

Fig. 58
Fig. 58.

Wir bringen dies weiter in Zusammenhang mit folgender Tatsache: wenn wir irgendein größeres Objekt, sei es nun ein räumlicher Gegenstand oder ein Bild, als Ganzes betrachten wollen, so treten wir so weit von dem Objekt zurück, daß wir dasselbe ohne Bewegungen des Kopfes übersehen können. Dann erst haben wir einen Gesamteindruck. Je größer der Gegenstand ist, um so weiter entfernt wählen wir unseren Standpunkt. Offenbar beherrscht unser Auge nur einen Kegel von ganz bestimmter Öffnung und wir richten unsere Stellung dem Objekt gegenüber so ein, daß das Objekt ganz in diesen Kegel hineinfällt.

Fig. 59
Fig. 59.

Auf diese Weise erkennt man, daß die Distanz nicht völlig willkürlich gewählt werden darf. Ist sie zu groß, so verliert das Bild die charakteristischen, perspektivischen Wirkungen; ist sie zu klein, so ergeben sich übertriebene Verkürzungen. Aus der Praxis heraus hat sich folgende Regel ausgebildet:

Man wähle die Distanz 1½mal bis 2mal so groß als die größere Seite des Bildrechteckes.

In betreff der mit kleiner Distanz gezeichneten Bilder ist auch noch daran zu erinnern, daß das normale, nicht kurzsichtige[70] Auge auf Gegenstände, die näher als etwa 25 cm am Auge liegen, nicht mehr akkommodieren kann, das heißt es kann solche Objekte nicht mehr scharf sehen. Auch aus diesem Grunde sind demnach allzu kleine Distanzen zu vermeiden.

Fig. 60
Fig. 60.
Abb. 7
Abb. 7.

31. Wirkung einer zu kleinen Distanz, das Interieur. Es liegt weiter nahe, daß man eine für eine kleine Distanz angefertigte Zeichnung aus einer Entfernung betrachtet, die größer ist als die Distanz. Dann treten übertriebene Tiefenwirkungen auf. In der Tat denken wir uns einen Würfel, der mit der Fläche in der Bildtafel liegt. Das Auge befinde sich in der Erweiterung der unteren Würfelfläche. Fig. 60 (links) stellt den Schnitt mit einer Ebene dar, die durch das Auge senkrecht zur Bildebene geht. Das Bild des Würfels wird dann durch a, b, c' angedeutet. Ist nun umgekehrt das Bild a, b, c' gegeben, so ist vorauszuschicken, daß natürlich durch ein Bild der Körper nicht bestimmt sein kann. Wenn wir aber z. B. noch wissen oder stillschweigend annehmen, daß es sich um einen rechtwinklig begrenzten Körper[72] handelt, so können wir aus dem einen Bild den Körper rekonstruieren.

Abb. 8
Abb. 8.

Es möge nun das Bild a, b, c' aus einem Punkte O1 betrachtet werden (Fig. 60 rechts), der weiter von der Bildebene entfernt liegt als O. Der zum Punkte c' gehörige Raumpunkt c liegt dann einerseits auf der Linie O1c', andererseits aber wegen der rechtwinkligen Natur des Körpers auf der Senkrechten in b zur Bildebene. Statt des Würfels erhalten wir einen viel längeren, rechteckigen Quader abcd. Es scheint also der Körper viel tiefer zu sein, als er wirklich ist.

[73]

Abb. 9
Abb. 9.

Diese unnatürliche Vertiefung (Tunnelperspektive) kann man z. B. an photographischen Bildern beobachten, die mit Objektiven von kleiner Brennweite hergestellt werden, weil solche Darstellungen eben meistens aus einer zu großen Entfernung betrachtet werden. So erscheint in Abb. 7 (S. 70) das Gebäude viel länger als in Wirklichkeit. Ein einfaches Mittel, von solchen Photographien ein richtiges Bild zu bekommen, besteht darin, daß man sie durch ein Vergrößerungsglas betrachtet. Dann wird mit dem Bilde auch die Distanz vergrößert, und man gewinnt eher die richtige Entfernung für das Auge.

Eine ganz entsprechende Verkürzung des Objektes der Tiefe nach tritt ein, wenn man unter der gleichen Annahme wie oben ein perspektivisches Bild aus einer zu kleinen Distanz betrachtet.

Eine kleine Distanz bevorzugt man bei der Darstellung eines Innenraumes, also beim Interieur, weil dadurch die Vorstellung erweckt wird, daß der Beschauer sich noch im Innern des betreffenden Raumes befindet.

Prüft man beispielsweise in dem Fresko von Raffael (1485–1520), die »Schule von Athen« (Abb. 8, S. 71), das die eine Wand der camera della segnatura im Vatikan in Rom einnimmt, auf Grund einer großen Photographie die perspektivische Konstruktion, so stimmt diese allerdings nicht vollständig genau. Als mittlerer Wert ergibt sich aber für die Distanz, daß sie etwas größer ist als die Breite des Bildes (ungefähr = 1⅐ der Bildbreite). Man beachte aber, welche unvergleichlich großartige Raumwirkung der Künstler durch den Kuppelraum mit den beiden Schiffen und die Vordergrundsszene erzielt. Kleiner als die größere Seite des Bildausschnittes wird man aber die Distanz nicht wählen.

Fig. 61
Fig. 61.

Auch bei manchen Holländern des 17. Jahrhunderts, z. B. bei van der Meer van Delft (1632–1675), finden wir Interieurs mit kleiner Distanz.5 So ist bei dem in Abb. 9 wiedergegebenen Bilde, das sich im kgl. Schloß in Windsor befindet und eine[74] Musikstunde darstellt, die Distanz wenig größer als die Höhe des Bildes (etwa 11/17 derselben). Man kann aber hier schon die unangenehme Folgeerscheinung beobachten, daß bei solchen Bildern mit kurzer Distanz der Boden im Vordergrund sich nach abwärts zu neigen, sich herunterzuklappen scheint.

5 Man vgl. dazu Hans Jantzen, Niederländische Malerei im 17. Jahrhundert. S. 52. (ANuG Bd. 373.) 1912.

Abb. 10
Abb. 10.

32. Das photographische Bild. Was die Bilder des photographischen Apparates betrifft, so liefern Objektive mit großer Brennweite Darstellungen, die einer großen Distanz entsprechen, Objektive mit kleiner Brennweite, sogenannte Weitwinkel, geben Bilder mit kleiner Distanz. Die übertriebene Perspektive solcher Weitwinkel erklärt sich abgesehen von der eben erwähnten Wahl eines falschen Standpunkts direkt durch die Wirkung der kleinen Distanz. In der Tat sind ab und cd etwa zwei gleichgroße Objekte, O und O' die Zentren der Perspektive (Fig. 61) und a'b', c'd' ihre Bilder in der durch eine Gerade dargestellten Tafel, so bemerkt man den Unterschied, je nachdem die Distanz klein ist wie in der oberen Figur oder groß wie in der unteren. In der oberen Figur ist c'd' mehr als doppelt so groß wie a'b', in der unteren nicht ganz doppelt so groß. Dadurch daß das fernere Objekt beim Weitwinkel so stark verkleinert wird, erscheint das nähere[75] gleichzeitig unverhältnismäßig groß. Die Abb. 10 gibt uns die Aufnahme einer sitzenden Person, wobei sich der Apparat sehr nahe an der Person befand. Die an und für sich richtige Perspektive führt zu komischen Wirkungen. Doch lassen sich, wie Abb. 11 zeigt, mit dem gleichen Objektiv etwas bessere Bilder erzielen, wenn man nur einen größeren Abstand von dem Objekt wählt. Für Landschaftsaufnahmen sind diese Überlegungen von großer Bedeutung. Ein Weitwinkel läßt ferne, hohe Berge zu unbedeutenden Hügeln zusammenschrumpfen, er treibt den Hintergrund zurück, wie die Photographen sagen, und betont den Vordergrund. Ein Objektiv mit großer Brennweite dagegen gibt ferne Berge groß, es »zieht den Hintergrund nach vorn« und läßt den Vordergrund weniger in die Erscheinung treten.

Abb. 11
Abb. 11.

§ 12. Unzugängliche Distanz- und Fluchtpunkte.

33. Unzugänglicher Distanzpunkt. Den Augpunkt einer Darstellung werden wir naturgemäß in der Mittellinie des Bildausschnittes annehmen, da man bei Betrachtung eines Bildes doch ganz von selbst vor die Mitte tritt. Dann folgt aber aus unseren Erörterungen und[76] aus den Figuren 55 bis 59 ohne weiteres, daß die Distanzpunkte nicht mehr in dem Bildausschnitt liegen, sondern weit darüber hinaus fallen. Verwendet man also nicht eine viel größere Zeichenfläche, z. B. ein sehr großes Reißbrett, so sind die Distanzpunkte nicht mehr zu erreichen. Das gleiche gilt für Fluchtpunkte horizontaler Geraden, die, wie z. B. schon die Fig. 48 erkennen läßt, häufig weit auf dem Horizont hinausfallen, wenn die Figur nicht absichtlich darnach eingerichtet wird. Es fragt sich nun, wie man die Konstruktionen, die sich auf solche über die Zeichenfläche hinausfallende Punkte beziehen, trotzdem erledigen kann. Das ist die wichtigste Aufgabe der praktischen Perspektive.

Fig. 62
Fig. 62.

Wir wollen zunächst sehen, wie man die Aufgabe 5, also die Konstruktion eines Tiefenmaßstabes, durchführen kann, wenn die Distanzpunkte nicht mehr erreichbar sind. War auf einer gegebenen Tiefenlinie T von ihrer Spur t aus eine Strecke anzutragen, so machten wir auf der Grundlinie ts = dieser Strecke (Fig. 62) und verbanden den Punkt s mit einem Distanzpunkt D1; die Verbindungslinie schnitt aus T' den gesuchten Punkt p' aus (vgl. die frühere Fig. 21 b). Halbieren wir nun aber die Strecke AD1 und bezeichnen die Mitte mit D1/2. Verbinden wir weiter diesen Punkt D1/2 mit p', so möge diese Linie die Grundlinie im Punkte q treffen. Dann gilt die Proportion:

tq : qs = A D1/2 : D D1/2 = 1 : 1.

Es ist mithin auch q die Mitte von ts und

tq = qs = ts/2.

Fig. 63
Fig. 63.

Wir können zum Punkte p' also auch gelangen, wenn wir die halbe Strecke tq auf der Grundlinie antragen, den Endpunkt q mit dem Punkte D1/2 verbinden und diese Linie mit T' zum Schnitt bringen. Soll[77] demnach z. B. auf der Tiefenlinie T' ein Maßstab gezeichnet werden, dessen Einheit gegeben ist, und kann man D1/2 noch erreichen (Fig. 63), so tragen wir die halbe Einheit auf der Grundlinie wiederholt ab und projizieren diese Punkte aus D1/2 auf T'. Dann erhält man den verlangten Tiefenmaßstab.

Fig. 64 a
Fig. 64 a.
Fig. 64 b
Fig. 64 b.

Rückt die Teilung auf der Grundlinie zu weit hinaus, so kann man z. B. durch 2' eine Parallele l zur Grundlinie ziehen und die auf dieser Parallelen ausgeschnittene kleinere Strecke 2'3'' auf l wiederholt antragen und aus D1/2 projizieren.

Der Punkt D1/2 heißt ein »Teil-Distanzpunkt«. Selbstverständlich könnte man die ganze Strecke AD1 auch in drei gleiche Teile teilen und den ersten Teilpunkt von A aus mit D1/3 bezeichnen. Dann hätte man statt der ganzen Strecke bloß den dritten Teil auf der Grundlinie anzutragen. Mit D1/3 verbunden liefern diese Punkte auch wieder den Tiefenmaßstab usf.

34. Unzugängliche Fluchtpunkte. Erstes Verfahren. Die Ermittlung des Fluchtpunktes einer beliebigen, horizontalen Geraden beruhte wesentlich auf den Überlegungen von (16), die zu der in der Fig. 24 gegebenen Konstruktion führten. Ist nun in dieser Figur der Fluchtpunkt fa nicht zugänglich, so kann man diese Schwierigkeit in folgender Weise umgehen: wir verkleinern die ganze Figur, indem wir sie sich gegen den Punkt A zusammenziehen lassen.

Der aus der Geometrie hierbei anzuwendende Satz ist in den Fig. 64 a und 64 b noch eigens veranschaulicht. Es ist hier zu dem Vieleck abcde in folgender Weise ein neues konstruiert worden. Ein Punkt o wird beliebig gewählt und mit allen Ecken a, b, c … verbunden. Auf diesen Verbindungslinien werden die Punkte a', b', c' … dadurch bestimmt,[78] daß man alle Strecken oa, ob, oc … im gleichen Verhältnis teilt, also beispielsweise immer

a'o = ⅔ ao, b'o = ⅔ bo, c'o = ⅔ co …

macht. Das neue Vieleck a', b', c' … hat dann folgende Eigenschaften:

a) Entsprechende Seiten der beiden Vielecke sind stets parallel, d.h. es ist

aba'b', bcb'c', cdc'd' usf.

b) Alle Verhältnisse der Seiten sind die gleichen, d. h. es ist

ab : bc = a'b' : b'c' usf.

Fig. 65
Fig. 65.

Wenn also z. B. die Seite ab doppelt so groß ist wie bc, so ist auch a'b' doppelt so groß wie b'c'. Die Figuren abcde und a'b'c'd'e' nennt man ähnlich und ähnlich liegend und o den Ähnlichkeitspunkt.

Im vorliegenden Falle benutzen wir A als Ähnlichkeitspunkt. Zunächst ist in Fig. 65 die frühere Konstruktion wiederholt. Auf der Linie von A nach D3 wählen wir nun einen Punkt D3/3 so, daß

A D3/3 = ⅓ AD3

und verkleinern die ganze Figur auf ein Drittel.

Fig. 66
Fig. 66.

Wir verbinden also a mit A, teilen diese Linie in drei gleiche Teile und bezeichnen den ersten Teilpunkt von A aus mit a/3, so daß

A a/3 = ⅓ Aa.

Ziehen wir dann durch den Punkt D3/3 eine Parallele[79] zu faD3, so schneidet diese auf dem Horizont einen Punkt fa/3 aus, der die Eigenschaft hat, daß auch

A fa/3 = ⅓ ⋅ Afa

und es ist weiter dann auch

afaa/3 fa/3.

Hat man die verkleinerte, punktierte Figur gezeichnet, so kann man A' finden, wenn ein Punkt, etwa die Spur a, bekannt ist, indem man durch a eine Parallele zu a/3 fa/3 zieht.

Dies ist in der Figur 66 ausgeführt. Vermittels des Punktes D3/3 wurde zunächst fa/3 ermittelt, in dem man zur Verschiebung (A) der Geraden eine Parallele zog; verschafft man sich weiter die Spur a der Geraden und dazu den Hilfspunkt a/3 auf der Verbindungslinie aA, so ist das Bild A' parallel zur Linie a/3 fa/3, kann also als eine Parallele durch a zu dieser Linie gezeichnet werden.

Wie stark wir die Figur verjüngen wollen, steht natürlich in unserem Belieben; statt auf ⅓ zu verkleinern, können wir auch die Verjüngung auf ¼ wählen oder bloß auf ½. Nur darf die neue Figur nicht zu klein werden. Wir geben eine praktische Anwendung in der folgenden

Aufgabe 18. Eine Zimmerecke samt dem quadratisch getäfelten Fußboden darzustellen, wenn der Teil-Distanzpunkt D1/4 noch zugänglich ist.

Auf der Senkrechten, die im Augpunkt A zum Horizont gezogen werden kann, nehmen wir den Punkt D3/4 an (Fig. 67); außerdem soll gegeben sein die Eckkante p'q', also die Höhe des Zimmers und die eine Bodenkante A' durch p'.

Zunächst haben wir eine Linie B der Grundebene zu zeichnen, welche im Punkte p auf A senkrecht steht, vgl. Aufgabe 9. Da D3/4 gegeben und noch zugänglich, verjüngen wir die ganze Figur auf ¼. Dementsprechend verbinden wir den Punkt p' mit A, teilen diese Strecke in 4 gleiche Teile und bezeichnen den ersten an A gelegenen Teilpunkt[80] mit p'/4. Durch diesen Punkt p'/4 ziehen wir eine Parallele zur gegebenen Geraden A', welche in fa/4 den Horizont treffen möge. Es ist also

p'/4 fa/4A'.

Nun können wir den Punkt fa/4 mit D3/4 verbinden und im Punkte D3/4 eine Senkrechte zu dieser Linie zeichnen, welche aus dem Horizont den Punkt fb/4 ausschneidet. Verbinden wir p'/4 mit diesem Teilfluchtpunkt fb/4, so gibt diese Linie die Richtung von B'; es ist also:

B'p'/4 fb/4,

womit die zweite Bodenkante konstruiert ist. Die an der Decke laufenden Kanten finden wir, wenn wir zum Punkte q' den Hilfspunkt q'/4 zeichnen. Eine Vertikale durch p'/4 liefert ihn sofort auf der Verbindungslinie Aq'. Dadurch sind die Verbindungslinien q'/4 fa/4 und q'/4 fb/4 bestimmt und zu ihnen laufen die Deckenkanten durch q' beziehungsweise parallel.

Fig. 67
Fig. 67.

Man beachte auch, wie sich ein solcher gegen den Beschauer vorspringender rechter Winkel im Bilde darstellt: seine beiden Schenkel laufen von den betreffenden Fluchtpunkten weg. Dagegen kommen bei der Darstellung einer Gebäudeecke,[81] wie in Fig. 53 oder 72, wo der rechte Winkel von außen betrachtet wird, die Teile der Schenkel zur Verwendung, welche die Fluchtpunkte tragen.

Fig. 67 a
Fig. 67 a.

Nun sei weiter die Seite p'1' eines Quadrates des Fußbodens gegeben. Um diese Teilung auf der Geraden A' fortzusetzen, verfahren wir wie folgt: wir denken uns durch die Punkte 1, 2, 3 … der Kante A in irgendeiner Richtung parallele Gerade gelegt und bringen diese in I, II, III … zum Schnitt mit einer parallelen zur Grundlinie, wie die Nebenfigur 67 a dies andeutet. Dann sind auch die Abschnitte pI, I II, II III usf. gleich groß und umgekehrt werden gleich große Abschnitte p 1, 1 2, 2 3 … auf A erzeugt, wenn man durch gleich große Strecken pI, I II, II III … die Parallelen legt. Im Bilde gehen diese Parallelen dann in Linien über, welche durch einen Punkt des Horizonts laufen.

Dementsprechend ziehen wir durch p' eine Parallele zur Grundlinie und wählen als Punkt des Horizontes etwa A. Die Verbindungslinie von 1' nach A schneidet auf der Parallelen den Punkt I aus und wir machen p'I = I II = II III … Dann liefern die Punkte II, III aus A projiziert die Bilder 2', 3' … 6'.

Um die durch diese Punkte gehenden Fußbodenlinien zu finden, verschaffen wir uns die zugehörigen Hilfspunkte. Verbinden wir z. B. 6' mit A, so erhalten wir auf der Linie p'/4 fa/4 den entsprechenden Hilfspunkt 6'/4. Die durch 6' gehende Linie des Fußbodenmusters ist dann aber parallel zur Verbindungslinie des Punktes 6'/4 mit dem Punkte fb/4.

Die zweite Schar von Parallelen des Fußbodens wollen wir unter Benutzung des Diagonalpunktes (vgl. S. 57) zeichnen. Halbieren wir den Winkel bei D3/4, so schneidet diese Linie auf dem Horizont den Teil-Diagonalpunkt Dg/4 aus. Daraus erhalten wir demnach den Diagonalpunkt Dg selbst, wenn wir

ADg = 4 ⋅ A Dg/4

machen, also die Strecke A Dg/4 noch dreimal von Dg/4 aus nach links antragen. Durch Dg laufen dann aber alle Diagonalen der einen Art in den Quadraten des Fußbodens, so daß dieser leicht gezeichnet werden kann. Gleichzeitig ergeben sich viele Kontrollen.

[82]

35. Unzugängliche Fluchtpunkte. Zweites Verfahren. Wir wollen für die Aufgabe 9 noch eine Lösung geben, die auch wieder auf dem Gedanken beruht, an Stelle der ursprünglichen Figur eine verkleinerte, ähnliche zu benutzen.

Fig. 68
Fig. 68.

Ist Fa der Fluchtpunkt der gegebenen Geraden A', auf welcher im Punkt p' eine Senkrechte B' errichtet werden soll, so konstruieren wir z. B. den Punkt D4 (Fig. 68) und tragen im Punkte D4 einen rechten Winkel von FaD4 aus an; dann schnitt der zweite Schenkel dieses rechten Winkels den Fluchtpunkt Fb aus, so daß die gesuchte Gerade B' den Punkt p' mit Fb verband.

Fällt nun aber Fa nicht mehr auf das Zeichenblatt, so führen wir einen neuen Horizont hh ein, der parallel zu hh so gewählt sei, daß sich mit A' ein erreichbarer Schnittpunkt fa ergibt. Die ganze Figur lassen wir sich jetzt um den Punkt p' zusammenziehen, so daß hh in hh übergeht. Wir konstruieren also eine kleinere ähnliche Figur mit p' als Ähnlichkeitspunkt. Die Punkte dieser neuen Figur bezeichnen wir mit den entsprechenden kleinen Buchstaben. Zunächst liefern D1, A und Fb aus p' auf hh projiziert die Punkte d1, a und fb.

Ferner sind in ähnlichen und ähnlich liegenden Figuren entsprechende Gerade stets parallel (S. 78). Ziehen wir also durch a eine Parallele zur Linie AD4, so schneidet diese auf der Verbindungsgeraden p'D4 den entsprechenden Punkt d4 aus und es ist dann

fad4FaD4

und

fbd4FbD4.

[83]

Nun ist in der großen Figur AD1 = AD4, also ist auch in der verkleinerten Figur ad1 = ad4. Wir wollen jetzt annehmen, daß auch der Punkt D1 nicht mehr auf das Zeichenblatt fällt, wohl aber der Teil-Distanzpunkt D1/2. Konstruieren wir auch zu ihm den entsprechenden Punkt d1/2, so ist

d1 d1/2 = a d1/2

und weiter

ad4 = 2 ⋅ a d1/2.

Daraus ergibt sich folgende Konstruktion (Fig. 69).

Fig. 69
Fig. 69.

Wir zeichnen den neuen Horizont hh, welcher die gegebene Gerade A' in fa und die Verbindungslinie von p' nach A in a trifft. Dann errichten wir zu a eine Senkrechte in hh und machen diese doppelt so groß als die Strecke a d1/2. Ist d4 der zweite Endpunkt dieser Senkrechten, so ist also

ad4 = 2 a d1/2.

An die Verbindungslinie fad4 tragen wir einen rechten Winkel an, dessen zweiter Schenkel den Horizont hh in fb schneidet. Das Bild B' der gesuchten Senkrechten verbindet nun den Punkt p' mit fb.

Man kann diese Figur auch benutzen, um z. B. den Diagonalpunkt zu ermitteln, wenn man sich den rechten Winkel zu einem Quadrat ergänzt denkt. Wir dürfen ja nur den Winkel fad4fb halbieren, so liefert uns die Halbierungslinie auf hh den Hilfspunkt dg und wenn wir diesen mit p' verbinden, so schneidet diese Linie auf dem Horizont den Diagonalpunkt Dg selbst aus. Der Beweis ergibt sich leicht aus der Figur 68, denn es ist

d44dgD4Dg

und da D4Dg den Winkel FaD4Fb halbiert, so muß die Parallele den Winkel fad4fb halbieren.

36. Unzugängliche Fluchtpunkte. Drittes Verfahren. Das Wesentliche[84] an den eben durchgeführten Betrachtungen bestand darin, daß wir gelernt haben, das Bild eines rechten Winkels zu zeichnen auch dann, wenn die beiden Fluchtpunkte seiner Schenkel unzugänglich waren. Ist nun das Bild eines solchen Winkels gegeben, so kommt es häufig vor, daß man weitere Linien nach den unzugänglichen Fluchtpunkten zu ziehen hat. Wir behandeln dementsprechend die

Aufgabe 19. Ein Punkt ist gegeben als der nicht zugängliche Schnittpunkt zweier Geraden G' und hh (Fig. 71); man zeichne die Linie, welche diesen unzugänglichen Punkt mit einem weiter gegebenen Punkte p' verbindet.

Fig. 70
Fig. 70.

Die Lösung gelingt leicht, wenn wir uns an einen bekannten Satz der Geometrie erinnern. Schneidet man drei durch einen Punkt s gehende Gerade A, B, C mit irgend zwei parallelen Geraden, so werden die beiden Parallelen in gleichem Verhältnis geteilt, d. h. es ist Fig. 70

ab : bc = de : ef.

Teilt man umgekehrt die zwei Parallelen im gleichen Verhältnis, so daß also diese Gleichung erfüllt ist, so geht die Verbindungslinie be durch den Schnittpunkt s der beiden Geraden hindurch.

Fig. 71
Fig. 71.

Man kann diese beiden Sätze auch in folgender Weise ausdrücken:

Teilt man die Strecke de beispielsweise in vier gleiche Teile und verbindet die Teilpunkte 2, 3, 4 mit s, so wird auch die Strecke ab in vier gleiche Teile geteilt. Setzt man beide Teilungen auf den Parallelen fort, so gehen die Verbindungslinien gleich numerierter Punkte immer durch s. Daraus ergibt sich für die obige Aufgabe folgende Lösung (Fig. 71). Wir ziehen durch den gegebenen Punkt p' irgendeine Linie df und zu ihr in nicht zu geringer Entfernung eine Parallele, welche in a und c die zwei Geraden trifft. Durch p' werde eine Parallele zu hh gelegt, welche die Verbindungslinie cd in g schneidet. Durch diesen Punkt g ziehen wir eine Parallele zu G' und erhalten[85] auf ac den Punkt b. Dann geht die Verbindungslinie p'b durch den unzugänglichen Schnitt von G' und hh hindurch, ist also die verlangte.

Denn wir entnehmen unmittelbar aus der Figur:

ab : bc = dg : gc

und

dg : gc = dp' : p'f

folglich auch

ab : bc= dp' : p'f.

Fig. 72
Fig. 72.

Ist eine größere Zahl von Linien nach einem unzugänglichen Punkte zu zeichnen, so wäre das eben beschriebene Verfahren zu umständlich. Man wird dann den zweiten oben angeführten Satz benutzen, um solche Linien zu erhalten. Das folgende Beispiel mag dies erläutern.

Aufgabe 20. Gegeben ist das Bild eines rechten Winkels bei p' (vordere Ecke eines Gebäudes); man zeichne Parallelen zu den Schenkeln dieses Winkels.

Wir verlängern die durch p' gehende Vertikale, die Vorderkante des Gebäudes, bis sie in p0 den Horizont trifft (Fig. 72), ferner wählen wir rechts und links am Rande die Punkte q' und r' auf den Schenkeln des rechten Winkels und ziehen durch sie die Senkrechten r'r0 und q'q0 bis zum Horizont. Teilen wir die drei Strecken p'p0, q'q0, r'r0 in eine gleiche Anzahl von Teilen, z. B. jede in vier Teile, so gehen die Verbindungslinien gleich numerierter Punkte bzw. durch die Fluchtpunkte des rechten Winkels. Setzt man die Teilungen auf den Geraden p'p0, q'q0, r'r0 über den Horizont hinaus fort, so gehen auch die Verbindungslinien 6.6, 7.7 usf. wieder durch die unzugänglichen Fluchtpunkte. Die Linien 7.7 mögen das Gebäude unten abschließen.

Man erhält aber weiter auch Linien durch die Fluchtpunkte, wenn man entsprechende Abschnitte wiederum in gleichviel Teile teilt, also beispielsweise von den Strecken 1.2 je das an den Punkten 2 gelegene Drittel nimmt. (Siehe Figur.) Hat man dann durch einen vorgegebenen Punkt eine Linie nach einem der zugänglichen Fluchtpunkte zu zeichnen, so kann man das nach dem Augenmaß ausführen, indem man das Lineal so anlegt, daß es gleichnumerierte Strecken im gleichen Verhältnis teilt. Die genaue Lösung dieser Aufgabe haben wir ja in der Aufgabe 19 gegeben.

[86]

Auf der linken Seite der Figur sind noch zwei Fensterreihen eingezeichnet. Das erste an der Vorderkante p'p0 gelegene Fenster wurde willkürlich angenommen; die anderen Fenster sollen ebensogroß sein und voneinander ebensoweit abstehen als das erste Fenster von der Kante p'p0 entfernt ist. Wir bringen die vertikalen Kanten der Fenster mit der Linie 7.7 zum Schnitt und verfahren nun ebenso wie in 34. (Fig. 67 a.) Als beliebiger Punkt auf dem Horizont wurde 5 gewählt. Dadurch erhalten wir auf der durch 7 gezogenen Parallele zum Horizont zwei Strecken, die abwechselnd angetragen die Fenster liefern. Auf der rechten Seite des Gebäudes ist ebenso eine Tür und ein Fenster konstruiert.

Endlich mag noch erwähnt werden, daß es auch eigene Apparate, sogenannte »Fluchtpunkt-Lineale«, gibt, um Gerade nach unzugänglichen Punkte damit zu zeichnen.

§ 13. Gleichzeitige Anwendung der verschiedenen Methoden.

37. Verbindung der Schnittmethode mit den Fluchtpunktmethoden. Wir können aber auch die früher behandelte Schnittmethode (vgl. 8) mit den Konstruktionen, die sich aus der Benutzung der Fluchtpunkte ergeben (17, 18 u. f.), verbinden und erhalten dadurch das für Darstellung architektonischer Objekte brauchbarste Verfahren. Wir werden dasselbe am besten an einem Beispiele kennen lernen:

Aufgabe 21. Ein Postament ist durch Grund- und Aufriß gegeben (Fig. 73); die neue Bildebene, in der eine Perspektive dieses Objektes entworfen werden soll, steht auf der Grundrißebene senkrecht, geht durch die Achse des Postaments und mag durch die Linie h1h1 bestimmt sein. Außerdem sind der Augpunkt A und der Horizont hh je durch ihre Risse gegeben. Man zeichne das Bild des Körpers, wenn die Distanz 12 cm beträgt.

Wir wählen in der neuen Darstellung die Grundlinie gg und darüber in der durch den Aufriß gegebenen Höhe den Horizont hh (Fig. 74) und auf ihm den Augpunkt A. Dann zeichnen wir den Schnitt der Bildebene mit dem Körper, was unter Benutzung der Schnittpunkte 1, 7, 13, 14, 8, 2 von h1h1 mit dem Grundriß und unter Heranziehung des Aufrisses leicht geschehen kann. Denn die durch A gelegte Vertikale ist die Achse des Körpers. Schneidet sie die Grundlinie in n, so machen wir nx = A11.

[87]

In x zeichnen wir wieder die Senkrechte und machen xy gleich der aus dem Aufriß zu entnehmenden Höhe des Sockels usf. Auf diese Art erhält man die Schnittfigur der Bildebene mit dem Körper, die in Fig. 74 durch Schraffierung am Rande hervorgehoben ist.

Fig. 73
Fig. 73.

Um jetzt den Grundriß des Körpers in das Bild zu übertragen, verfahren wir in folgender Weise: Wir führen eine Parallelebene zur Grundrißebene ein, welche aus der Bildebene die Parallele ll zum Horizont ausschneiden möge. In diese neue Ebene projizieren wir den Grundriß. Das kommt darauf hinaus, daß der Grundriß um das Stück hl in die Höhe geschoben wird. Wir zeichnen nun zunächst das Bild dieses verschobenen Grundrisses.

Der Grundriß besteht aus zwei Systemen paralleler Geraden und wir werden die beiden Fluchtpunkte zu ermitteln haben, die zu diesen Parallelen gehören. Wir errichten in Fig. 73 im Punkte A1 eine Senkrechte zu h1h1 und tragen auf ihr etwa ein Viertel der Distanz an, machen also

A1 O1/4 = 3 cm.

[88]

Ziehen wir sodann durch O1/4 eine Parallele zu 5.6, so schneidet diese auf dem Horizont den Riß des Teilfluchtpunktes Fa/4 aus. Demnach erhalten wir in Fig. 74 den Fluchtpunkt Fa, indem wir AFa = 4 A1 Fa/4 auf dem Horizont antragen.

Der Fluchtpunkt Fb der anderen Richtung 6.3, der weit über die Zeichenebene hinausfällt, möge nach der in 35 erörterten Methode bestimmt werden. Wir ziehen durch Fa irgendeine Linie, wählen auf ihr den Punkt p' beliebig und zeichnen einen neuen Horizont, der in fa die Linie von Fa nach p' trifft. Nun ermitteln wir eine horizontale Linie, welche im Punkte p auf der Linie Fap senkrecht steht. (Aufgabe 9.) Zunächst zeichnen wir den Teildistanzpunkt D1/4, indem wir aus Fig. 73 die Strecke A1 O1/4 entnehmen und A D1/4 = A1 O1/4 antragen. Dann mögen die Verbindungslinien von p' nach A und D1/4 den neuen Horizont in a und d1/4 treffen. Wir errichten gemäß der früheren Ableitung in a eine Senkrechte zum neuen Horizont und machen dieselbe viermal so lang als die Strecke a d1/4, so daß also

ad4 = 4 ⋅ a d1/4.

Verbinden wir d4 mit fa, so schneidet eine Senkrechte zu dieser Linie im Punkte d4 den Punkt fb aus und die Verbindungslinie von fb mit p' geht nach dem Fluchtpunkte Fb.

Weitere Linien nach Fb können wir nach dem dritten in 36 angegebenen Verfahren ermitteln. Zu diesem Zwecke sind in der Figur rechts und links zwei Vertikale gezeichnet. Die Verbindungslinie p'fb schneidet auf diesen die Punkte 0 aus; die Abschnitte bis zum Horizont sind rechts und links je in zwölf gleiche Teile geteilt; alle Linien nach Fb teilen entsprechende Abschnitte der beiden Vertikalen im gleichen Verhältnis. Es braucht wohl kaum bemerkt zu werden, daß die Nummern auf den beiden Vertikalen bloß dem Zwecke dienen, Linien nach dem Fluchtpunkt Fb zu liefern, und daß diese Nummern ganz unabhängig sind von den übrigen Ziffern der Figur.

Die Konstruktion des Bildes des verschobenen Grundrisses kann nun wie folgt erfolgen. Die Punkte 1, 7, 13, 14, 8, 2 auf der Linie ll ergeben[89] sich sofort, indem man die entsprechenden Strecken von h1h1 überträgt. Ist also m der Schnittpunkt der Achse des Körpers mit ll, so ist

m1 = A11, m7 = A17 usf.

Fig. 74
Fig. 74.

Verbinden wir dann die Punkte 1 und 2 mit Fa, so sind dies zwei [90]Seiten des äußeren Viereckes. Die auf der Linie von 2 nach Fa gelegenen Ecken 3 und 4 bestimmen wir nun etwa durch Tiefenlinien. Wir zeichnen zunächst im Grundriß (Fig. 73) die Senkrechte durch 3 zu h1h1, welche in s1 die Bildtafel trifft. Machen wir in Fig. 74 ms = A1s1, so ist s die Spur in der Parallelebene und As das Bild der Tiefenlinie. Diese Linie As schneidet dann auf der Linie 2.Fa den Punkt 3' aus. Ebenso mag man die übrigen Ecken 4', 5', 6' ermitteln und es nun als Kontrolle benutzen, daß 4'.5' und 3'.6' durch Fb gehen müssen.

Man kann auch die Spuren der Geraden, soweit sie bequem erreichbar sind, hinzunehmen. Um das Bild des zweiten Vierecks 9, 10, 11, 12 zu zeichnen, ist im Grundriß die Spur t1 der Linie 9. 12 gezeichnet. Machen wir in Fig. 74 mt = A1t1, so ist t die Spur der Linie 9. 12 und 9'. 12' geht verlängert durch t.

Endlich können wir auch noch die Eigenschaft verwenden, daß die Verbindungslinien 5'.3', 6'.4', 9'.11', 10'.12' usf. alle durch m gehen müssen.

Ist auf diese Art das Bild des verschobenen Grundrisses oben konstruiert, so liefern die Vertikalen durch die Ecken 3', 4', 5', 6' usf. je einen ersten Ort, auf dem die Bilder des Grundrisses selbst gelegen sein müssen. Unter Benutzung der Schnittfigur mit der Bildebene ist das Bild des Körpers dann aber leicht fertigzustellen. So liefert z. B. der Punkt x mit Fa verbunden die untere, linke Kante des Sockels und die Senkrechten durch 5' und 6' schneiden auf ihr die betreffenden Ecken aus.

Wie wir bei dieser Aufgabe die Grundebene nach oben verschoben (Deckenriß), so kann man unter Umständen auch unterhalb der Grundebene eine Parallelebene wählen, in diese den Grundriß projizieren (sog. Kellergrundriß) und dessen Bild zur Konstruktion benutzen.

§ 14. Die Darstellung des Kreises.

38. Der Kreis in einer zur Tafel parallelen Ebene. Bis jetzt haben wir uns immer mit der Abbildung gerader Linien beschäftigt, wobei uns die Eigenschaft zustatten kam, daß das Bild einer geraden Linie wieder eine Gerade ist. Wir wollen nun auch das Bild einer krummen Linie zeichnen, nämlich das des Kreises. Es ist dann allerdings nötig, daß wir uns von einer Anzahl von Punkten, die auf dem Kreise angenommen werden, die Bilder zeichnen und diese durch einen Linienzug verbinden. Wir wollen mit dem einfachsten Falle beginnen, der sich ergibt, wenn das Bild des gegebenen Kreises wieder ein Kreis ist.

[91]

Fig. 75
Fig. 75.

Der abzubildende Kreis liege in einer zur Tafel parallelen Ebene (Fig. 75). Die vom Auge nach den Punkten des Kreises gehenden Sehstrahlen bilden einen Kegel, der die Tafel nach einer Figur schneiden muß, die zu dem gegebenen Kreise ähnlich ist (S. 45); diese Schnittfigur ist also selbst wieder ein Kreis. Der Mittelpunkt des gegebenen Kreises bildet sich wieder in den Mittelpunkt des neuen Kreises ab, der Radius des neuen Kreises wird je nach der Entfernung des gegebenen Kreises verschieden verkürzt werden. Wir führen die Konstruktion durch an folgender

Aufgabe 22. Ein Punkt m ist gegeben durch sein Bild m' und durch die Spur a der durch ihn gehenden Tiefenlinie A (Fig. 76). Man zeichne das Bild des Kreises, der um m mit gegebenem Radius r beschrieben wird und in einer zur Tafel parallelen Ebene liegt.

Fig. 76
Fig. 76.

Auf dem Bilde A' der Tiefenlinie A ist die Spur a von A und das Bild m' des Mittelpunktes gegeben. Wir denken uns (Fig. 75) den Durchmesser np des Kreises gezogen, der zum Horizont parallel läuft, und ziehen durch seine beiden Endpunkte n und p die Tiefenlinien B und C. Die Spuren b und c dieser beiden Tiefenlinien erhalten wir in Fig. 76 ohne weiteres, wenn wir durch a eine Parallele zum Horizont ziehen und auf dieser Parallelen ab und ac je gleich dem gegebenen Radius r des Kreises antragen. Verbinden wir b und c mit A, so sind dies die Bilder B' und C' der Tiefenlinien B und C und sie schneiden auf der Parallelen durch m' zum Horizont die Punkte n' und p' aus. n'p' ist der Durchmesser des Bildes des Kreises, das also daraus gezeichnet werden kann.

[92]

Als Anwendung dieser Konstruktion geben wir in Fig. 77 das Bild einer ringförmigen Platte, die mit ihrer vorderen Fläche in der Bildtafel liegt, m ist der Mittelpunkt für die beiden vorderen Kreise. Ziehen wir durch m die Parallele zum Horizont und tragen auf ihr eine Strecke mx ab, welche gleich der gegebenen Dicke der Platte ist, so liefert x mit D1 verbunden auf der Linie mA den Punkt t', welcher der Mittelpunkt für die beiden rückwärtigen Kreise ist; deren Radien ergeben sich wie in Fig. 76.

Fig. 77
Fig. 77.

39. Der Kreis in einer Horizontalebene. Wir gehen nun zu dem Falle über, daß der abzubildende Kreis in einer horizontalen Ebene gelegen ist, z. B. in der Grundebene. Es sei zu behandeln folgende

Aufgabe 23. Ein Kreis von gegebenem Radius liegt in der Grundebene so, daß er die Grundlinie berührt. Das Bild des Kreises zu zeichnen.

Fig. 78
Fig. 78.

Die Fig. 78 zeigt die Anordnung im Raume; in Fig. 79 ist der Kreis in der Verschiebung gezeichnet. Es ist nun vorteilhaft, sich nicht nur Punkte des Bildes zu verschaffen, sondern auch Linien, welche das Bild berühren, sogenannte Berührungslinien oder »Tangenten«. Zu diesem Zwecke umschreiben wir dem Kreise das Quadrat (1)(2)(3)(4), dessen Seiten den Kreis in den Punkten (5), (6), (7) und (8) berühren. Das Bild dieses Quadrates ist leicht zu zeichnen, (1)(4) und (2)(3) sind Tiefenlinien; ihre Bilder laufen also nach A; die Linie (2)(4) aber geht im Bilde nach dem linksseitigen Distanzpunkte D1 (vgl. 14). Ferner ist auch (6)(8) eine Tiefenlinie und ihr Bild schneidet auf der Linie[93] 2.4' das Bild m' des Punktes m aus. Die Linie (5)(7) geht in eine Parallele durch m' über, welche auf den Linien 1.4' und 2.3' die Punkte 5' und 7' liefert. Das Bild des Kreises wird in diesem Falle eine Ellipse, welche dem Vierecke 1 2 3' 4' einbeschrieben ist und dessen Seiten in den Punkten 6, 7', 8', 5' berührt.

Fig. 79
Fig. 79.

Ohne Beweis sei erwähnt, daß m' nicht der »Mittelpunkt« der Ellipse ist, daß dieser vielmehr in die Mitte der Strecke 6.8' fällt.

Bringt man die Diagonalen (2)(4) und (1)(3) des Quadrates mit dem Kreise zum Schnitt, so erhält man die Punkte 9, 10, 11, 12 und auch deren Bilder 9', 10', 11', 12' lassen sich leicht ermitteln, da (9) und (10) sowie (11) und (12) je auf einer Tiefenlinie liegen. Sich noch weitere Punkte der Ellipse aus den Punkten des Kreises zu verschaffen ist gar nicht nötig.

Es wird nützlich sein, wenn der Leser sich auch das Bild eines Kreises zeichnet, der auf der rechten Seite des Hauptpunktes gelegen ist.

Die Figur ist dann weiter benutzt, um das Bild eines Umdrehungs-Zylinders, also einer Walze, zu zeichnen. Ist die Höhe des Zylinders durch die Strecke 6.6* gegeben, so schneidet die Deckfläche des Zylinders die Bildebene in der Linie ll, welche durch 6* parallel zur Grundlinie geht. Die Konstruktion des Bildes des Deckkreises des Zylinders erfolgt genau in der gleichen Weise; entsprechende Punkte z. B. 3' und 3'* liegen übrigens immer auf Vertikalen, was viele Kontrollen liefert. Endlich wird das Bild des Zylinders vollendet, indem man auf beiden Seiten die berührenden Vertikalen an beide Ellipsen zeichnet.

40. Der Kreis in einer vertikalen Tiefenebene. In ganz ähnlicher Weise wie ein horizontaler Kreis kann auch ein Kreis abgebildet[94] werden, der in einer lotrechten Tiefenebene liegt. Wir behandeln diesen Fall in der folgenden

Aufgabe 24. In einer lotrechten Tiefenebene, die durch ihre Spur S gegeben ist, liegt ein Kreis von gegebenem Radius, der die Grundebene und die Bildtafel berührt. Das Bild dieses Kreises zu zeichnen.

Fig. 80
Fig. 80.

Die Figur 78 zeigt rückwärts den Kreis in seiner Lage gegen Grundebene und Bildtafel. Wir umschreiben demselben wieder das Quadrat 1 2 3 4, von dem die Seite 1.2 in der Spur S der Ebene, 1.4 in der Grundebene liegt. Um den Kreis auch in seiner wahren Gestalt vor uns haben, denken wir uns seine Ebene wie eine Türe nach außen um die Spur S in die Bildebene hineingedreht, wie dies der Pfeil in Figur 78 andeutet. In dieser Lage ist der Kreis, sowie das umschriebene Quadrat 1 2 (3) (4) in Fig. 80 gezeichnet. Das Bild des Kreises ergibt sich dann wie folgt. Die Tiefenlinien 1.4 und 2.3 haben als Bilder die Linien von 1 nach A und von 2 nach A. Die letzte Quadratseite 3.4 kann ferner durch folgende Überlegung gefunden werden. Ziehen wir die Diagonale 1.3, welche durch den Mittelpunkt m geht, so ist diese Linie unter 45° gegen die Grundebene geneigt. Die Parallele durch O zu dieser Linie schneidet den Fluchtpunkt derselben aus und derselbe muß nach Satz 24 auf der Senkrechten durch A liegen und von A um die Distanz abstehen. Der Fluchtpunkt ist also der schon früher gezeichnete Punkt D4. Ganz ebenso ergibt sich als Fluchtpunkt der anderen Diagonale 2.4 der Punkt D3, der in Fig. 80 eingezeichnet ist. Wenn wir also in Fig. 80 die Linien 1.D4 2.D3 ziehen, so schneiden diese auf den Bildern 2.A und 1.A die Bilder 3' und 4' aus. Zur Probe dient, daß 3'.4' lotrecht sein muß. Ferner ist der Schnittpunkt von 1.D4 und 2.D3 das Bild m'. Die Vertikale durch m' liefert auf den Linien 2.A und 1.A die Berührungspunkte[95] 5' und 7'; die Linie 6.A muß von selbst durch m' gehen und gibt den Berührungspunkt 8'.

Fig. 81
Fig. 81.

In dem hier vorliegenden Falle ist das Bild des Kreises wieder eine Ellipse; m' ist nicht ihr Mittelpunkt; derselbe liegt vielmehr auf der Linie 6.8' in der Mitte zwischen 6 und 8'.

Die Bilder der Punkte 9, 10 usw. lassen sich wie im vorigen Falle bestimmen. Auch die Tangente im Punkte 9' an die Ellipse ist leicht zu zeichnen. Da nämlich die Tangente im Punkte 9 an den Kreis parallel zur Linie 1.(3) verläuft, so muß das Bild dieser Tangente nach D4 fliehen, also ist die Linie 9'.D4 diese Tangente.

Als Anwendung dieser Aufgabe geben wir in Fig. 81 das Bild eines Rundbogens, der in einer lotrechten Tiefenebene gelegen ist; S sei die Spur dieser Tiefenebene. Von dem Rundbogen ist links oben die Hälfte in der Umlegung in die Tafel gegeben. Zur Konstruktion soll der Teildistanzpunkt D1/2 verwendet werden. Tragen wir die Hälfte der Strecke 1(m) auf der Horizontalen durch 1 nach rechts ab und verbinden den Endpunkt mit D1/2, so erhalten wir (Aufg. 4) auf der Tiefenlinie 1.A das Bild m'; in entsprechender Weise ergeben sich für die weiteren Punkte (3) … die Bilder. Die Parallele durch (2) schneidet S in einem Punkte, der mit A verbunden die Berührungslinie im Scheitel 2' des Bogens liefert, wobei 2' auf der Vertikalen durch m' gelegen ist. Der ganze Rundbogen ist dann in 7 gleiche Teile geteilt und es sind die Bilder der Fugen eingetragen. Diese Fugen laufen alle durch m'.

Schließlich sei noch erwähnt, daß das Bild eines Kreises nicht immer eine Ellipse zu sein braucht, sondern auch eine sogenannte »Hyperbel« oder eine »Parabel« sein kann, worauf wir aber nicht weiter eingehen können.

[96]

§ 15. Einfache Schattenkonstruktionen.

41. Schatten bei parallelem Lichte. Die undurchsichtigen Körper haben die Eigenschaft, daß sie das auf sie fallende Licht irgendeiner Lichtquelle nicht durchgehen lassen, sondern es aufhalten oder verschlucken (absorbieren), so daß sich hinter dem Körper ein lichtleerer Raum, der Schatten, ausbildet. Indem wir den Unterschied von Licht und Schatten auch im Bilde etwa durch Schraffierung der beschatteten Teile einigermaßen wiedergeben, erreichen wir eine größere Naturtreue.

Fig. 82
Fig. 82.

Was die Lichtquelle betrifft, so wollen wir uns vorstellen, die Sonne ziehe sich zu einem Punkte zusammen, etwa auf ihren Mittelpunkt, und stehe außerdem fest am Himmel. Die dann entstehende Beleuchtung können wir durch folgende Bestimmung ersetzen. Wir geben uns eine Gerade s beliebig im Raume (Fig. 82) und nehmen an, daß alle Lichtstrahlen zu dieser Geraden s parallel sind. Der ganze Raum ist erfüllt von diesen parallelen Lichtstrahlen. Wir nennen dies eine »Beleuchtung durch parallele Lichtstrahlen«.

Es sei jetzt eine Stange pq gegeben, die auf der Grundebene senkrecht steht (Fig. 82). Wie können wir den Schatten ermitteln, den sie in die Grundebene wirft? Alle auf die Gerade pq treffenden Lichtstrahlen werden aufgehalten und bilden fortgesetzt eben den Schatten der Geraden pq. Wir haben demnach durch die Punkte der Geraden pq die parallelen zur Geraden s zu zeichnen. Alle diese Parallelen liegen aber, wie man leicht erkennt, in einer Ebene und diese Ebene schneidet aus der Grundebene den Schatten der Geraden pq aus, der also eine Gerade ist. Offenbar geht dieser Schatten durch den Fußpunkt q der Stange. Das Ende des Schattens aber erhalten wir, wenn wir durch den Endpunkt p den Lichtstrahl legen. Trifft dieser in p* die Grundebene, so ist p* der Schatten des Punktes p und qp* wird der Schatten der Geraden pq. Im Gegensatz zu dem Schatten, den die Gerade pq [97]unter Umständen auf andere Körper wirft, nennen wir den Schatten qp* auf der Grundebene den »Grundschatten«. Eine zweite, ebenfalls auf der Grundebene senkrechte Gerade rt liefert ganz in der gleichen Weise den Grundschatten tr* und man sieht ohne Mühe ein, daß tr*qp*. Allgemein kann man sagen:

Satz 26. »Parallele Gerade liefern parallele Grundschatten auf der Grundebene.«

Fig. 83
Fig. 83.

Weiter handelt es sich nun darum, die Bilder dieser Schatten zu zeichnen. Wir beachten zu diesem Zwecke, daß die Lichtstrahlen parallele, schiefe Gerade sind, wie wir sie im § 9 betrachtet haben. Diese parallelen Geraden haben also einen Fluchtpunkt, den wir erhalten, wenn wir durch das Auge O eine Parallele zur Geraden s ziehen und den Schnittpunkt S dieser Parallelen mit der Tafel ermitteln. Hat der in O befindliche Beschauer die (punktförmige) Lichtquelle im Rücken, so befindet sich der Fluchtpunkt S unterhalb des Horizonts. Fällen wir von S aus in der Bildebene eine Senkrechte zum Horizont und nennen Sh ihren Fußpunkt, so können wir die Betrachtung von 27 ohne weiteres auch hier anwenden und sehen, daß OShqp*tr*.

Fig. 84
Fig. 84.

Mit anderen Worten:

Satz 27. »Der Punkt Sh, die Projektion des Fluchtpunktes S der parallelen Lichtstrahlen auf den Horizont, ist der Fluchtpunkt der Grundschatten.«

[98]

Die Bilder der Grundschatten fliehen also alle nach Sh (Satz 23). Damit erledigt sich nun leicht folgende

Aufgabe 25. Eine auf der Grundebene senkrechte Gerade pq ist im Bilde gegeben; man zeichne ihren Grundschatten, wenn das parallele Licht durch den Punkt S gegeben ist.

Durch die Annahme des Punktes S (Fig. 83) ist die Beleuchtung vollständig gegeben, da damit die Richtung der Lichtstrahlen bestimmt wird. Fällen wir von S ein Lot zum Horizont, so liefert dies den Fluchtpunkt Sh der Grundschatten. Ist p'q' das gegebene Bild (wir nehmen an, es wäre bereits gefunden), so gibt die Verbindungslinie von q' nach Sh den Grundschatten. Der durch p gehende Lichtstrahl muß aber einerseits durch p', andererseits durch den Fluchtpunkt S gehen; demnach schneidet die Verbindungslinie von S nach p' auf der Linie von q' nach Sh den Endpunkt q*' des Grundschattens aus. Es ist q'p*' das Bild des Grundschattens. Die einfache Regel lautet also: p*' ist der Schnittpunkt der Linien q'Sh und p'S.

Damit ist aber auch die Aufgabe gelöst: den Schatten eines beliebigen Punktes in der Grundebene zu zeichnen. Denn wir brauchen ja nur von dem Punkte das Lot auf die Grundebene zu fällen und dessen Fußpunkt zu ermitteln. Dann können wir nach der obigen Aufgabe den Schatten dieser Senkrechten ermitteln. Wir wenden das an in folgender

Aufgabe 26. Den Schatten zu zeichnen, den ein Obelisk in die Grundebene wirft.

Das Bild des Obelisken, der auf der Grundebene steht, ist nach dem Früheren gezeichnet (Fig. 84). Um den Schatten in der Grundebene zu ermitteln, geben wir uns den Punkt S und seine Projektion Sh. Zunächst zeichnen wir von der in der Tafel liegenden Kante 1.2 des Sockels nach der oben abgeleiteten Regel den Schatten 1.2*'; ebenso finden wir den Schatten 4.3*' der Kante 3.4. Die Verbindungslinie 2*'.3*' ist dann der Schatten der Kante 2.3 und sie flieht, wie man leicht erkennt, nach A. Nun sind die Schatten der 4 Kanten des Obelisken zu zeichnen. Die durch 5 gehende Kante verlängern wir bis zu ihrem Schnittpunkt 6 mit der Grundebene und erhalten in 6.5*' ihren Schatten. Ebenso wird 8.7*' der Schatten der Kante 7.8. Die Schatten der beiden anderen Kanten fallen, wie die Konstruktion zeigt, zwischen diese beiden [99]Schatten hinein, so daß also 6.5*' und 8.7*' den Schatten in der Grundebene begrenzen. Zeichnen wir noch den Schatten 9*' der Spitze 9, indem wir die Senkrechte 9.10 benutzen, so ist der »Schlagschatten« des Obelisken in der Grundebene fertiggestellt, wenn man 9*' mit 5*' und 7*' verbindet.

Es bildet sich aber auch auf dem Körper ein Gegensatz von Licht und Schatten aus, in dem gewisse Teile des Körpers in Schatten gesetzt werden (Eigenschatten). Schneidet die Linie 6.5*' die Kante 1.4 in 11, so geht die Begrenzung des Schattens auf dem Sockel senkrecht in die Höhe nach 12. Auf der oberen Fläche des Sockels gibt dann die Linie von 13 nach 12 die Grenze des Schattens und es kann zur Kontrolle dienen, daß sie als ein Grundschatten nach Sh laufen muß. Ferner befinden sich die durch die Kante 13.5 gehende Fläche des Obelisken und die daran sich schließende durch 5.9 gehende Deckfläche im Schatten, was durch Schraffierung angedeutet ist.

Endlich mag noch bemerkt werden, daß man den Punkt S auch oberhalb des Horizonts annehmen kann. Dann hat der Beschauer die Lichtquelle vor sich und die Schatten bilden sich im Bilde nach vorne aus.

§ 16. Künstlerische Freiheiten.

42. Freiere Gestaltung des Bildes. Am Schlusse unserer Betrachtungen angelangt, wollen wir uns noch darüber klar werden, was die Lehre von der Perspektive uns bietet, so daß wir uns von einer Überschätzung dieser Wissenschaft in gleicher Weise fernhalten wie von einer Unterschätzung. Die Aufgabe der Perspektive haben wir darin erkannt, daß sie uns ein gesetzmäßig definiertes Bild eines Gegenstandes liefern soll, das uns soweit als möglich den Gesichtseindruck ersetzt, den wir von dem Gegenstand erhalten. Tatsächlich besteht nun aber das Betrachten irgendeines Körpers darin, daß wir seine einzelnen Teile der Reihe nach ins Auge fassen und unseren Blick von einer Stelle zur anderen gleiten lassen. Was wir dabei zunächst beurteilen und abschätzen, sind die Gesichtswinkel, welche die Blicklinien nach den einzelnen Punkten des Körpers miteinander einschließen. Aus allen diesen Beobachtungen und Eindrücken setzen wir dann das Bild des Körpers im Auge zusammen.

Da nun aber Winkel durch Kreisbögen gemessen werden, so gelangen wir naturgemäß dazu, um das Auge O eine Kugel mit einem beliebigen Radius zu beschreiben und die nach den einzelnen Punkten des[100] Objektes gehenden Blicklinien mit dieser Kugel zum Schnitt zu bringen. Das heißt dann aber nichts anderes, als daß wir das Objekt aus dem Mittelpunkt auf die Kugelfläche projizieren. Ein solches auf der Innenseite einer Kugelfläche gelegenes Bild, das aus dem Mittelpunkt der Kugel betrachtet wird, genügt allen Ansprüchen. Es kann für beliebig große Teile des Raumes hergestellt werden: ein Panorama könnte z. B. in dieser Weise eingerichtet sein. Die geraden Linien des Raumes gehen in größte Kreise auf der Kugel über. In den allermeisten Fällen aber verlangen wir aus Bequemlichkeitsgründen, daß die Abbildung des Gegenstandes auf einer ebenen Fläche erfolgt; wir wollen das Bild in einem Buche, in einer Mappe oder an der Wand haben und deswegen ist das auf einer Kugel gelegene Bild für gewöhnlich nicht zu gebrauchen. Dann liegt es aber nahe, die Kugelfläche durch eine Ebene zu ersetzen in der Weise, daß wir eine Ebene einführen, welche im Punkte a der Kugel auf dem Radius oa senkrecht steht (Fig. 85). Man nennt diese Ebene eine Berührungsebene oder Tangentialebene der Kugel. Statt auf die Kugel projizieren wir nun die Gegenstände auf diese Ebene und sind damit zu der Abbildung gelangt, wie sie die Perspektive liefert. In der Nachbarschaft des Punktes a schmiegt sich die Berührungsebene der Kugel an und beide Abbildungen, die auf der Kugel und die auf der Ebene, stimmen so ziemlich überein. Je größer aber der Ausschnitt des Raumes wird, den wir abbilden, um so stärker weichen die beiden Abbildungen voneinander ab.

Fig. 85
Fig. 85.

Es ist aber wohl zu beachten, daß die Blickrichtung bei Betrachtung des ebenen Bildes immer mit Oa zusammenfallen muß. Drehen wir den Kopf seitwärts, so daß wir z. B. in der Richtung Ob sehen, so müssen wir uns die in b berührende Ebene als Tafel eingeführt denken. Man könnte nun auf den Gedanken kommen, die Bilder, wie sie den Blickrichtungen oa, ob, oc … und den in diesen Punkten konstruierten Berührungsebenen entsprechen, einfach zu einem Gesamtbild zu vereinigen. Aber auch dieser Versuch würde auf große Schwierigkeiten stoßen. Nehmen wir etwa an, es wäre eine Reihe gleichgroßer vertikaler Pfeiler (I, II, III …) wie in Fig. 36, 37 darzustellen. Dann wäre das Bild des mittleren Pfeilers III am größten und nach beiden Seiten zu würden die Bilder kleiner werden. Die Verbindungslinien[101] der oberen und der unteren Endpunkte wären keine Geraden mehr, sondern krumme Linien, die obere würde sich nach unten, die untere nach oben krümmen. Wir müßten also dann den Grundsatz opfern, daß gerade Linien sich wieder in gerade Linien abbilden und damit würde die Herstellung solcher Bilder ungemein erschwert.

Das schließt nun aber nicht aus, daß gewisse Einzelheiten in einem perspektivischen Bilde, namentlich gegen den Rand zu, nicht so gezeichnet werden dürfen, wie es mehr der direkten Blickrichtung entspricht. Namentlich für menschliche Figuren ergeben sich unangenehm wirkende Verzerrungen, indem die Köpfe und Körper zu breit werden und zu allen Zeiten haben sich die Künstler dann einer freieren Darstellung bedient. Eine Reihe gleichgroßer Säulen, die parallel zur Bildebene angeordnet sind, werden im Bilde gleichgroß wiedergegeben, während die äußeren breiter sein müßten, eine Kugel, die seitwärts im Bilde zu sehen ist, wird durch einen Kreis wiedergegeben und nicht durch eine Ellipse. In Raffaels Schule von Athen (Abb. 8, Seite 71) sind, um ein Beispiel zu geben, rechts bei der Gruppe der Astronomen zwei Kugeln dargestellt: die obere wird durch eine Ellipse, die untere wohl durch einen Kreis wiedergegeben.

Diese und ähnliche Milderungen der perspektivischen Schablone kann man ruhig dem Geschmack des Künstlers überlassen. Wenn er sich nur über die Hauptgesetze der Linienführung im klaren ist, wird er auch die eine oder andere Abweichung als zweckdienlich erkennen. Denn die perspektivische Zeichnung ist nicht Selbstzweck, sondern nur ein Mittel zum Zweck. Es wird aber auch hier das Wort gelten:

Und das Gesetz nur kann uns Freiheit geben.


[102]

Literaturverzeichnis.

Schlotke, J., Lehrbuch der darstellenden Geometrie. III. Teil. Perspektive. 2. Aufl. Dresden 1902. Mathematisch durchgeführter Lehrgang, in elementarer Weise gut und anschaulich begründet.

Kleiber, M., Angewandte Perspektive. 5. Aufl. Webers illustrierte Katechismen. Nr. 137. Leipzig 1912. Gute, praktische und durch viele Beispiele erläuterte Darstellung.

Hauck, G., Malerische Perspektive und Schattenkonstruktionen. Berlin 1910.

Niemann, G., Handbuch der Linear-Perspektive für bildende Künstler. 2. Aufl. Stuttgart 1902.

Meisel, F., Lehrbuch der Perspektive. Leipzig 1908.

Dalwigk, v. F., Vorlesungen über darstellende Geometrie. 2. Bd. Perspektive. Leipzig u. Berlin 1914.

Rohn u. Papperitz, Lehrbuch der darstellenden Geometrie. 3 Bände. Die Perspektive enthält der 2. Bd. Leipzig 1906.


[103]

Sachregister.

(Die beigefügten Zahlen geben die betreffende Seite des Buches an.)


Geschichte der bildenden Künste

Eine Einführung von Dr. Ernst Cohn-Wiener. Geb. ca. M. 4.–

Das Buch will kein historisch geordnetes Nachschlagebuch sein, sondern möglichst viel vom Wesen der Kunst und des Kunstwerkes geben. Es sucht neben dem bloßen Wissen die Freude am Kunstwerk zu vermitteln, erkennen zu lassen, daß hinter dem Werk der Künstler als schöpferische Persönlichkeit steht. Seine Aufgabe, der Selbstbelehrung und als Lehrbuch zu dienen, sucht es nicht zu lösen, indem es durch oberflächliche Behandlung eines verwirrenden Vielerei »mitzureden« befähigt, sondern durch eingehende, Bildhaftigkeit und Anschaulichkeit anstrebende Besprechung der behandelten Kunstwerke sucht es dem Leser den inneren Gehalt der Kunstepochen so vor Augen zu stellen, daß er auch die Werke, die das Büchlein selbst nicht erwähnen kann, zu verstehen vermag. Eine reiche Zahl von Abbildungen – darunter auch farbige – dient der Anschaulichkeit. Die neueste Zeit ist besonders eingehend behandelt worden, weil hier das Bedürfnis am unmittelbarsten ist.

Elementargesetze der bildenden Kunst

Grundlagen einer praktischen Ästhetik von Prof. Dr. Hans Cornelius. 2. Auflage. Mit 245 Abb. und 13 Tafeln. Geh. M. 7.–, geb. M. 8.–

»Es gibt kein Buch, in dem die elementarsten Gesetze künstlerischer Raumgestaltung so klar und anschaulich dargelegt, so überzeugend abgeleitet wären. Wir haben hier zum ersten Male eine zusammenfassende, an zahlreichen einfachen Beispielen erläuterte Darstellung der wesentlichsten Bedingungen, von denen namentlich die plastische Gestaltung in Architektur, Plastik und Kunstgewerbe abhängt.«

(Zeitschrift für Ästhetik.)

Die bildenden Künste

Ihre Eigenart und ihr Zusammenhang. Vorlesung von Professor Dr. Karl Doehlemann. Geheftet M. –.80

»Eine tiefgründige Besprechung der bildenden Künste – Malerei, Plastik und Architektur umfassend – in durchweg anregender Form. Die Fachwelt wie die gebildeten Stände werden die Schrift mit hoher Befriedigung aufnehmen.«

(Wiener Bauindustrie-Ztg.)

Unser Verhältnis zu den bildenden Künsten

Von Prof. Dr. August Schmarsow. Geh. M. 2.–, geb. M. 2.60

»Diese Vorträge bilden den wertvollsten Beitrag zur Literatur über die Kunsterziehungsfrage. Schmarsow entwickelt seine Anschauung über das Verhältnis der Künste zueinander, um zu zeigen, wie jede einzelne einer besonderen Seite der menschlichen Organisation entspreche, wie darum auch alle Künste eng miteinander verknüpft sind, da alle von einem Organismus ausstrahlen.«

(Deutsche Literaturzeitung.)

Psychologie der Kunst

Darstellung ihrer Grundzüge. Von Dr. R. Müller-Freienfels. 2 Bde. I: Die Psychologie d. Kunstgenießens u. d. Kunstschaffens. II: Die Formen d. Kunstwerks u. d. Psychol. d. Bewertung. Je M. 4.40, in 1 Bd. M. 10.–

»Was diesem Werke Beachtung und Anerkennung erworben hat, ist zum Teil der Umstand, daß es zu den sehr seltenen wissenschaftlichen deutschen Büchern gehört, die auch einen ästhetischen Wert besitzen, aus denen eine Persönlichkeit spricht, die über eine gute Beherrschung des gesamten psychologischen und ästhetischen Stoffes und über eine ungewöhnliche Gabe der Synthese verfügt.«

(Zeitschrift für Ästhetik.)

Die Natur in der Kunst

Stud. eines Naturforschers z. Geschichte d. Malerei. Von Prof. Dr. F. Rosen. M. 120 Abb. nach Zeichn. von E. Süß u. Photographien d. Verf. Geb. M. 12.–

»… Botanik und Kunstgeschichte – zwei Disziplinen, die einander fremd gegenüberzustehen scheinen! Und doch, wieviel neuen Stoff ergibt dieses doppelte Studium. Mit wachsendem Interesse folgen wir dem Führer und wandeln mit ihm von Stufe zu Stufe empor. Zum Genuß des anregenden Buches tragen auch die vielen Abbildungen bei.«

(Kunstchronik.)

Verlag von B. G. Teubner in Leipzig und Berlin


Mathematik und Malerei. Von Oberlehrer Dr. G. Wolff. Mit 25 Abb. und 19 Fig. im Text. Kart. ca. M. 1.60

Die nahen historischen Beziehungen zwischen Malerei und mathematischer Perspektive werden dazu benutzt, um aus formaler Darstellung eines Bildes dessen künstlerischen Wert zu beurteilen. Der 1. Teil entwickelt im engsten Anschluß an die Malerei die Grundlagen der malerischen Perspektive. Der 2. Teil analysiert mit den so gewonnenen Mitteln einzelne perspektivisch besonders lehrreiche Bilder.

Die altdeutschen Maler in Süddeutschland. Von Helene Nemitz. Mit Bilderanhang Geh. M. 1.–, geb. M. 1.25

Das Bändchen sucht das Verständnis für die Eigenart und Größe der altdeutschen Malerei des 15. Jahrhunderts und so den Sinn für die in ihren Werken sich offenbarende echt deutsche Schönheit zu wecken. Es zeigt, wie das kraftvolle, tiefinnerliche Gefühlsleben jener Zeit kaum irgendwo eine künstlerisch reinere Ausprägung und Verklärung gefunden hat als in den Bildern der Meister Süddeutschlands.

Albrecht Dürer. V. Dr. R. Wustmann. M. Titelbild u. 32 Abb. Geh. M. 1.–, geb. M. 1.25

Eine schlichte und knappe Erzählung des gewaltigen menschlichen und künstlerischen Entwicklungsganges Dürers und eine Darstellung seiner Kunst, in der nacheinander Selbst- und Angehörigenbildnisse, die Zeichnungen zur Apokalypse, die Darstellungen von Mann und Weib, das Marienleben, die Stiftungsgemälde, die Radierungen v. Rittertum, Trauer und Heiligkeit sowie die wichtigsten Werke aus der Zeit der Reife behandelt werden.

Niederländische Malerei im 17. Jahrhundert. Von Dr. H. Jantzen. Mit 37 Abb. Geh. M. 1.–, in Lw. geb. M. 1.25

Gibt eine Einführung in das Verständnis dieser Blütezeit der Malerei, indem es die zahlreichen, dort in immer neuen Stoffgebieten: Historienmalerei, Porträt, Gruppenbild, Sittenbild, Interieur, Landschaft, Seestück, Kirchenstück, Stilleben auftauchenden malerischen Probleme sowie ihre gesetzmäßigen Zusammenhänge darlegt und die einzelnen hervortretenden Künstlerpersönlichkeiten und -gruppen kurz und treffend charakterisiert.

Rembrandt. V. Prof. Dr. P. Schubring. Mit 1 Titelb. u. 219 Abb. Geh. M. 1.–, geb. M. 1.25

Eine lebensvolle Schilderung des menschlichen u. künstl. Entwicklungsganges R's. Zur Darstellung gelangen seine persönl. Schicksale bis 1642, die Frühzeit, die Zeit bis zu Saskias Tode, die Nachtwache, sein Verhältnis zur Bibel, die Radierungen, Urkundliches über die Zeit nach 1642, die Periode des farbigen Helldunkels, die Gemälde nach der Nachtwache und die Spätzeit. Beigefügt sind die beiden ältesten Biographien Rembrandts.

Die deutsche Malerei im 19. Jahrhundert. Von Prof. Dr. R. Hamann. 1 Bd. Text, 1 Bd. Abb. Geh. je M. 2.–, in Lw. geb. je M. 2.50, in Halbperg. geb. M. 6.–

»H. hat eine ausgezeichnete Darstellung des Entwicklungsganges der Malerei im letzten Jahrhundert gegeben. Meines Wissens gibt es in der ganzen modernen Kunstgeschichtschreibung keine annähernd so vortreffliche Darstellung des Wesens der Malerei seit 1860 bis zum Einbruch des Naturalismus, als sie H. im 6. Kap. seines Werkes gibt. Es ist ein Genuß, sich der meisterhaften Behandlung dieser Epoche ruhig hinzugeben.«

(Preuß. Jahrb.)

Der Impressionismus. V. Prof. B. Lazar. Mit 1 farb. Tafel u. 32 Abb. auf Tafeln. Geh. M. 1.–, geb. M. 1.25

Betrachtet Werden und Wesen des Impressionismus bis in die jüngste Zeit, mit besonderer Betonung der geschichtlichen Entwicklung u. mit Charakterisierung aller großen impressionistischen Maler der Neuzeit.

Die künstlerische Photographie. Entwicklung, Probleme, Bedeutung. V. Dr. W. Warstat. M. Bilderanh. Geh. M. 1.–, geb. M. 1.25

Deutsche Kunsterziehung. Im Auftrage des Deutschen Landesausschusses für den III. Internat. Kongreß zur Förderung des Zeichen- und Kunstunterrichts veröffentl. Mit Schülerzeichn. aus Preußen, Bayern, Sachsen u. Hamburg auf 16 Taf. Ausstattung des Buches v. Prof. P. Behrens. Geh. M. 2.–

Inhalt: L. Pallat: Zeichenunterricht. G. Kerschensteiner: Die Entwicklg. d. zeichner. Begabung. P. Jessen: Handarbeit u. Kunst. G. Pauli: Das deutsche Bilderbuch. P. Hermann: Das Wandbild in der Schule. C. Götze: Junge Kräfte. A. Lichtwark: Die Entwicklung der deutschen Kunstmuseen.

Die Erziehung d. Anschauung. Von Prof. H. E. Timerding. Mit 164 Fig. Geh. M. 4.80, in Leinw. geb. M. 5.60

Wandtafel und Kreide im Elementarunterricht. Gedächtniszeichn. m. erläut. Text von Lehrer Othmer. 25 bunte Taf. mit Erläuterungsheft. In Mappe M. 6.50

Die Technik des Tafelzeichnens. Von Dr. Ernst Weber. 3. Aufl. 40 teils farb. in Kreidetechnik gezeichn. Taf. nebst 1 Erläuterungsheft m. 6 Illustr. In Mappe M. 6.–

Das darstellende u. schmückende Zeichnen in der Volksschule auf der Grundlage der Arbeitsidee. Eine Lehrplanskizze von Lehrer P. Wendler. Mit 9 Taf. (1 farb.) und 4 Abbildungen. Geh. M. 2.–

Technisches Zeichnen. Von Prof. Horstmann, Regierungs- u. Gewerbeschulrat Geh. M. 1.–, geb. M. 1.25

Lebendiges Papier. Erfindgn. u. Entdeckung. ein. Knaben. Der eig. Jugenderinner. nacherz. v. Dr. E. Weber. Mit 24 Taf. M. 2.50

Bau und Leben der bildenden Kunst. Von Dr. Theodor Volbehr. Mit 44 Abb. Geh. M. 1.–, in Leinw. geb. M. 1.25

»Im Gegensatz zu den Kompendien und Leitfaden alten Stils, die, die ›Stile‹ nach ihren äußeren Merkmalen klassifizieren, sucht der Verfasser von einem neuen Standpunkte aus in das Verständnis des Wesens der bildenden Kunst hineinzuführen. In durchaus allgemeinverständlicher Darstellung führt uns das Buch in das Verständnis der Künstlerpersönlichkeit als des für die Kunst entscheidenden Faktors ein. Die Entwicklung eigener Ansichten verleiht dem feinsinnigen Buche hohen Reiz, so daß es auch der Künstler u. der Kunstgelehrte nicht ohne Anteilnahme lesen wird.«

(Zeitschrift f. d. gewerbl. Unterricht.)

Die Entwicklungsgeschichte der Stile in der bildenden Kunst. Von Dr. Ernst Cohn-Wiener Bd. I: Vom Altertum bis zur Gotik. Mit 57 Abb. Bd. II: Von der Renaissance bis zur Gegenwart. Mit 31 Abb. Geh. je M. 1.–, in Lw. geb. je M. 1.25

»… Ein feinsinniges, in hohem Grade anregendes Werk von ersichtlich starker Selbständigkeit seines geistigen Gehaltes. Wir empfehlen Cohns Darlegungen mit ihrem klaren, angenehmen Fluß d. Darstellung der nachdenklichen Kenntnisnahme.«

(St. Galler Bl.)

Zur Architektur u. Plastik des früheren Mittelalters. Untersuchungen v. Dr. G. Weise. M. Abb. [U. d. Pr.]

Die hier vereinigten Einzeluntersuchungen wollen als Vorarbeiten zu einer umfassenden Geschichte der Architektur und Plastik des früheren Mittelalters neue Ergebnisse für die wichtigste Voraussetzung zur Erkenntnis ihres Entwicklungsganges durch eine möglichst genaue Datierung der erhaltenen Werke gewinnen und so für die karolingische und merowingische Zeit eine Vermehrung dieses Materials liefern. In drei Aufsätzen sind die Ergebnisse der von dem Verfasser in jüngster Zeit an verschiedenen karolingischen Denkmälern durchgeführten Grabungen niedergelegt. Eine Reihe kleinerer Aufsätze bringen den Versuch, das heute der Forschung zugängliche Material an karolingischen Denkmälern durch Rekonstruktion einzelner verschwundener Bauten auf Grund der Quellennachrichten zu bereichern.

Michelangelo. Eine Einführung in das Verständnis seiner Werke. Von Prof. Ed. Hildebrand. Mit 1 Titelbild u. 43 Abb. i. Text. Geh. M. 1.–, geb. M. 1.25

»Dies Buch dürfte zu den besten populären Werken über M. gehören. In überzeugenden, klaren Worten behandelt der Verfasser das übermenschliche Werk dieses großen Meisters, sein Leben und sein Wirken. Bücher wie diese sind dazu geschaffen, tieferes Interesse an der Kunst zu erzeugen, zur Veredelung d. Masse im besten Sinne beizutragen.«

(Der Architekt.)

Deutsche Baukunst. Von Geh. Reg.-Rat Prof. Dr. Ad. Matthaei. 3 Bände. Bd I: Deutsche Baukunst im Mittelalter. 3. Aufl. Mit 29 Abb. Bd. II: Deutsche Baukunst seit dem Mittelalter bis zum Ausgang des 18. Jahrhunderts. Mit 62 Abb. und 3 Tafeln. Bd. III: Deutsche Baukunst im 19. Jahrhundert und in der Gegenwart. Mit 35 Abb. Geh. je M. 1.–, geb. je M. 1.25, in 1 Bd. geb. M. 3.75

»… In bündiger, überaus verständlicher Sprache entrollt der Verfasser die Entwicklungsgeschichte der deutschen Baukunst. Das Buch ist so recht geeignet, das zu erfüllen, was der Verfasser am Schlusse des Buches als Zweck desselben ausspricht: ›Den Laien Klarheit schaffen über die Fragen der Baukunst und die Künstler auf jene Zeit hinweisen, in der die Baukunst der Ausdruck deutschen Wesens war, und in denen noch manche entwicklungsfähigen Keime ruhen dürften‹.«

(Kunst und Handwerk.)

Die Entwicklungsphasen der neueren Baukunst. Von Dr. Paul Frankl. Mit 50 Abb. im Text u. 24 Abb. auf Tafeln. Geh. M. 6.–, geb. M. 7.50

Inhalt: Problem u. Methode. Die Entwicklungsphasen der Raumform – der Körperform – der Bildform – der Zweckgesinnung. Das Unterscheidende und das Gemeinsame der vier Phasen.

Das Problem, die Architekturstile seit der Renaissance streng zu definieren, wird hier von neuem aufgenommen. Die Methode ist die, daß die vier Elemente der Architektur, Raumform, Körperform, Bildform und Zweckgesinnung, für sich untersucht werden und die Stilmerkmale, die für jede der Stilphasen, Renaissance, Barock, Rokoko und Klassizismus, als die entscheidenden gelten sollen, auf die allgemeinste Formulierung gebracht werden. Der gemeinsame Grundzug der ganzen Periode ist die Beziehung zur Antike zunächst und daraus folgend zu einem die Kunst verwissenschaftlichenden Begriff von Richtigkeit, der zuletzt sich ausweitet zu einem Nebeneinander und Nacheinander anerkannter Stilrichtigkeiten im 19. Jahrhundert.

Die Begründung der modernen Ästhetik und Kunstwissenschaft durch Leon Battista Alberti. Eine kritische Darstellung als Beitrag zur Grundlegung der Kunstwissenschaft. Von Dr. W. Flemming. [Unter der Presse.]

Muß Galilei der Begründer der modernen Naturwissenschaft genannt werden, so darf sein etwas älterer Zeitgenosse L. B. Alberti der Vater der modernen Kunstwissenschaft heißen. Bedeutungsvoller noch als seine Einzelergebnisse ist seine Methode. Diese herauszuarbeiten, ihre Fruchtbarkeit zu erweisen und also den Weg des Florentiners weiterzuschreiten, ist das Ziel dieser Darstellung.

Planimetrie zum Selbstunterricht. Von Prof. P. Crantz. Mit 99 Fig. Geh. M. 1.–, geb. M. 1.25

Macht, ohne auf wissenschaftliche Strenge zu verzichten, in einfacher und allgemein verständlicher Darstellung, die durch historische Bemerkungen belebt wird, mit den Grundlehren der ebenen Geometrie vertraut, wobei besonders der Zusammenhang der einzelnen Sätze und ihr Nutzen durch Angabe praktischer Anwendungen hervorgehoben wird und reichliche Übungsaufgaben nebst Lösungen beigegeben sind.

Arithmetik und Algebra zum Selbstunterricht. V. Prof. P. Crantz. 2 Bde. I. Teil: Die Rechnungsarten. Gleichungen ersten Grades mit einer u. mehreren Unbekannten. Gleichungen zweiten Grades. Mit 9 Fig. 3. Aufl. II. Teil: Gleichungen. Arithmetische u. geometrische Reihen. Zinseszins- u. Rentenrechnung. Komplexe Zahlen. Binomischer Lehrsatz. Mit 21 Fig. 2. Aufl. Jeder Bd. geh. M. 1.–, geb. M. 1.25

… Will in leicht faßlicher u. für das Selbststudium geeigneter Darstellg. über d. Anfangsgründe der Arithmetik u. Algebra unterrichten.

Ebene Trigonometrie z. Selbstunterricht. Von Prof. P. Crantz. Mit 50 Fig. Geh. M. 1.–, geb. M. 1.25

Will wie die andern in der Sammlung »Aus Natur und Geisteswelt« erschienenen Bändchen über Arithmetik und Algebra und die Planimetrie in leicht verständlicher Weise mit den Grundlehren der Trigonometrie bekannt machen. Vollständig gelöste Aufgaben und praktische Anwendungen sind zur Erläuterung eingefügt.

Analytische Geometrie zum Selbstunterricht. V. Prof. P. Crantz. Mit 55 Fig. Geh. M. 1.–, geb. M. 1.25

Die für den Selbstunterricht bestimmte leicht verständliche Darstellung führt namentlich durch Beigabe zahlreicher ausführlich gelöster Aufgaben rasch zu völliger Beherrschung des Stoffes.

Einführung in die projektive Geometrie. Von Prof. Dr. M. Zacharias. Mit 18 Fig. Kart. M. –.80

»Der Leser bekommt ein klares Bild von der Entstehung der projektiven Geometrie, er kann verfolgen, wie sie sich allmählich zur ›Geometrie der Lage‹ entwickelt hat. Mühelos lernt er eine Reihe der wichtigsten Lehrsätze in diesem Gebiete kennen und sieht, welche Aufgaben mit Hilfe dieser Sätze gelöst werden können. Gute, in den Text eingereihte Figuren unterstützen im hohen Maße das Verständnis der theoretischen Ausführungen. Wir können die Schrift bestens empfehlen.«

(Wochenschr. f. d. öffentl. Baudienst.)

Konstruktionen in begrenzter Ebene. Von Direktor P. Zühlke. Mit 65 Fig. Kart. M. –.80

»Selbst erfahrene Fachmänner auf diesem Gebiete werden gewiß Neues finden, so die Hinweise auf die ältesten, bei den Aufgaben in Frage kommenden Fachschriften und einige Konstruktionen, die überhaupt noch nicht veröffentlicht worden sind … Druck und Ausstattung sind tadellos. Es kann Interessenten wärmstens empfohlen werden.«

(Österr. Zeitschr. f. Vermessungswes.)

Schattenkonstruktionen für den Gebrauch an Baugewerkschulen, Gewerbeschulen u. ähnl. Lehranstalten sowie zum Selbstunter. von Baugewerkschullehrer J. Hempel. Mit 51 Fig. u. 20 Tafeln praktischer Beispiele in Lichtdruck. In Leinw. geb. M. 5.–

Von d. Voraussetzung ausgehend, daß allein ein klares Erfassen des Raumvorgangs den prakt. Zeichner zum sicheren Konstruieren befähigen kann, gibt der Verfasser nach einem einleitenden Text mit zahlr. Übungsbeispielen kurze Erläuterungen d. angewandten Lösungsverfahren. – Den parallelprojektiven Schattenkonstruktionen ist noch eine kleinere Gruppe perspektivischer Schattenkonstruktionen angefügt.

Das Licht u. die Farben. 6 Vorles., geh. im Volkshochschulverein München. Von Prof. Dr. L. Graetz. 3. Aufl. Mit 117 Abb. Geh. M. 1.–, in Leinwand geb. M. 1.25

Führt, von den einfachsten optischen Erscheinungen ausgehend, zur tieferen Einsicht in die Natur des Lichtes u. der Farben, behandelt, ausgehend v. der scheinbar geradlinigen Ausbreitung, Zurückwerfung und Brechung des Lichtes, das Wesen der Farben, die Beugungserscheinungen und die Photographie.

Die optischen Instrumente. Von Dr. M. von Rohr. 2., verm. u. verb. Aufl. Mit 88 Abb. Geh. M. 1.–, geb. M. 1.25

»Wer die Schwierigkeiten u. den Umfang der Abbeschen Theorie der optischen Instrumente kennt, wird der vortrefflichen allgemein verständlichen Darstellung seine Anerkennung nicht versagen können. Jedem, der sich über den jetzigen Stand oder irgendeine Frage der Optotechnik rasch belehren will, kann das Buch wärmstens empfohlen werden.«

(Streffleurs militär. Zeitschrift.)

Das Stereoskop und seine Anwendungen. Von Prof. Th. Hartwig. Mit 40 Abb. im Text u. 19 stereoskop. Taf. Geh. M. 1.–, geb. M. 1.25

Behandelt die verschiedenen Erscheinungen u. praktischen Anwendungen der Stereoskopie, insbesondere die stereoskopischen Himmelsphotographien, die stereoskopische Darstellung mikroskopischer Objekte, das Stereoskop als Meßinstrument und Bedeutung und Anwendung des Stereokomparators, insbesondere in bezug auf photogrammetrische Messungen.


Verlag von B. G. Teubner in Leipzig und Berlin


Weitere Anmerkungen zur Transkription

Der Katalog »Aus Natur und Geisteswelt« wurde entfernt, er steht auf Project Gutenberg als Projekt 53614 zur Verfügung.

Offensichtliche Fehler wurden stillschweigend korrigiert.

Korrekturen:

S. 36: D1 → D2
AD3 = AD1 = AD2

S. 99: o → O
um das Auge O eine Kugel

*** END OF THE PROJECT GUTENBERG EBOOK 55791 ***